utilizzo microfono
Moderatori:
carloc,
g.schgor,
BrunoValente,
IsidoroKZ
0
voti
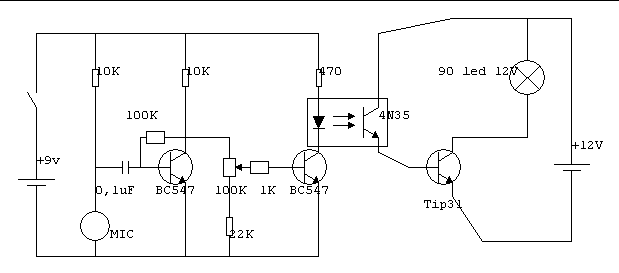
Nel circuito http://www.danielandrade.net/2005/12/06 ... king-leds/ al posto del transistor tip31 si può utilizzare un bd137 o in alternativa un bc237b ?
0
voti
g.schgor ha scritto:Direi che tutto quel circuito è poco consigliabile!
poco consigliabile perché ? (io ho aggiunto due resistenze, una per il led, una per la base del transistor)
0
voti
ok grazie mille ora funziona perfettamente
ho trovato una lampada a led da 12V
Come posso ridurre l' effetto dissolvenza nella fase di accensione o spegnimento?
ho trovato una lampada a led da 12V
Come posso ridurre l' effetto dissolvenza nella fase di accensione o spegnimento?
-

pierfrancis
0 3 - New entry

- Messaggi: 85
- Iscritto il: 16 nov 2008, 16:20
0
voti
Mi spiego meglio riducendo la sensibilità con il potenziometro la lampada si accende con frequenza minore e va bene ma diminuisce pure l'intensità della luce emessa (questo intendevo con effetto dissolvenza)
-

pierfrancis
0 3 - New entry

- Messaggi: 85
- Iscritto il: 16 nov 2008, 16:20
0
voti
Vedo adesso lo schema e mi chiedo se usando la continua (anche se
da diverso alimentatore) conviene mettere un optoisolatore (sarebbe
stato più semplice unire i negativi e comandare direttamente il TIP31)
Comunque userei per precauzione una resistenza (di qualche centinaia di Ohm)
tra il +12V ed il collettore del fototransistor nel 4N35 (per proteggere questo da una
corrente eccessiva)
Spero poi che la lampada LED indicata abbia incorporate le necessarie resistenze limitatrici.
da diverso alimentatore) conviene mettere un optoisolatore (sarebbe
stato più semplice unire i negativi e comandare direttamente il TIP31)
Comunque userei per precauzione una resistenza (di qualche centinaia di Ohm)
tra il +12V ed il collettore del fototransistor nel 4N35 (per proteggere questo da una
corrente eccessiva)
Spero poi che la lampada LED indicata abbia incorporate le necessarie resistenze limitatrici.
0
voti
la lampada era già fatta completa di batterie e tutto. Il fotoaccoppiatore l'avevo messo prima quando pensavo di utilizzare una lampada da 220 V ma ora se non crea problemi lo lascio
-

pierfrancis
0 3 - New entry

- Messaggi: 85
- Iscritto il: 16 nov 2008, 16:20
Chi c’è in linea
Visitano il forum: Nessuno e 137 ospiti

Elettrotecnica e non solo (admin)
Un gatto tra gli elettroni (IsidoroKZ)
Esperienza e simulazioni (g.schgor)
Moleskine di un idraulico (RenzoDF)
Il Blog di ElectroYou (webmaster)
Idee microcontrollate (TardoFreak)
PICcoli grandi PICMicro (Paolino)
Il blog elettrico di carloc (carloc)
DirtEYblooog (dirtydeeds)
Di tutto... un po' (jordan20)
AK47 (lillo)
Esperienze elettroniche (marco438)
Telecomunicazioni musicali (clavicordo)
Automazione ed Elettronica (gustavo)
Direttive per la sicurezza (ErnestoCappelletti)
EYnfo dall'Alaska (mir)
Apriamo il quadro! (attilio)
H7-25 (asdf)
Passione Elettrica (massimob)
Elettroni a spasso (guidob)
Bloguerra (guerra)

