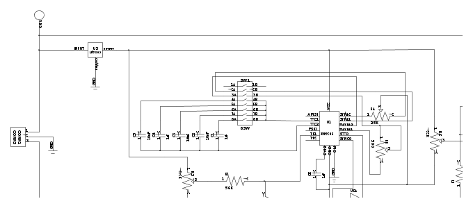
..mmm l'amplificatore non è che mi faccia una bella impressione così a colpo d'occhio...
come prima cosa lo stadio inseguitore di emettitore push-pull lo vedrei meglio dentro l'anello di reazione.. ma anche un paio di R piccole sugli emettitori per la stabiltà termica....
poi non so se riesci ad avere la banda necessaria... la coppia BD138/139 mi pare piuttosto "lenta" -se ben ricordo esperimenti in tal senso- tieni presente che per un triangolo decente a 100 kHz ti serve almeno 1 MHz di banda a piena potenza....
potresti considerare di sostituire i due transistor con un buffer integrato... ad esempio l'LMH6321... magari è un po' overspecified ma lo stavo considerando per un altro progetto così l'avevo sotto mano...
Generatore onda triangolare
Moderatori:
carloc,
g.schgor,
BrunoValente,
IsidoroKZ
0
voti
Un altro buffer interessante, con un po' meno banda del'LMH6321, potrebbe essere l'LT1010.
posta10100 prova a dare anche un'occhiata a questa application note.
posta10100 prova a dare anche un'occhiata a questa application note.
It's a sin to write
instead of
(Anonimo).
...'cos you know that
ain't
, right?
You won't get a sexy tan if you write
in lieu of
.
Take a log for a fireplace, but don't take
for
arithm.
instead of
(Anonimo)....'cos you know that
ain't
, right?You won't get a sexy tan if you write
in lieu of
.Take a log for a fireplace, but don't take
for
arithm.-

DirtyDeeds
55,9k 7 11 13 - G.Master EY

- Messaggi: 7012
- Iscritto il: 13 apr 2010, 16:13
- Località: Somewhere in nowhere
0
voti
Ciao,
innanzitutto grazie dei suggerimenti!
Purtroppo RS non lo ha, e credo sia difficile trovarlo anche nel negozio dove mi rifornisco di solito.
Questo lo ha RS, ma e` SMT... su millefori non lo vedo bene...
In realta` si tratta di BD135/BD136, al momento non ho sotto mano un datasheet che riporta la banda ma al simulatore, forse per un limite del modello, non era dispiaciuto.
Tra l'altro quando l'ampiezza si avvicina ai 9V il generatore di corrente in alto non eroga piu` la corrente voluta e il BD135 non lavora piu` correttamente...
Vero hai ragione, stasera rivedo lo schema.

innanzitutto grazie dei suggerimenti!
DirtyDeeds ha scritto:potrebbe essere l'LT1010.
Purtroppo RS non lo ha, e credo sia difficile trovarlo anche nel negozio dove mi rifornisco di solito.
carloc ha scritto:ad esempio l'LMH6321...
Questo lo ha RS, ma e` SMT... su millefori non lo vedo bene...
carloc ha scritto:la coppia BD138/139 mi pare piuttosto "lenta"
In realta` si tratta di BD135/BD136, al momento non ho sotto mano un datasheet che riporta la banda ma al simulatore, forse per un limite del modello, non era dispiaciuto.
Tra l'altro quando l'ampiezza si avvicina ai 9V il generatore di corrente in alto non eroga piu` la corrente voluta e il BD135 non lavora piu` correttamente...
carloc ha scritto:come prima cosa lo stadio inseguitore di emettitore push-pull lo vedrei meglio dentro l'anello di reazione.. ma anche un paio di R piccole sugli emettitori per la stabiltà termica....
Vero hai ragione, stasera rivedo lo schema.

http://millefori.altervista.org
Tool gratuito per chi sviluppa su millefori.
Tutti sanno che una cosa è impossibile da realizzare, finché arriva uno sprovveduto che non lo sa e la inventa. (A. Einstein)
Se non c'e` un 555 non e` un buon progetto (IsidoroKZ)
Strumento per formule
Tool gratuito per chi sviluppa su millefori.
Tutti sanno che una cosa è impossibile da realizzare, finché arriva uno sprovveduto che non lo sa e la inventa. (A. Einstein)
Se non c'e` un 555 non e` un buon progetto (IsidoroKZ)
Strumento per formule
-

posta10100
5.550 4 10 13 - Master EY

- Messaggi: 4832
- Iscritto il: 5 nov 2006, 0:09
0
voti
L'LT1010 dovrebbero avercelo sia Distrelec che Digikey, non mi ricordo più da chi l'ho comprato.
It's a sin to write
instead of
(Anonimo).
...'cos you know that
ain't
, right?
You won't get a sexy tan if you write
in lieu of
.
Take a log for a fireplace, but don't take
for
arithm.
instead of
(Anonimo)....'cos you know that
ain't
, right?You won't get a sexy tan if you write
in lieu of
.Take a log for a fireplace, but don't take
for
arithm.-

DirtyDeeds
55,9k 7 11 13 - G.Master EY

- Messaggi: 7012
- Iscritto il: 13 apr 2010, 16:13
- Località: Somewhere in nowhere
0
voti
Ho trovato un datasheet della Philips che danno una ft a 190MHz, dovrei farcela!à
Modifico le schema, altre indicazioni?

Modifico le schema, altre indicazioni?

http://millefori.altervista.org
Tool gratuito per chi sviluppa su millefori.
Tutti sanno che una cosa è impossibile da realizzare, finché arriva uno sprovveduto che non lo sa e la inventa. (A. Einstein)
Se non c'e` un 555 non e` un buon progetto (IsidoroKZ)
Strumento per formule
Tool gratuito per chi sviluppa su millefori.
Tutti sanno che una cosa è impossibile da realizzare, finché arriva uno sprovveduto che non lo sa e la inventa. (A. Einstein)
Se non c'e` un 555 non e` un buon progetto (IsidoroKZ)
Strumento per formule
-

posta10100
5.550 4 10 13 - Master EY

- Messaggi: 4832
- Iscritto il: 5 nov 2006, 0:09
0
voti
Ecco lo schema modificato.
Se non avete altri suggerimenti in settimana passo a prendere il materiale e nel we assemblo tutto.
Speriamo non esploda!
Se non avete altri suggerimenti in settimana passo a prendere il materiale e nel we assemblo tutto.
Speriamo non esploda!
http://millefori.altervista.org
Tool gratuito per chi sviluppa su millefori.
Tutti sanno che una cosa è impossibile da realizzare, finché arriva uno sprovveduto che non lo sa e la inventa. (A. Einstein)
Se non c'e` un 555 non e` un buon progetto (IsidoroKZ)
Strumento per formule
Tool gratuito per chi sviluppa su millefori.
Tutti sanno che una cosa è impossibile da realizzare, finché arriva uno sprovveduto che non lo sa e la inventa. (A. Einstein)
Se non c'e` un 555 non e` un buon progetto (IsidoroKZ)
Strumento per formule
-

posta10100
5.550 4 10 13 - Master EY

- Messaggi: 4832
- Iscritto il: 5 nov 2006, 0:09
0
voti
Ciao a tutti sono nuovo del forum e ho bisogno di voi ! Ho bisogni di costruire un generatore di onde triangolari ( a dente di sega ) con i seguenti dati : primaria 12 vcc da 10 a 20 ampere , ho bisogno di variare la frequenza da 1 Hz a 100 Hz e l uscita amplificata 200 - 400 - 600 - 800 volt . Con la seguente vi auguro buon lavoro grazie
-

Dempis1970
0 1 - Messaggi: 1
- Iscritto il: 27 feb 2013, 15:44
1
voti
Apri un nuovo thread in elettronica generale e spiega meglio che cosa vuoi fare perche' cosi` e` abbastanza incomprensibile. Appena avrai aperto l'altro thread, cancellero` questi due messaggi.
Per usare proficuamente un simulatore, bisogna sapere molta più elettronica di lui
Plug it in - it works better!
Il 555 sta all'elettronica come Arduino all'informatica! (entrambi loro malgrado)
Se volete risposte rispondete a tutte le mie domande
Plug it in - it works better!
Il 555 sta all'elettronica come Arduino all'informatica! (entrambi loro malgrado)
Se volete risposte rispondete a tutte le mie domande
Chi c’è in linea
Visitano il forum: Majestic-12 [Bot] e 79 ospiti

Elettrotecnica e non solo (admin)
Un gatto tra gli elettroni (IsidoroKZ)
Esperienza e simulazioni (g.schgor)
Moleskine di un idraulico (RenzoDF)
Il Blog di ElectroYou (webmaster)
Idee microcontrollate (TardoFreak)
PICcoli grandi PICMicro (Paolino)
Il blog elettrico di carloc (carloc)
DirtEYblooog (dirtydeeds)
Di tutto... un po' (jordan20)
AK47 (lillo)
Esperienze elettroniche (marco438)
Telecomunicazioni musicali (clavicordo)
Automazione ed Elettronica (gustavo)
Direttive per la sicurezza (ErnestoCappelletti)
EYnfo dall'Alaska (mir)
Apriamo il quadro! (attilio)
H7-25 (asdf)
Passione Elettrica (massimob)
Elettroni a spasso (guidob)
Bloguerra (guerra)

