Può andare anche la sola resistenza da 430K.
Prova con quella e osserva, a parità di illuminazione fotodiodo,
se riesci col potenziometro a valutare l'isteresi del sistema
(cioè la differenza fra tensione di ON e quella di OFF)
Crepuscolare con fotodiodo e operazionale
Moderatori:
carloc,
g.schgor,
BrunoValente,
IsidoroKZ
0
voti
Salve,
vorrei chiedere un ulteriore coasa opzionale, è possibile inserire un led quando la bobina dell relè è staccata? (Off)
chiedo perché volendo inserire un led con bobina relè in (On) relè "acceso" ho trovato come fare ho messo un pin dell led in +12 con relativa resistenza ed il - sull colettore dell transistor, ma non riesco trovare la configurazione per far si che un led si accenda con la bobina dell relè staccata, sempre se è possibile.
vorrei chiedere un ulteriore coasa opzionale, è possibile inserire un led quando la bobina dell relè è staccata? (Off)
chiedo perché volendo inserire un led con bobina relè in (On) relè "acceso" ho trovato come fare ho messo un pin dell led in +12 con relativa resistenza ed il - sull colettore dell transistor, ma non riesco trovare la configurazione per far si che un led si accenda con la bobina dell relè staccata, sempre se è possibile.

0
voti
Se il relè non ha una corrente di ritenuta troppo bassa,
puoi mettere il LED (con la sua resistenza in serie) fra
il collettore ed il GND.
Ricordati anche di mettere un diodo in antiparallelo
alla bobina del relè per proteggere il transistor.
puoi mettere il LED (con la sua resistenza in serie) fra
il collettore ed il GND.
Ricordati anche di mettere un diodo in antiparallelo
alla bobina del relè per proteggere il transistor.
0
voti
Con corrente ritenuta troppo bassa intende dire che la bobina assorbe tutti i 12 volt e non c'è sufficentemente corrente a far si che scatti la bobina e si accenda il led? se fosse cosi non c'è modo di aumentargli la corrente?
0
voti
illuminor ha scritto:il LED si accende ma la bobina non scatta.
ma non era questo che volevi?
illuminor ha scritto:la bobina assorbe tutti i 12 volt
allora il relè si attiva anche se il transistor è interdetto?
Questo significa che la corrente del LED è sufficiente per attrarre il relè.
Si può mettere una resistenza il parallelo alla bobina in modo
da diminuire la corrente nella bobina.
0
voti
Salve,
no le so dare una risposta alla domanda perché non so come sia in questo caso il transistor interdetto.
come posso provare se il relè si attiva con il transistor interdetto?
no le so dare una risposta alla domanda perché non so come sia in questo caso il transistor interdetto.
come posso provare se il relè si attiva con il transistor interdetto?
0
voti
"transistor interdetto" significa che non conduce corrente.
Essendo il LED in parallelo al transistor, è questo che fa passare
la corrente nella bobina del relè.
Per diminuirla (in modo che il relè non si attragga) si può provare
a raddoppiare la resistenza in serie al LED e a metterne una
in parallelo alla bobina (come già detto).
Se il relè ha un contatto NC (normalmente chiuso) inutilizzato,
la cosa migliore è utilizzarlo per accendere il LED (così eviti
i tentativi di cui sopra)
Essendo il LED in parallelo al transistor, è questo che fa passare
la corrente nella bobina del relè.
Per diminuirla (in modo che il relè non si attragga) si può provare
a raddoppiare la resistenza in serie al LED e a metterne una
in parallelo alla bobina (come già detto).
Se il relè ha un contatto NC (normalmente chiuso) inutilizzato,
la cosa migliore è utilizzarlo per accendere il LED (così eviti
i tentativi di cui sopra)
0
voti
Salve,
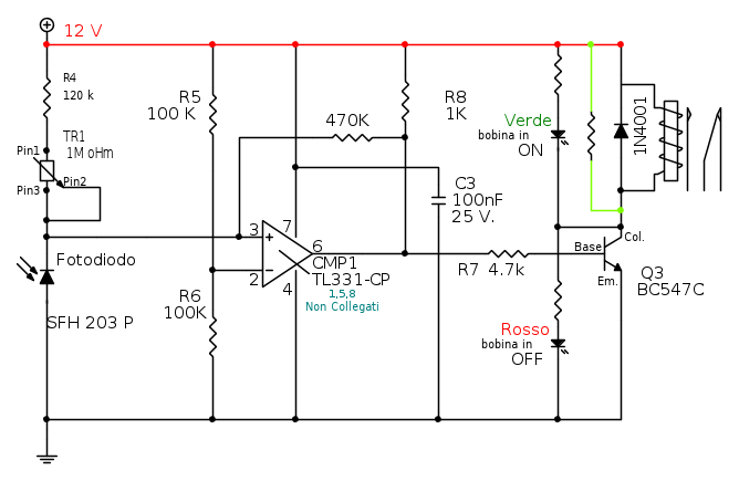
credo d'aver risolto anche questo, le posto lo schema le sembra corretta la sequenza dei led e la resistenza in parallelo?
In questo modo i led quello verde si accende con il buio, il rosso si accende illuminando il fotodiodo
credo d'aver risolto anche questo, le posto lo schema le sembra corretta la sequenza dei led e la resistenza in parallelo?
In questo modo i led quello verde si accende con il buio, il rosso si accende illuminando il fotodiodo
Chi c’è in linea
Visitano il forum: Nessuno e 45 ospiti

Elettrotecnica e non solo (admin)
Un gatto tra gli elettroni (IsidoroKZ)
Esperienza e simulazioni (g.schgor)
Moleskine di un idraulico (RenzoDF)
Il Blog di ElectroYou (webmaster)
Idee microcontrollate (TardoFreak)
PICcoli grandi PICMicro (Paolino)
Il blog elettrico di carloc (carloc)
DirtEYblooog (dirtydeeds)
Di tutto... un po' (jordan20)
AK47 (lillo)
Esperienze elettroniche (marco438)
Telecomunicazioni musicali (clavicordo)
Automazione ed Elettronica (gustavo)
Direttive per la sicurezza (ErnestoCappelletti)
EYnfo dall'Alaska (mir)
Apriamo il quadro! (attilio)
H7-25 (asdf)
Passione Elettrica (massimob)
Elettroni a spasso (guidob)
Bloguerra (guerra)



