Terminare scarica ad una data tensione
Moderatori:
carloc,
g.schgor,
BrunoValente,
IsidoroKZ
0
voti
Allora farò così. Qualcuno di voi gentiluomini mi consiglia come fare? Purtroppo ancora non ho visto nulla a riguardo. Semmai mi documento sul mio libro.
-

marioursino
5.687 3 9 13 - G.Master EY

- Messaggi: 1598
- Iscritto il: 5 dic 2009, 4:32
0
voti
Vuoi fare come? con l'isteresi? con l'escamotage meccanico?
Se si ti serve un comparatore con isteresi, un po' di resistenze, un diodo e il BJT/MOS.
Facci capire che soluzione vuoi adottare.
Se si ti serve un comparatore con isteresi, un po' di resistenze, un diodo e il BJT/MOS.
Facci capire che soluzione vuoi adottare.
0
voti
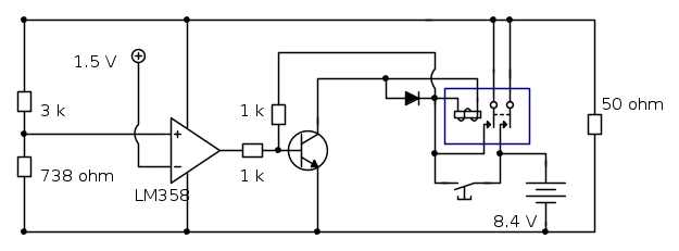
Io rimango sulla soluzione meccanica. Il circuito finale dovrebbe essere il seguente:
Il bottone adesso accende sia il relè che il transistor in quanto a relè spento la batteria è completamente isolata dal circuito. Il linea teorica dovrebbe funzionare?
Il bottone adesso accende sia il relè che il transistor in quanto a relè spento la batteria è completamente isolata dal circuito. Il linea teorica dovrebbe funzionare?
-

marioursino
5.687 3 9 13 - G.Master EY

- Messaggi: 1598
- Iscritto il: 5 dic 2009, 4:32
0
voti
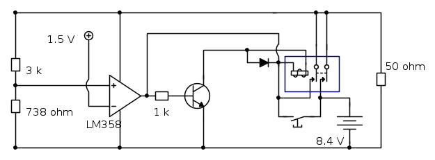
A me sembra che colleghi l'alimentazione all'uscita dell'operazionale, e come tecnica non mi sembra delle migliori (almeno a mio parere).. Non mi è molto chiaro il tutto..
La giusta soluzione ti è stata data, però se tu preferisci così..

La giusta soluzione ti è stata data, però se tu preferisci così..

0
voti
Hai ragione riguardo all'alimentazione in uscita. Posso correggere così:
Domani che ho la giornata libera dalle lezioni mi metterò a disegnare una possibile soluzione ad isteresi come mi avete consigliato. Scusatemi se sembro testardo ma vorrei far funzionare il tutto con questo metodo di auto-ritenuta meccanica dato che ho iniziato la realizzazione così. Avete ragione, ovviamente, dal punto di vista della stabilità e affidabilità dell'opamp con isteresi.
Ps: non posso più modificare il circuito sopra, spero che non rallenti la lettura questa continua ripetizione di schemi con piccole modifiche.
Domani che ho la giornata libera dalle lezioni mi metterò a disegnare una possibile soluzione ad isteresi come mi avete consigliato. Scusatemi se sembro testardo ma vorrei far funzionare il tutto con questo metodo di auto-ritenuta meccanica dato che ho iniziato la realizzazione così. Avete ragione, ovviamente, dal punto di vista della stabilità e affidabilità dell'opamp con isteresi.
Ps: non posso più modificare il circuito sopra, spero che non rallenti la lettura questa continua ripetizione di schemi con piccole modifiche.
-

marioursino
5.687 3 9 13 - G.Master EY

- Messaggi: 1598
- Iscritto il: 5 dic 2009, 4:32
Chi c’è in linea
Visitano il forum: Google [Bot] e 131 ospiti

Elettrotecnica e non solo (admin)
Un gatto tra gli elettroni (IsidoroKZ)
Esperienza e simulazioni (g.schgor)
Moleskine di un idraulico (RenzoDF)
Il Blog di ElectroYou (webmaster)
Idee microcontrollate (TardoFreak)
PICcoli grandi PICMicro (Paolino)
Il blog elettrico di carloc (carloc)
DirtEYblooog (dirtydeeds)
Di tutto... un po' (jordan20)
AK47 (lillo)
Esperienze elettroniche (marco438)
Telecomunicazioni musicali (clavicordo)
Automazione ed Elettronica (gustavo)
Direttive per la sicurezza (ErnestoCappelletti)
EYnfo dall'Alaska (mir)
Apriamo il quadro! (attilio)
H7-25 (asdf)
Passione Elettrica (massimob)
Elettroni a spasso (guidob)
Bloguerra (guerra)


