comincio da capo.
io ho comprato una macchinina radiocomandata di quelle giocattolo, l'ho smontata, all'interno è present l'integrato rx2 (il ricevitore) che in base a come arrivano gli impulsi dal telecomando da un uscita con livello 1 o 0 . (datasheet)
in questo datasheet si parla dell'integrato TX2 e RX2 nelle uscite che si chiamano "forward" e "backward" devo collegare il ponte H che può gestire maggiore potenza cioè: se io mettoa livello 1 l'uscita forward mi aziona una polarità e la macchinina mi va avanti se invece metto a livello 0 forward e metto a livello 1 backward mi inverte la polarità e la macchinina mi va indietro; ora siccome io nel provare questo motorino ho bruciato 4 transistor finali che dovrebbero azionare il motorino e non c'è scritto la sigla su quei vecchi transistor ho chiesto qui nel forum. grazie per la pazienza.
regolatore PWM
Moderatori:
carloc,
g.schgor,
BrunoValente,
IsidoroKZ
0
voti
[61] Re: regolatore PWM
-

daniele1996
610 3 8 11 - Sostenitore

- Messaggi: 1554
- Iscritto il: 29 ago 2011, 11:29
3
voti
[62] Re: regolatore PWM
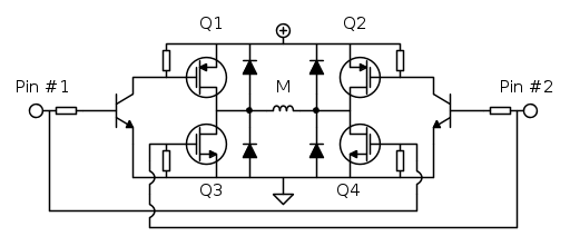
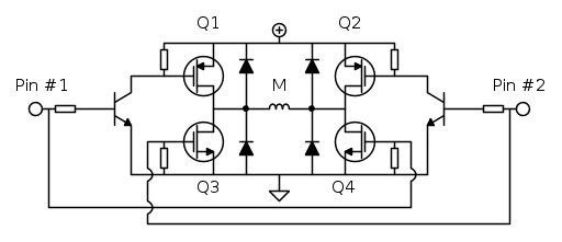
Questo potrebbe essere uno schema "crudo" per un ponte H
Secondo me ai transistori non hai messo la protezione dei diodi e probabilmente non erano adatti per quel carico..
Il fatto è che tu hai chiesto un regolatore PWM con inversione di marcia (ponte h) per il motore di cui non conosci a fondo le caratteristiche da comandare con un trasmettitore e ricevitore. Con solo il 555 non si può fare a mio parere.
Il consiglio che ti ho dato io è quello del messaggio [30] e [32].
Secondo me ai transistori non hai messo la protezione dei diodi e probabilmente non erano adatti per quel carico..
Il fatto è che tu hai chiesto un regolatore PWM con inversione di marcia (ponte h) per il motore di cui non conosci a fondo le caratteristiche da comandare con un trasmettitore e ricevitore. Con solo il 555 non si può fare a mio parere.
Il consiglio che ti ho dato io è quello del messaggio [30] e [32].
3
voti
[63] Re: regolatore PWM
Finalmente si comincia a capire qualcosa, anche se ci sono voluti piu' di 60 post!
Penso, alla luce di quanto ho finalmente visto, che la soluzione migliore sia quella proposta da [user]gohan[/user]; in ogni caso sarebbe piu' che utile conoscere meglio le caratteristiche del motore, quantomeno il suo assorbimento.
Penso, alla luce di quanto ho finalmente visto, che la soluzione migliore sia quella proposta da [user]gohan[/user]; in ogni caso sarebbe piu' che utile conoscere meglio le caratteristiche del motore, quantomeno il suo assorbimento.
marco
0
voti
[64] Re: regolatore PWM
-

daniele1996
610 3 8 11 - Sostenitore

- Messaggi: 1554
- Iscritto il: 29 ago 2011, 11:29
0
voti
[65] Re: regolatore PWM
Prima di "ipotizzare" quali MOSFET usare è opportuno conoscoscere il consumo nominale del motore e la tensione nominale di alimentazione come ti è già stato chiesto, successivamente si possono finalmente scegliere in base alla
,
,
,
e
, se non ho dimenticato niente.
,
,
,
e
, se non ho dimenticato niente.0
voti
[66] Re: regolatore PWM
cosa intendi?gohan ha scritto:,
,
,
e
PS: bella quell'immagine di gohan
-

daniele1996
610 3 8 11 - Sostenitore

- Messaggi: 1554
- Iscritto il: 29 ago 2011, 11:29
0
voti
[67] Re: regolatore PWM
Intende, se ancora non lo hai capito, che per stabilire le caratteristiche del mosfet o dei transistor del ponte H, e' necessario conoscere l'assorbimento del motore.
Te lo ho gia' chiesto almeno un paio di volte ma ancora non hai risposto.
Te lo ho gia' chiesto almeno un paio di volte ma ancora non hai risposto.
marco
3
voti
[69] Re: regolatore PWM
Mi perdonerai se, dopo sessanta e piu' post, non ho ricordato il particolare.
Ora non sono a casa e posso rispondere solo in fretta e furia; non sono quindi in grado di mettermi a cercare dei mosfet o transistor adatti.
Potresti darti un po' da fare e cercarteli da solo; scegline che possano sopportare un carico di sei/sette ampere.
Ora non sono a casa e posso rispondere solo in fretta e furia; non sono quindi in grado di mettermi a cercare dei mosfet o transistor adatti.
Potresti darti un po' da fare e cercarteli da solo; scegline che possano sopportare un carico di sei/sette ampere.
marco
Chi c’è in linea
Visitano il forum: Nessuno e 45 ospiti

Elettrotecnica e non solo (admin)
Un gatto tra gli elettroni (IsidoroKZ)
Esperienza e simulazioni (g.schgor)
Moleskine di un idraulico (RenzoDF)
Il Blog di ElectroYou (webmaster)
Idee microcontrollate (TardoFreak)
PICcoli grandi PICMicro (Paolino)
Il blog elettrico di carloc (carloc)
DirtEYblooog (dirtydeeds)
Di tutto... un po' (jordan20)
AK47 (lillo)
Esperienze elettroniche (marco438)
Telecomunicazioni musicali (clavicordo)
Automazione ed Elettronica (gustavo)
Direttive per la sicurezza (ErnestoCappelletti)
EYnfo dall'Alaska (mir)
Apriamo il quadro! (attilio)
H7-25 (asdf)
Passione Elettrica (massimob)
Elettroni a spasso (guidob)
Bloguerra (guerra)


