Sensing di corrente con media
Moderatori:
carloc,
g.schgor,
BrunoValente,
IsidoroKZ
1
voti
L'operazionale e` localmente retroazionato, il suo polo open loop si sposta in alta frequenza. Puo` dare dei problemi, calcolare l'effetto delle limitazioni dell'op amp e` un po' macchinoso. Per fortuna che queste limitazioni quasi sempre non danno problemi.
Guarda le figure 6 e 9 del documento che hai linkato: l'operazionale e` usato ad anello chiuso, il suo polo intrinseco viene spostato.
Guarda le figure 6 e 9 del documento che hai linkato: l'operazionale e` usato ad anello chiuso, il suo polo intrinseco viene spostato.
Per usare proficuamente un simulatore, bisogna sapere molta più elettronica di lui
Plug it in - it works better!
Il 555 sta all'elettronica come Arduino all'informatica! (entrambi loro malgrado)
Se volete risposte rispondete a tutte le mie domande
Plug it in - it works better!
Il 555 sta all'elettronica come Arduino all'informatica! (entrambi loro malgrado)
Se volete risposte rispondete a tutte le mie domande
1
voti
Ciao.
Se ho capito bene tu intendi l'OPAMP che fa la compensazione (infatti il riferimento alle figure 6 e 9).
Io intendo l'operazionale che fa il confronto tra il segnale a rampa e il segnale di errore che, almeno mi sembra, lavora in anello aperto.
Cioè questo:
Come avevo scritto qualche post fa, questo dovrebbe essere quello che fa il vero guadagno del Gloop almeno in continua (però non lo so... avevo chiesto appunto tempo fa) quello che avevo messo a 200000...
Poi però, adesso che sto cercando di inserire il comportamento in frequenza, non mi compare il polo dominante (se ricordo di una decina di Hz) di questo OPAMP?
Ciao
Se ho capito bene tu intendi l'OPAMP che fa la compensazione (infatti il riferimento alle figure 6 e 9).
Io intendo l'operazionale che fa il confronto tra il segnale a rampa e il segnale di errore che, almeno mi sembra, lavora in anello aperto.
Cioè questo:
Come avevo scritto qualche post fa, questo dovrebbe essere quello che fa il vero guadagno del Gloop almeno in continua (però non lo so... avevo chiesto appunto tempo fa) quello che avevo messo a 200000...
Poi però, adesso che sto cercando di inserire il comportamento in frequenza, non mi compare il polo dominante (se ricordo di una decina di Hz) di questo OPAMP?
Ciao
"perché un uomo è grande, GRANDE davvero, quando ritorna bambino di nuovo". Zecchino d'oro '87
1
voti
Quello e` un comparatore (veloce), lavora fuori linearita`, non ha poli. AL piu` introduce un ritardo di commutazione, ma niente poli.
Il guadagno di quello stadio e` il reciproco dell'ampiezza picco picco dell'onda a dente di sega.
Il guadagno di quello stadio e` il reciproco dell'ampiezza picco picco dell'onda a dente di sega.
Per usare proficuamente un simulatore, bisogna sapere molta più elettronica di lui
Plug it in - it works better!
Il 555 sta all'elettronica come Arduino all'informatica! (entrambi loro malgrado)
Se volete risposte rispondete a tutte le mie domande
Plug it in - it works better!
Il 555 sta all'elettronica come Arduino all'informatica! (entrambi loro malgrado)
Se volete risposte rispondete a tutte le mie domande
1
voti
Ops... ho fatto una confusione pazzesca (oltre a non sapere che un operazionale usato come comparatore, fuori linearità, NON ha poli).
Scusa (e grazie per le risposte).
Torno in silenzio a studiare un po'.
Ciao
Stefano
Scusa (e grazie per le risposte).
Torno in silenzio a studiare un po'.
Ciao
Stefano
"perché un uomo è grande, GRANDE davvero, quando ritorna bambino di nuovo". Zecchino d'oro '87
1
voti
Un comparatore non ha poli perche' i poli sono figli della trasformata di Laplace, e un sistema non lineare non e` rappresentabile con una trasformata di Laplace (ci sono eccezioni, ma non e` questo il caso).
Un comparatore pero` puo` introdurre ritardi, e i ritardi in un modulatore PWM hanno una rappresentazione che porta essenzialmente a un ritardo di fase.
L'articolo base su questa roba, che include anche il campionamento uniforme, non solo quello naturale, lo si trova in un articolo di Middlebrook, Predicting Modulator Phase Lag in PWM Converter Feedback Loops, Powercon 8, 1981. La conclusione e` che per modulatori PWM naturali, fatti solo con un comparatore, non c'e` praticamente phase lag.
Per la compensazione guarda anche i data sheet dell'NX2601 e dell'NX2114: la seconda del datasheet parte analizza il progetto del compensatore: conosco bene l'ingegnera che ha scritto quella parte.
Un comparatore pero` puo` introdurre ritardi, e i ritardi in un modulatore PWM hanno una rappresentazione che porta essenzialmente a un ritardo di fase.
L'articolo base su questa roba, che include anche il campionamento uniforme, non solo quello naturale, lo si trova in un articolo di Middlebrook, Predicting Modulator Phase Lag in PWM Converter Feedback Loops, Powercon 8, 1981. La conclusione e` che per modulatori PWM naturali, fatti solo con un comparatore, non c'e` praticamente phase lag.
Per la compensazione guarda anche i data sheet dell'NX2601 e dell'NX2114: la seconda del datasheet parte analizza il progetto del compensatore: conosco bene l'ingegnera che ha scritto quella parte.
Per usare proficuamente un simulatore, bisogna sapere molta più elettronica di lui
Plug it in - it works better!
Il 555 sta all'elettronica come Arduino all'informatica! (entrambi loro malgrado)
Se volete risposte rispondete a tutte le mie domande
Plug it in - it works better!
Il 555 sta all'elettronica come Arduino all'informatica! (entrambi loro malgrado)
Se volete risposte rispondete a tutte le mie domande
1
voti
Ciao.
Grazie
IsidoroKZ per link.
Dato che sto prendendo l'argomento proprio come se lo stessi studiando da zero, ho voluto provare a fare questo esercizio:
Considero il mio BUCK Converter SENZA nemmeno considerare l'ESR del condensatore C out.
Il buck è alimentato a 12V e voglio in uscita 6V (dimensionamento già effettuato in questo thread).
L'ampiezza della rampa per la generazione del PWM è di 0.5V, frequenza 50KHz.
Il mio riferimento è a 3V (le resistenze di partizione le ho messe uguali e di valore 5K).
Considero il guadagno d'anello. E per ora NON considero il blocco di compensazione (nel senso che disegno il diagramma di bode del Gloop senza compensazione e poi vedrò di aggiungerla).
In continua (freq=0) il guadagno è pari a Vin/Vrampa = 12/0.5 che trasformato in db è circa 27dB.
Poi il blocco LC introduce 2 poli CC a frequenza
= 4KHz.
Quindi il guadagno d'anello SENZA COMPENSAZIONE è:
Questo, è instabile perché taglio l'asse a 0dB con -40db/dec
Adesso aggiungo un blocco compensazione fatto cosi:
Ottenendo questo schema completo:
Ora il blocco di compensazione che sto considerando, se non sbaglio, ha un diagramma di bode cosi:
Cioè Il punto in cui il guadagno è 0dB è pari a
in quanto in corrispondenza della frequenza
la reattanza del condensatore equivale il valore della resistenza imponendo quindi (per quella frequenza) un guadagno unitario
in tensione.
Ora mi viene da dire (correggetemi se sbaglio): se metto questo punto fc "un po' prima" del polo CC del filtro LC (che era a 4KHz) poi il guadagno d'anello complessivo risulta essere cosi (metto fc a 40Hz):
E quindi in GIALLO il guadagno d'anello (somma dei diagrammi di bode)
Conclusione: in questo modo taglio l'asse a 0dB con -20dB/dec, quindi dovrei essere stabile. Il condensatore che mi serve per la compensazione è da circa 1uF.
Funziona? Dov'è la gabola? (per gabola intendo dire... perché nelle trattazioni che trovo, nessuno fa cosi?).
Provo a rispondermi.
Guadagno d'anello in continua
In continua, il guadagno d'anello è buono (anzi infinito direi). Quindi sono ben retroazionato sulla continua... o, in altri termini, posso dire errore a regime nullo.
Risposta allo scalino di ingresso (Vref)
Vediamo cosa succede allo scalino di accensione del Vref. Beh, qui succederà (a fronte di tutto lo studio fatto in questi giorni) che "ci metterò un po" prima di andare a regime... Qui chiedo aiuto se è giusto dire che tutto il sistema è da considerarsi come CON UN SOLO POLO con frequenza di 960Hz?? Quindi la tensione di uscita del BUCK andrà a regime con una
di 5msec.
E forse succede che (vedi simulazioni fatte qualche post indietro) ho dei grossi picchi di corrente durante la salita della tensione a casua del funzionamento switching a 50KHz de buck (che dovrei sistemare con un soft start del duty).
Poi, una volta che il sistema è a regime, e il Vref rimane bello fermo, guardo cosa succede a fronte di disturbi che entrano nell'anello.
Reazione ai disturbi o perturbazioni
Qui mi viene da dire che, almeno fino a 900Hz il sistema è "ben reazionato" con Gloop >1. Quindi segnali di disturbo sotto questa frequenza sono ben attenuati.
Ora, se io considero che il mio unico disturbo sarà la componente 100Hz sulla Vin, beh potrei dire che su Vout me la troverò molto(?) attenuata.
Poi, se considero che in linea di massima NON avrò SALTI di assorbimento al carico (carico fisso, led), mi viene da dire che, per quello che devo fare, la cosa può funzionere. Dite che è OK?
Quindi riassumo chiedendo: se NON ho bisgono di guadagno d'anello con una grande banda (vuoi dire che questa frase è quella che
EnChamade scriveva come: "spingere la banda del controllo") posso usare come compensazione un semplice condensatore?
Attendo lumi se "sto iniziando a capirci qualcosa..."
Ciao!
Stefano
Grazie
Dato che sto prendendo l'argomento proprio come se lo stessi studiando da zero, ho voluto provare a fare questo esercizio:
Considero il mio BUCK Converter SENZA nemmeno considerare l'ESR del condensatore C out.
Il buck è alimentato a 12V e voglio in uscita 6V (dimensionamento già effettuato in questo thread).
L'ampiezza della rampa per la generazione del PWM è di 0.5V, frequenza 50KHz.
Il mio riferimento è a 3V (le resistenze di partizione le ho messe uguali e di valore 5K).
Considero il guadagno d'anello. E per ora NON considero il blocco di compensazione (nel senso che disegno il diagramma di bode del Gloop senza compensazione e poi vedrò di aggiungerla).
In continua (freq=0) il guadagno è pari a Vin/Vrampa = 12/0.5 che trasformato in db è circa 27dB.
Poi il blocco LC introduce 2 poli CC a frequenza
= 4KHz.Quindi il guadagno d'anello SENZA COMPENSAZIONE è:
Questo, è instabile perché taglio l'asse a 0dB con -40db/dec
Adesso aggiungo un blocco compensazione fatto cosi:
Ottenendo questo schema completo:
Ora il blocco di compensazione che sto considerando, se non sbaglio, ha un diagramma di bode cosi:
Cioè Il punto in cui il guadagno è 0dB è pari a

in quanto in corrispondenza della frequenza
la reattanza del condensatore equivale il valore della resistenza imponendo quindi (per quella frequenza) un guadagno unitario in tensione.
Ora mi viene da dire (correggetemi se sbaglio): se metto questo punto fc "un po' prima" del polo CC del filtro LC (che era a 4KHz) poi il guadagno d'anello complessivo risulta essere cosi (metto fc a 40Hz):
E quindi in GIALLO il guadagno d'anello (somma dei diagrammi di bode)
Conclusione: in questo modo taglio l'asse a 0dB con -20dB/dec, quindi dovrei essere stabile. Il condensatore che mi serve per la compensazione è da circa 1uF.
Funziona? Dov'è la gabola? (per gabola intendo dire... perché nelle trattazioni che trovo, nessuno fa cosi?).
Provo a rispondermi.
Guadagno d'anello in continua
In continua, il guadagno d'anello è buono (anzi infinito direi). Quindi sono ben retroazionato sulla continua... o, in altri termini, posso dire errore a regime nullo.
Risposta allo scalino di ingresso (Vref)
Vediamo cosa succede allo scalino di accensione del Vref. Beh, qui succederà (a fronte di tutto lo studio fatto in questi giorni) che "ci metterò un po" prima di andare a regime... Qui chiedo aiuto se è giusto dire che tutto il sistema è da considerarsi come CON UN SOLO POLO con frequenza di 960Hz?? Quindi la tensione di uscita del BUCK andrà a regime con una
di 5msec.E forse succede che (vedi simulazioni fatte qualche post indietro) ho dei grossi picchi di corrente durante la salita della tensione a casua del funzionamento switching a 50KHz de buck (che dovrei sistemare con un soft start del duty).
Poi, una volta che il sistema è a regime, e il Vref rimane bello fermo, guardo cosa succede a fronte di disturbi che entrano nell'anello.
Reazione ai disturbi o perturbazioni
Qui mi viene da dire che, almeno fino a 900Hz il sistema è "ben reazionato" con Gloop >1. Quindi segnali di disturbo sotto questa frequenza sono ben attenuati.
Ora, se io considero che il mio unico disturbo sarà la componente 100Hz sulla Vin, beh potrei dire che su Vout me la troverò molto(?) attenuata.
Poi, se considero che in linea di massima NON avrò SALTI di assorbimento al carico (carico fisso, led), mi viene da dire che, per quello che devo fare, la cosa può funzionere. Dite che è OK?
Quindi riassumo chiedendo: se NON ho bisgono di guadagno d'anello con una grande banda (vuoi dire che questa frase è quella che
Attendo lumi se "sto iniziando a capirci qualcosa..."
Ciao!
Stefano
"perché un uomo è grande, GRANDE davvero, quando ritorna bambino di nuovo". Zecchino d'oro '87
1
voti
Ste75 ha scritto:
Questo, è instabile perché taglio l'asse a 0dB con -40db/dec
No, non e` instabile. Un circuito ad anello aperto non puo` essere instabile a meno che non abbia poli a destra. Se lo chiudessi in un anello con retroazione unitaria sarebbe instabile, ma da solo no.
Ste75 ha scritto:E quindi in GIALLO il guadagno d'anello (somma dei diagrammi di bode)
Conclusione: in questo modo taglio l'asse a 0dB con -20dB/dec, quindi dovrei essere stabile. Il condensatore che mi serve per la compensazione è da circa 1uF.
Ok fino qui e` giusto. Hai fatto una compensazione a polo dominante.
Ste75 ha scritto:Funziona? Dov'è la gabola? (per gabola intendo dire... perché nelle trattazioni che trovo, nessuno fa cosi?).
Perche' le prestazioni sono scadenti.
Ste75 ha scritto:Provo a rispondermi.
Guadagno d'anello in continua
In continua, il guadagno d'anello è buono (anzi infinito direi). Quindi sono ben retroazionato sulla continua... o, in altri termini, posso dire errore a regime nullo.
OK, giusto: e` un sistema di tipo 1, un polo nell'origine, niente errore statico.
Ste75 ha scritto:Risposta allo scalino di ingresso (Vref)
Vediamo cosa succede allo scalino di accensione del Vref. Beh, qui succederà (a fronte di tutto lo studio fatto in questi giorni) che "ci metterò un po" prima di andare a regime... Qui chiedo aiuto se è giusto dire che tutto il sistema è da considerarsi come CON UN SOLO POLO con frequenza di 960Hz?? Quindi la tensione di uscita del BUCK andrà a regime con unadi 5msec.
si scrive ms non msec e kHz, non _KHz o cose del genere. Se la frequenza di crossover e` di 960Hz (non ho verificato), allora la risposta e` di
. PERO`, oltre a questa ci sono i due poli a 4kHz non smorzati dalla retroazione che risuonanto e fanno casino. Con una variazione di Vred da 3V a 3.3V l'uscita in simulazione va da 14V a 0V circa, i poli complessi coniugati non sono smorzati.
Ste75 ha scritto:
Reazione ai disturbi o perturbazioni
Qui mi viene da dire che, almeno fino a 900Hz il sistema è "ben reazionato" con Gloop >1. Quindi segnali di disturbo sotto questa frequenza sono ben attenuati.
Ora, se io considero che il mio unico disturbo sarà la componente 100Hz sulla Vin, beh potrei dire che su Vout me la troverò molto(?) attenuata.
Poi, se considero che in linea di massima NON avrò SALTI di assorbimento al carico (carico fisso, led), mi viene da dire che, per quello che devo fare, la cosa può funzionere. Dite che è OK?
Si`, e` OK. Anche un gradino all'ingresso passa per un passa basso e va ad eccitare la risonanza, ma qui la variazione della tensione di uscita per Vin che va da 12V a 15V e` di +2V, -2.5V circa, sempre con oscillazione a 4kHz non smorzata. 1V di tensione di picco sinusoidale sull'ingresso a 100Hz da` in uscita circa 54mV di picco.
Ste75 ha scritto:
Attendo lumi se "sto iniziando a capirci qualcosa..."![]()
Non va bene perche' lasci fuori i poli complessi coniugati non smorzati.
Il file allegato e` il sorgente LTspice per fare la simulazione. Si possono mettere disturbi su ingresso, uscita e Vref.
Il modello e` abbastanza idealizzato, non ci sono perdite (che riducono il Q della risonanza) e non puo` andare in discotinuo (come se fosse un synchronous buck)
Provalo e studialo, di venerdi` pomeriggio tardi non ho voglia di mettere i disegni on line :)
- Allegati
-
SWSTE75.zip- (716 Byte) Scaricato 126 volte
Per usare proficuamente un simulatore, bisogna sapere molta più elettronica di lui
Plug it in - it works better!
Il 555 sta all'elettronica come Arduino all'informatica! (entrambi loro malgrado)
Se volete risposte rispondete a tutte le mie domande
Plug it in - it works better!
Il 555 sta all'elettronica come Arduino all'informatica! (entrambi loro malgrado)
Se volete risposte rispondete a tutte le mie domande
3
voti
Ciao a tutti. Ritorno dopo una settimana assai difficile: sono stato sottoposto ad un intervento e il recupero è stato (e continua ad esserlo) un po' più difficoltoso del previsto. Vedo con grande piacere che il nostro progettino sta andando avanti bene e mi congratulo con
Ste75 per i progressi che sta facendo, sfruttando i preziosi suggerimenti di
IsidoroKZ.
Mi permetto, come sempre, di fare qualche commento sul lavoro fino a qui svolto.
Bene. Però c'è una piccola svista: Ti sei dimenticato che stai prelevando metà del segnale d'uscita e quindi devi ulteriormente moltiplicare per 0.5. Il guadagno in continua sarà quindi circa 21.5dB.
Bene. Bravo. Corretto. Aggiungo solo una cosa. Ho fatto un po' di simulazioni con MATLAB e, con questi valori, aggiungo che hai anche un buon margine di fase. Hai l'attraversamento attorno ai 500Hz e un margine di fase sui 86°che ti induce ad avere una risposta molto smorzata al variare di Vref.
Tuttavia
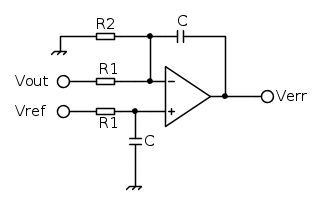
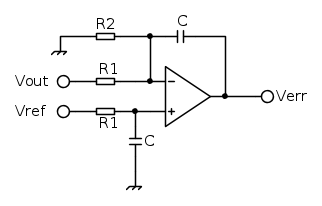
IsidoroKZ ti ha detto più o meno il contrario, ossia che hai oscillazioni a variazioni a gradino di Vref e, purtroppo, la simulazione con LTSPICE conferma. Allora perché ho tutto questo margine di fase e la risposta al gradino non è smorzata? Il problema è che questo schema è realizzato sotto l'ipotesi (verificata nella realtà, dopo l'accensione) che Vref sia costante o comunque con variazioni molto lente. Questo ha permesso di trascurare tutti i componenti che caratterizzano il comportamento in frequenza visto da Vref. In altre parole, se vai a calcolare la FdT fra Vref e VErr ti accorgerai che non è proprio l'integratore che ti aspetti e che hai dimensionato per la compensazione. Per eliminare quelle sovraelungazioni al variare di Vref devi "bilanciare" il circuito di compensazione, in modo che il medesimo integratori sia visto sia da Vref e Vout. Il circuito di compensazione lo devi modificare in questo modo:
e LTSpice conferma (blu è la variazione di Vref e la verde è Vout):
Nel tuo caso tuttavia, il problema si può presentare solo all'accensione e puoi solamente inserire una capacità in parallelo allo zener.
Si, funziona. La gabola? Come detto già da
IsidoroKZ le prestazioni. La banda è piccola e, come puoi vedere dalla simulazione in LTspice, impiega tempo a raggiungere il regime. Ma questo non è il problema più grosso. Il problema principale è lo scarso abbattimento di componenti di rumore che, in questo caso, potrebbero essere brusche variazione di Vin o del carico. Per rendertenme conto, basta calcolare le rispettive funzioni di trasferimento. Ad esempio, quella fra Vin e Vout sarà:

Mentre i poli di questa funzione di trasferimento sono identici a quella in close loop (due complessi coniugati e uno reale), qui compare uno zero nell'origine che "amplifica" l'effetto oscillatorio dei due poli complessi coniugati quando ecciti con un gradino.
Questo è confermato sia da Simulink che da LTSpice.
No. In questo caso ne hai tre: uno reale, e due complessi coniugati.
Per funzionare, funziona. Ma non è il massimo lascire librei questi poli complessi coniugati... anche se in presenza di carico fisso...
Ovviamente attendo commenti.
Ciao
Mi permetto, come sempre, di fare qualche commento sul lavoro fino a qui svolto.
Ste75 ha scritto:In continua (freq=0) il guadagno è pari a Vin/Vrampa = 12/0.5 che trasformato in db è circa 27dB.
Bene. Però c'è una piccola svista: Ti sei dimenticato che stai prelevando metà del segnale d'uscita e quindi devi ulteriormente moltiplicare per 0.5. Il guadagno in continua sarà quindi circa 21.5dB.
Ste75 ha scritto:Conclusione: in questo modo taglio l'asse a 0dB con -20dB/dec, quindi dovrei essere stabile. Il condensatore che mi serve per la compensazione è da circa 1uF.
Bene. Bravo. Corretto. Aggiungo solo una cosa. Ho fatto un po' di simulazioni con MATLAB e, con questi valori, aggiungo che hai anche un buon margine di fase. Hai l'attraversamento attorno ai 500Hz e un margine di fase sui 86°che ti induce ad avere una risposta molto smorzata al variare di Vref.
Tuttavia
e LTSpice conferma (blu è la variazione di Vref e la verde è Vout):
Nel tuo caso tuttavia, il problema si può presentare solo all'accensione e puoi solamente inserire una capacità in parallelo allo zener.
Ste75 ha scritto:Funziona? Dov'è la gabola? (per gabola intendo dire... perché nelle trattazioni che trovo, nessuno fa cosi?).
Si, funziona. La gabola? Come detto già da

Mentre i poli di questa funzione di trasferimento sono identici a quella in close loop (due complessi coniugati e uno reale), qui compare uno zero nell'origine che "amplifica" l'effetto oscillatorio dei due poli complessi coniugati quando ecciti con un gradino.
Questo è confermato sia da Simulink che da LTSpice.
Ste75 ha scritto:Qui chiedo aiuto se è giusto dire che tutto il sistema è da considerarsi come CON UN SOLO POLO con frequenza di 960Hz??
No. In questo caso ne hai tre: uno reale, e due complessi coniugati.
Ste75 ha scritto:Poi, se considero che in linea di massima NON avrò SALTI di assorbimento al carico (carico fisso, led), mi viene da dire che, per quello che devo fare, la cosa può funzionere. Dite che è OK?
Ste75 ha scritto:Quindi riassumo chiedendo: se NON ho bisgono di guadagno d'anello con una grande banda (vuoi dire che questa frase è quella cheEnChamade scriveva come: "spingere la banda del controllo") posso usare come compensazione un semplice condensatore?
Per funzionare, funziona. Ma non è il massimo lascire librei questi poli complessi coniugati... anche se in presenza di carico fisso...
Ovviamente attendo commenti.
Ciao
-

EnChamade
6.498 2 8 12 - G.Master EY

- Messaggi: 588
- Iscritto il: 18 giu 2009, 12:00
- Località: Padova - Feltre
4
voti
EnChamade ha scritto:c'è una piccola svista: Ti sei dimenticato che stai prelevando metà del segnale d'uscita e quindi devi ulteriormente moltiplicare per 0.5
Questo non mi sembra completo. Se si include il partitore di tensione nel calcolo del guadagno di anello, allora bisogna anche considerarlo per l'integratore, e la resistenza di integrazione non e` piu` di 5kΩ ma solo di 2.5kΩ, e quindi il guadagno in frequenza dell'integratore raddoppia. La frequenza di crossover a me risulta di circa 1kHz.
Il guadagno di anello in continua non e` tanto importante perche' tanto c'e` un integratore dietro.
Se consideri il tuo schema del compensatore, vedi che l'integratore all'ingresso si comporta come un sommatore (integrante), con un ingresso da Vout (R1) e l'altro a 0V (R2). Il termine importante per il guadagno di anello di tutto il sistema e` il guadagno fra Verr e Vout in cui non entra il valore di R2.
EnChamade ha scritto:per eliminare quelle sovraelungazioni al variare di Vref devi "bilanciare" il circuito di compensazione, in modo che il medesimo integratori sia visto sia da Vref e Vout.
Questo aspetto lo vedo da un altro punto di vista. Se ci si preoccupa della banda fra Vout e Vref vuol dire che si sta pensando di usare il circuito non come alimentatore a tensione fissa, ma come amplificatore di potenza, ad esempio per variare la tensione di uscita secondo un profilo predeterminato applicato all'ingresso su Vref.
Per questo scopo farei riferimento allo "schema completo" del messaggio [66], in cui c'e` un operazionalone con due resistenze in retroazione e frequenza di crossover di 500Hz, e mi piacerebbe molto che l'amplificatore avesse una banda fino a 500Hz circa. Se si mette il filtro di ingresso, la banda viene ridotta a 40Hz circa. E` anche vero pero` che senza filtro l'uscita risuona che e` un piacere
E allora, se si tratta di fare un alimentatore variabile con una buona dinamica, il progetto con i poli complessi coniugati oltre la frequenza di crossover e` un pessimo progetto e bisogna rifarlo.
Quello che voglio dire e` che meglio fare il progetto "bene" piuttosto che mettere una pezza che taglia le prestazioni di banda.
Per usare proficuamente un simulatore, bisogna sapere molta più elettronica di lui
Plug it in - it works better!
Il 555 sta all'elettronica come Arduino all'informatica! (entrambi loro malgrado)
Se volete risposte rispondete a tutte le mie domande
Plug it in - it works better!
Il 555 sta all'elettronica come Arduino all'informatica! (entrambi loro malgrado)
Se volete risposte rispondete a tutte le mie domande
1
voti
Grazie
IsidoroKZ.
Come sempre è un piacere leggere i tuoi preziosi commenti.
Si, hai ragione. Che scemo. Nel circuito, così com'è, dinamicamente si vede solo R1.
Concordo. Non stavo dicendo che era ben fatto, ma stavo solo giocando un po' per capire le proprietà dell'oggetto che avevamo in mano. Non si discute che il sistema necessita di un tipo diverso di compensazione.
Come sempre è un piacere leggere i tuoi preziosi commenti.
IsidoroKZ ha scritto:Se consideri il tuo schema del compensatore, vedi che l'integratore all'ingresso si comporta come un sommatore (integrante), con un ingresso da Vout (R1) e l'altro a 0V (R2). Il termine importante per il guadagno di anello di tutto il sistema e` il guadagno fra Verr e Vout in cui non entra il valore di R2.
Si, hai ragione. Che scemo. Nel circuito, così com'è, dinamicamente si vede solo R1.
IsidoroKZ ha scritto:E allora, se si tratta di fare un alimentatore variabile con una buona dinamica, il progetto con i poli complessi coniugati oltre la frequenza di crossover e` un pessimo progetto e bisogna rifarlo.
Concordo. Non stavo dicendo che era ben fatto, ma stavo solo giocando un po' per capire le proprietà dell'oggetto che avevamo in mano. Non si discute che il sistema necessita di un tipo diverso di compensazione.
-

EnChamade
6.498 2 8 12 - G.Master EY

- Messaggi: 588
- Iscritto il: 18 giu 2009, 12:00
- Località: Padova - Feltre
Chi c’è in linea
Visitano il forum: Nessuno e 62 ospiti

Elettrotecnica e non solo (admin)
Un gatto tra gli elettroni (IsidoroKZ)
Esperienza e simulazioni (g.schgor)
Moleskine di un idraulico (RenzoDF)
Il Blog di ElectroYou (webmaster)
Idee microcontrollate (TardoFreak)
PICcoli grandi PICMicro (Paolino)
Il blog elettrico di carloc (carloc)
DirtEYblooog (dirtydeeds)
Di tutto... un po' (jordan20)
AK47 (lillo)
Esperienze elettroniche (marco438)
Telecomunicazioni musicali (clavicordo)
Automazione ed Elettronica (gustavo)
Direttive per la sicurezza (ErnestoCappelletti)
EYnfo dall'Alaska (mir)
Apriamo il quadro! (attilio)
H7-25 (asdf)
Passione Elettrica (massimob)
Elettroni a spasso (guidob)
Bloguerra (guerra)










