Alimentatore Molex 12/5v
Moderatori:
carloc,
g.schgor,
BrunoValente,
IsidoroKZ
0
voti
Rifaccio le foto, ma non è cambiato molto rispetto a quelle già pubblicate, ho solo aggiunto un portafusibile esterno... ho notato che i componenti del secondario sono tutti ok, o perlomeno, quelli che ho testato erano tutti ok, mentre invece sul primario si è bruciato quasi tutto.... magari dovrei controllare anche gli ultimi componenti rimasti...
3
voti
Continuando... per amore dell'elettronica e non certo per convenienza o che altro....
....anche se normalmente questi trasformatori non si bruciano che sono fatti di relativamente poche spire di filo non proprio sottilissimo nel tuo caso visto le piste saltate, i corti in giro e la storia che non si vedeva il MOS in corto dal condensatore di filtro direi che il trasformatore potrebbe anche avere il primario aperto...
Però d'altra parte il friggere ed il puzzare di bruciato fa pensare a qualcosa che assorba energia....
Rifai la prova adesso (dopo esserti assicurato che il condensatore 47uF/400V sia ben scarico, cioè spengi, cortocircuitalo prima con una resistenza intorno al kiloohm, poi dopo qualche secondo passa a cortocircuitarlo con un filo, poi apri e ricontrolla che la tensione ai capi non risalga ed in tal caso ricortocircuita....) si deve leggere come un diodo (qualche 100mV) ai capi del condensatore con il tester in prova diodi e polarità invertita.
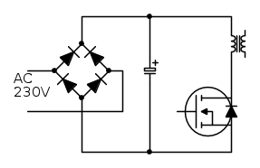
Per intendersi a grandi linee parliamo di un circuito del genere
Poi un paio di domande, quando frigge si accende il LED?, che tensioni hai alle uscite 5V e 12V?
E poi mi accodo a
Candy, un paio di foto "in piano" del lato componenti e del lato rame...
....anche se normalmente questi trasformatori non si bruciano che sono fatti di relativamente poche spire di filo non proprio sottilissimo nel tuo caso visto le piste saltate, i corti in giro e la storia che non si vedeva il MOS in corto dal condensatore di filtro direi che il trasformatore potrebbe anche avere il primario aperto...
Però d'altra parte il friggere ed il puzzare di bruciato fa pensare a qualcosa che assorba energia....
Rifai la prova adesso (dopo esserti assicurato che il condensatore 47uF/400V sia ben scarico, cioè spengi, cortocircuitalo prima con una resistenza intorno al kiloohm, poi dopo qualche secondo passa a cortocircuitarlo con un filo, poi apri e ricontrolla che la tensione ai capi non risalga ed in tal caso ricortocircuita....) si deve leggere come un diodo (qualche 100mV) ai capi del condensatore con il tester in prova diodi e polarità invertita.
Per intendersi a grandi linee parliamo di un circuito del genere
Poi un paio di domande, quando frigge si accende il LED?, che tensioni hai alle uscite 5V e 12V?
E poi mi accodo a
Se ti serve il valore di beta: hai sbagliato il progetto!
0
voti
Quindi,
all'uscita non riesco a misurare, appena ho sentito friggere ho staccato subito la spina,
ho provato a riattaccarla ed è saltato il fubibile...
Ho ritestato diodi e MOS e sembrano ok, il condensatore segna circa 1500mv da una parte
e aperto dall'altra... potrei volendo provare a dissaldare il condensatore e provarlo a solo... credo che il problema
sia sulla parte del primario, il secondario non sembra aver subito danni...
A tal proposito, il led non da segni di vita...
Ho rimesso un altro fusibile, ma stavolta scoppia non appenna do corrente :) ...
Ho notato sotto il condensatore ci sono 2 componenti con 3 terminali ciascuno, sembrano dei transistor in miniatura, ma non ne sono sicuro... non riesco a leggere sigle...
Poi c'è un altro diodo accanto, ma testandolo sembra ok... e un piccolo condensatore, ma anche questo
non sembra in corto...
Come procedo?
all'uscita non riesco a misurare, appena ho sentito friggere ho staccato subito la spina,
ho provato a riattaccarla ed è saltato il fubibile...
Ho ritestato diodi e MOS e sembrano ok, il condensatore segna circa 1500mv da una parte
e aperto dall'altra... potrei volendo provare a dissaldare il condensatore e provarlo a solo... credo che il problema
sia sulla parte del primario, il secondario non sembra aver subito danni...
A tal proposito, il led non da segni di vita...
Ho rimesso un altro fusibile, ma stavolta scoppia non appenna do corrente :) ...
Ho notato sotto il condensatore ci sono 2 componenti con 3 terminali ciascuno, sembrano dei transistor in miniatura, ma non ne sono sicuro... non riesco a leggere sigle...
Poi c'è un altro diodo accanto, ma testandolo sembra ok... e un piccolo condensatore, ma anche questo
non sembra in corto...
Come procedo?

2
voti
Le foto
a fuoco, dove si vedano i componenti e le piste in modo il più chiaro possibile....
i 1500 mV che misuri sul condensatore sono la serie dei diodi del ponte raddrizzatore... dovresti leggere i circa 500 mV del diodo nel MOS ... non lo si vede
... non è che c'è una resistenza sul source? Riesci a "vedere" i componenti e le connessioni dello schema che ti avevo postato
Comunque se ti salta il fusibile probabilemnte si è ri-guastato qualcosa che avevi sostituito

i 1500 mV che misuri sul condensatore sono la serie dei diodi del ponte raddrizzatore... dovresti leggere i circa 500 mV del diodo nel MOS ... non lo si vede
Comunque se ti salta il fusibile probabilemnte si è ri-guastato qualcosa che avevi sostituito
Se ti serve il valore di beta: hai sbagliato il progetto!
0
voti
Ultima
Dello schema che hai postato ho sostituito solo diodi e MOS, il condensatore è quello originale...
Sul source c'è una resistenza? si c'è, non riesco a misurarla da montata, ma
dalle bande, 2 rosse e 1 marrone direi che potrebbe essere da 220_Ohm... non si vedono benissimo i colori...
domani in caso se serve la dissaldo e controllo... quella pista per il momento è ancora intera... ahahahaha
Grazie :)
Dello schema che hai postato ho sostituito solo diodi e MOS, il condensatore è quello originale...
Sul source c'è una resistenza? si c'è, non riesco a misurarla da montata, ma
dalle bande, 2 rosse e 1 marrone direi che potrebbe essere da 220_Ohm... non si vedono benissimo i colori...
domani in caso se serve la dissaldo e controllo... quella pista per il momento è ancora intera... ahahahaha
Grazie :)
0
voti
P.s. "Lezioni" su come testare i componenti attivi e passivi le trovi tra gli articoli di EY, cercali e leggili con attenzione e leggi anche le "discussioni scelte" dal forum; EY è una miniera di informazioni utili; vale la pena "bighellonarci" dentro un po' "Non farei mai parte di un club che accettasse la mia iscrizione" (G. Marx)
-

claudiocedrone
21,3k 4 7 9 - Master EY

- Messaggi: 15303
- Iscritto il: 18 gen 2012, 13:36
0
voti
Od ormai che ci sono provo a cambiare anche gli ultimi 2 o 3 componenti del primario ( escluse resistenze ) ...
Il diodo che vedi e che sembra esloso è solo una pallina di stagno che dal PC è risalita sul reoforo...
Per saldare ho utilizzato la pasta, magari è quella che fa sembrare tutto annerito.
é conduttiva? forse dovrei spazzolare meglio la scheda, ma potrei provocare delle scariche esd se lo faccio
senza una spazzola apposita.?
Il diodo che vedi e che sembra esloso è solo una pallina di stagno che dal PC è risalita sul reoforo...
Per saldare ho utilizzato la pasta, magari è quella che fa sembrare tutto annerito.
é conduttiva? forse dovrei spazzolare meglio la scheda, ma potrei provocare delle scariche esd se lo faccio
senza una spazzola apposita.?
Chi c’è in linea
Visitano il forum: Nessuno e 117 ospiti

Elettrotecnica e non solo (admin)
Un gatto tra gli elettroni (IsidoroKZ)
Esperienza e simulazioni (g.schgor)
Moleskine di un idraulico (RenzoDF)
Il Blog di ElectroYou (webmaster)
Idee microcontrollate (TardoFreak)
PICcoli grandi PICMicro (Paolino)
Il blog elettrico di carloc (carloc)
DirtEYblooog (dirtydeeds)
Di tutto... un po' (jordan20)
AK47 (lillo)
Esperienze elettroniche (marco438)
Telecomunicazioni musicali (clavicordo)
Automazione ed Elettronica (gustavo)
Direttive per la sicurezza (ErnestoCappelletti)
EYnfo dall'Alaska (mir)
Apriamo il quadro! (attilio)
H7-25 (asdf)
Passione Elettrica (massimob)
Elettroni a spasso (guidob)
Bloguerra (guerra)



