Voglio schierarmi parzialmente con Tardofreak, nonostante qualche applicazione con ponte da rete l'abbia fatta anch'io.
Gli alimentatorini da presa saranno anche troppo pieni di componenti, ma oltre a essere più sicuri sono anche più efficienti, a meno di introdurre nel circuito minimalista almeno una partizione capacitiva.
LED alimentato a 230 V
Moderatori:
carloc,
g.schgor,
BrunoValente,
IsidoroKZ
0
voti
richiurci ha scritto:Gli alimentatorini da presa saranno anche troppo pieni di componenti, ma oltre a essere più sicuri sono anche più efficienti, a meno di introdurre nel circuito minimalista almeno una partizione capacitiva.
Ma scusa, sicuri da cosa? dal rischio di folgorazione o da quello di esplosione?
Con 100kohm si dissipano 0.5W, ha senso farne una questione di efficienza? Siamo sicuri che quelli cinesi dissipano meno?
-

BrunoValente
39,6k 7 11 13 - G.Master EY

- Messaggi: 7796
- Iscritto il: 8 mag 2007, 14:48
0
voti
ovviamente da folgorazione, non solo durante l'uso ma anche durante la prototipazione
Inevitabilmente, specie se lo sperimentatore è un "dilettante allo sbaraglio", ci si ritrova a fare misure su un circuito alimentato direttamente da rete.
Poi mediamente credo sia anche meno a rischio di incendio, vero che le cinesate sono insicure ma dissipare 0,5W in un involucro ermetico o quasi non è proprio poco.
E infine sull'efficienza... se dissipi 0,5W stai alimentato il LED a 2-3mA... mi sembra pochino per un LED bianco ma comunque vorrebbe dire efficienza pari a circa 2-3V/230= 1-1,5%
E' vero che in questo caso limite un circuito minimalista può aver senso ma sull'efficienza non credo si possano avere dubbi, a meno che non mi sfugga qualcosa
Inevitabilmente, specie se lo sperimentatore è un "dilettante allo sbaraglio", ci si ritrova a fare misure su un circuito alimentato direttamente da rete.
Poi mediamente credo sia anche meno a rischio di incendio, vero che le cinesate sono insicure ma dissipare 0,5W in un involucro ermetico o quasi non è proprio poco.
E infine sull'efficienza... se dissipi 0,5W stai alimentato il LED a 2-3mA... mi sembra pochino per un LED bianco ma comunque vorrebbe dire efficienza pari a circa 2-3V/230= 1-1,5%
E' vero che in questo caso limite un circuito minimalista può aver senso ma sull'efficienza non credo si possano avere dubbi, a meno che non mi sfugga qualcosa
1
voti
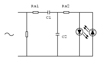
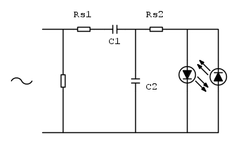
Tralasciando un attimo il discorso sicurezza... nell'altro 3d aperto da Tinto (prima di far esplodere questo
) avevo ipotizzato una soluzione minimalista che potrebbe essere più efficiente, specie se usata con serie di LED invece che LED singolo:
E' mai stata valutata?
ci vedete qualche errore grossolano o potrebbe funzionare?
In teoria, sicurezza a parte, si potrebbero ridurre a piacimento Rs1 e Rs2 riducendo drasticamente le perdite di potenza in calore...
E' mai stata valutata?
ci vedete qualche errore grossolano o potrebbe funzionare?
In teoria, sicurezza a parte, si potrebbero ridurre a piacimento Rs1 e Rs2 riducendo drasticamente le perdite di potenza in calore...
0
voti
Tutto dipende da cosa deve servire il led, se da spia il circuito deve essere minimalista o inesistente (res. o meglio res.+diodo per inversa) se deve servire per altro, tipo fare luce, meglio un circuito più sicuro o ancora di più un faretto fatto per la 220 V 

-

Lancillotto
986 3 6 - Sostenitore

- Messaggi: 526
- Iscritto il: 13 ott 2017, 14:47
- Località: ۞ ₯ ۞
4
voti
Per correnti basse mi pare possa andare, in effetti per disturbi ad alta frequenza a parità di tensione la corrente nel led si ridurrebbe addirittura.
Per scaricare i condensatori non servono due resistenze, conviene così
Per scaricare i condensatori non servono due resistenze, conviene così
-

BrunoValente
39,6k 7 11 13 - G.Master EY

- Messaggi: 7796
- Iscritto il: 8 mag 2007, 14:48
0
voti
Bel circuitello. 

-

PietroBaima
90,7k 7 12 13 - G.Master EY

- Messaggi: 12207
- Iscritto il: 12 ago 2012, 1:20
- Località: Londra
0
voti
Ricordo che questo led deve essere montato in una scatola portafrutto, per essere usato come spia di un interruttore: non è necessario scaricare il condensatore
Invece non metterei il condensatore in parallelo al led, perché se per qualche motivo il led si interrompesse, il condensatore si caricherebbe con la tensione di rete
Invece non metterei il condensatore in parallelo al led, perché se per qualche motivo il led si interrompesse, il condensatore si caricherebbe con la tensione di rete
-

SediciAmpere
4.187 5 5 8 - Master

- Messaggi: 4849
- Iscritto il: 31 ott 2013, 15:00
1
voti
richiurci ha scritto: dissipare 0,5W in un involucro ermetico o quasi non è proprio poco.
Concordo, per questo all'inizio avevo proposto il condensatore X2
OT:
Questa conversazione è affascinante, è incredibile quante soluzioni ci possano essere per realizzare anche una semplicissima spia con led, tutte valide, ognuna che considera aspetti diversi, e chissà quanti altri ce ne sono che non abbiamo considerato...
non esiste una soluzione perfetta, ma quella che il progettista preferisce, seguendo le sue esperienze, gli aspetti che considera più importanti e anche i propri gusti: a me piacciono i circuiti semplici ma ben dimensionati, penso che siano intrinsecamente più affidabili anche se più difficili da progettare, e poi sono sempre rimasto arroccato sulle soluzioni tradizionali, diffidando dell'avanzamento tecnoligico fine solo a sé stesso (se è sufficiente un condensatore e un diodo, perché usare un alimentatore switching con tutti i problemi che si porta dietro...)
-

SediciAmpere
4.187 5 5 8 - Master

- Messaggi: 4849
- Iscritto il: 31 ott 2013, 15:00
0
voti
Se per altri circuito più complessi è necessario la reattanza di un condensatore per evitare resistenze di grosse dimensioni, per il led rosso usato come spia OGGI userei solo la resistenza e un diodo in parallelo per l'inversa, poco spazio utilizzato e scarsi rischi guasto, con l'uso di un condensatore c'è sempre da considerare i picchi iniziali.
Poi c'è sempre la vecchia spia al neon, non dimentichiamocela.
OGGI = Led con consumi molto bassi <8mA
Poi c'è sempre la vecchia spia al neon, non dimentichiamocela.
OGGI = Led con consumi molto bassi <8mA
-

Lancillotto
986 3 6 - Sostenitore

- Messaggi: 526
- Iscritto il: 13 ott 2017, 14:47
- Località: ۞ ₯ ۞
Chi c’è in linea
Visitano il forum: Nessuno e 70 ospiti

Elettrotecnica e non solo (admin)
Un gatto tra gli elettroni (IsidoroKZ)
Esperienza e simulazioni (g.schgor)
Moleskine di un idraulico (RenzoDF)
Il Blog di ElectroYou (webmaster)
Idee microcontrollate (TardoFreak)
PICcoli grandi PICMicro (Paolino)
Il blog elettrico di carloc (carloc)
DirtEYblooog (dirtydeeds)
Di tutto... un po' (jordan20)
AK47 (lillo)
Esperienze elettroniche (marco438)
Telecomunicazioni musicali (clavicordo)
Automazione ed Elettronica (gustavo)
Direttive per la sicurezza (ErnestoCappelletti)
EYnfo dall'Alaska (mir)
Apriamo il quadro! (attilio)
H7-25 (asdf)
Passione Elettrica (massimob)
Elettroni a spasso (guidob)
Bloguerra (guerra)


pigreco]=π