EcoTan ha scritto:Se veramente vogliamo creare lo schema di una barriera IR, suggerisco di partire dal trasmettitore, quando quello è OK passare allo stadio di ingresso del ricevitore e testarne l'uscita con un oscilloscopio, poi passare al resto.
Siamo solo alla VII pagina di discussione ma seguendo il consiglio di
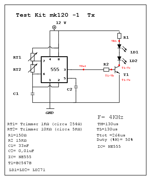
EcoTan riprogetto il trasmettitore della barriera IR Trasmittente/Ricevente
Trasmittente• 2 diodi
• Trasmissione ad impulsi con multivibratore astabile cone NE555
• Forma d’onda: onda quadra con frequenza di trasmissione 20 kHz
• Corrente Massima di diodi Diodo IR= LD271: 300mA
• BJT di media potenza PN2222A
Nota: è stata scelta una trasmissione impulsiva a 20 kHz per i seguenti motivi:
• massimizzare la potenza irraggiante senza danneggiare i diodi emettitori che hanno corrente massima continua di 130mA
• 20KHz sono una frequenza utile per i tempi di commutazione del IC ne555, del BJT PN2222A, per il corretto funzionamento del led LD271 e abbastanza distanza dal rumore ambientale che di solito ha frequenza bassa per eventuale filtraggio alla ricezione
Diodo IR= LD271Dal DS
Trim1= trimmer 5KΩ impostato a circa 1500Ω
Trim2= trimmer 10KΩ impostato a circa 3300Ω
T1/T=29.93/50.52=D= 0,59
T1=29.93
Possiamo considerare un valore di If (corrente di forward) di 300mA
Caso 2 – If=300mA NE555Trim1= trimmer 5KΩ impostato a circa 1500Ω
Trim2= trimmer 10KΩ impostato a circa 3300Ω
Equazione maglia di uscita del BJT T1Essendo in regime variabile consideriamo solo i valori massimo
Icmax=300mA
Vfled=1,5V
Vcc= IcmaxxR3+VL1+VL2+VT1sat
12V= 300mAxR3+1,5V+1,5V+1,2V
R3= 7,8V/300mA=26,5Ω
PR1=IxIxR1=26Ω x0,3Ax0,3A=2,34W
Per ora tralasciamo considererazioni di assorbimento e utilizzi una reistenza da 39 Ω da 3W (che gia scalda parecchio)
Equazione maglia di entrata del BJT T1Come da DS pagina 2 considero Hfe=50
Ic=HfexIb
Hfe=50
Ib=Ic/Hfe=300mA/50= 6mA
considero il fattore di sicurezza Ib=2-3 x(Ic/Hfe)
Ib=6mA --- Ib=15mA
Data l’uscita del ne555
Vhigh=10V
Vlow=2,5V
Vout=IbxR4+Vbesat
10V=15mAxR4+0,6V
R4=10V/15mA=626,3Ω -----680ΩQui
https://drive.google.com/open?id=1XVxJx24CaeUoqm3pGDCS90MBNvu4-Zgk trovate i DS dei componenti ne555, Diodo IR= LD271, PN2222A
E finalmente il circuito: (che poi è lo stesso che ho usato per testare il ricevitore....

)
Le prime misure effettuate con oscilloscopio e miltimetro nei punti
L1-Vcat
T1-Vc
T1-Vb
Ne555-Pin3
riportano una frequenza di lavoro di 20KHz e quindi posso affermarfe che la trasmettimente irraggia radiazione infrarossa a 20KHz. Purtroppo non ho nacora i valori di tensione per incapacità nell'utilizzo dell'oscillopio ma a breve credo di provvedere.