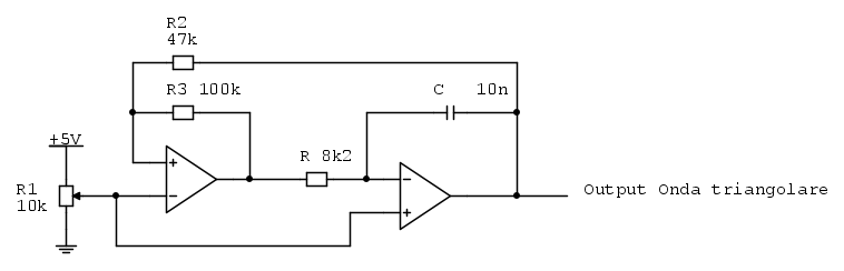
Questo é il circuito che ho provato:
Risultato:
Next stop:
1) Capire se il circuito nel simulatore (quello con induttore e condensatore) puó andare;
2) Provare a generare il PWM con frequenza aumentata, utilizzando Arduino ed il circuito qui sopra.
Dimens filtro LC pilotaggio celle peltier
Moderatori:
carloc,
g.schgor,
BrunoValente,
IsidoroKZ
0
voti
I picchi sui vertici dell'onda traingolare sono brutti.
Prova a mettere un condensatore 100 nF ai capi dei pin di alimentazione e fra cursore potenziometro a massa.
O forse è dovuto a un infelice collegamento della sonda dell'oscillo ?
Come comportamento "gentile" nei confronti del lettore, riporta il valore della frequenza /periodo e i valori min/max dell'onda triangolare; eviti che debba cercare faticosamente di rilevarli dall'immagine.
riporta anche il valore dela tensione del cursore del potenziometro (è costante priva di disturbi?)
Conferma che l'alimentazione è 5 V. Magari riporta connessioni e comndensatori sullo schema.
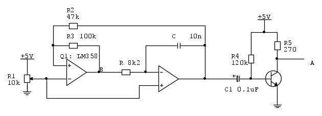
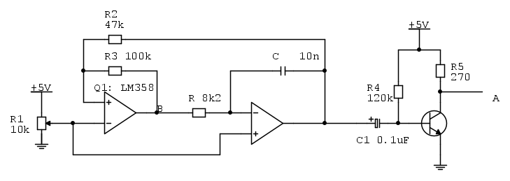
A cosa si riferisce la seconda immagine ? ingresso integrato comparatore ? Sigla gli operazionali per distinguerli.
Se hai un oscilloscopio a due tracce, usale visualizzando contemporaneamente le due tracce.
Nelle immagini visualizzi quattro periodi, ne bastano due, la metà inferiore dell'oscilloscopio non è usata,regola i comandi dell'oscilloscopio, così le immagini risultano più grandi e leggibili.
In futuro, nel mondo del lavoro, non basta fare misure, occorre anche presentare bene i risultati in modo che siano facili da comprendere, e possibilmente interpretarli e commmentarli, purtroppo richiede un tempo superiore a quello delle misure stesse.

Prova a mettere un condensatore 100 nF ai capi dei pin di alimentazione e fra cursore potenziometro a massa.
O forse è dovuto a un infelice collegamento della sonda dell'oscillo ?
Come comportamento "gentile" nei confronti del lettore, riporta il valore della frequenza /periodo e i valori min/max dell'onda triangolare; eviti che debba cercare faticosamente di rilevarli dall'immagine.
riporta anche il valore dela tensione del cursore del potenziometro (è costante priva di disturbi?)
Conferma che l'alimentazione è 5 V. Magari riporta connessioni e comndensatori sullo schema.
A cosa si riferisce la seconda immagine ? ingresso integrato comparatore ? Sigla gli operazionali per distinguerli.
Se hai un oscilloscopio a due tracce, usale visualizzando contemporaneamente le due tracce.
Nelle immagini visualizzi quattro periodi, ne bastano due, la metà inferiore dell'oscilloscopio non è usata,regola i comandi dell'oscilloscopio, così le immagini risultano più grandi e leggibili.
In futuro, nel mondo del lavoro, non basta fare misure, occorre anche presentare bene i risultati in modo che siano facili da comprendere, e possibilmente interpretarli e commmentarli, purtroppo richiede un tempo superiore a quello delle misure stesse.

0
voti
Ora, ho migliorato il tutto:
Time/Div: 200uS
V/div: 2 volt CH1
V/div: 1 volt CH2
Punto A del circuito: onda gialla
Punto B del circuito: onda azzurra
Circuito:
Condensatore da 100nF posto sulla alimentazione (5 volt)
Il condensatore tra cursore e massa del potenziometro l'ho rimosso in quanto creava disturbi sulla triangolare (era meno lineare la discesa e la salita, andava a gradini)
Sul rimuovere la parte negativa non utilizzata, non ho trovato soluzioni.
0
voti
Circuito finalmente finito e completo
Risultati
Con un Duty Cycle maggiore in ingresso, in uscita si ha zero
V/div 5V
Time/div 500uS
Canale A giallo
Canale B azzurro
Risultati
Con un Duty Cycle maggiore in ingresso, in uscita si ha zero
V/div 5V
Time/div 500uS
Canale A giallo
Canale B azzurro
0
voti
L'ingresso CH1 varia fra 768 mV e 6,12 V.
E' l'uscita di un generatore da laboratorio?
Se fosse una uscita di arduino, dovrebbe essere compresa fra 0,2 e quasi 5V.
Oppure è presente qualche offset di oscilloscopio o circuito.
p.s:
Il circuito con R4 e R5 e il TR mi piace poco. Capisco che serve a modificare l'offset e il guadagno, dovrebbe essere possibile farne a meno con opportune polarizzazioni.
Se la temperatura ambiente varia, potrebbe variare un poco la Vbe del transistor e spostare il punto di lavoro della onda triangolare. Potresti provare a scaldarlo con un asciugacapelli e vedere cosa succede.
Isidoro mi ha preceduto. Saluti
E' l'uscita di un generatore da laboratorio?
Se fosse una uscita di arduino, dovrebbe essere compresa fra 0,2 e quasi 5V.
Oppure è presente qualche offset di oscilloscopio o circuito.
p.s:
Il circuito con R4 e R5 e il TR mi piace poco. Capisco che serve a modificare l'offset e il guadagno, dovrebbe essere possibile farne a meno con opportune polarizzazioni.
Se la temperatura ambiente varia, potrebbe variare un poco la Vbe del transistor e spostare il punto di lavoro della onda triangolare. Potresti provare a scaldarlo con un asciugacapelli e vedere cosa succede.
Isidoro mi ha preceduto. Saluti
0
voti
AleEl ha scritto:Circuito finalmente finito e completo
A cosa serve il transistore fra il generatore di triangolo e il modulatore PWM?
E` polarizzato in modo critico, prova a scaldarlo o a raffreddarlo e vedi se cambia il duty cycle all'uscita.
Per usare proficuamente un simulatore, bisogna sapere molta più elettronica di lui
Plug it in - it works better!
Il 555 sta all'elettronica come Arduino all'informatica! (entrambi loro malgrado)
Se volete risposte rispondete a tutte le mie domande
Plug it in - it works better!
Il 555 sta all'elettronica come Arduino all'informatica! (entrambi loro malgrado)
Se volete risposte rispondete a tutte le mie domande
0
voti
IsidoroKZ ha scritto:AleEl ha scritto:Circuito finalmente finito e completo
A cosa serve il transistore fra il generatore di triangolo e il modulatore PWM?
E` polarizzato in modo critico, prova a scaldarlo o a raffreddarlo e vedi se cambia il duty cycle all'uscita.
Ho provato a scaldare il transistor con un accendino, ovviamente senza mettere la fiamma diretta e continua sul transistor.
In condizioni normali si ha una triangolare in uscita.
Scaldandolo, i vertici inferiori si allargano formando una linea continua, non avendo piú un'onda triangolare
Come risultato del PWM in uscita si ha una notevole diminuzione del duty cycle.
Che soluzioni mi consigliate?
Per la questione tensioni sballate, credo ci sia qualche problema con l'oscilloscopio, dato che la vcc é a 4,85 volt
IsidoroKZ ha scritto:A cosa serve il transistore fra il generatore di triangolo e il modulatore PWM?
MarcoD ha scritto:Capisco che serve a modificare l'offset e il guadagno
0
voti
Ho provato a scaldare il transistor con un accendino, ovviamente senza mettere la fiamma diretta e continua sul transistor.
In condizioni normali si ha una triangolare in uscita.
Scaldandolo, i vertici inferiori si allargano formando una linea continua, non avendo piú un'onda triangolare
Si spiega:
scaldando diminuisce la Vbe (di solito 0,7 V) ,la corrente di collettore aumenta, la triangolare scende, ma non può scendere al di sotto di 0 V, per cui il vertice inferiore si appiattisce in un segmento.
Come risultato del PWM in uscita si ha una notevole diminuzione del duty cycle. OK
L'LM358 usato come comparatore fa pena, perché è lento, servirebbe un comparatore vero, ma al momento non me ne viene in mente un modello.
Che soluzioni mi consigliate?
Si potrebbe sostituire il transistor con un amplifcatore operazionale (ne rimane uno libero se hai usato due LM358 (stadio non invertente + corrente tramite R dal +5 nell'ingresso invertente per fare scendere))
con tre resistori e due potenziometri, se vuoi regolare sperimentalmente offeset e guadagno dell'onda triangolare.
Per la questione tensioni sballate, credo ci sia qualche problema con l'oscilloscopio, dato che la vcc é a 4,85 volt
Possibile che l'oscilloscopio sia così scadente? Prova a verificare calbrazione con il segnale di test a onda quadra che tuuti gli oscilloscopi dovrebbero avere.
E' più probabile che le connessioni di massa non siano buone e ci sia una caduta di tensione e che la pinza della sonda sia messa in posizione non favorevole.
Invia una foto del circuito con le connessioni ad alimentatore, arduino, oscilloscopio, ecc.
usato per calibrare le sondo
In condizioni normali si ha una triangolare in uscita.
Scaldandolo, i vertici inferiori si allargano formando una linea continua, non avendo piú un'onda triangolare
Si spiega:
scaldando diminuisce la Vbe (di solito 0,7 V) ,la corrente di collettore aumenta, la triangolare scende, ma non può scendere al di sotto di 0 V, per cui il vertice inferiore si appiattisce in un segmento.
Come risultato del PWM in uscita si ha una notevole diminuzione del duty cycle. OK
L'LM358 usato come comparatore fa pena, perché è lento, servirebbe un comparatore vero, ma al momento non me ne viene in mente un modello.
Che soluzioni mi consigliate?
Si potrebbe sostituire il transistor con un amplifcatore operazionale (ne rimane uno libero se hai usato due LM358 (stadio non invertente + corrente tramite R dal +5 nell'ingresso invertente per fare scendere))
con tre resistori e due potenziometri, se vuoi regolare sperimentalmente offeset e guadagno dell'onda triangolare.
Per la questione tensioni sballate, credo ci sia qualche problema con l'oscilloscopio, dato che la vcc é a 4,85 volt
Possibile che l'oscilloscopio sia così scadente? Prova a verificare calbrazione con il segnale di test a onda quadra che tuuti gli oscilloscopi dovrebbero avere.
E' più probabile che le connessioni di massa non siano buone e ci sia una caduta di tensione e che la pinza della sonda sia messa in posizione non favorevole.
Invia una foto del circuito con le connessioni ad alimentatore, arduino, oscilloscopio, ecc.
usato per calibrare le sondo
Chi c’è in linea
Visitano il forum: Nessuno e 142 ospiti

Elettrotecnica e non solo (admin)
Un gatto tra gli elettroni (IsidoroKZ)
Esperienza e simulazioni (g.schgor)
Moleskine di un idraulico (RenzoDF)
Il Blog di ElectroYou (webmaster)
Idee microcontrollate (TardoFreak)
PICcoli grandi PICMicro (Paolino)
Il blog elettrico di carloc (carloc)
DirtEYblooog (dirtydeeds)
Di tutto... un po' (jordan20)
AK47 (lillo)
Esperienze elettroniche (marco438)
Telecomunicazioni musicali (clavicordo)
Automazione ed Elettronica (gustavo)
Direttive per la sicurezza (ErnestoCappelletti)
EYnfo dall'Alaska (mir)
Apriamo il quadro! (attilio)
H7-25 (asdf)
Passione Elettrica (massimob)
Elettroni a spasso (guidob)
Bloguerra (guerra)








