Dal datasheet dell'
ADXL325:
Zero bias level (ratiometric): 1.3/1.5/1.7 V (min/typ/max) @ 3V
Sensitivity (ratiometric): 156/174/192 mV/g @ 3V
Measurement range: ±5/±6/- g
Visto che lo alimentiamo a 3.3 V, i valori ratiometrici si modificano come segue:
Zero bias level (ratiometric): 1.43/1.65/1.87 V @ 3.3V
Sensitivity (ratiometric): 171.6/191.4/211.2 mV/g @ 3.3V
Il valore minimo che possiamo aspettarci è quindi quello con
- bias minimo
- sensibilità massima
- a -6g
-->

Il valore massimo che invece possiamo aspettarci è quello con
- bias massimo
- sensibilità massima
- a +6g
-->

L'ingresso dell'ADC mappa tensioni da 0 a 3300 mV su 12 bit.
Se portassimo queste tensioni in uscita direttamente all'ADC perderemmo un po' di risoluzione perché sprechiamo 163 mV in basso e altrettanti in alto.
In queste condizioni abbiamo un valore dell'LSB di

Se confrontiamo questo valore con la sensibilità dell'accelerometro vediamo che corrisponde a 0.0047 g (usando la sensibilità minima).
È tanto? È poco? È sufficiente? Non lo so, l'applicazione la conosci tu e sei tu che puoi fare una stima della risoluzione che ti serve.
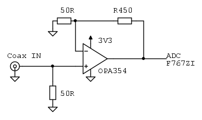
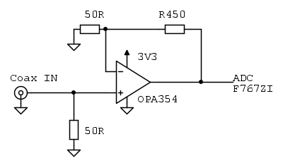
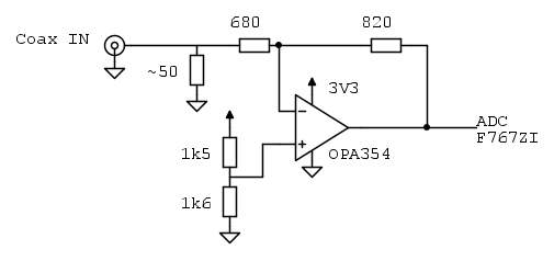
Per ottenere questo risultato ci serve guadagno unitario, dobbiamo però considerare che le resistenze da 50 ohm formano un partitore che dimezza la tensione in ingresso all'opamp, il quale va quindi configurato per lavorare con un guadagno di 2.
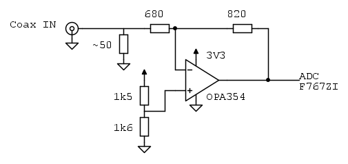
Se invece vogliamo una risoluzione maggiore dobbiamo amplificare, ma il margine che ci resta prima di toccare i limiti di 0 V in basso e 3.3 V in alto è pochissimo. Si dovrebbe quindi pensare di limitare il campo di misura, accettando per esempio solo valori tra -3 e +3 g si può raddoppiare la risoluzione.
Attenzione, ogni amplificazione aumenta anche la quantità di rumore sul segnale, anche se non credo che in questo caso sia un grosso problema e l'op-amp che abbiamo scelto è abbastanza silenzioso.
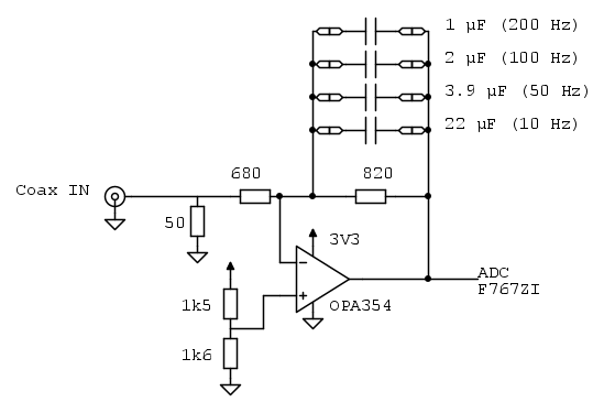
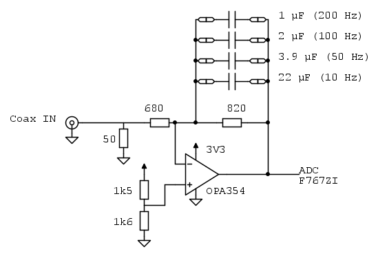
I condensatori che hai messo sul feedback servirebbero proprio a ridurre il rumore (e la banda!) se ci fosse un problema, ma i loro valori sono elevatissimi! Lì ci va 1 nF a stare larghi! Secondo me non ti serve: la banda la limiti già in sorgente e non credo che tu abbia grossi problemi di rumore.
Boiler