emettitore / ricevitore IR
Moderatori:
carloc,
g.schgor,
BrunoValente,
IsidoroKZ
0
voti
E' proprio questo il mio problema, la componente continua è bassissima (circa 0,2V). Con il tester posizionato per la misurazioni di tensioni continue rilevo 0,2V sia con TX/RX in comunicazione che con raggio interrotto. A confermare questa tesi ho settato l'oscilloscopio su DC valutando un leggero innalzamento del segnale.
0
voti
scusami ma non avevo capito, credevo che non ti fosse chiaro il mio discorso.
Se le cose stanno così mi vengono in mente due due ipotesi, la prima è che l' LM358 non sia alimentato, la seconda che la resistenza da 68KΩ non sia connessa correttamente. Tale resistenza ha il compito di riportare sull' ingresso invertente il segnale presente in uscita.
Dovresti poi indicarmi quali pin dell' LM358 stai utilizzando.
Ciao
David
Se le cose stanno così mi vengono in mente due due ipotesi, la prima è che l' LM358 non sia alimentato, la seconda che la resistenza da 68KΩ non sia connessa correttamente. Tale resistenza ha il compito di riportare sull' ingresso invertente il segnale presente in uscita.
Dovresti poi indicarmi quali pin dell' LM358 stai utilizzando.
Ciao
David
0
voti
Ciao David,
ho rivisto il circuito passo-passo. nelle foto manca la massa al LM358 ma il circuito è stato testao con la massa ovviamente.
La situazone attuale è la seguente:
- Interrompendo il segnale TX/RX noto dall'oscilloscopio che il segnale prelevato sul punto A sparisce quindi l'interfaccia non credo sia in discussione.
- Nel punto B un segnale continuo di circa 5,48V con RX/TX interfacciati e 5,52V a segnale interrotto. Queste rilevazioni sono fatte con il tester in DC.
- Nel punto C rilevo con il tester in AC una tensione che vale 6V con TX/RX interfacciati e 0,7V con TX/RX a raggio interrotto.
Per maggiore chiarezza ti posto le immagini del circuito e dei segnali.
Punto A : X1, DC, 50µS/cm, 2V
Punto B: X1, AC, 50µS/cm, 200mV
Punto C: X1, AC, 50µS/cm, 2V
Credo che il TX/RX a raggi infrarossi sia alle fasi finali.
ho rivisto il circuito passo-passo. nelle foto manca la massa al LM358 ma il circuito è stato testao con la massa ovviamente.
La situazone attuale è la seguente:
- Interrompendo il segnale TX/RX noto dall'oscilloscopio che il segnale prelevato sul punto A sparisce quindi l'interfaccia non credo sia in discussione.
- Nel punto B un segnale continuo di circa 5,48V con RX/TX interfacciati e 5,52V a segnale interrotto. Queste rilevazioni sono fatte con il tester in DC.
- Nel punto C rilevo con il tester in AC una tensione che vale 6V con TX/RX interfacciati e 0,7V con TX/RX a raggio interrotto.
Per maggiore chiarezza ti posto le immagini del circuito e dei segnali.
Punto A : X1, DC, 50µS/cm, 2V
Punto B: X1, AC, 50µS/cm, 200mV
Punto C: X1, AC, 50µS/cm, 2V
Credo che il TX/RX a raggi infrarossi sia alle fasi finali.
- Allegati
-
- segnali A e B.jpg (70.05 KiB) Osservato 3512 volte
-
- RX (2).jpg (102.81 KiB) Osservato 3512 volte
-
- RX (1).jpg (94.45 KiB) Osservato 3507 volte
0
voti
Il segnale nel punto C a raggio interrotto (C2 = X1, AC, 50µS/cm, 500mV) ed interfacciato (C1 = X1, AC, 50µS/cm, 2V) .
Il segnale C2 non è mosso ma credo che siano le componenti spurie che lo rendono non perfetto. Non credo sia il caso di valutare le armoniche da eliminare in quanto ha un'ampiezza di soli 0,7V.
Pensi che per inviare il segnale C1 ad un comparatore che a sua volta dia un'uscita continua (alta o bassa) debba far passare il segnale C2 prima attraverso un diodo ed un condensatore?
Grazie.
Il segnale C2 non è mosso ma credo che siano le componenti spurie che lo rendono non perfetto. Non credo sia il caso di valutare le armoniche da eliminare in quanto ha un'ampiezza di soli 0,7V.
Pensi che per inviare il segnale C1 ad un comparatore che a sua volta dia un'uscita continua (alta o bassa) debba far passare il segnale C2 prima attraverso un diodo ed un condensatore?
Grazie.
- Allegati
-
- segnale C(2).jpg (63.73 KiB) Osservato 3496 volte
-
- segnale C(1).jpg (68.33 KiB) Osservato 3495 volte
0
voti
In uscita ora la situazione è questa:
La componente del segnale alternata con RX/TX interfacciati e non interfacciati varia tra 6V e 0,7V
La componente del segnale continua con RX/TX interfacciati e non interfacciati resta stabile a 5,8V
Con queste caratteristiche come posso utilizzare un comparatore che mi dia in uscita una componente continua alta o bassa a seconda del segnale in questione?
La componente del segnale alternata con RX/TX interfacciati e non interfacciati varia tra 6V e 0,7V
La componente del segnale continua con RX/TX interfacciati e non interfacciati resta stabile a 5,8V
Con queste caratteristiche come posso utilizzare un comparatore che mi dia in uscita una componente continua alta o bassa a seconda del segnale in questione?
0
voti
Pensavo che mettendo all'uscita del LM358 dopo il condensatore un ponte diodi ed in parallelo un condensatore da 15nF si potrebbero avere delle uscite come da schema. In pratica si passerebbe da tensione 7,5V (con RX/TX interfacciati con componente continua) a 0,7V (con RX/TX non inrefacciati senza componente continua) entrambe tensioni continue (con leggeri ripple). Questa differenza di segnale all'ingresso di un comparatore mi darebbe infine un'uscita alta o bassa a seconda che TX/RX siano interfacciati oppure no.
Cosa ne pensi?
Cosa ne pensi?
- Allegati
-
- schema.jpg (30.28 KiB) Osservato 3468 volte
0
voti
mi sembra che ora il filtro lavori correttamente, bene.
Per utilizzare il segnale in uscita ti basta mettere un solo diodo (non importa un ponte) che elimini dal segnale tutte le semionde negative. Così facendo ti rimarrà soltanto la componente positiva che potrai livellare con un condensatore (io ho usato un 100nF). Avevo risolto così :
Prelevando in uscita il segnale livellato avrai queste condizioni: a fascio non interrotto otterrai in uscita un valore di tensione pari a 7V mentre a fascio interrotto il valore di tale tensione scenderà sui 0,7V lasciandoti un' ampio margine sul quale far lavorare il comparatore.
Il segnale lo devi misurare dopo l'elettrolitico da 10µF che serve per l' appunto ad eliminare la componente continua.
Ciao
David
Per utilizzare il segnale in uscita ti basta mettere un solo diodo (non importa un ponte) che elimini dal segnale tutte le semionde negative. Così facendo ti rimarrà soltanto la componente positiva che potrai livellare con un condensatore (io ho usato un 100nF). Avevo risolto così :
Prelevando in uscita il segnale livellato avrai queste condizioni: a fascio non interrotto otterrai in uscita un valore di tensione pari a 7V mentre a fascio interrotto il valore di tale tensione scenderà sui 0,7V lasciandoti un' ampio margine sul quale far lavorare il comparatore.
tenbears scrive
In uscita ora la situazione è questa:
La componente del segnale alternata con RX/TX interfacciati e non interfacciati varia tra 6V e 0,7V
La componente del segnale continua con RX/TX interfacciati e non interfacciati resta stabile a 5,8V
Con queste caratteristiche come posso utilizzare un comparatore che mi dia in uscita una componente continua alta o bassa a seconda del segnale in questione?
Il segnale lo devi misurare dopo l'elettrolitico da 10µF che serve per l' appunto ad eliminare la componente continua.
Ciao
David
0
voti
Ciao David,
ho quasi completato il circuito che mi ero preposto di fare. Non ce l'avrei fatta senza il tuo aiuto, grazie.
Ora ho un piccolo problema...
in un LM741 in configurazione di comparatore faccio entrare il segnale raddrizzato (uscente dal filtro). I valori che riscontro con TX/RX interfacciati oppure no vanno da 0,3V a 3,75V. La soglia di commutazione del comparatore è impostata a 2,5V. Il 741 lavora bene ossia sul pin 6 dell'uscita riscontro valori di tensione 10,5V e 1,95V in funzione dell'interfacciamento di TX/RX.
Il mio problema sono proprio questi valori. Purtroppo devo pilotare la base di un transistor che con questi valori resta sempre innescato (ovviamente). So che LM741 deve essere alimentato in duale, ma purtroppo non posso utilizzare la tensione negativa. L' ideale sarebbe avere tensioni in uscita 10V/0V.
Ho provato con un LM358 ma anche se gli ingressi hanno valori corretti in uscita mi ritrovo sempre 9,5V. Devo dire che questi LM358 mi hanno dato un po di problemi quando sono montati su basetta, ad esempio ho riscontrato tensioni su pin ai quali no era applicato nessun segnale....
Hai qualche soluzione per ovviare a questo problema?
Grazie.
ho quasi completato il circuito che mi ero preposto di fare. Non ce l'avrei fatta senza il tuo aiuto, grazie.
Ora ho un piccolo problema...
in un LM741 in configurazione di comparatore faccio entrare il segnale raddrizzato (uscente dal filtro). I valori che riscontro con TX/RX interfacciati oppure no vanno da 0,3V a 3,75V. La soglia di commutazione del comparatore è impostata a 2,5V. Il 741 lavora bene ossia sul pin 6 dell'uscita riscontro valori di tensione 10,5V e 1,95V in funzione dell'interfacciamento di TX/RX.
Il mio problema sono proprio questi valori. Purtroppo devo pilotare la base di un transistor che con questi valori resta sempre innescato (ovviamente). So che LM741 deve essere alimentato in duale, ma purtroppo non posso utilizzare la tensione negativa. L' ideale sarebbe avere tensioni in uscita 10V/0V.
Ho provato con un LM358 ma anche se gli ingressi hanno valori corretti in uscita mi ritrovo sempre 9,5V. Devo dire che questi LM358 mi hanno dato un po di problemi quando sono montati su basetta, ad esempio ho riscontrato tensioni su pin ai quali no era applicato nessun segnale....
Hai qualche soluzione per ovviare a questo problema?
Grazie.
0
voti
mi fa molto piacere sapere che tu stia riuscendo nell' impresa e che i miei suggerimenti ti risultino utili.
Nel post precedente mi sono sbagliato, il valore della tensione continua in ingresso al comparatore di soglia è la metà di quello in alternata presente sull' uscita dal filtro quindi i valori che misuri (0,3V e 3,75V) sono corretti.
Per l' uscita dell’ LM741 guarda questo topic dove è stato risolto un problema simile al tuo, se poi hai dei dubbi ne parliamo.
Ciao
David
Nel post precedente mi sono sbagliato, il valore della tensione continua in ingresso al comparatore di soglia è la metà di quello in alternata presente sull' uscita dal filtro quindi i valori che misuri (0,3V e 3,75V) sono corretti.
Per l' uscita dell’ LM741 guarda questo topic dove è stato risolto un problema simile al tuo, se poi hai dei dubbi ne parliamo.
Ciao
David
0
voti
Ciao David,
i diodi (3 in serie) e il resistore di pull-down si sono verificati un ottimo stratagemma per ovviare al mio problema. Credo di aver capito che i diodi servono per far avere una caduta di tensione complessiva di circa 1,5V in modo da non influire sul funzionamento del BJT. Io mi ero incaponito sul fatto che non era logico che accadesse e che quindi era imputabile alla breadbord.
Ora ti chiedo un ultimo sforzo di pazienza
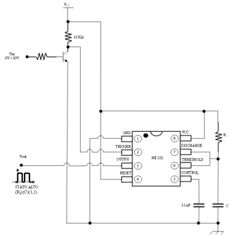
il BJT citato gestisce il segnale di ingresso (0V/10V) del pin2 di un NE555 monostabile. Quando il segnale si porta a 0V dovrebbe iniziare lo stato time-up del Timer. Dopo un periodo impostato (RxCx 1,1) dovrebbe ritornare allo stato time-down fino ad un nuovo impulso (negativo) sul pin2. Nel periodo di time-up è presente sul pin2 un segnale di 10V.
Ora succede che tutte le mie misurazioni hanno avuto riscontri positivi ossia sul pin2 è presente un segnale di 9,7V quando TX/RX sono interfacciati e 0V quando RX/TX hanno il fascio interrotto.
L'inconveniente è che sul pin3 è sempre presente una tensione di circa 10V e di conseguenza il timer non lavora come dovrebbe in quanto mi resta perennemente in time-up.
Ho verificato più volte i collegamenti dell'integrato ed a mio giudizio sembrano a posto. Ti posto lo schema.
Risolto questo inconveniente il circuito dovrebbe essere concluso.
Grazie.
i diodi (3 in serie) e il resistore di pull-down si sono verificati un ottimo stratagemma per ovviare al mio problema. Credo di aver capito che i diodi servono per far avere una caduta di tensione complessiva di circa 1,5V in modo da non influire sul funzionamento del BJT. Io mi ero incaponito sul fatto che non era logico che accadesse e che quindi era imputabile alla breadbord.
Ora ti chiedo un ultimo sforzo di pazienza
il BJT citato gestisce il segnale di ingresso (0V/10V) del pin2 di un NE555 monostabile. Quando il segnale si porta a 0V dovrebbe iniziare lo stato time-up del Timer. Dopo un periodo impostato (RxCx 1,1) dovrebbe ritornare allo stato time-down fino ad un nuovo impulso (negativo) sul pin2. Nel periodo di time-up è presente sul pin2 un segnale di 10V.
Ora succede che tutte le mie misurazioni hanno avuto riscontri positivi ossia sul pin2 è presente un segnale di 9,7V quando TX/RX sono interfacciati e 0V quando RX/TX hanno il fascio interrotto.
L'inconveniente è che sul pin3 è sempre presente una tensione di circa 10V e di conseguenza il timer non lavora come dovrebbe in quanto mi resta perennemente in time-up.
Ho verificato più volte i collegamenti dell'integrato ed a mio giudizio sembrano a posto. Ti posto lo schema.
Risolto questo inconveniente il circuito dovrebbe essere concluso.
Grazie.
- Allegati
-
- timer.jpg (34.83 KiB) Osservato 3394 volte
Chi c’è in linea
Visitano il forum: Nessuno e 147 ospiti

Elettrotecnica e non solo (admin)
Un gatto tra gli elettroni (IsidoroKZ)
Esperienza e simulazioni (g.schgor)
Moleskine di un idraulico (RenzoDF)
Il Blog di ElectroYou (webmaster)
Idee microcontrollate (TardoFreak)
PICcoli grandi PICMicro (Paolino)
Il blog elettrico di carloc (carloc)
DirtEYblooog (dirtydeeds)
Di tutto... un po' (jordan20)
AK47 (lillo)
Esperienze elettroniche (marco438)
Telecomunicazioni musicali (clavicordo)
Automazione ed Elettronica (gustavo)
Direttive per la sicurezza (ErnestoCappelletti)
EYnfo dall'Alaska (mir)
Apriamo il quadro! (attilio)
H7-25 (asdf)
Passione Elettrica (massimob)
Elettroni a spasso (guidob)
Bloguerra (guerra)


