Non ce n'è uno in particolare, sono simili, dovrebbero andare bene.
Hanno la VCEmax molto più bassa ma nel nostro circuito siamo nei limiti.
COMMUTAZIONE AUTOMATICA DI TENSIONE
Moderatori:
carloc,
g.schgor,
BrunoValente,
IsidoroKZ
0
voti
Bruno ma a me la VCE sembra uguale: per i 4N35 la BVCEO è di 70 V come nei CNY17. La Pdiss, invece, nei 4N35 è di 150 mW mente nei CNY17 è 70 mW. Salvo mio errore, i miei 4N35 sembrerebbero addirittura superiori.
Ma in quel punto del circuito possono esserci più di 50V?
Lo chiedo perché la VCE dei BC337 è di 45V. Infatti nel mio circuito (non come schema) utilizzo gli MPSA06 che hanno una VCE di 80V. Non ricordo chi mi ha detto di utilizzare i BC337 che comunque non ho utilizzato se non come schema teorico.
Ma in quel punto del circuito possono esserci più di 50V?
Lo chiedo perché la VCE dei BC337 è di 45V. Infatti nel mio circuito (non come schema) utilizzo gli MPSA06 che hanno una VCE di 80V. Non ricordo chi mi ha detto di utilizzare i BC337 che comunque non ho utilizzato se non come schema teorico.
-

gianniniivo
9.070 7 11 13 - No Rank
- Messaggi: 2875
- Iscritto il: 5 feb 2019, 23:50
0
voti
La massima tensione in gioco nel circuito di controllo è 24 V, quella dell'alimentatore ausiliario.
-

BrunoValente
39,6k 7 11 13 - G.Master EY

- Messaggi: 7796
- Iscritto il: 8 mag 2007, 14:48
0
voti
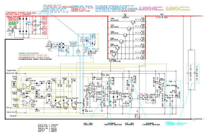
Pubblico lo schema dopo aver eliminato i caratteri anomali ed aver corretto il doppione della resistenza R100, ora divenuta R114 ed è colorata di verde. Spero di non aver saltato qualche modifica perché non potrei fare ulteriori correzioni e dovrei pubblicarne una nuova copia dello schema...
Inserire anche i ponticelli è troppo impegnativo e al momento preferisco evitare. Interverrò quando lo schema sarà ritenuto definitivo perché così vedo male i collegamenti.
Chiedo una cortesia: potresti cambiare il colore anche delle modifiche (chiedo scusa per il bisticcio) perché altrimenti non capisco dove intervieni.
Ho letto il tuo ultimo intervento: ho visto i datasheet allegati. Boh, non so più dove ho preso quei valori dato che ho chiuso la pagina, comunque per ora ho quelli poi arriveranno gli altri migliori e con il suffisso (F) ...
Inserire anche i ponticelli è troppo impegnativo e al momento preferisco evitare. Interverrò quando lo schema sarà ritenuto definitivo perché così vedo male i collegamenti.
Chiedo una cortesia: potresti cambiare il colore anche delle modifiche (chiedo scusa per il bisticcio) perché altrimenti non capisco dove intervieni.
Ho letto il tuo ultimo intervento: ho visto i datasheet allegati. Boh, non so più dove ho preso quei valori dato che ho chiuso la pagina, comunque per ora ho quelli poi arriveranno gli altri migliori e con il suffisso (F) ...
-

gianniniivo
9.070 7 11 13 - No Rank
- Messaggi: 2875
- Iscritto il: 5 feb 2019, 23:50
3
voti
Azz! Anche tu hai l'occhio fino!
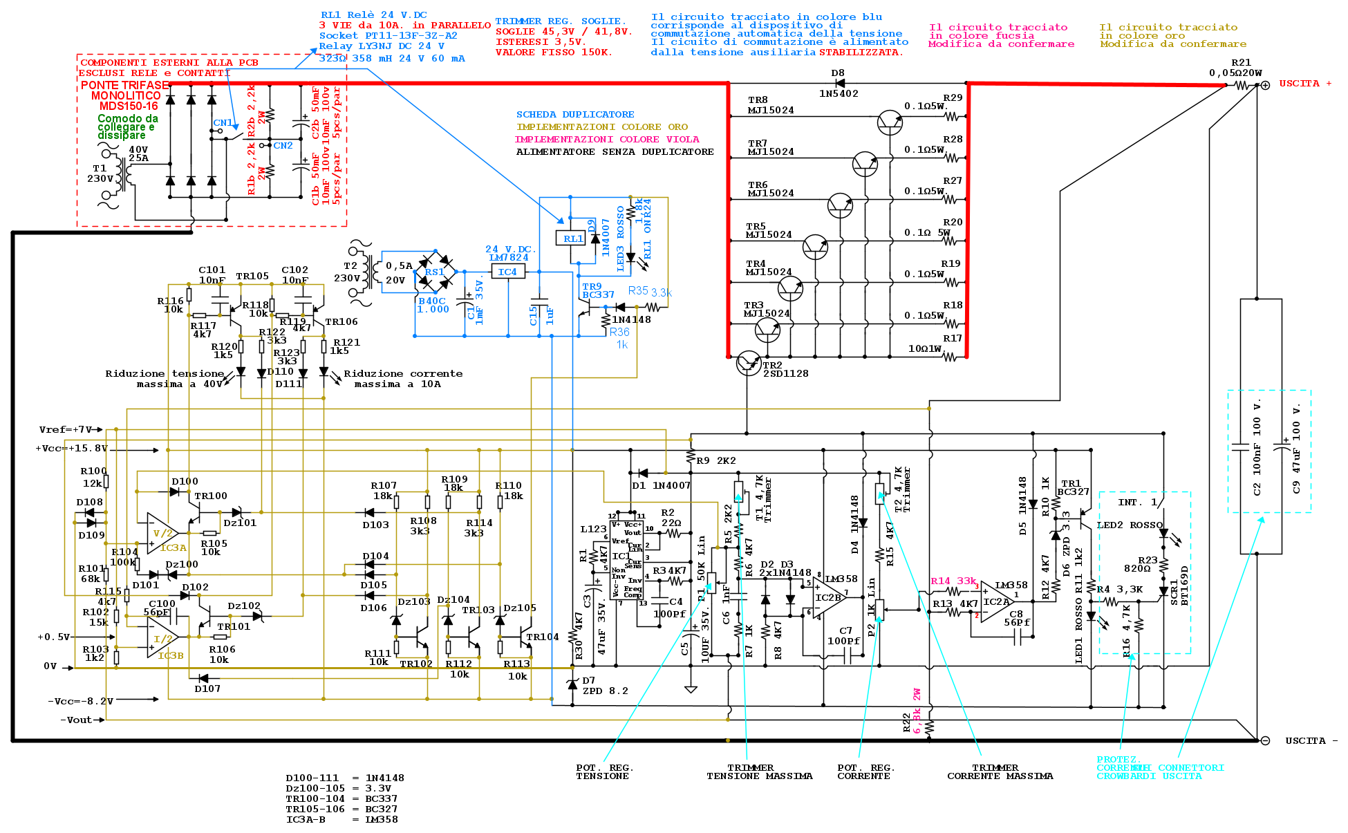
Le modifiche apportate sono tante, anche perché avrei trovato il modo per fare a meno dei fotoaccoppiatori.
Io direi di non tenere più conto della versione precedente che aveva alcune cosucce che non mi piacevano.
La versione riveduta è pronta, è qui di seguito, mi pare possa funzionare e che sia esente da errori
, comunque se dovessero emergere inesattezze le segnalerò e provvederò a modificarla.
Ho anche aggiunto due led, con i relativi transistor di comando, che servono a segnalare quando si attivano le riduzioni della tensione massima o della corrente massima.
Il circuito con l'eliminazione dei fotoaccoppiatori, anche se ora in più ci sono i led, mi pare si sia semplificato un pochino, sicuramente ora lo sbroglio è più facile.
Proverò, tempo permettendo, a spiegare come dovrebbe funzionare secondo le intenzioni.
Ivo se ritieni sia necessario mettere in evidenza cosa è cambiato rispetto alla versione precedente lo faccio ma sinceramente non ne vedo il motivo... dimmi tu.
Le modifiche apportate sono tante, anche perché avrei trovato il modo per fare a meno dei fotoaccoppiatori.
Io direi di non tenere più conto della versione precedente che aveva alcune cosucce che non mi piacevano.
La versione riveduta è pronta, è qui di seguito, mi pare possa funzionare e che sia esente da errori
Ho anche aggiunto due led, con i relativi transistor di comando, che servono a segnalare quando si attivano le riduzioni della tensione massima o della corrente massima.
Il circuito con l'eliminazione dei fotoaccoppiatori, anche se ora in più ci sono i led, mi pare si sia semplificato un pochino, sicuramente ora lo sbroglio è più facile.
Proverò, tempo permettendo, a spiegare come dovrebbe funzionare secondo le intenzioni.
Ivo se ritieni sia necessario mettere in evidenza cosa è cambiato rispetto alla versione precedente lo faccio ma sinceramente non ne vedo il motivo... dimmi tu.
-

BrunoValente
39,6k 7 11 13 - G.Master EY

- Messaggi: 7796
- Iscritto il: 8 mag 2007, 14:48
0
voti
Ristrutturato pesantemente ma interessante. Ma cosa dici? Lo provo o ci devi ancora lavorare?
No va bene anche così, non è il caso, si capisce benissimo...
No va bene anche così, non è il caso, si capisce benissimo...
-

gianniniivo
9.070 7 11 13 - No Rank
- Messaggi: 2875
- Iscritto il: 5 feb 2019, 23:50
3
voti
Per ora non vedo difetti ma non so cosa ci riserva il futuro, magari qualcuno segnala qualcosa o magari domani mi sveglio e mi accorgo di aver sbagliato tutto
, speriamo di no!
Consiglierei di aspettare qualche giorno.
Come vedi ho spostato alcuni collegamenti, quello che va da R13 a R21 ed altri: circuitalmente non cambia nulla ma cambia molto nel cablaggio.
In pratica ho messo in evidenza che quel collegamento va fatto proprio sul reoforo di R21, altrimenti se fosse fatto in prossimità degli emettitori, dove lo avevi messo tu, la regolazione di corrente risentirebbe della caduta di tensione sulla pista (o cavo) che collega R21 ai transistor e, siccome la corrente che passa lì è alta, l'effetto non sarebbe stato trascurabile, stessa cosa vale per il collegamento dei controlli al negativo di uscita e inoltre R21 deve essere montata a ridosso del morsetto di uscita (collegamento cortissimo).
Ultima cosa, controlla il valore di R11: 470ohm mi pare sia inadeguato, se fosse vero dissiperebbe inutilmente quasi 2W e, soprattutto, farebbe scorrere quasi 50mA nel led che non gradirebbe affatto.
Consiglierei di aspettare qualche giorno.
Come vedi ho spostato alcuni collegamenti, quello che va da R13 a R21 ed altri: circuitalmente non cambia nulla ma cambia molto nel cablaggio.
In pratica ho messo in evidenza che quel collegamento va fatto proprio sul reoforo di R21, altrimenti se fosse fatto in prossimità degli emettitori, dove lo avevi messo tu, la regolazione di corrente risentirebbe della caduta di tensione sulla pista (o cavo) che collega R21 ai transistor e, siccome la corrente che passa lì è alta, l'effetto non sarebbe stato trascurabile, stessa cosa vale per il collegamento dei controlli al negativo di uscita e inoltre R21 deve essere montata a ridosso del morsetto di uscita (collegamento cortissimo).
Ultima cosa, controlla il valore di R11: 470ohm mi pare sia inadeguato, se fosse vero dissiperebbe inutilmente quasi 2W e, soprattutto, farebbe scorrere quasi 50mA nel led che non gradirebbe affatto.
-

BrunoValente
39,6k 7 11 13 - G.Master EY

- Messaggi: 7796
- Iscritto il: 8 mag 2007, 14:48
0
voti
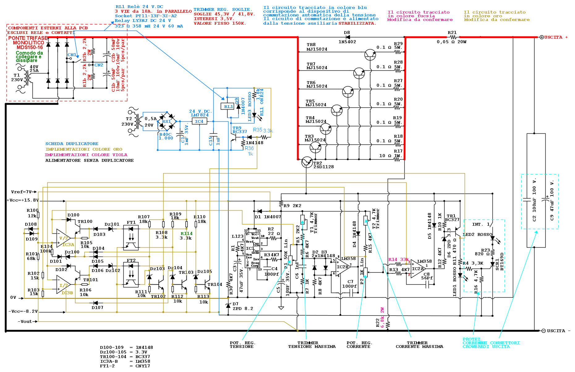
Va bene Bruno, meglio non avere fretta. Capita che rivedendo i circuiti a distanza di tempo s'individuino delle migliorie. La resistenza R11 non la posso controllare adesso perché non sono nel luogo dove faccio gli esperimenti ma credo che il valore indicato sullo schema non corrisponda al valore reale oppure manca un numerino, oppure ho dimenticato di correggerlo graficamente. Dopo pranzo vado a controllare e riferisco.
Recepiti i consigli per i collegamenti.
Grazie per la segnalazione.
Gran bel lavoro!!!
Recepiti i consigli per i collegamenti.
Grazie per la segnalazione.
Gran bel lavoro!!!

-

gianniniivo
9.070 7 11 13 - No Rank
- Messaggi: 2875
- Iscritto il: 5 feb 2019, 23:50
0
voti
Avevi ragione Bruno, la resistenza R11 è da 1,2k
-

gianniniivo
9.070 7 11 13 - No Rank
- Messaggi: 2875
- Iscritto il: 5 feb 2019, 23:50
Chi c’è in linea
Visitano il forum: Nessuno e 69 ospiti

Elettrotecnica e non solo (admin)
Un gatto tra gli elettroni (IsidoroKZ)
Esperienza e simulazioni (g.schgor)
Moleskine di un idraulico (RenzoDF)
Il Blog di ElectroYou (webmaster)
Idee microcontrollate (TardoFreak)
PICcoli grandi PICMicro (Paolino)
Il blog elettrico di carloc (carloc)
DirtEYblooog (dirtydeeds)
Di tutto... un po' (jordan20)
AK47 (lillo)
Esperienze elettroniche (marco438)
Telecomunicazioni musicali (clavicordo)
Automazione ed Elettronica (gustavo)
Direttive per la sicurezza (ErnestoCappelletti)
EYnfo dall'Alaska (mir)
Apriamo il quadro! (attilio)
H7-25 (asdf)
Passione Elettrica (massimob)
Elettroni a spasso (guidob)
Bloguerra (guerra)
