Ottimo lavoro Ivo!

così mi piaci

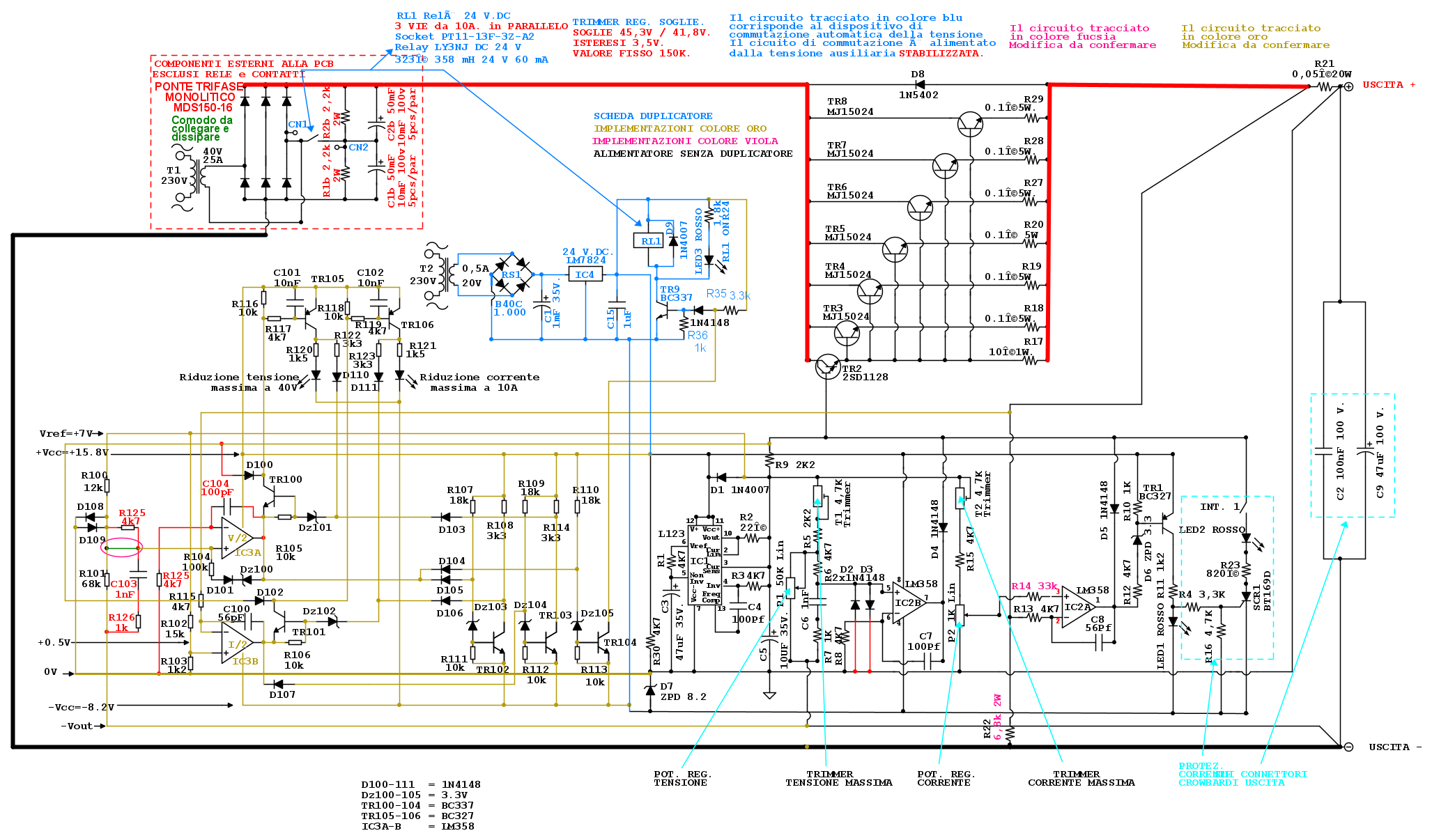
gianniniivo ha scritto:Alimentatore spento e potenziometro tensione a zero
Regolatore di corrente portato a ¾ (a spanne)
Carico 3,5 Ohm
Acceso alimentatore:
Aumentata tensione gradualmente ma questa non sale oltre i 39,35V.
La tensione non sale più anche portando a fondo corsa P1.
Il relè non scatta e la corrente è di 11,2 Ampere.
Il led di limitazione nativa non si è acceso.
A 39,35V si accende invece il nuovo led della tensione.
Togliendo il carico scatta il relè, la tensione sale a 54,3V e si spegne il nuovo led della tensione.
Arretrando con il potenziometro sotto i 40V va a riposo anche il relè e continuando ad arretrare il potenziometro, la tensione di uscita va a zero.
Tutto ok,
tranne il relè che si eccita togliendo il carico.
Pare non stia funzionando il circuito bistabile costruito intorno a TR100 e TR105:
controlla i collegamenti di R122 e D110 e il verso di D110gianniniivo ha scritto:TEST SULLE USCITE DEIGLI OPERAZIONALI:
Con tensione di uscita a +39,35V, carico da 3,5 Ohm e relè a riposo, l’uscita di IC3A è di +2,00V mentre l’uscita di IC3B è di -8,21V. Confermo che la prima misurazione è positiva e la seconda è negativa.
Ok: la corrente è superiore a 10A, quindi l'uscita di IC2B è nello stato basso, inoltre si è attivata la limitazione della tensione massima a 40V, quindi l'uscita di IC3A e nello stato intermedio.
gianniniivo ha scritto:Togliendo il carico, il relè scatta in ON, la tensione di uscita sale a +54,3V, l’uscita di IC3A è di -3,67V mentre l’uscita di IC3B è di +14,08V. In questo caso la prima misurazione è negativa e la seconda è positiva.
Le tensioni sono conformi con quello che succede le tensioni non sono conformi con quello che succede
ma e il relè non si sarebbe dovuto eccitare, a conferma del non funzionamento del bistabile come sopra ma probabilmente anche di altri errori di cablaggio: la tensione di uscita di IC3A di -3.67V da te rilevata è anomala, probabilmente hai eseguito male la misura e comunque, anche se quel valore fosse reale, il relè non dovrebbe eccitarsi. I casi sono due: o hai sbagliato a rilevare il valore che invece di -3.67V dovrebbe essere circa -8V, oppure il valore da te rilevato è corretto e c'è un errore nel cablaggio intorno a IC3A che al momento non saprei definire, dovresti controllare un po' tuttogianniniivo ha scritto:Se riapplico lo stesso carico senza toccare nient’altro, il relè resta a riposo, la tensione scende a 36,7V, la corrente va a 10,5 Ampere, si accende il nuovo led della corrente, la limitazione di corrente nativa non interviene, l’uscita di IC3A è di +14,10V mentre l’uscita di IC3B è di +1,91V. In questo caso la prima misurazione è positiva e la seconda è positiva.
Tutto ok
tranne che per il relè: secondo me, invece di scrivere "il relè resta a riposo", avresti dovuto scrivere "il relè si diseccita", visto che precedentemente era eccitato, confermi?
gianniniivo ha scritto:Dimenticavo di precisare che con tensione di uscita a zero volt, le uscite di IC3A e IC3B, hanno entrambe un'uscita di +14,13V, entrambe positive e i nuovi led restano spenti..
Ok, con tensione inferiore a 40V e corrente inferiore a 10A le due uscite devono essere nello stato alto.