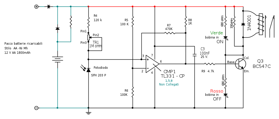
Quelle montate momentaneamente funzionano ma credo si possano migliorare i valoiri.
comunque sono:
i 2 led hanno valori diversi (dovrebbero essere circa da 1,8V +/-) non li ho ancora controllati quindi anche le resistenze non sono uguali, anche se variano di poco
led 1 verde = 1K
led 2 rosso = 820 oHm
resistenza in seri al rele = 330 oHm
ripeto facendo delle prove mi sino usciti bquesti valori ma sicuramente si possono migliorare
Crepuscolare con fotodiodo e operazionale
Moderatori:
carloc,
g.schgor,
BrunoValente,
IsidoroKZ
0
voti
Il problema è che il relè non rimanga attratto
quando il transistor va in interdizione:
se rilascia la scelta dei valori è OK.
Per fare dei calcoli occorrerebbe sapere
e caratteristiche esatte del relè
(resistenza e tensione minima di rilascio)
quando il transistor va in interdizione:
se rilascia la scelta dei valori è OK.
Per fare dei calcoli occorrerebbe sapere
e caratteristiche esatte del relè
(resistenza e tensione minima di rilascio)
0
voti
Rileggendo i dati come relè sembrerebbe piuttosto grossetto per il mio utilizzo, pultroppo questo avevo.
Ho cercato i dati ed ho trovato quessti , spero siano sufficenti.
[img] MT05-12VDC
MT05-12VDC
Technical/Catalog Information: MT05-12V
Tensione Bobina: 12Vdc
Tipo: Relè Miniatura Altezza 20mm
Montaggio: PCB
Isolamento: 5KV / 8mm
Capacità di Commutazione: 5A / 250V AC
Involucro: Sigillato
Basso assorbimento di bobina
Tipo applicazione: Applicazioni generali, Industria elettronica
2 POLI 5A MONOSTABILE
Schemi di Contatto C=2 Contatti di scambio / A=2 Normalmente Aperti
Materiale di Contatto AgCdO / AgSnO
Dati Nominali dei Contatti 5A 250V AC / 5A 30V DC
Tensione Commutabile 250V AC / 30V DC
Corrente Commutabile 8A
Potenza Commutabile 1.250VA / 240 W ( con carico resistivo)
Resistenza di Contatto <50mΩ Max a 6V DC 1A (AgCdO)
Vita Elettrica 1x105 ops a 5A/250V AC cosϕ 1 a 30ops / min
Vita Meccanica 1x 107 ops
Dati generali: *(V AC 50Hz)
Resistenza di Isolamento 100MΩ a 500V DC per 1 minuto
Tensione di tenuta tra contatti aperti * 1.000V AC per 1 minuto
Tensione di tenuta tra contatti e Bobina * 5.000V AC per 1 minuto
Tensione di tenuta tra contatti di differente polarità * 2.500V AC per 1 minuto
Tempo di intervento in ecc. (esclusi rimbalzi) < 20 ms
Tempo di intervento in disecc. (esclusi rimbalzi) < 10 ms
Temperatura di Lavoro - 30°C + 70°C
Resistenza Urti - Valore Max in funzionamento 10G
Resistenza Urti - Valore Limite di danneggiamento 100G
Resistenza alle Vibrazioni 10-55Hz, 1.5mm
Umidità 40-85%
Peso Approx Approx 14g
Tipo di Servizio Continuo
Approvazione U L 5A - 240V AC 5A - 30V DC
Approvazione T Ü V 5A - 250V AC 5A - 30V DC
Accessori: Zoccolo per relè MT05
[/img]
Ho cercato i dati ed ho trovato quessti , spero siano sufficenti.
[img] MT05-12VDC
MT05-12VDC
Technical/Catalog Information: MT05-12V
Tensione Bobina: 12Vdc
Tipo: Relè Miniatura Altezza 20mm
Montaggio: PCB
Isolamento: 5KV / 8mm
Capacità di Commutazione: 5A / 250V AC
Involucro: Sigillato
Basso assorbimento di bobina
Tipo applicazione: Applicazioni generali, Industria elettronica
2 POLI 5A MONOSTABILE
Schemi di Contatto C=2 Contatti di scambio / A=2 Normalmente Aperti
Materiale di Contatto AgCdO / AgSnO
Dati Nominali dei Contatti 5A 250V AC / 5A 30V DC
Tensione Commutabile 250V AC / 30V DC
Corrente Commutabile 8A
Potenza Commutabile 1.250VA / 240 W ( con carico resistivo)
Resistenza di Contatto <50mΩ Max a 6V DC 1A (AgCdO)
Vita Elettrica 1x105 ops a 5A/250V AC cosϕ 1 a 30ops / min
Vita Meccanica 1x 107 ops
Dati generali: *(V AC 50Hz)
Resistenza di Isolamento 100MΩ a 500V DC per 1 minuto
Tensione di tenuta tra contatti aperti * 1.000V AC per 1 minuto
Tensione di tenuta tra contatti e Bobina * 5.000V AC per 1 minuto
Tensione di tenuta tra contatti di differente polarità * 2.500V AC per 1 minuto
Tempo di intervento in ecc. (esclusi rimbalzi) < 20 ms
Tempo di intervento in disecc. (esclusi rimbalzi) < 10 ms
Temperatura di Lavoro - 30°C + 70°C
Resistenza Urti - Valore Max in funzionamento 10G
Resistenza Urti - Valore Limite di danneggiamento 100G
Resistenza alle Vibrazioni 10-55Hz, 1.5mm
Umidità 40-85%
Peso Approx Approx 14g
Tipo di Servizio Continuo
Approvazione U L 5A - 240V AC 5A - 30V DC
Approvazione T Ü V 5A - 250V AC 5A - 30V DC
Accessori: Zoccolo per relè MT05
[/img]
0
voti
Nei tanti dati mancano proprio quelli richiesti.
Se hai il relè si possono però misurare.
La resistenza della bobina è misurabile con un tester
e la tensione minima sotto la quale il relè rilascia
è ricavabile con un potenziometro in serie alla bobina stessa.
Se hai il relè si possono però misurare.
La resistenza della bobina è misurabile con un tester
e la tensione minima sotto la quale il relè rilascia
è ricavabile con un potenziometro in serie alla bobina stessa.
0
voti
Semplicemente con il tester come ohmmetro
si può misurare la resistenza della bobina,
poi con questa configurazione
si può misurare la tensione alla quale il relè rilascia
(apre i contatti).
si può misurare la resistenza della bobina,
poi con questa configurazione
si può misurare la tensione alla quale il relè rilascia
(apre i contatti).
0
voti
Ok mi sa dare un valore su che trimmer mettere? coi ci provo.
0
voti
Salve Giovanni,
ho provato prendere i valori spero nella maniera più corretta.
Valore Resistenza Della Bobina = 260 oHm
Ho Messo In Serie Al Relè Un Ttrimmer Da 1MoHm
Tensione Alla Quale Il Relè Rilacia La Levetta ( atacca e stacca ) il valore oscillando si aggira tra 6,30 / 6,50 volt.
ho provato prendere i valori spero nella maniera più corretta.
Valore Resistenza Della Bobina = 260 oHm
Ho Messo In Serie Al Relè Un Ttrimmer Da 1MoHm
Tensione Alla Quale Il Relè Rilacia La Levetta ( atacca e stacca ) il valore oscillando si aggira tra 6,30 / 6,50 volt.
0
voti
1Mohm è esagerato (pensavo 10K), comunque si può concludere che
la corrente minima per mantenere attratto il relè è dell'ordine di ca.20mA,
Ho simulato il circuito con MicìroCap e ho concluso che le resistenze
in serie ai LED possono essere ridotte entrambe a 680 Ohm.
Ecco i risultati:
Transistor in interdizione
Transistor in conduzione
Come si vede, col transistor in interdizione, nel relè (R4) passano meno di 7mA.
Nei LED passano rispettivamente 12mA (rosso) e 14mA (verde).
la corrente minima per mantenere attratto il relè è dell'ordine di ca.20mA,
Ho simulato il circuito con MicìroCap e ho concluso che le resistenze
in serie ai LED possono essere ridotte entrambe a 680 Ohm.
Ecco i risultati:
Transistor in interdizione
Transistor in conduzione
Come si vede, col transistor in interdizione, nel relè (R4) passano meno di 7mA.
Nei LED passano rispettivamente 12mA (rosso) e 14mA (verde).
0
voti
Ok, momentaneamente non arrivo ad avere il valore delle resistenze richieste me le procurerò, grazie per la simulazione interessante.
Ora per ultima cosa vorrei inserire un ultimo componente solo teorico per apprendere come funziona e come lo si applica al meglio. (Batteria a Tampone)
I dati come i componenti sono da aggiornare come si può fare?
Inserisco lo schema completo
Ora per ultima cosa vorrei inserire un ultimo componente solo teorico per apprendere come funziona e come lo si applica al meglio. (Batteria a Tampone)
I dati come i componenti sono da aggiornare come si può fare?
Inserisco lo schema completo
Chi c’è in linea
Visitano il forum: Nessuno e 116 ospiti

Elettrotecnica e non solo (admin)
Un gatto tra gli elettroni (IsidoroKZ)
Esperienza e simulazioni (g.schgor)
Moleskine di un idraulico (RenzoDF)
Il Blog di ElectroYou (webmaster)
Idee microcontrollate (TardoFreak)
PICcoli grandi PICMicro (Paolino)
Il blog elettrico di carloc (carloc)
DirtEYblooog (dirtydeeds)
Di tutto... un po' (jordan20)
AK47 (lillo)
Esperienze elettroniche (marco438)
Telecomunicazioni musicali (clavicordo)
Automazione ed Elettronica (gustavo)
Direttive per la sicurezza (ErnestoCappelletti)
EYnfo dall'Alaska (mir)
Apriamo il quadro! (attilio)
H7-25 (asdf)
Passione Elettrica (massimob)
Elettroni a spasso (guidob)
Bloguerra (guerra)





