
Strumenti indispensabili
Moderatori:
carloc,
g.schgor,
BrunoValente,
IsidoroKZ
0
voti

C. America: Sei grosso con l'armatura; senza quella cosa sei?
Tony Stark: Un genio, miliardario playboy filantropo
Sfodera un autocompiacimento da manuale... Concordo
Se i miei calcoli non sono errati, e non lo sono mai, 3 Giga Joule al secondo
Tony Stark: Un genio, miliardario playboy filantropo
Sfodera un autocompiacimento da manuale... Concordo
Se i miei calcoli non sono errati, e non lo sono mai, 3 Giga Joule al secondo
1
voti
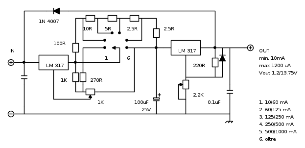
I valori da adottare nel tuo schema, dovrebbero essere quelli indicati nello schema:
Premesso infatti che
, R1 da 0.22 ohm fissa la corrente massima a 2A circa.
Il parallelo R2+R3, unito ad R1, fa si che la resistenza complessiva tra i pin 2 e 5, possa variare da un minimo di 0.22 ohm a circa 22 ohm; la corrente in uscita, di conseguenza, potra' variare dal massimo delle 2A al minimo possibile.
0.45 : 22.22 = 0.020 cioe' 20mA.
Naturalmente, i calcoli di cui sopra non tengono in considerazione le tolleranze dei componenti ne quelle insite nell'integrato: il current limit sense voltage, qui indicato in 0.45, puo' infatti variare da un minimo di 0.38 ad un massimo di 0.52 a seconda dell'integrato che useremo.

Premesso infatti che
, R1 da 0.22 ohm fissa la corrente massima a 2A circa.Il parallelo R2+R3, unito ad R1, fa si che la resistenza complessiva tra i pin 2 e 5, possa variare da un minimo di 0.22 ohm a circa 22 ohm; la corrente in uscita, di conseguenza, potra' variare dal massimo delle 2A al minimo possibile.
0.45 : 22.22 = 0.020 cioe' 20mA.
Naturalmente, i calcoli di cui sopra non tengono in considerazione le tolleranze dei componenti ne quelle insite nell'integrato: il current limit sense voltage, qui indicato in 0.45, puo' infatti variare da un minimo di 0.38 ad un massimo di 0.52 a seconda dell'integrato che useremo.

marco
0
voti
Grazie mille 
Ora passiamo ad un successivo grattacapo allora... gli amperometri.
visto che la corrente limite varia in modo continuo servirebbero degli amperometri per segnalarla...
Allora qui le strade percorribili a mio avviso si dividono in due:
1- si usano amperometri in grado di misurare in modo efficace da circa 20 mA a 2 A;
2- In caso non sia possibile utilizzare degli amperometri... a prezzi umani
, si usa l'ingegnoso modo precedentemente suggerito da
marco438, e cioè di mettere un selettore con alcune resistenze fisse con relativi valori limite di corrente.

Ora passiamo ad un successivo grattacapo allora... gli amperometri.
visto che la corrente limite varia in modo continuo servirebbero degli amperometri per segnalarla...
Allora qui le strade percorribili a mio avviso si dividono in due:
1- si usano amperometri in grado di misurare in modo efficace da circa 20 mA a 2 A;
2- In caso non sia possibile utilizzare degli amperometri... a prezzi umani
C. America: Sei grosso con l'armatura; senza quella cosa sei?
Tony Stark: Un genio, miliardario playboy filantropo
Sfodera un autocompiacimento da manuale... Concordo
Se i miei calcoli non sono errati, e non lo sono mai, 3 Giga Joule al secondo
Tony Stark: Un genio, miliardario playboy filantropo
Sfodera un autocompiacimento da manuale... Concordo
Se i miei calcoli non sono errati, e non lo sono mai, 3 Giga Joule al secondo
0
voti
L'amperometro, collegato come lo hai mostrato nello schema, indica la corrente erogata solo quando in uscita sia collegato un carico.
Non puo' indicarti a priori quale sara' la corrente massima impostata ed erogata. ( e lo avevo gia' detto!)
Per questo avevo suggerito la soluzione con resistenze fisse e commutatore.
Sapendo infatti il valore della resistenza inserita con il commutatore, sapremo anche quanto l'alimentatore sara' in grado di erogare in corrente (senza l'applicazione del carico).

Non puo' indicarti a priori quale sara' la corrente massima impostata ed erogata. ( e lo avevo gia' detto!)
Per questo avevo suggerito la soluzione con resistenze fisse e commutatore.
Sapendo infatti il valore della resistenza inserita con il commutatore, sapremo anche quanto l'alimentatore sara' in grado di erogare in corrente (senza l'applicazione del carico).

marco
0
voti
Ho cercato, ma non ho trovato...
la mia cantina comincia a sembrare una specie di discarica infinita.
PS domanda scema, come disegnare il selettore delle varie resistenze con Fidocad?
la mia cantina comincia a sembrare una specie di discarica infinita.
PS domanda scema, come disegnare il selettore delle varie resistenze con Fidocad?
C. America: Sei grosso con l'armatura; senza quella cosa sei?
Tony Stark: Un genio, miliardario playboy filantropo
Sfodera un autocompiacimento da manuale... Concordo
Se i miei calcoli non sono errati, e non lo sono mai, 3 Giga Joule al secondo
Tony Stark: Un genio, miliardario playboy filantropo
Sfodera un autocompiacimento da manuale... Concordo
Se i miei calcoli non sono errati, e non lo sono mai, 3 Giga Joule al secondo
2
voti
marco
0
voti
Con l' alimentatore da laboratorio, quando devo impostare la corrente massima, metto la regolazione di corrente a 0, tensione a 0, cortocircuito l' uscita, alzo un po' la tensione e mi regolo la corrente.
Poi alimento il circuito.
Poi alimento il circuito.
"La follia sta nel fare sempre la stessa cosa aspettandosi risultati diversi".
"Parla soltanto quando sei sicuro che quello che dirai è più bello del silenzio".
Rispondere è cortesia, ma lasciare l'ultima parola ai cretini è arte.
"Parla soltanto quando sei sicuro che quello che dirai è più bello del silenzio".
Rispondere è cortesia, ma lasciare l'ultima parola ai cretini è arte.
-

TardoFreak
73,9k 8 12 13 - -EY Legend-

- Messaggi: 15754
- Iscritto il: 16 dic 2009, 11:10
- Località: Torino - 3° pianeta del Sistema Solare
0
voti
Vediamo se ho capito bene la procedura...
Cortocircuiti, dai una schifovolt all'uscita e regoli la corrente. Ma non si scalda a bestia il filo?
Questo poi ci riporta al problema 1... gli amperometri dovrebbero misurare in maniera efficace i mA come gli A...
Cortocircuiti, dai una schifovolt all'uscita e regoli la corrente. Ma non si scalda a bestia il filo?
Questo poi ci riporta al problema 1... gli amperometri dovrebbero misurare in maniera efficace i mA come gli A...
C. America: Sei grosso con l'armatura; senza quella cosa sei?
Tony Stark: Un genio, miliardario playboy filantropo
Sfodera un autocompiacimento da manuale... Concordo
Se i miei calcoli non sono errati, e non lo sono mai, 3 Giga Joule al secondo
Tony Stark: Un genio, miliardario playboy filantropo
Sfodera un autocompiacimento da manuale... Concordo
Se i miei calcoli non sono errati, e non lo sono mai, 3 Giga Joule al secondo
0
voti
TONYSTARK ha scritto:Questo poi ci riporta al problema 1... gli amperometri dovrebbero misurare in maniera efficace i mA come gli A...
Non capisco cosa vuoi dire; spiegati meglio.
marco
Chi c’è in linea
Visitano il forum: Nessuno e 62 ospiti

Elettrotecnica e non solo (admin)
Un gatto tra gli elettroni (IsidoroKZ)
Esperienza e simulazioni (g.schgor)
Moleskine di un idraulico (RenzoDF)
Il Blog di ElectroYou (webmaster)
Idee microcontrollate (TardoFreak)
PICcoli grandi PICMicro (Paolino)
Il blog elettrico di carloc (carloc)
DirtEYblooog (dirtydeeds)
Di tutto... un po' (jordan20)
AK47 (lillo)
Esperienze elettroniche (marco438)
Telecomunicazioni musicali (clavicordo)
Automazione ed Elettronica (gustavo)
Direttive per la sicurezza (ErnestoCappelletti)
EYnfo dall'Alaska (mir)
Apriamo il quadro! (attilio)
H7-25 (asdf)
Passione Elettrica (massimob)
Elettroni a spasso (guidob)
Bloguerra (guerra)



