MM.. allora , guarda qui , ho fatto un video di example di quello che sn riuscito a fare ieri sera :
La scheda quindi fa un echi di tutto quello che riceve dal PC , sull ' UART, cioè verso il micro.
Se i caratteri che mando sono quelli giusti ( nel video 'v' 'b' e 's' ) , il micro accende o spegne i led.
Quindi funziona, la comunicazione funziona perfettamente.
Ora , il passo successivo è quindi quello di riuscire a far comunicare due schede.
Ho quindi bisogno di due micro.
Però forse potrei, come hai detto tu, utilizzare le uscite del modulo.
Credo ci siano dei comandi che, quando vengono ricevuti dalla scheda, cambiano lo stato del piedino corrispondente.
Mi chiedo però , in questo modo , come faccio ad avere un feedback ? cioè se l'uscita è veramente cambiata e quindi la luce si è davvero accesa ? Probabilmente forse , per questo ho bisogno di un micro.
Micro in Wireless
Moderatori:
carloc,
g.schgor,
BrunoValente,
IsidoroKZ
1
voti
lo stato dei PIO è disponibile via comandi tipo G& - se la luce si è accesa o è guasta è un altro discorso
bho ti allontani sempre da quello che dico - per cui fa come vuoi
riuscire a far comunicare due schede.
bho ti allontani sempre da quello che dico - per cui fa come vuoi
0
voti
phylum ha scritto:bho ti allontani sempre da quello che dico - per cui fa come vuoi
In che senso mi allontano ?
Stiamo dicendo la stessa cosa.
In questo schema
viewtopic.php?f=1&t=40143&start=30#p355235 , ci sono più schedine, no ?
Abbiamo stabilito che una deve essere il master, gli altri devono essere configurati come slave.
Tralasciando un attimo la parte web, di pagine php eccetera.. i Comandi vengono impartiti dal PC tramite il mio software , il micro li riceve (UART), li elabora, e invia i comandi al modulo bluetooth (master), che provvederà ad inoltrarli alle altre schede.
Devo quindi riuscire a stabilire una comunicazione tra almeno due schede , no ?
Forse ho capito o mi sono espresso male, ma è così che intendevo io.
È diverso da quello di cui parlavi tu ?
Visita il mio sito : http://www.raffotech.altervista.org
1
voti
Comandi vengono impartiti dal PC tramite il mio software , il micro li riceve (UART), li elabora, e invia i comandi al modulo bluetooth (master)
è questa la parte che si allontana ;)
io ho previsto che il PC/rb/hb/iphone non abbia contatti fisici con le schedine - ci arriva via BT al fine di poter trasformare qualsiasi cosa in telecomando
e che le schedine abbiano contatti fisici solo con gli apparecchi controllati e al piu' con un micro (per una maggiore sicurezza/controllo)
0
voti
Ahhhhh ho capito !
Si , ci stavo pensando pure io.
Però io il software su PC ora l'ho scritto mandando i dati tramite seriale.
poiché tutto quanto quanto il software vorrei alla fine portarlo direttamente su un qualche micro (raspberry o altro ) , è inutile stare a sbattermi per capire come gestire il bluetooth da Java.
Preferisco per ora inviare i dati tramite seriale , il micro li riceve e li inoltra (sempre tramite UART ) al modulo MASTER.
Da lui, tramite bluetooth , vengono informati tutti gli slave.
Lasciamo pure questo collegamento tra PC e MASTER, non è un problema.
L'importante è aver tolto il collegamento fisico tra PC e ATTUATORI.
Tra l'altro, facendo come dicevi tu, non avrei dovuto utilizzare un modulo BT in più ?
Cioè : se un modulo riceve i dati da PC tramite BT , e li invia al micro, poi ci dovrebbe essere un altro modulo che li inoltra ai vari Slave. Non potrebbe fare tutto un unico modulo , credo, perché come gestirebbe eventuali sovrapposizioni ?
Si , ci stavo pensando pure io.
Però io il software su PC ora l'ho scritto mandando i dati tramite seriale.
poiché tutto quanto quanto il software vorrei alla fine portarlo direttamente su un qualche micro (raspberry o altro ) , è inutile stare a sbattermi per capire come gestire il bluetooth da Java.
Preferisco per ora inviare i dati tramite seriale , il micro li riceve e li inoltra (sempre tramite UART ) al modulo MASTER.
Da lui, tramite bluetooth , vengono informati tutti gli slave.
Lasciamo pure questo collegamento tra PC e MASTER, non è un problema.
L'importante è aver tolto il collegamento fisico tra PC e ATTUATORI.
Tra l'altro, facendo come dicevi tu, non avrei dovuto utilizzare un modulo BT in più ?
Cioè : se un modulo riceve i dati da PC tramite BT , e li invia al micro, poi ci dovrebbe essere un altro modulo che li inoltra ai vari Slave. Non potrebbe fare tutto un unico modulo , credo, perché come gestirebbe eventuali sovrapposizioni ?
Visita il mio sito : http://www.raffotech.altervista.org
0
voti
Si ma dovrei modificare tutto il software sul PC e capire come gestire il BT del PC da JAVA.
Ma forse ho capito cosa intendi tu :
dici di utilizzare il BT del PC come Master , per gestire tutte le altre schede ?
Io però vorrei evitare di fare 4 mila abbinamenti e connessioni dal PC.
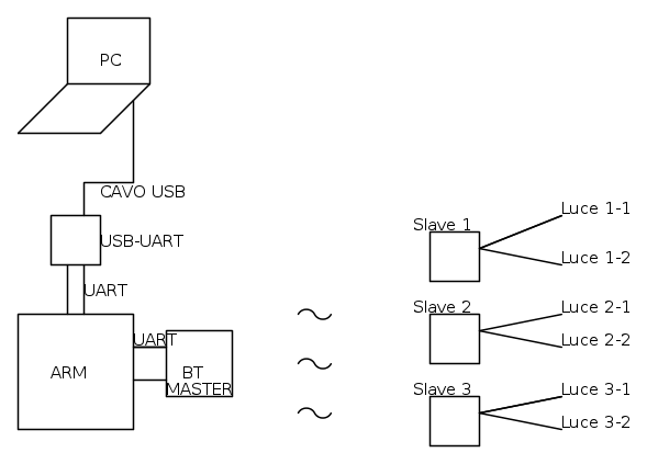
Vorrei avere un sistema in cui ho un modulo BT MASTER collegato al mio ARM, ed un cavo USB tramite cui il PC ( su cui gira il mio software) informa l'ARM sul da farsi.
Starà poi all'ARM , e quindi al suo modulo BT collegato, ad informare e gestire tutti gli SLAVE.
In questo modo sono molto più scollegato dal PC.
L'unica cosa che mi lega al computer è il fatto che ,per ora, il software gira solo su PC.
Mi rendo conto che forse è un po' difficile da spiegare, mo vedo di fare un piccolo disegno :)
Ma forse ho capito cosa intendi tu :
dici di utilizzare il BT del PC come Master , per gestire tutte le altre schede ?
Io però vorrei evitare di fare 4 mila abbinamenti e connessioni dal PC.
Vorrei avere un sistema in cui ho un modulo BT MASTER collegato al mio ARM, ed un cavo USB tramite cui il PC ( su cui gira il mio software) informa l'ARM sul da farsi.
Starà poi all'ARM , e quindi al suo modulo BT collegato, ad informare e gestire tutti gli SLAVE.
In questo modo sono molto più scollegato dal PC.
L'unica cosa che mi lega al computer è il fatto che ,per ora, il software gira solo su PC.
Mi rendo conto che forse è un po' difficile da spiegare, mo vedo di fare un piccolo disegno :)
Visita il mio sito : http://www.raffotech.altervista.org
0
voti
Insomma, non è che abbia capito, le cose le scopro pian piano , grazie sia alle prove , sia a te !
Ho fatto il disegno , così magari è più chiaro :
Ho fatto il disegno , così magari è più chiaro :
Visita il mio sito : http://www.raffotech.altervista.org
Chi c’è in linea
Visitano il forum: Nessuno e 148 ospiti

Elettrotecnica e non solo (admin)
Un gatto tra gli elettroni (IsidoroKZ)
Esperienza e simulazioni (g.schgor)
Moleskine di un idraulico (RenzoDF)
Il Blog di ElectroYou (webmaster)
Idee microcontrollate (TardoFreak)
PICcoli grandi PICMicro (Paolino)
Il blog elettrico di carloc (carloc)
DirtEYblooog (dirtydeeds)
Di tutto... un po' (jordan20)
AK47 (lillo)
Esperienze elettroniche (marco438)
Telecomunicazioni musicali (clavicordo)
Automazione ed Elettronica (gustavo)
Direttive per la sicurezza (ErnestoCappelletti)
EYnfo dall'Alaska (mir)
Apriamo il quadro! (attilio)
H7-25 (asdf)
Passione Elettrica (massimob)
Elettroni a spasso (guidob)
Bloguerra (guerra)




