Lancillotto ha scritto:Poi c'è sempre la vecchia spia al neon, non dimentichiamocela.![]()
Con quelle ci facevo gli oscillatori a rilassamento, con la spia che lampeggiava
Bei tempi, con 1 ponte, una resistenza, un condensatore e la spia al neon...
Moderatori:
carloc,
g.schgor,
BrunoValente,
IsidoroKZ
Lancillotto ha scritto:Poi c'è sempre la vecchia spia al neon, non dimentichiamocela.![]()


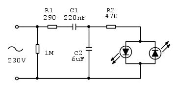
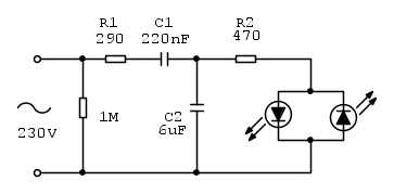
SediciAmpere ha scritto:..Invece non metterei il condensatore in parallelo al led, perché se per qualche motivo il led si interrompesse, il condensatore si caricherebbe con la tensione di rete


BrunoValente ha scritto:Non mi pare si caricherebbe alla tensione di rete se si interrompesse il led, se non sbaglio, ipotizzando che uno dei due diodi rimanesse collegato, si caricherebbe ad un valore di tensione che dipenderebbe dal rapporto di quelli dei due condensatori, quindi molto più basso perché, per motivi vari, conviene che quel rapporto non sia basso.




PietroBaima ha scritto:A propos, Bruno, tu sai come si comporta un LED quando defunge?









Visitano il forum: Nessuno e 85 ospiti