Mi sto confondendo.
Mi hai detto che il collettore (quindi dove ho collegato la resistenza) è l'uscita del transistor.
L'uscita del transistor, va collegata alla GPIO della rasp.
Ho studiato qualcosa, sono agli inizi ahimè
Resistenza e diodo Zener
Moderatori:
carloc,
g.schgor,
BrunoValente,
IsidoroKZ
0
voti
1
voti
angel99 ha scritto:Basterà inserire una resistenza di opportuno valore tra i 3.3 V e il piedino del Pi
Non tra il collettore e il pin del Pi.
Poi, dopo questo collegamento
angel99 ha scritto:collegare lo stesso piedino (il pin del Pi n.d.r.) al collettore del transistor.
[OT] Vado a cena e a guardare le prove... a dopo.[/OT]
0
voti
1
voti
Scusate se mi faccio risentire interrompendovi un attimo... un pizzico OT.
adiemme, ti consiglio di rispondere in modo piu' completo e sincero. Nessuno ti prenderà in giro se sei al primo anno delle superiori, o se sei laureato in medicina, ... e non sai cosa sia un BJT. Credo anzi sia tuo interessa far capire il tuo livello per riceve aiuti concreti in linea con la tua preparazione.
Sto notando che
angel99 stà pazientemente cercando di farti disegnare uno schema, ma sta' anche dando forse troppo ottimisticamente per scontato che tu abbia gia' visto in passato questo genere di cose. Magari invece sei molto piu' indietro con gli studi (per colpa di nessuno) E quindi queste pretese potrebbero essere mal poste.
Probabilmente non siete sulla stessa lunghezza d'onda, e con questi presupposti, il thread, secondo me, andra' molto per le lunghe: siamo oltre il post [70] e vedo un transistor ed una resistenza messa male.
Apprezzo la buona volontà di tutti, ma non sono felice nel vedere tanta pazienza sprecata, e anche della mortificazione all'orizzonte.
Condisco infine costruttivamente il thread con giusto un paio di link:
http://www.electroyou.it/vis_resource.php?section=RP&id=96
http://it.wikipedia.org/wiki/Transistor_a_emettitore_comune
adiemme ha scritto:Ho studiato qualcosa, sono agli inizi ahimè
Sto notando che
Probabilmente non siete sulla stessa lunghezza d'onda, e con questi presupposti, il thread, secondo me, andra' molto per le lunghe: siamo oltre il post [70] e vedo un transistor ed una resistenza messa male.
Apprezzo la buona volontà di tutti, ma non sono felice nel vedere tanta pazienza sprecata, e anche della mortificazione all'orizzonte.
Condisco infine costruttivamente il thread con giusto un paio di link:
http://www.electroyou.it/vis_resource.php?section=RP&id=96
http://it.wikipedia.org/wiki/Transistor_a_emettitore_comune
1
voti
Non sei OT Russel, purtroppo è la situazione nella quale ci troviamo.
adiemme, non avercela con me (noi), ma purtroppo non hai le conoscenze per poter affrontare neppure il più piccolo circuito. Non c'è nulla di male in questo, come fai a sentirti una schiappa se non hai mai studiato nulla di elettronica? L'elettronica non è parte del DNA, va studiata per anni. Ciò che devi fare è cominciare dall'inizio, ma dall'inizio-inizio. Saltare le tappe qui non funziona mai. Sarebbe come se ti iscrivessi alla maratona di NY senza prima aver fatto le marce della sagra del paese dove vivi. Sarebbe sono uno spreco di denaro e una più o meno cocente delusione.
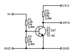
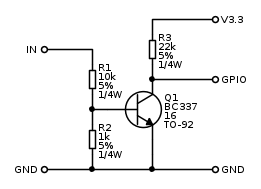
Veniamo al circuito. Te lo faccio io lo schema con i valori. Non te lo descrivo perché non saresti in grado di comprendere il processo di calcolo seguito. Guarda che l'elettronica è una materia organica, delineata da un importante contenuto nozionistico. Non puoi affrontarla con la formuletta per lo zener + la formuletta per il transistor e così via. Non si arriva da nessuna parte in questo modo. Credimi (ci), tutti qui ti confermeranno la stessa cosa.
Ecco lo schema
I terminali di destra vanno sul connettore GPIO del Pi, i due di sinistra sono quelli dove ci devi applicare i 12 V. I componenti sono stati scelti per avere un circuito robusto dato che sarà usato in auto. Se non li trovi ne parliamo. Ricordati che devi avere una routine di antirimbalzo nel tuo software e che la logica del segnale è invertita.

adiemme, non avercela con me (noi), ma purtroppo non hai le conoscenze per poter affrontare neppure il più piccolo circuito. Non c'è nulla di male in questo, come fai a sentirti una schiappa se non hai mai studiato nulla di elettronica? L'elettronica non è parte del DNA, va studiata per anni. Ciò che devi fare è cominciare dall'inizio, ma dall'inizio-inizio. Saltare le tappe qui non funziona mai. Sarebbe come se ti iscrivessi alla maratona di NY senza prima aver fatto le marce della sagra del paese dove vivi. Sarebbe sono uno spreco di denaro e una più o meno cocente delusione.
Veniamo al circuito. Te lo faccio io lo schema con i valori. Non te lo descrivo perché non saresti in grado di comprendere il processo di calcolo seguito. Guarda che l'elettronica è una materia organica, delineata da un importante contenuto nozionistico. Non puoi affrontarla con la formuletta per lo zener + la formuletta per il transistor e così via. Non si arriva da nessuna parte in questo modo. Credimi (ci), tutti qui ti confermeranno la stessa cosa.
Ecco lo schema
I terminali di destra vanno sul connettore GPIO del Pi, i due di sinistra sono quelli dove ci devi applicare i 12 V. I componenti sono stati scelti per avere un circuito robusto dato che sarà usato in auto. Se non li trovi ne parliamo. Ricordati che devi avere una routine di antirimbalzo nel tuo software e che la logica del segnale è invertita.

0
voti
angel99 ha scritto:Ricordati che devi avere una routine di antirimbalzo nel tuo software e che la logica del segnale è invertita.
A tal proposito forse aggiungere una squadra RC (passabasso) tra il partitore e la base del transistor potrebbe essere di aiuto
0
voti
Russell ha scritto:A tal proposito forse aggiungere una squadra RC (passabasso) tra il partitore e la base del transistor potrebbe essere di aiuto
Non è stato fatto di proposito, per rendere il circuito più semplice per l'OP. Avrà sicuramente meno problemi nello scrivere qualche riga di codice che nel costruire un circuito più complesso. Oltre a questo, le costanti di tempo necessarie per la funzione specifica sono grandi e sarebbe necessario utilizzare condensatori elettrolitici. Meglio il software.
Russell ha scritto:una squadra RC
Mai sentita questa locuzione, da dove viene?
1
voti
Inutile dire che avete ragione. Avevo sottovalutato di gran lunga la complessità del suddetto. A teoria più o meno qualcosa la so. Ma come vi ho detto prima ho bisogno di libri, consigli su quale approccio adoperare per imparare BENE il tutto.
Quando si è parlato di zenEr e resistenza sembrava relativamente "facile".
Comunque grazie a angel99 e a tutti coloro che hanno commentato che nonostante il mio bassisimo livello mi hanno comunque aiutato.
L'obiettivo è quello di imparare. Teoria e pratica, anche perché senza una, l'altra non può esserci.
Consigli?
Edit: Angel se potessi postare la teoria inerente al circuito (o anche i semplici riferimenti) te ne sarei molto grato
Quando si è parlato di zenEr e resistenza sembrava relativamente "facile".
Comunque grazie a angel99 e a tutti coloro che hanno commentato che nonostante il mio bassisimo livello mi hanno comunque aiutato.
L'obiettivo è quello di imparare. Teoria e pratica, anche perché senza una, l'altra non può esserci.
Consigli?
Edit: Angel se potessi postare la teoria inerente al circuito (o anche i semplici riferimenti) te ne sarei molto grato
0
voti
angel99 ha scritto:le costanti di tempo necessarie per la funzione specifica sono grandi e sarebbe necessario utilizzare condensatori elettrolitici.
si, ma tanto una basettina millefori sarà probabilmente comunque da usare, un componente in piu' o in meno cambia poco.
per un RC=0.3sec (ad es) basta una R da 30K e C da 10uF... aiutino fattibilissimo
poi dopo un po' di codice ulteriore non guasterebbe.
angel99 ha scritto:Mai sentita questa locuzione, da dove viene?
In effetti su internet non trovo tanti riscontri, pensavo si usasse abbastanza.
Non so' da dove l'ho assimitata ... probabilmente qualche prof ai tempi dell'università... ma non ricordo assolutamente.
Ricordo solo che il termine deriva dal famoso strumento da disegno (http://it.wikipedia.org/wiki/Squadra_%28strumento%29), tirato in causa semplicemente perche la disposizione dei componenti R e C lo richiama.
Chi c’è in linea
Visitano il forum: Nessuno e 99 ospiti

Elettrotecnica e non solo (admin)
Un gatto tra gli elettroni (IsidoroKZ)
Esperienza e simulazioni (g.schgor)
Moleskine di un idraulico (RenzoDF)
Il Blog di ElectroYou (webmaster)
Idee microcontrollate (TardoFreak)
PICcoli grandi PICMicro (Paolino)
Il blog elettrico di carloc (carloc)
DirtEYblooog (dirtydeeds)
Di tutto... un po' (jordan20)
AK47 (lillo)
Esperienze elettroniche (marco438)
Telecomunicazioni musicali (clavicordo)
Automazione ed Elettronica (gustavo)
Direttive per la sicurezza (ErnestoCappelletti)
EYnfo dall'Alaska (mir)
Apriamo il quadro! (attilio)
H7-25 (asdf)
Passione Elettrica (massimob)
Elettroni a spasso (guidob)
Bloguerra (guerra)





