Prendere qualcosa gia' fatto e di qualita' discutibile, come quello postato, potrebbe in parte risolvere il tuo problema attuale ma non credo possa soddisfare buona parte delle esigenze future.
Se poi vuoi imparare qualcosa, non e' quella la strada da seguire.
Cimentarsi nell'autocostruzione puo' sembrare le prime volte ostico ma, una volta presa la mano e sapendo usare il saldatore, diviene non dico facile ma alla portata di molti.
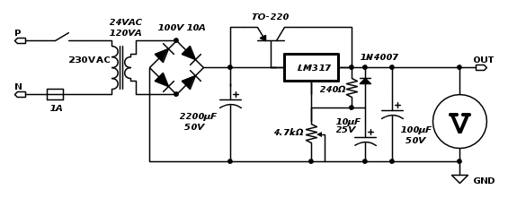
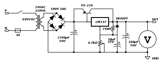
Per farti un esempio pratico, oggi pomeriggio ho montato e collaudato in non piu' di mezz'ora l'alimentatore in foto (l'ho fatto su richiesta di un amico):
Questo potrebbe soddisfare le caratteristiche di cui abbiamo parlato in precedenza; non monta il LM338 ma un LM317 sostenuto da un BJT TIP36C.
Il range di tensioni potrebbe andare da 1.2 a 30V e, nelle migliori condizioni di utilizzo, puo' erogare anche 5A.
Manca il ponte raddrizzatore, il trasformatore e il dissipatore per il transistor di potenza.
Pensaci e prendi l'occasione per fare un po' di pratica...senza comprare dai cinesi.

Elettrotecnica e non solo (admin)
Un gatto tra gli elettroni (IsidoroKZ)
Esperienza e simulazioni (g.schgor)
Moleskine di un idraulico (RenzoDF)
Il Blog di ElectroYou (webmaster)
Idee microcontrollate (TardoFreak)
PICcoli grandi PICMicro (Paolino)
Il blog elettrico di carloc (carloc)
DirtEYblooog (dirtydeeds)
Di tutto... un po' (jordan20)
AK47 (lillo)
Esperienze elettroniche (marco438)
Telecomunicazioni musicali (clavicordo)
Automazione ed Elettronica (gustavo)
Direttive per la sicurezza (ErnestoCappelletti)
EYnfo dall'Alaska (mir)
Apriamo il quadro! (attilio)
H7-25 (asdf)
Passione Elettrica (massimob)
Elettroni a spasso (guidob)
Bloguerra (guerra)





