certo, ma il valore precedente era 1uF non 0.1uF.
Credo abbia fatto qualche casino intorno a TR100 saldando il condensatore da 10uF, si comporta come se l'uscita di IC3A non sia più in grado di andare bassa
COMMUTAZIONE AUTOMATICA DI TENSIONE
Moderatori:
carloc,
g.schgor,
BrunoValente,
IsidoroKZ
0
voti
Ma volevo provare 0,1uF perché con 1uF il relè rimaneva eccitato solo per 2/3 secondi mentre diminuendo la capacità potrebbe eliminarsi l'anomalia...
-

gianniniivo
9.070 7 11 13 - No Rank
- Messaggi: 2875
- Iscritto il: 5 feb 2019, 23:50
0
voti
Fai come vuoi, l'importante è verificare se torna a funzionare... sinceramente ho dei dubbi
-

BrunoValente
39,6k 7 11 13 - G.Master EY

- Messaggi: 7797
- Iscritto il: 8 mag 2007, 14:48
0
voti
E no. Invece funziona meglio con 0,1uF. Funziona tutto come previsto dalla tua procedura, il relè non si eccita con l'eliminazione del carico ma si accende solo il led in parallelo. Il nuovo led della corrente non si accende più e il nuovo led della tensione si accende e si spegne come da tua procedura.
Adesso qui da me è pronta la cena. devo chiudere altrimenti mi picchiano. Torno appena posso. Grazie.
Adesso qui da me è pronta la cena. devo chiudere altrimenti mi picchiano. Torno appena posso. Grazie.
-

gianniniivo
9.070 7 11 13 - No Rank
- Messaggi: 2875
- Iscritto il: 5 feb 2019, 23:50
0
voti
Non cantare vittoria, a te pare che stia funzionando a me no: il circuito si deve comportare come previsto, se non lo fa vuol dire che sta funzionando solo apparentemente... cioè NON sta funzionando.
E questo è il peggior tipo di cattivo funzionamento che si possa immaginare, credimi.
E questo è il peggior tipo di cattivo funzionamento che si possa immaginare, credimi.
-

BrunoValente
39,6k 7 11 13 - G.Master EY

- Messaggi: 7797
- Iscritto il: 8 mag 2007, 14:48
0
voti
gianniniivo ha scritto:il relè non si eccita con l'eliminazione del carico ma si accende solo il led in parallelo
Ma questa che significa? Si accende il led in parallelo al relè ma il relè non si eccita?

-

BrunoValente
39,6k 7 11 13 - G.Master EY

- Messaggi: 7797
- Iscritto il: 8 mag 2007, 14:48
0
voti
Non so più cosa dire Bruno. In effetti togliendo il carico, il relè si eccita ancora per qualche secondo poi si diseccita da solo. Il resto della procedura però viene eseguita regolarmente...
-

gianniniivo
9.070 7 11 13 - No Rank
- Messaggi: 2875
- Iscritto il: 5 feb 2019, 23:50
0
voti
Ma in ogni caso se si eccita il relè deve anche accendersi il led in parallelo e viceversa, diversamente è impossibile.
Può solo capitare che, se l'accensione de relè dura pochissimo, il led si accenda per un attimo e che invece il relè, che è più lento del led, non faccia in tempo a spostare il contatto.
Può solo capitare che, se l'accensione de relè dura pochissimo, il led si accenda per un attimo e che invece il relè, che è più lento del led, non faccia in tempo a spostare il contatto.
-

BrunoValente
39,6k 7 11 13 - G.Master EY

- Messaggi: 7797
- Iscritto il: 8 mag 2007, 14:48
0
voti
Se hai voglia di continuare provo a proporti l'ennesima toppa da mettere al circuito...che potrebbe risolvere!
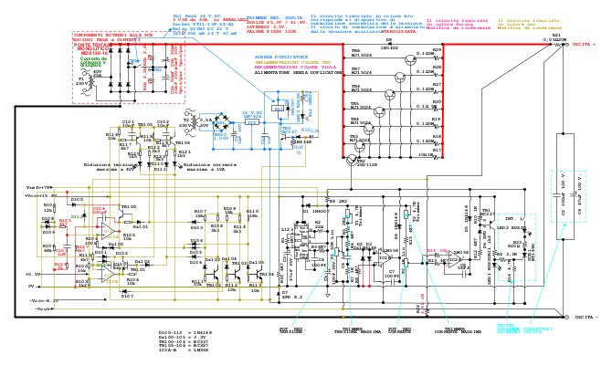
Dovresti aggiungere i due diodi D112 e D113 segnati in verde ed eseguire daccapo il test.
Non considerare l'eccitazione del relè all'accensione dell'alimentatore, per ora fai finta che non sia un problema, guarda tutto il resto.
Dovresti aggiungere i due diodi D112 e D113 segnati in verde ed eseguire daccapo il test.
Non considerare l'eccitazione del relè all'accensione dell'alimentatore, per ora fai finta che non sia un problema, guarda tutto il resto.
-

BrunoValente
39,6k 7 11 13 - G.Master EY

- Messaggi: 7797
- Iscritto il: 8 mag 2007, 14:48
0
voti
Ciao Bruno, scusa il ritardo, soliti problemi extra, ho inserito i diodi e ho imparato a non cantare vittoria ma se dicessi che adesso funziona tutto sarebbe possibile?… 
-

gianniniivo
9.070 7 11 13 - No Rank
- Messaggi: 2875
- Iscritto il: 5 feb 2019, 23:50
Chi c’è in linea
Visitano il forum: Nessuno e 71 ospiti

Elettrotecnica e non solo (admin)
Un gatto tra gli elettroni (IsidoroKZ)
Esperienza e simulazioni (g.schgor)
Moleskine di un idraulico (RenzoDF)
Il Blog di ElectroYou (webmaster)
Idee microcontrollate (TardoFreak)
PICcoli grandi PICMicro (Paolino)
Il blog elettrico di carloc (carloc)
DirtEYblooog (dirtydeeds)
Di tutto... un po' (jordan20)
AK47 (lillo)
Esperienze elettroniche (marco438)
Telecomunicazioni musicali (clavicordo)
Automazione ed Elettronica (gustavo)
Direttive per la sicurezza (ErnestoCappelletti)
EYnfo dall'Alaska (mir)
Apriamo il quadro! (attilio)
H7-25 (asdf)
Passione Elettrica (massimob)
Elettroni a spasso (guidob)
Bloguerra (guerra)