Cos'è ElectroYou | Login Iscriviti

ElectroYou - la comunità dei professionisti del mondo elettrico

COMMUTAZIONE AUTOMATICA DI TENSIONE

Elettronica lineare e digitale: didattica ed applicazioni

Moderatori: Foto Utentecarloc, Foto Utenteg.schgor, Foto UtenteBrunoValente, Foto UtenteIsidoroKZ

1
voti

[741] Re: COMMUTAZIONE AUTOMATICA DI TENSIONE

Messaggioda Foto UtenteBrunoValente » 25 gen 2022, 11:08

PERFETTO !!!, ci siamo :ok: :ok:

Non so se hai notato ma l'ultimo step è andato diversamente da come avevo previsto e il motivo è semplice: ieri sera, quando ho scritto l'ultimo step, ero cotto e ho scritto minchiate.

Il comportamento corretto è quello che hai riscontrato.

Nell'ultimo step ho scritto

BrunoValente ha scritto:8) Aumenta di nuovo P2

La tensione dovrebbe aumentare e la corrente pure oltrepassando 11.2A. Al superamento dei 40V la corrente dovrebbe essere prossima a 20A. Superati i 40V si dovrebbe eccitare il relè e entrambi i nuovi led non si dovrebbero accendere.


e invece tu hai riscontrato che

gianniniivo ha scritto:8) Aumento di nuovo P2

La tensione aumenta e anche la corrente. Con l’aumentare della tensione (39,3V) la corrente arriva a 20A e il led nativo della corrente si è spento. I 40V non li raggiunge rimanendo sempre a 39,3V. Il relè NON si eccita e si accende il nuovo led della tensione.


ed è il comportamento corretto perché la corrente è superiore a 10A, quindi la tensione viene plafonata a 40V e il nuovo led della tensione segnala che il blocco della tensione massima a 40V si è attivato.
Avatar utente
Foto UtenteBrunoValente
39,6k 7 11 13
G.Master EY
G.Master EY
 
Messaggi: 7796
Iscritto il: 8 mag 2007, 14:48

1
voti

[742] Re: COMMUTAZIONE AUTOMATICA DI TENSIONE

Messaggioda Foto UtenteBrunoValente » 25 gen 2022, 11:14

Direi che sia arrivato il momento di ripristinare il contatto del relè e di verificare di nuovo tutto.

In particolare con il carico di 4.5ohm sarebbe bene verificare che, ruotando P1 molto lentamente, al passaggio per i 40V, quindi all'attivazione del relè, la tensione di uscita incrementi dolcemente senza subire brusche variazioni...santo oscilloscopio, dove sei? :roll:
Avatar utente
Foto UtenteBrunoValente
39,6k 7 11 13
G.Master EY
G.Master EY
 
Messaggi: 7796
Iscritto il: 8 mag 2007, 14:48

0
voti

[743] Re: COMMUTAZIONE AUTOMATICA DI TENSIONE

Messaggioda Foto Utentegianniniivo » 25 gen 2022, 11:15

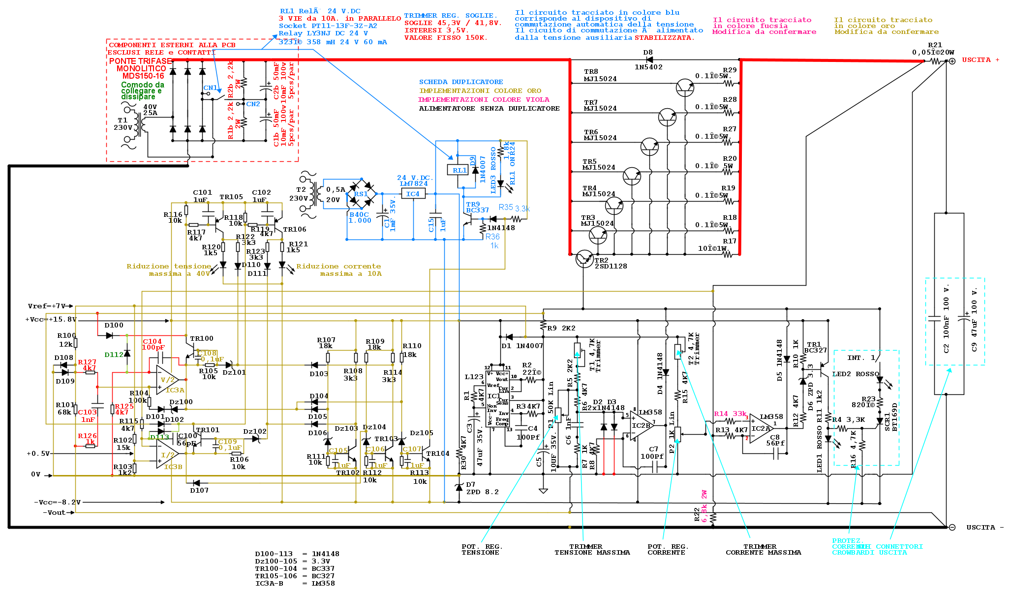
Ciao Bruno, grazie. Bene, considerato che sta prevalendo un po' di ottimismo, pubblico lo schema riveduto e corretto, poi proseguo con i test. Spero di non aver dimenticato qualche correzione...
Ultima modifica di Foto Utentegianniniivo il 25 gen 2022, 11:27, modificato 1 volta in totale.
Avatar utente
Foto Utentegianniniivo
9.070 7 11 13
No Rank
 
Messaggi: 2875
Iscritto il: 5 feb 2019, 23:50

1
voti

[744] Re: COMMUTAZIONE AUTOMATICA DI TENSIONE

Messaggioda Foto UtenteBrunoValente » 25 gen 2022, 11:18

Anche il valore di C109 andrebbe portato a 100nF
Avatar utente
Foto UtenteBrunoValente
39,6k 7 11 13
G.Master EY
G.Master EY
 
Messaggi: 7796
Iscritto il: 8 mag 2007, 14:48

0
voti

[745] Re: COMMUTAZIONE AUTOMATICA DI TENSIONE

Messaggioda Foto Utentegianniniivo » 25 gen 2022, 11:27

Ok, ho fatto in tempo a modificare.
Avatar utente
Foto Utentegianniniivo
9.070 7 11 13
No Rank
 
Messaggi: 2875
Iscritto il: 5 feb 2019, 23:50

0
voti

[746] Re: COMMUTAZIONE AUTOMATICA DI TENSIONE

Messaggioda Foto Utentegianniniivo » 25 gen 2022, 11:31

Ho collegato il relè ma non sono sicuro di avere capito quale test eseguire. Forse l'ultimo?
Avatar utente
Foto Utentegianniniivo
9.070 7 11 13
No Rank
 
Messaggi: 2875
Iscritto il: 5 feb 2019, 23:50

1
voti

[747] Re: COMMUTAZIONE AUTOMATICA DI TENSIONE

Messaggioda Foto UtenteBrunoValente » 25 gen 2022, 11:42

Prima senza carico partendo con P1 a inizio corsa e ruotandolo lentamente fino a fondo corsa.
Con P1 a fondo corsa occorre tarare T1 per avere esattamente 80V in uscita.

Poi con entrambi i carichi collegati (4.5ohm e 3.5ohm) dovresti partire con P1 a inizio corsa e P2 a fondo corsa e dovresti ruotare P1 fino a che si accende il led nativo della corrente, cosa che avverrà ad una tensione inferiore a 40V (se a 40V la corrente ancora non arriva a 20A e quindi quindi se si accende il nuovo led della tensione, allora dovresti parallelare altre resistenze al carico in modo che la corrente arrivi a 20A prima che la tensione arrivi a 40V e assicurarti che il nuovo led della tensione sia spento) e in queste condizioni dovresti tarare T2 per avere in uscita esattamente una corrente di 20A.

T1 e T2 non andranno più toccati.

A seguire gli ultimi due test fatti ultimamente: prima quello con il solo carico da 3.5ohm poi l'altro dove ad un certo punto i due carichi vanno parallelati.

fatto questo, se tutto ok, vedremo, come credo che sia, se sarà necessario migliorare il cablaggio in alcuni punti.
Avatar utente
Foto UtenteBrunoValente
39,6k 7 11 13
G.Master EY
G.Master EY
 
Messaggi: 7796
Iscritto il: 8 mag 2007, 14:48

0
voti

[748] Re: COMMUTAZIONE AUTOMATICA DI TENSIONE

Messaggioda Foto UtenteBrunoValente » 25 gen 2022, 11:43

Prima dei test però dovresti cambiare C109 con uno da 100nF
Avatar utente
Foto UtenteBrunoValente
39,6k 7 11 13
G.Master EY
G.Master EY
 
Messaggi: 7796
Iscritto il: 8 mag 2007, 14:48

0
voti

[749] Re: COMMUTAZIONE AUTOMATICA DI TENSIONE

Messaggioda Foto Utentegianniniivo » 25 gen 2022, 11:48

Va bene, una provetta da niente... ?%
Il condensatore C109 l'ho già sostituito sia sullo schema pubblicato che sul progetto... :D
Avatar utente
Foto Utentegianniniivo
9.070 7 11 13
No Rank
 
Messaggi: 2875
Iscritto il: 5 feb 2019, 23:50

1
voti

[750] Re: COMMUTAZIONE AUTOMATICA DI TENSIONE

Messaggioda Foto UtenteBrunoValente » 25 gen 2022, 12:00

Attenzione ho aggiunto alcune informazioni importanti nel messaggio precedente
Avatar utente
Foto UtenteBrunoValente
39,6k 7 11 13
G.Master EY
G.Master EY
 
Messaggi: 7796
Iscritto il: 8 mag 2007, 14:48

PrecedenteProssimo

Torna a Elettronica generale

Chi c’è in linea

Visitano il forum: Majestic-12 [Bot] e 69 ospiti