Crepuscolare con fotodiodo e operazionale
Moderatori:
carloc,
g.schgor,
BrunoValente,
IsidoroKZ
0
voti
La batteria dovrebbe tenere acceso l'impiantino in mancanza di corrente
Io ho inserito una batteria che non so se sia adeguata al impiantino poi ho inserito 2 diodi da definire e una resistenza da definire i componenti non so se siano messi nella giusta collocazione o se ne vanno aggiunti altri.
Pensa si possa riuscire a rifinire quest ultima parte di schema?
Io ho inserito una batteria che non so se sia adeguata al impiantino poi ho inserito 2 diodi da definire e una resistenza da definire i componenti non so se siano messi nella giusta collocazione o se ne vanno aggiunti altri.
Pensa si possa riuscire a rifinire quest ultima parte di schema?
0
voti
Sì, un alimentatore dovrebbe mantenere in carica la batteria
che alimenta il dispositivo in mancanza di rete.
Per i diodi dovrebbero andar bene i soliti 1N4007, ma per
dimensionare la resistenza occorre conoscere con precisione
la tensione (penso stabilizzata) dell'alimentatore.
che alimenta il dispositivo in mancanza di rete.
Per i diodi dovrebbero andar bene i soliti 1N4007, ma per
dimensionare la resistenza occorre conoscere con precisione
la tensione (penso stabilizzata) dell'alimentatore.
0
voti
Questo è un problema perché vorrei allaciarmi alla corrente del campanello di casa per illuminare linteruttore assiema alla luce del campanello esterno con citofono e qui arriva una corrente piu o meno di 15 volt sicuramente non stabilizzata quindi credo si debba pensare anche come far si per stabilizzarla.
0
voti
Le caratteristiche di un alimentatore per campanelli
non sono certo adatte per alimentare un circuito elettronico.
Per utilizzarlo comunque, bisogna prevedere un condensatore
(minimo 100uF) a valle del diodo ed un regolatore di tensione
(LM317) tarato a 13V. La resistenza può servire da retroazione
per il limite di corrente (vedi datasheet)
non sono certo adatte per alimentare un circuito elettronico.
Per utilizzarlo comunque, bisogna prevedere un condensatore
(minimo 100uF) a valle del diodo ed un regolatore di tensione
(LM317) tarato a 13V. La resistenza può servire da retroazione
per il limite di corrente (vedi datasheet)
0
voti
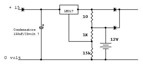
Lo schema potrebbe essere una cosa dell tipo?
0
voti
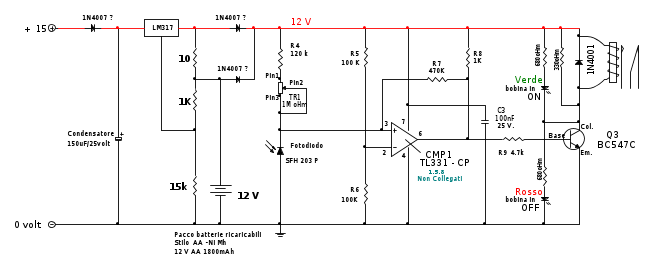
Modificherei lo schema così:
0
voti
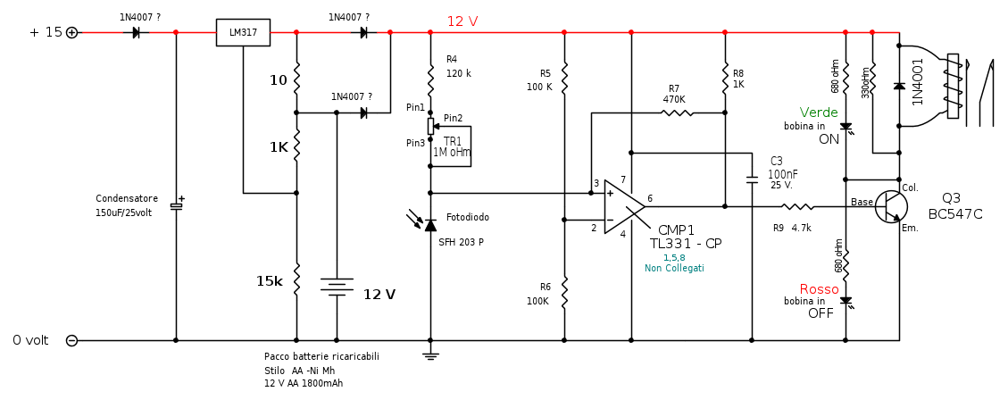
Questo dovrebbe essere lo schema completo e finito.
Chi c’è in linea
Visitano il forum: Nessuno e 101 ospiti

Elettrotecnica e non solo (admin)
Un gatto tra gli elettroni (IsidoroKZ)
Esperienza e simulazioni (g.schgor)
Moleskine di un idraulico (RenzoDF)
Il Blog di ElectroYou (webmaster)
Idee microcontrollate (TardoFreak)
PICcoli grandi PICMicro (Paolino)
Il blog elettrico di carloc (carloc)
DirtEYblooog (dirtydeeds)
Di tutto... un po' (jordan20)
AK47 (lillo)
Esperienze elettroniche (marco438)
Telecomunicazioni musicali (clavicordo)
Automazione ed Elettronica (gustavo)
Direttive per la sicurezza (ErnestoCappelletti)
EYnfo dall'Alaska (mir)
Apriamo il quadro! (attilio)
H7-25 (asdf)
Passione Elettrica (massimob)
Elettroni a spasso (guidob)
Bloguerra (guerra)






