Progetto Bromografo
Moderatori:
carloc,
g.schgor,
BrunoValente,
IsidoroKZ
0
voti
Signori all'inizio del post si parlava di led ultravioletti; mi chiedevo se fossero ugualmente efficaci delle normali lampade Uv ed i caso affermativo quali caratteristiche debbano rispettare
C. America: Sei grosso con l'armatura; senza quella cosa sei?
Tony Stark: Un genio, miliardario playboy filantropo
Sfodera un autocompiacimento da manuale... Concordo
Se i miei calcoli non sono errati, e non lo sono mai, 3 Giga Joule al secondo
Tony Stark: Un genio, miliardario playboy filantropo
Sfodera un autocompiacimento da manuale... Concordo
Se i miei calcoli non sono errati, e non lo sono mai, 3 Giga Joule al secondo
0
voti
Le basette PCB le trovi a qualche euro dipendente dalle dimensioni... un LINK potrebbe esserti d'aiuto...(futurashop) ma su ebay (LINK) le ho trovate a meno... tra l'altro le devo anche comprare...Altrimenti fine dei giochi...
Mah... allora.. la tecnica del bromografo era la classica tecnica utilizzata da tutti fino a pochi anni fa. mutuata dalle tecninche industriali... adesso non so che tecnica utilizzino nelle fabbriche...però con un bromografo ben settato ti avvicini molto in quanto a prestazioni.
Di sicuro come vantaggio ha la possibilità di avere un solo master per tutte le basette che vuoi fare. dalla sua ha anche le prestazioni e la sicurezza di perfetta corrispondenza del tracciato con quello che incidi sulle piste (dipende poi dal bagno chimico il risultato...)
I fogli blu poi costano 3€ l'uno e sono utilizzabili una sola volta... ti permettono di evitare il passaggio nella soda caustica (la più pericolosa) ma di contro richiede una grossa cura con il trasferimento a caldo...oppure di costruirti un accrocchio anche lì...
I led UV bisgna vedere quali lunghezze d'onda emettono....ma dovrebbero andare bene.. il loro problema è quello di emettere un fascio decisamente ristretto... quindi bisogna mettere i led in posizione consona ( e ce ne vogliono un centinaio per faccia (dimensioni A4).
Avevo fato queste valutazioni anche io e la cosa più economica sarebbero i LED...
BrunoValente se non sbaglio ha fato il suo a LED..
P.s. quando vedrete le foto del mio bromoscassone vi viene paura....
Mah... allora.. la tecnica del bromografo era la classica tecnica utilizzata da tutti fino a pochi anni fa. mutuata dalle tecninche industriali... adesso non so che tecnica utilizzino nelle fabbriche...però con un bromografo ben settato ti avvicini molto in quanto a prestazioni.
Di sicuro come vantaggio ha la possibilità di avere un solo master per tutte le basette che vuoi fare. dalla sua ha anche le prestazioni e la sicurezza di perfetta corrispondenza del tracciato con quello che incidi sulle piste (dipende poi dal bagno chimico il risultato...)
I fogli blu poi costano 3€ l'uno e sono utilizzabili una sola volta... ti permettono di evitare il passaggio nella soda caustica (la più pericolosa) ma di contro richiede una grossa cura con il trasferimento a caldo...oppure di costruirti un accrocchio anche lì...
I led UV bisgna vedere quali lunghezze d'onda emettono....ma dovrebbero andare bene.. il loro problema è quello di emettere un fascio decisamente ristretto... quindi bisogna mettere i led in posizione consona ( e ce ne vogliono un centinaio per faccia (dimensioni A4).
Avevo fato queste valutazioni anche io e la cosa più economica sarebbero i LED...
P.s. quando vedrete le foto del mio bromoscassone vi viene paura....
Ultima modifica di
crestus il 24 ago 2011, 16:02, modificato 1 volta in totale.
...:::Pivello allo sbaraglio:::...
MY WEBSITE! come and see... ;) <-- Di nuovo online... spiacente per i problemi tecnici!
MY WEBSITE! come and see... ;) <-- Di nuovo online... spiacente per i problemi tecnici!
-

crestus
1.295 2 7 13 - Expert EY

- Messaggi: 478
- Iscritto il: 3 ott 2008, 10:28
- Località: studente al politecnico di torino
0
voti
non mi pare affatto male come idea; magari vedo un po' di led in commercio; che lunghezze d'onda servirebbero?
C. America: Sei grosso con l'armatura; senza quella cosa sei?
Tony Stark: Un genio, miliardario playboy filantropo
Sfodera un autocompiacimento da manuale... Concordo
Se i miei calcoli non sono errati, e non lo sono mai, 3 Giga Joule al secondo
Tony Stark: Un genio, miliardario playboy filantropo
Sfodera un autocompiacimento da manuale... Concordo
Se i miei calcoli non sono errati, e non lo sono mai, 3 Giga Joule al secondo
0
voti
Aggiornato il post sopra con i link...
comunque servono gli UVA (wikipedia) cioè i 400-315 nm (wikipedia).
comunque servono gli UVA (wikipedia) cioè i 400-315 nm (wikipedia).
...:::Pivello allo sbaraglio:::...
MY WEBSITE! come and see... ;) <-- Di nuovo online... spiacente per i problemi tecnici!
MY WEBSITE! come and see... ;) <-- Di nuovo online... spiacente per i problemi tecnici!
-

crestus
1.295 2 7 13 - Expert EY

- Messaggi: 478
- Iscritto il: 3 ott 2008, 10:28
- Località: studente al politecnico di torino
0
voti
ok visti i link; ottimi i prezzi
quindi va bene tutto in quello spettro ho magari un led con un emissione troppo specifica rischia di non andare?
quindi va bene tutto in quello spettro ho magari un led con un emissione troppo specifica rischia di non andare?
C. America: Sei grosso con l'armatura; senza quella cosa sei?
Tony Stark: Un genio, miliardario playboy filantropo
Sfodera un autocompiacimento da manuale... Concordo
Se i miei calcoli non sono errati, e non lo sono mai, 3 Giga Joule al secondo
Tony Stark: Un genio, miliardario playboy filantropo
Sfodera un autocompiacimento da manuale... Concordo
Se i miei calcoli non sono errati, e non lo sono mai, 3 Giga Joule al secondo
0
voti
tanto troppo specifico non ci saranno penso...emettono in uno spettro... un range di frequenze... se emettono di più alle frequenze corrette ci vorrà meno tempo... altrimenti un tempo più lungo... sempre restando nel tipo di UV giusti...
avevo letto che servono circa 375 nm o giù di lì.. ma ci sono un sacco di opinioni contrastanti sulla rete...
avevo letto che servono circa 375 nm o giù di lì.. ma ci sono un sacco di opinioni contrastanti sulla rete...
...:::Pivello allo sbaraglio:::...
MY WEBSITE! come and see... ;) <-- Di nuovo online... spiacente per i problemi tecnici!
MY WEBSITE! come and see... ;) <-- Di nuovo online... spiacente per i problemi tecnici!
-

crestus
1.295 2 7 13 - Expert EY

- Messaggi: 478
- Iscritto il: 3 ott 2008, 10:28
- Località: studente al politecnico di torino
0
voti
ho visto un po' di merce su ebay; la maggior parte oscillano tra i 395 ed i 410 nm; mi chiedo se sia un range troppo stretto
C. America: Sei grosso con l'armatura; senza quella cosa sei?
Tony Stark: Un genio, miliardario playboy filantropo
Sfodera un autocompiacimento da manuale... Concordo
Se i miei calcoli non sono errati, e non lo sono mai, 3 Giga Joule al secondo
Tony Stark: Un genio, miliardario playboy filantropo
Sfodera un autocompiacimento da manuale... Concordo
Se i miei calcoli non sono errati, e non lo sono mai, 3 Giga Joule al secondo
0
voti
crestus ha scritto:I fogli blu poi costano 3€ l'uno e sono utilizzabili una sola volta... ti permettono di evitare il passaggio nella soda caustica (la più pericolosa)
La pericolosità della soda caustica usata nelle percentuali adatte ai PCB è, comunque, bassa e non superiore a molti detergenti per la casa.
6
voti
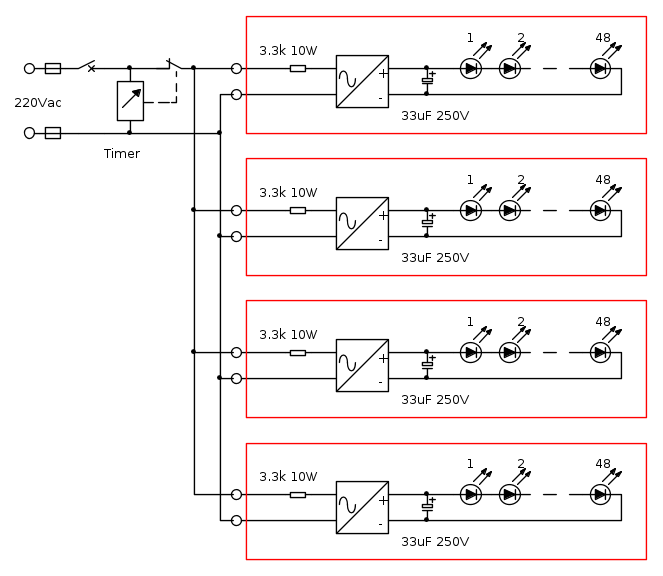
Ciao a tutti.
Su richiesta di
TONYSTARK vi do ulteriori informazioni sul mio bromografo a led.
Ho utilizzato questi led, Il prezzo non è cambiato rispetto ad un paio di anni fa, quando li acquistai io. Ho fatto un rapido giro e mi sembra di averne visti di simili a prezzi più bassi.
Ne ho montati complessivamente 192 su una superficie pari al vetro del vecchio scanner utilizzato per fare il bromografo.
Li ho distribuiti su 4 basette mille-fori (48 per basetta) che affiancate coprono giusto quella superficie.
Su ogni basetta ho anche montato l'elettrolitico, la resistenza e il ponte secondo lo schema che segue cercando di sistemarli negli spazi disponibili tra le file di led, in modo da non alterare l'ordine di distribuzione degli stessi led.
In pratica ho realizzato quattro basette indipendenti e complete di tutto quello che occorre per poterle alimentare a 220 V collegandole in parallelo.
Il tutto è alimentato in serie al contatto di un timer elettromeccanico del tipo con motorino elettrico: può sembrare una scelta antiquata ma è sicuramente la più semplice e quella che garantisce di suo, senza aggiungere nulla, il congelamento del tempo trascorso nel caso di black out durante l'uso del bromografo.
La disposizione che ho scelto per i led è la seguente:
Come ho già detto nell'altro post, con questa distanza tra i led, è necessario disporre le basette a 15cm dal vetro, altrimenti non si avrebbe una distribuzione uniforme della luce.
Funziona molto bene, anche se non ho termini di paragone con quelli fatti con le lampade.
Posso dire che per un risultato eccellente sovraespongo le basette impostando tempi di almeno 5 minuti ma posso permettermi questo lusso solo perché utilizzo master fatti dal tipografo su pellicola positiva che garantiscono nelle zone nere un livello di opacità altissimo e nelle zone bianche una perfetta trasparenza: in questo modo le zone esposte alla luce vengono "ben cotte" e così lo sviluppo nella soda avviene molto rapidamente, i contorni rimangono nettissimi e le piste, rimaste completamente al buio nonostante la sovraesposizione grazie all'alta opacità del master, restano ben protette dal fotoresist.
Su richiesta di
Ho utilizzato questi led, Il prezzo non è cambiato rispetto ad un paio di anni fa, quando li acquistai io. Ho fatto un rapido giro e mi sembra di averne visti di simili a prezzi più bassi.
Ne ho montati complessivamente 192 su una superficie pari al vetro del vecchio scanner utilizzato per fare il bromografo.
Li ho distribuiti su 4 basette mille-fori (48 per basetta) che affiancate coprono giusto quella superficie.
Su ogni basetta ho anche montato l'elettrolitico, la resistenza e il ponte secondo lo schema che segue cercando di sistemarli negli spazi disponibili tra le file di led, in modo da non alterare l'ordine di distribuzione degli stessi led.
In pratica ho realizzato quattro basette indipendenti e complete di tutto quello che occorre per poterle alimentare a 220 V collegandole in parallelo.
Il tutto è alimentato in serie al contatto di un timer elettromeccanico del tipo con motorino elettrico: può sembrare una scelta antiquata ma è sicuramente la più semplice e quella che garantisce di suo, senza aggiungere nulla, il congelamento del tempo trascorso nel caso di black out durante l'uso del bromografo.
La disposizione che ho scelto per i led è la seguente:
Come ho già detto nell'altro post, con questa distanza tra i led, è necessario disporre le basette a 15cm dal vetro, altrimenti non si avrebbe una distribuzione uniforme della luce.
Funziona molto bene, anche se non ho termini di paragone con quelli fatti con le lampade.
Posso dire che per un risultato eccellente sovraespongo le basette impostando tempi di almeno 5 minuti ma posso permettermi questo lusso solo perché utilizzo master fatti dal tipografo su pellicola positiva che garantiscono nelle zone nere un livello di opacità altissimo e nelle zone bianche una perfetta trasparenza: in questo modo le zone esposte alla luce vengono "ben cotte" e così lo sviluppo nella soda avviene molto rapidamente, i contorni rimangono nettissimi e le piste, rimaste completamente al buio nonostante la sovraesposizione grazie all'alta opacità del master, restano ben protette dal fotoresist.
-

BrunoValente
39,6k 7 11 13 - G.Master EY

- Messaggi: 7796
- Iscritto il: 8 mag 2007, 14:48
0
voti
C. America: Sei grosso con l'armatura; senza quella cosa sei?
Tony Stark: Un genio, miliardario playboy filantropo
Sfodera un autocompiacimento da manuale... Concordo
Se i miei calcoli non sono errati, e non lo sono mai, 3 Giga Joule al secondo
Tony Stark: Un genio, miliardario playboy filantropo
Sfodera un autocompiacimento da manuale... Concordo
Se i miei calcoli non sono errati, e non lo sono mai, 3 Giga Joule al secondo
Chi c’è in linea
Visitano il forum: Nessuno e 140 ospiti

Elettrotecnica e non solo (admin)
Un gatto tra gli elettroni (IsidoroKZ)
Esperienza e simulazioni (g.schgor)
Moleskine di un idraulico (RenzoDF)
Il Blog di ElectroYou (webmaster)
Idee microcontrollate (TardoFreak)
PICcoli grandi PICMicro (Paolino)
Il blog elettrico di carloc (carloc)
DirtEYblooog (dirtydeeds)
Di tutto... un po' (jordan20)
AK47 (lillo)
Esperienze elettroniche (marco438)
Telecomunicazioni musicali (clavicordo)
Automazione ed Elettronica (gustavo)
Direttive per la sicurezza (ErnestoCappelletti)
EYnfo dall'Alaska (mir)
Apriamo il quadro! (attilio)
H7-25 (asdf)
Passione Elettrica (massimob)
Elettroni a spasso (guidob)
Bloguerra (guerra)


