Strumenti indispensabili
Moderatori:
carloc,
g.schgor,
BrunoValente,
IsidoroKZ
0
voti
Il mio alimentatore da laboratorio usa due strumenti digitali a 3 cifre. Per la corrente ho una risoluzione di 10mA.
E' chiaro quindi che non posso regolare la corrente a 76mA per esempio, ma mi basta una limitazione a spanne per evitare danni al circuito (le poche volte che l' ho usato, a dire il vero una volta sola).
E' chiaro quindi che non posso regolare la corrente a 76mA per esempio, ma mi basta una limitazione a spanne per evitare danni al circuito (le poche volte che l' ho usato, a dire il vero una volta sola).
"La follia sta nel fare sempre la stessa cosa aspettandosi risultati diversi".
"Parla soltanto quando sei sicuro che quello che dirai è più bello del silenzio".
Rispondere è cortesia, ma lasciare l'ultima parola ai cretini è arte.
"Parla soltanto quando sei sicuro che quello che dirai è più bello del silenzio".
Rispondere è cortesia, ma lasciare l'ultima parola ai cretini è arte.
-

TardoFreak
73,9k 8 12 13 - -EY Legend-

- Messaggi: 15754
- Iscritto il: 16 dic 2009, 11:10
- Località: Torino - 3° pianeta del Sistema Solare
2
voti
Quindi, come dicevo prima, usando il potenziometro e' necessario andare un po' "a orecchio".
La cosa e' fattibile, certo, pero' la vedo scomoda almeno nel caso di
TONYSTARK.

La cosa e' fattibile, certo, pero' la vedo scomoda almeno nel caso di

marco
1
voti
Certo che si va "a orecchio" con il potenziometro, che altro? 
"La follia sta nel fare sempre la stessa cosa aspettandosi risultati diversi".
"Parla soltanto quando sei sicuro che quello che dirai è più bello del silenzio".
Rispondere è cortesia, ma lasciare l'ultima parola ai cretini è arte.
"Parla soltanto quando sei sicuro che quello che dirai è più bello del silenzio".
Rispondere è cortesia, ma lasciare l'ultima parola ai cretini è arte.
-

TardoFreak
73,9k 8 12 13 - -EY Legend-

- Messaggi: 15754
- Iscritto il: 16 dic 2009, 11:10
- Località: Torino - 3° pianeta del Sistema Solare
0
voti
Signori, in primo luogo vi ringrazio di tanta attenzione;
In secondo mi scuso per la mia presenza scarsa ed intermittente, ma con il Romics in corso sono ad interpretare me stesso tutto il giorno e rispondere da palmare è parecchio scomodo.
Spanna si o spanna no?
scherzi a parte, io non ho idea di quanto e come sia utile la limitazione in corrente in quanto mi affaccio ora all'utilizzo di uno strumento "professionale".
Mi rimetto come sempre al vostro giudizio, se pensate che la spesa valga l'impresa si può prendere un amperometro con una degna sensibilità e mettere un potenziometro, o se mi dite che comunque spanna per spanna conviene un bel selettore ben tarato concordo in pieno.
In somma come sempre mi metto nelle vostre mani
In secondo mi scuso per la mia presenza scarsa ed intermittente, ma con il Romics in corso sono ad interpretare me stesso tutto il giorno e rispondere da palmare è parecchio scomodo.
Spanna si o spanna no?
Mi rimetto come sempre al vostro giudizio, se pensate che la spesa valga l'impresa si può prendere un amperometro con una degna sensibilità e mettere un potenziometro, o se mi dite che comunque spanna per spanna conviene un bel selettore ben tarato concordo in pieno.
In somma come sempre mi metto nelle vostre mani

C. America: Sei grosso con l'armatura; senza quella cosa sei?
Tony Stark: Un genio, miliardario playboy filantropo
Sfodera un autocompiacimento da manuale... Concordo
Se i miei calcoli non sono errati, e non lo sono mai, 3 Giga Joule al secondo
Tony Stark: Un genio, miliardario playboy filantropo
Sfodera un autocompiacimento da manuale... Concordo
Se i miei calcoli non sono errati, e non lo sono mai, 3 Giga Joule al secondo
0
voti
Visto che momentaneamente sei occupato, propongo di rimandare ogni decisione in proposito a quando avrai piu' tempo a disposizione per meglio studiare la cosa.
Se non sbaglio Romics termina domani, quindi .........
In fondo (anche se non sara' l'ultimo che realizzerai) si tratta di uno strumento che tu dovrai adoperare e che, quindi deve rispondere in pieno alle tue necessita' e desideri.

Se non sbaglio Romics termina domani, quindi .........
In fondo (anche se non sara' l'ultimo che realizzerai) si tratta di uno strumento che tu dovrai adoperare e che, quindi deve rispondere in pieno alle tue necessita' e desideri.

marco
0
voti
Si domani c'è il gran finale, spero di postare qualche foto alla fine.
Il mio problema più grave è il seguente... Gli alimentatori professionali che ho visto fino ad ora (casistica molto scarna visto che ho visto solo quelli del laboratorio di elettronica
) avevano un regolatore di tensione con la sua bella manopolina ed il display lcd che ti diceva tutto.
La domanda è, alla fine quanta precisione mi servirà nel impostare il limite di corrente, credo che alla fine spanne per spanne sia meglio il selettore a scatti, che sicuramente è più economico, ma di contro una maggiore sensibilità potrebbe magari salvare qualche circuito?
Non so, l'unica cosa che so è che mi divertirò un mondo a montarlo e farlo funzionare
per cui se ne dovrò fare altri in futuro sarà un immenso piacere
Il mio problema più grave è il seguente... Gli alimentatori professionali che ho visto fino ad ora (casistica molto scarna visto che ho visto solo quelli del laboratorio di elettronica
La domanda è, alla fine quanta precisione mi servirà nel impostare il limite di corrente, credo che alla fine spanne per spanne sia meglio il selettore a scatti, che sicuramente è più economico, ma di contro una maggiore sensibilità potrebbe magari salvare qualche circuito?
Non so, l'unica cosa che so è che mi divertirò un mondo a montarlo e farlo funzionare
C. America: Sei grosso con l'armatura; senza quella cosa sei?
Tony Stark: Un genio, miliardario playboy filantropo
Sfodera un autocompiacimento da manuale... Concordo
Se i miei calcoli non sono errati, e non lo sono mai, 3 Giga Joule al secondo
Tony Stark: Un genio, miliardario playboy filantropo
Sfodera un autocompiacimento da manuale... Concordo
Se i miei calcoli non sono errati, e non lo sono mai, 3 Giga Joule al secondo
2
voti
Da come scrivi, ho l'impressione che ancora tu non sia pienamente convito circa la strada da seguire.
Io ormai seguo l'elettronica da piu' di quarant'anni (anche se a livello hobbystico) ma, sinceramente, sarei in difficolta' come te nel prendere una decisione.
Tieni presente che questo non sara' assolutamente il tuo ultimo alimentatore ma, la sua costruzione ed il suo uso nel prossimo futuro ti dara' l'idea delle tue effettive necessita'.
Io ho cominciato, con gli alimentatori, quando ancora i regolatori integrati erano un sogno! Si lavorava con zener e transistor e, naturalmente, senza alcuna protezione. I finali 2N3055 (erano i piu' usati allora) saltavano al minimo corto e, quasi settimanalmente, occorreva procedere alla sostituzione con rilevanti perdite di tempo.
Poi, finalmente arrivo' l' uA723 (regolabile in tensione e corrente) e le cose cambiarono notevolmente.
Io costruii un alimentatore con questo, di una certa potenza, (lo schema e' nel mio articolo) e le cose cambiarono come dal giorno alla notte.
In seguito arrivo' il LM317, molto piu' pratico, e passai ad un altro schema che non ho piu' abbandonato:
Si potrebbe osservare che questo circuito non e' regolabile in corrente e non fornisce alimentazione duale.
Per questo ho realizzato altri due circuiti che tengo appesi al muro (davanti al tavolo da lavoro e fissati ad una basetta di legno) e di cui mi servo per queste eventualita'.
Con questo, partendo dalla tensione gia' stabilizzata proveniente dal primo, posso ottenere la regolazione della corrente; se poi mi serve ( devo dire in rare occasioni) la duale, c'e' quest'altro circuito che provvede a fornirla:
Lo schema del mio non e' proprio come questo, ma avrei dovuto disegnarlo copiando dall'originale e non ne avevo voglia; comunque il principio non cambia.
Per finire, visto che un'efficacie protezione contro i cortocircuiti non esiste, per questo mi affido alla fortuna e devo dire che, in tanti anni e a parte le decine di 3055 bruciati nei primi , per questo motivo solo una volta ho dovuto cambiare i due finali del primo schema che, peraltro, erano rimasti sotto cortocircuito per quasi un'ora. Cortocircuiti temporanei vengono di norma sopportati senza problemi e a condizione che.....non durino un'ora.
Ho voluto illustrarti queste mie esperienze per farti capire che i cambiamenti si possono e si devono fare in qualsiasi momento ( e anche perche' oggi non avevo niente da fare e mi annoiavo
); l'importante e' cominciare con un obiettivo (piu' o meno valido) cui in seguito potremo apportare quelle modifiche o miglioramenti che riterremo di dover fare anche e sopratutto in base alle nostre personali esigenze.
Quindi, bando all'indecisione, comincia con un circuito e finiscilo! Poi, se non sarai soddisfatto, ne farai un secondo e...........cosi' via

Io ormai seguo l'elettronica da piu' di quarant'anni (anche se a livello hobbystico) ma, sinceramente, sarei in difficolta' come te nel prendere una decisione.
Tieni presente che questo non sara' assolutamente il tuo ultimo alimentatore ma, la sua costruzione ed il suo uso nel prossimo futuro ti dara' l'idea delle tue effettive necessita'.
Io ho cominciato, con gli alimentatori, quando ancora i regolatori integrati erano un sogno! Si lavorava con zener e transistor e, naturalmente, senza alcuna protezione. I finali 2N3055 (erano i piu' usati allora) saltavano al minimo corto e, quasi settimanalmente, occorreva procedere alla sostituzione con rilevanti perdite di tempo.
Poi, finalmente arrivo' l' uA723 (regolabile in tensione e corrente) e le cose cambiarono notevolmente.
Io costruii un alimentatore con questo, di una certa potenza, (lo schema e' nel mio articolo) e le cose cambiarono come dal giorno alla notte.
In seguito arrivo' il LM317, molto piu' pratico, e passai ad un altro schema che non ho piu' abbandonato:
Si potrebbe osservare che questo circuito non e' regolabile in corrente e non fornisce alimentazione duale.
Per questo ho realizzato altri due circuiti che tengo appesi al muro (davanti al tavolo da lavoro e fissati ad una basetta di legno) e di cui mi servo per queste eventualita'.
Con questo, partendo dalla tensione gia' stabilizzata proveniente dal primo, posso ottenere la regolazione della corrente; se poi mi serve ( devo dire in rare occasioni) la duale, c'e' quest'altro circuito che provvede a fornirla:
Lo schema del mio non e' proprio come questo, ma avrei dovuto disegnarlo copiando dall'originale e non ne avevo voglia; comunque il principio non cambia.
Per finire, visto che un'efficacie protezione contro i cortocircuiti non esiste, per questo mi affido alla fortuna e devo dire che, in tanti anni e a parte le decine di 3055 bruciati nei primi , per questo motivo solo una volta ho dovuto cambiare i due finali del primo schema che, peraltro, erano rimasti sotto cortocircuito per quasi un'ora. Cortocircuiti temporanei vengono di norma sopportati senza problemi e a condizione che.....non durino un'ora.
Ho voluto illustrarti queste mie esperienze per farti capire che i cambiamenti si possono e si devono fare in qualsiasi momento ( e anche perche' oggi non avevo niente da fare e mi annoiavo
Quindi, bando all'indecisione, comincia con un circuito e finiscilo! Poi, se non sarai soddisfatto, ne farai un secondo e...........cosi' via

marco
1
voti
Grazie
marco438, mi hai infuso coraggio!
Il Romics è concluso e posso tornare alle mie passioni elettroniche finalmente.
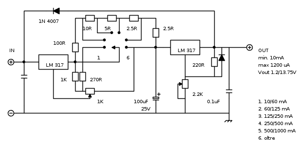
Ho deciso per il seguente schema:
ho beceramente indicato con
il selettore.
Il bello è che cosi potrei anche selezionare la modalità master\slave dei due canali.
Mi scuso per non aver optato immediatamente per il selettore, ma volevo esplorare un po' la cosa prima di decidere
Due domande:
- A vostro avviso quante resistenze - livelli di corrente massima dovrei mettere?
- Qgli amperometri servono o fanno un po' troppo albero di natale? e se si che caratteristiche dovrebbero avere?
Grazie a tutti per la pazienza
Il Romics è concluso e posso tornare alle mie passioni elettroniche finalmente.
Ho deciso per il seguente schema:
ho beceramente indicato con
il selettore.
Il bello è che cosi potrei anche selezionare la modalità master\slave dei due canali.
Mi scuso per non aver optato immediatamente per il selettore, ma volevo esplorare un po' la cosa prima di decidere
Due domande:
- A vostro avviso quante resistenze - livelli di corrente massima dovrei mettere?
- Qgli amperometri servono o fanno un po' troppo albero di natale? e se si che caratteristiche dovrebbero avere?
Grazie a tutti per la pazienza
C. America: Sei grosso con l'armatura; senza quella cosa sei?
Tony Stark: Un genio, miliardario playboy filantropo
Sfodera un autocompiacimento da manuale... Concordo
Se i miei calcoli non sono errati, e non lo sono mai, 3 Giga Joule al secondo
Tony Stark: Un genio, miliardario playboy filantropo
Sfodera un autocompiacimento da manuale... Concordo
Se i miei calcoli non sono errati, e non lo sono mai, 3 Giga Joule al secondo
0
voti
TONYSTARK ha scritto:Il bello è che cosi potrei anche selezionare la modalità master\slave dei due canali.
Mi scuso per non aver optato immediatamente per il selettore, ma volevo esplorare un po' la cosa prima di decidere![]()
Due domande:
- A vostro avviso quante resistenze - livelli di corrente massima dovrei mettere?
- Qgli amperometri servono o fanno un po' troppo albero di natale? e se si che caratteristiche dovrebbero avere?
Grazie a tutti per la pazienza
La prima frase non l'ho capita.
Circa il numero delle resistenze penso che 4 siano sufficienti.
Pero' cosi' come lo hai disegnato il circuito non va. O metti resistenze piu' commutatore (senza il potenziometro) o lasci tutto come era prima.
Per avere una buona lettura, suggerirei 1A fondo scala. (anche se l'integrato puo' arrivare a 1.5A o poco piu').
marco
Chi c’è in linea
Visitano il forum: Nessuno e 54 ospiti

Elettrotecnica e non solo (admin)
Un gatto tra gli elettroni (IsidoroKZ)
Esperienza e simulazioni (g.schgor)
Moleskine di un idraulico (RenzoDF)
Il Blog di ElectroYou (webmaster)
Idee microcontrollate (TardoFreak)
PICcoli grandi PICMicro (Paolino)
Il blog elettrico di carloc (carloc)
DirtEYblooog (dirtydeeds)
Di tutto... un po' (jordan20)
AK47 (lillo)
Esperienze elettroniche (marco438)
Telecomunicazioni musicali (clavicordo)
Automazione ed Elettronica (gustavo)
Direttive per la sicurezza (ErnestoCappelletti)
EYnfo dall'Alaska (mir)
Apriamo il quadro! (attilio)
H7-25 (asdf)
Passione Elettrica (massimob)
Elettroni a spasso (guidob)
Bloguerra (guerra)







