schema finale audio
Moderatori:
carloc,
g.schgor,
BrunoValente,
IsidoroKZ
0
voti
Quando si ragiona per schemi prestabiliti, di fatto non si ragiona e si finisce per non vedere l'evidenza.
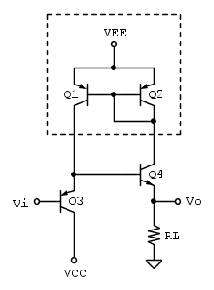
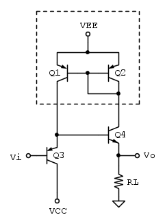
In un circuito elettronico, una reazione positiva o negativa c'è quando si comporta come tale, non quando appare circuitalmente come se ci fosse. Nello schema di cui si tratta, ridisegnato per facilità di comprensione
Appare proprio che la parte di circuito contenuta nel rettangolo tratteggiato sia il blocco 'B' di un circuito retroazionato. Le polarità dei segnali conducono a pensare che si tratti di reazione positiva.
Nulla di più errato. Il circuito è un semplice buffer in cui si ha
o, se preferite,
.
Ho preparato un esempio interessante che mostra in modo evidente come l'aspetto circuitale possa trarre in inganno esattamente nello stesso modo in cui lo fa con lo schema qui sopra.
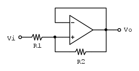
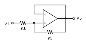
Partiamo con un buffer unitario realizzato con un OpAmp. Chi segue questo thread non ha bisogno di dettagli.
Svolgendo l'analisi del circuito si trova che

E' un buffer, lo sapevamo già, ma ora lo sappiamo in numeri. Facciamo adesso una cosa molto carina: aggiungiamoci una reazione positiva.
Se svolgiamo l'analisi del circuito finiamo con l'ottenere la seguente equazione

Ostrega (1), ma la reazione positiva dove è finita? Quale reazione positiva? Non c'è mai stata nessuna reazione positiva! Il circuito sembra avere una reazione positiva che... non c'è. Come dicevo all'inizio, la reazione c'è se la reazione fa (2).
Il circuito a transistor si comporta esattamente allo stesso modo: se a Q4 viene chiesta in emettitore più corrente, questa entra anche nello specchio, viene girata sull'emettitore di Q3, ma non porta nessun effetto perché di quella corrente aggiuntiva, su Q4 finisce solo quella necessaria a mantenere l'emettitore alla stessa tensione dell'ingresso. Nessuna aggiunta, nessun incremento addizionale. Era è e resterà sempre un semplice inseguitore di tensione.
O no?
(1) Accipicchia
(2) Cit. Forrest Gump
In un circuito elettronico, una reazione positiva o negativa c'è quando si comporta come tale, non quando appare circuitalmente come se ci fosse. Nello schema di cui si tratta, ridisegnato per facilità di comprensione
Appare proprio che la parte di circuito contenuta nel rettangolo tratteggiato sia il blocco 'B' di un circuito retroazionato. Le polarità dei segnali conducono a pensare che si tratti di reazione positiva.
Nulla di più errato. Il circuito è un semplice buffer in cui si ha
o, se preferite,
.Ho preparato un esempio interessante che mostra in modo evidente come l'aspetto circuitale possa trarre in inganno esattamente nello stesso modo in cui lo fa con lo schema qui sopra.
Partiamo con un buffer unitario realizzato con un OpAmp. Chi segue questo thread non ha bisogno di dettagli.
Svolgendo l'analisi del circuito si trova che

E' un buffer, lo sapevamo già, ma ora lo sappiamo in numeri. Facciamo adesso una cosa molto carina: aggiungiamoci una reazione positiva.
Se svolgiamo l'analisi del circuito finiamo con l'ottenere la seguente equazione

Ostrega (1), ma la reazione positiva dove è finita? Quale reazione positiva? Non c'è mai stata nessuna reazione positiva! Il circuito sembra avere una reazione positiva che... non c'è. Come dicevo all'inizio, la reazione c'è se la reazione fa (2).
Il circuito a transistor si comporta esattamente allo stesso modo: se a Q4 viene chiesta in emettitore più corrente, questa entra anche nello specchio, viene girata sull'emettitore di Q3, ma non porta nessun effetto perché di quella corrente aggiuntiva, su Q4 finisce solo quella necessaria a mantenere l'emettitore alla stessa tensione dell'ingresso. Nessuna aggiunta, nessun incremento addizionale. Era è e resterà sempre un semplice inseguitore di tensione.
O no?
(1) Accipicchia
(2) Cit. Forrest Gump
1
voti
No 
Per usare proficuamente un simulatore, bisogna sapere molta più elettronica di lui
Plug it in - it works better!
Il 555 sta all'elettronica come Arduino all'informatica! (entrambi loro malgrado)
Se volete risposte rispondete a tutte le mie domande
Plug it in - it works better!
Il 555 sta all'elettronica come Arduino all'informatica! (entrambi loro malgrado)
Se volete risposte rispondete a tutte le mie domande
0
voti
Mi ricordavo bene, cioe' male - ovvero male cioe' bene.
Prima di procedure pero' permettetemi al riguardo di risoluzioni dei disegni (che non si leggono)- di indicarvi il restauro delle immagini dell'Apollo 11 - tirate fuori dal cassetto della scrivania il 100"
https://attivissimo.blogspot.com/2018/0 ... ni-di.html
Torniamo a noi.
- mi ricordavo bene: gli stadi di gudagno sono a mosfet
- mi ricordavo male
: l'amplificatore e l'Acoustat Trans-Nova Twin 200 (e non l'Hafler che ha una topologia molto simile) - le considerazioni fatte valgono a maggior ragione
Prima di procedure pero' permettetemi al riguardo di risoluzioni dei disegni (che non si leggono)- di indicarvi il restauro delle immagini dell'Apollo 11 - tirate fuori dal cassetto della scrivania il 100"
https://attivissimo.blogspot.com/2018/0 ... ni-di.html
Torniamo a noi.
- mi ricordavo bene: gli stadi di gudagno sono a mosfet
- mi ricordavo male
0
voti
Piercarlo ha scritto: gli inseguitori di tensione non guadagnano nulla in tensione in ogni caso, quale che sia il dispositivo di uscita usato... Quindi?
Un mosfet come inseguitore non guadagna in tensione e neppure il bipolare ma:
il mosfet "perde di piu'"
Lo puoi leggere come:
- ha una resistenza di uscita piu' alta
- invece che - per esempio - "guadagnare" 0.9 "guadagna" 0.8
- ha una maggire distorsione
- ecc
Aloia ha scritto (troppo) in proposito (insieme a Cordell che pero' preferisce I mosfet - sul sito trovi qualcosa e ovviamente nel suo libro).
Di Self ricordo poco se non che lui usa I bipolari.
Curl usa i bipolari pilotati da mosfet.
0
voti
Provo a dire quello che mi passa per la mente.
Mi pare anzitutto che il circuito oltre che funzionare possa anche smetter di farlo e spegnersi perché la condizione di corrente nulla in tutti i transistor credo possa essere stabile.
Immaginiamo la condizione in cui Vo è nulla e Vi è positiva, succede che se tutti i transistor sono spenti la condizione è stabile e quindi permane indefinitamente.
Se però arriva una perturbazione che porta a condurre anche solo minimamente uno dei transistor Q1,Q2 o Q4 succede che tutti iniziano a condurre tranne Q3 che inizialmente resta ancora spento perché avendo la base ad un potenziale superiore a quello dell'emettitore è "più spento" degli altri.
E' in queste condizioni che appare evidente la reazione positiva dovuta al fatto che un incremento della corrente di Q4 porta come conseguenza uguale incremento della corrente di Q1 e quindi di quella di base di Q4
Il circuito quindi in presenza di una perturbazione si innesca ed inizia a condurre rapidamente fino a portare in conduzione anche Q3 che rubando corrente a Q1 frena e annulla l'incremento della corrente che altrimenti aumenterebbe fino alla saturazione di Q2 Q3 e Q4.
io aggiungerei una resistenza di valore alto da qualche parte per aiutare il circuito a non restare bloccato con tutti i transistor spenti
Mi pare anzitutto che il circuito oltre che funzionare possa anche smetter di farlo e spegnersi perché la condizione di corrente nulla in tutti i transistor credo possa essere stabile.
Immaginiamo la condizione in cui Vo è nulla e Vi è positiva, succede che se tutti i transistor sono spenti la condizione è stabile e quindi permane indefinitamente.
Se però arriva una perturbazione che porta a condurre anche solo minimamente uno dei transistor Q1,Q2 o Q4 succede che tutti iniziano a condurre tranne Q3 che inizialmente resta ancora spento perché avendo la base ad un potenziale superiore a quello dell'emettitore è "più spento" degli altri.
E' in queste condizioni che appare evidente la reazione positiva dovuta al fatto che un incremento della corrente di Q4 porta come conseguenza uguale incremento della corrente di Q1 e quindi di quella di base di Q4
Il circuito quindi in presenza di una perturbazione si innesca ed inizia a condurre rapidamente fino a portare in conduzione anche Q3 che rubando corrente a Q1 frena e annulla l'incremento della corrente che altrimenti aumenterebbe fino alla saturazione di Q2 Q3 e Q4.
io aggiungerei una resistenza di valore alto da qualche parte per aiutare il circuito a non restare bloccato con tutti i transistor spenti
-

BrunoValente
39,6k 7 11 13 - G.Master EY

- Messaggi: 7796
- Iscritto il: 8 mag 2007, 14:48
Chi c’è in linea
Visitano il forum: Nessuno e 88 ospiti

Elettrotecnica e non solo (admin)
Un gatto tra gli elettroni (IsidoroKZ)
Esperienza e simulazioni (g.schgor)
Moleskine di un idraulico (RenzoDF)
Il Blog di ElectroYou (webmaster)
Idee microcontrollate (TardoFreak)
PICcoli grandi PICMicro (Paolino)
Il blog elettrico di carloc (carloc)
DirtEYblooog (dirtydeeds)
Di tutto... un po' (jordan20)
AK47 (lillo)
Esperienze elettroniche (marco438)
Telecomunicazioni musicali (clavicordo)
Automazione ed Elettronica (gustavo)
Direttive per la sicurezza (ErnestoCappelletti)
EYnfo dall'Alaska (mir)
Apriamo il quadro! (attilio)
H7-25 (asdf)
Passione Elettrica (massimob)
Elettroni a spasso (guidob)
Bloguerra (guerra)









