Forse, per dirimere finalmente la questione, occorrerebbe fare uno studio più pieno e completo su questo tipo di espedienti, sui loro pregi (pochi) e difetti (molti, tra i quali spicca l'illusione che possano davvero sostituire un alimentatore fatto come si deve - per il quale naturalmente occorre spendere un po' di soldini in più).
Hint: lo sapevate che a ogni raddoppio della tensione disponibile dal moltiplicatore si dimezza la sua frequenza di uscita? Quindi 100, poi 50, poi 25 Hertz ecc.
Trasformatore o condensatore ?
Moderatori:
carloc,
g.schgor,
BrunoValente,
IsidoroKZ
0
voti
Se mi posso permettere sul fatto che per avere un buon alimentatore lineare tra l'altro occorre comperarselo non sono affatto d'accordo.
E' una tecnologia cosi assodata e sperimentata che anche chi non ha studiato gli operazionali per bene arriva comunque a degli ottimi risultati.
Io è da 30 anni che sperimento con gli alimentatori al lavoro ne ho usati anche di ottimi e professionali dai vecchi Philips lineari degli anni 70 in avanti che ho anche riparato perché il ci avevano caricato la batteria della macchina...
Forse l'estetica non è al top ma la corrente è democratica e non si fa certo di questi problemi.
E' come montare una sedia dell'Ikea se hai gli atrezzi giusti e il foglio d'avanti ... il risultato è assicurato.
Ciao
P.S. Perche non usate lo schema originale se proprio non volete mettere un secondo avvolgimento?
Serve talmente poca corrente che non c'è bisogno di rivoluzionare il circuito col rischio di utilizzare in modo critico alcuni componenti.
E' una tecnologia cosi assodata e sperimentata che anche chi non ha studiato gli operazionali per bene arriva comunque a degli ottimi risultati.
Io è da 30 anni che sperimento con gli alimentatori al lavoro ne ho usati anche di ottimi e professionali dai vecchi Philips lineari degli anni 70 in avanti che ho anche riparato perché il ci avevano caricato la batteria della macchina...
Forse l'estetica non è al top ma la corrente è democratica e non si fa certo di questi problemi.
E' come montare una sedia dell'Ikea se hai gli atrezzi giusti e il foglio d'avanti ... il risultato è assicurato.
Ciao
P.S. Perche non usate lo schema originale se proprio non volete mettere un secondo avvolgimento?
Serve talmente poca corrente che non c'è bisogno di rivoluzionare il circuito col rischio di utilizzare in modo critico alcuni componenti.
600 Elettra
0
voti
Quando ho parlato di "alimentatore fatto come si deve" non ho minimamente accennato al fatto di comprarselo (fatto che di per sé non garantisce nulla). I soldini in più ci vanno comunque... altro che qualche diodo e qualche condensatore in più.
0
voti
Bene, ringrazio gli amici intervenuti per il loro contributo ma ammetto che mi aspettavo qualcosa di più possibilista e/o documentale.
Riepilogando direi che
edgar e
claudiocedrone non sono favorevoli alluso dei condensatori o tutt'al più derogherebbero per componenti non polarizzati, però in tutti gli schema che ho trovato vengono utilizzati comunissimi elettrolitici polarizzati, anche per questione d’ingombro, immagino, altrimenti tanto varrebbe utilizzare il trasformatore.
stefanopc ha dato una spiegazione che non so se sia giusta ma almeno è apparentemente logica.
Piercarlo invece mi sembra abbia colto nel segno l’oggetto della discussione, sia pur senza particolare slancio ma disponibile ad affrontare un approfondimento.
Risulta abbastanza chiaro che l’applicazione pratica del circuito appaia, complessivamente, più avversata che lodata.
Aggiungo che, per mia maggiore comprensione, ho eseguito una lunga ricerca sul WEB ma gli esiti sono risultati vani. Non ho trovato neppure un cenno ai PRO E CONTRO delle due soluzioni. Si trovano in compenso diversi schema con l’alimentazione negativa ricavata mediante condensatore, ci sono anche gli switching, ma nessuna argomentazione sui concetti teorici a supporto o a discapito della soluzione adottata. Sembrerebbe venga dato per scontato che si possa applicare senza particolari condizioni, a parte il rispetto della tensione di lavoro dei condensatori. Infatti non è un caso che abbia avviato questa discussione su EY perché anche sul nostro Forum non esiste un discussione di approfondimento, sia dal punto di vista teorico che pratico (anche generica, non riferita esclusivamente ad un progetto) e ho pensato che vista la comune e generalizzata carenza informativa, questa poteva essere una buona occasione per compensare quella che risulta essere una lacuna di ampia portata anche se non di vitale importanza…
Quanto alla durata dell'apparato, almeno nel caso specifico, va tenuto in considerazione l’utilizzo che si farebbe del dispositivo. Se le prospettive di utilizzazione sono nell'ordine di qualche ora alla settimana ci dovremmo preoccupare?
Passando al pratico: nel progetto della PCB, NON ho rimosso le piazzole e i collegamenti diretti al ponte per l’alimentazione negativa ma ho comunque aggiunto due collegamenti mediante i due elettrolitici da 100uF e due resistenze da 68 Ohm in serie, oltre al circuito di edgar che determina lo spegnimento dello stadio finale in caso di sovraccarico.
P.S. x Edgar
La presa con due condensatori con ponte di diodi è stata adottata per avere una D.C. negativa meno pulsante e che dovrebbe risultare più pulita, meno rumorosa, utilizzando un condensatore di filtro con dimensioni contenute. Si è cercato anche di contenere le dimensioni della PCB all'interno di una misura di 100x100mm.
Riepilogando direi che
Risulta abbastanza chiaro che l’applicazione pratica del circuito appaia, complessivamente, più avversata che lodata.
Aggiungo che, per mia maggiore comprensione, ho eseguito una lunga ricerca sul WEB ma gli esiti sono risultati vani. Non ho trovato neppure un cenno ai PRO E CONTRO delle due soluzioni. Si trovano in compenso diversi schema con l’alimentazione negativa ricavata mediante condensatore, ci sono anche gli switching, ma nessuna argomentazione sui concetti teorici a supporto o a discapito della soluzione adottata. Sembrerebbe venga dato per scontato che si possa applicare senza particolari condizioni, a parte il rispetto della tensione di lavoro dei condensatori. Infatti non è un caso che abbia avviato questa discussione su EY perché anche sul nostro Forum non esiste un discussione di approfondimento, sia dal punto di vista teorico che pratico (anche generica, non riferita esclusivamente ad un progetto) e ho pensato che vista la comune e generalizzata carenza informativa, questa poteva essere una buona occasione per compensare quella che risulta essere una lacuna di ampia portata anche se non di vitale importanza…
Quanto alla durata dell'apparato, almeno nel caso specifico, va tenuto in considerazione l’utilizzo che si farebbe del dispositivo. Se le prospettive di utilizzazione sono nell'ordine di qualche ora alla settimana ci dovremmo preoccupare?
Passando al pratico: nel progetto della PCB, NON ho rimosso le piazzole e i collegamenti diretti al ponte per l’alimentazione negativa ma ho comunque aggiunto due collegamenti mediante i due elettrolitici da 100uF e due resistenze da 68 Ohm in serie, oltre al circuito di edgar che determina lo spegnimento dello stadio finale in caso di sovraccarico.
P.S. x Edgar
La presa con due condensatori con ponte di diodi è stata adottata per avere una D.C. negativa meno pulsante e che dovrebbe risultare più pulita, meno rumorosa, utilizzando un condensatore di filtro con dimensioni contenute. Si è cercato anche di contenere le dimensioni della PCB all'interno di una misura di 100x100mm.
-

gianniniivo
9.045 7 11 13 - No Rank
- Messaggi: 2875
- Iscritto il: 5 feb 2019, 23:50
0
voti
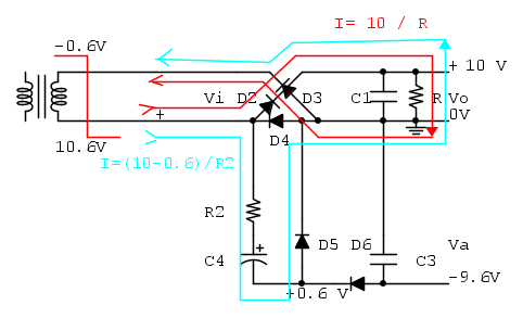
Come e' evidente dal circuito qui sotto la corrente che e' possibile "estrarre" dalla tensione negativa e' una (piccola) frazione di quella assorbita dal carico principale R (non quella che puo' erogare il ponte).
Se qualcuno di buona volonta' vuol fare i conti / simulazione mi impegno a fare la verifica sperimentale su un prototipo.
Vedi anche:
http://www.valvewizard.co.uk/bias.html
P.S. per chi obietta sulla "sovrapposizione degli effetti" credo di avere una (buona) risposta
Se qualcuno di buona volonta' vuol fare i conti / simulazione mi impegno a fare la verifica sperimentale su un prototipo.
Vedi anche:
http://www.valvewizard.co.uk/bias.html
P.S. per chi obietta sulla "sovrapposizione degli effetti" credo di avere una (buona) risposta
0
voti
Ammetto che non ho capito completamente il tuo schema.
Non mi spiego perche la corrente disegnata in azzurro non passa nel diodo D3 invece di fare il giro su R per poi tornare al secondario del trasformatore ?
Ciao
Non mi spiego perche la corrente disegnata in azzurro non passa nel diodo D3 invece di fare il giro su R per poi tornare al secondario del trasformatore ?
Ciao
600 Elettra
0
voti
Hai ragione.
E' per questo che ho chiesto qualcuno (di buona volonta'
) disposto a fare un conto / simulazione.
Rimango a disposizione per fare misure sperimentali su un prototipo.
E' per questo che ho chiesto qualcuno (di buona volonta'
Rimango a disposizione per fare misure sperimentali su un prototipo.
0
voti
Vediamo di stimolare la discussione
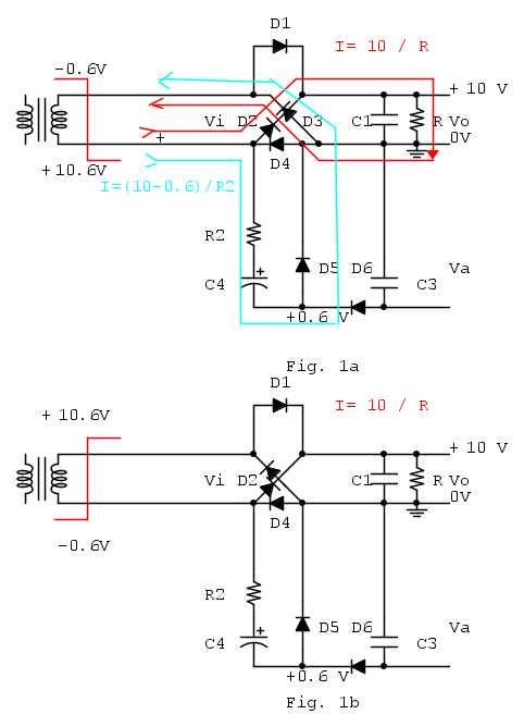
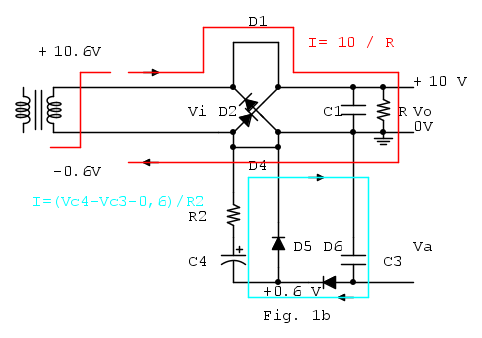
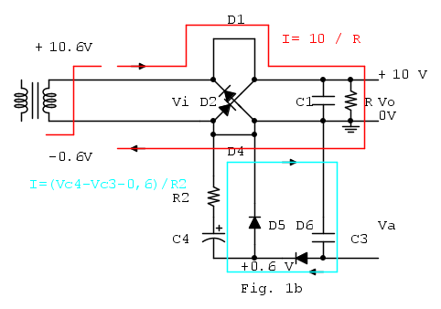
Nella Fig. 1a e' disegnato il circuito originale con la (giusta) correzione di
stefanopc
In ingresso al circuito (secondario del trasformatore) e' presente una semionda "negativa".
- In rosso e' disegnato il percorso della corrente che circola nel carico R
- In celeste e' disegnato il percorso della corrente di carica del condensatore C4
Credo si possa concordare sul fatto che al termine della semionda negativa C4 e' carico ad un qualche valore di tensione con la polarita' indicata.
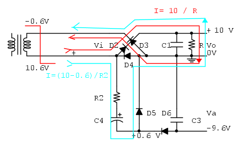
Guardiamo adesso la Fig. 1b
In ingresso al circuito (secondario del trasformatore) e' presente una semionda "positiva".
In questa fase C4 deve "scaricarsi" su C3 per produrre in uscita la tensione negativa (tanto) desiderata
Disegnare:
- in rosso il percorso della corrente che circola sul carico R
- in celeste il percorso della corrente di scarica di C4 e carica di C3
Nella Fig. 1a e' disegnato il circuito originale con la (giusta) correzione di
In ingresso al circuito (secondario del trasformatore) e' presente una semionda "negativa".
- In rosso e' disegnato il percorso della corrente che circola nel carico R
- In celeste e' disegnato il percorso della corrente di carica del condensatore C4
Credo si possa concordare sul fatto che al termine della semionda negativa C4 e' carico ad un qualche valore di tensione con la polarita' indicata.
Guardiamo adesso la Fig. 1b
In ingresso al circuito (secondario del trasformatore) e' presente una semionda "positiva".
In questa fase C4 deve "scaricarsi" su C3 per produrre in uscita la tensione negativa (tanto) desiderata
Disegnare:
- in rosso il percorso della corrente che circola sul carico R
- in celeste il percorso della corrente di scarica di C4 e carica di C3
0
voti
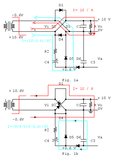
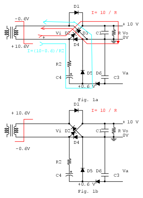
Io la ho intesa cosi...
Il ponte per comodità usa diodi ideali (1NIdeal) che quando sono in conduzione sono R=0 .
Quindi si puo' sostituire ai diodi in conduzione un bel filo.
Fig 1A - niente di nuovo.
Fig 1B - Ipotizziamo che la corrente rossa sia sempre molto maggiore di quella azzurra come normalmente succede perche R è molto piu piccola di R2.
- D4 rimane un filo e il condensatore c4 carica il condensatore c3 attraverso R2 e il diodo.
Ciao
Il ponte per comodità usa diodi ideali (1NIdeal) che quando sono in conduzione sono R=0 .
Quindi si puo' sostituire ai diodi in conduzione un bel filo.
Fig 1A - niente di nuovo.
Fig 1B - Ipotizziamo che la corrente rossa sia sempre molto maggiore di quella azzurra come normalmente succede perche R è molto piu piccola di R2.
- D4 rimane un filo e il condensatore c4 carica il condensatore c3 attraverso R2 e il diodo.
Ciao
600 Elettra
0
voti
stefanopc ha scritto:Fig 1B - Ipotizziamo che la corrente rossa sia sempre molto maggiore di quella azzurra come normalmente succede perche R è molto piu piccola di R2.
- D4 rimane un filo e il condensatore c4 carica il condensatore c3 attraverso R2 e il diodo.
Grazie per l'intervento.
Hai centrato il punto!
Se il carico R assorbe "poco" non hai tensione sull'uscita negativa.
Nella tua spiegazione mi sembra manchi una parte "un po' piu' quantitativa" sulla "sparizione" del diodo D4 (che sembrerebbe contropolarizzato durante il "trasferimento di carica" da C4 a C3).
Io ho preparato una "semispiegazione semiquantitativa" ma mi piacerebbe prima avere una tua idea al riguardo.
Grazie ancora per aver impiegato la tua pennica domenicale
Chi c’è in linea
Visitano il forum: Majestic-12 [Bot] e 69 ospiti

Elettrotecnica e non solo (admin)
Un gatto tra gli elettroni (IsidoroKZ)
Esperienza e simulazioni (g.schgor)
Moleskine di un idraulico (RenzoDF)
Il Blog di ElectroYou (webmaster)
Idee microcontrollate (TardoFreak)
PICcoli grandi PICMicro (Paolino)
Il blog elettrico di carloc (carloc)
DirtEYblooog (dirtydeeds)
Di tutto... un po' (jordan20)
AK47 (lillo)
Esperienze elettroniche (marco438)
Telecomunicazioni musicali (clavicordo)
Automazione ed Elettronica (gustavo)
Direttive per la sicurezza (ErnestoCappelletti)
EYnfo dall'Alaska (mir)
Apriamo il quadro! (attilio)
H7-25 (asdf)
Passione Elettrica (massimob)
Elettroni a spasso (guidob)
Bloguerra (guerra)







