Oppure c’è anche questo per 33euro compresa spedizione.
600V – 400A – 1.500W.
Però questo modello ha due basi di pilotaggio e non tre.
Questi componenti si trovano anche in alcuni apparecchi elettromedicali o nei regolatori inverter per condizionatori.
Carico elettronico
Moderatori:
carloc,
g.schgor,
BrunoValente,
IsidoroKZ
0
voti
gill90 ha scritto:In poche parole quello che succede è che, da una certa tensionein giù (detta di ZTC o Zero Thermal Coefficient), la tensione di soglia del MOS decresce con la temperatura più di quanto cresca la resistenza di canale, determinando un aumento della corrente di drain man mano che il silicio si scalda. Ovviamente questo produce un feedback positivo: più un singolo MOS conduce, più scalda, più tenderà a condurre, finché supera la SOA ed esplode.
Ad essere sincero proprio ieri sera stavo pensando ad una cosa....
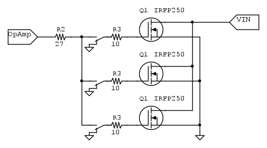
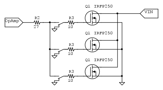
Il circuito è bello perché permette di testare alimentatori con grandi carichi ripartendo la corrente sui vari mosfet ma quella volta che devo testare una piccola batteria o un piccolo alimentatore farei fatica ad assorbire piccoli carichi quindi...
E se mettesi la funzione "ON/OFF" dei mosfet??? aiuterebbe anche a risolvere il problema della ZTC in quanto diminuisco i mosfet e quindi aumento la Vgs per i mosfet rimanenti?????
Ho detto una cavolata????
0
voti
corneliofallaci ha scritto:Oppure c’è anche questo per 33euro compresa spedizione.
600V – 400A – 1.500W.
Però questo modello ha due basi di pilotaggio e non tre.
Questi componenti si trovano anche in alcuni apparecchi elettromedicali o nei regolatori inverter per condizionatori.
Ok sicuramente molto interessante ma poi riesco ad usarlo come carico piccolo? tipo per piccole batterie lipo 3.3v??
0
voti
Non lo so ma non pensare di cavartela con meno di 8/10 mosfet in parallelo per misurare 1kW o più. Al limite per i bassi valori puoi trovare una soluzione complementare come dovresti comunque trovarla coi mosfet. Con il Darlington hai più potenza, sicurezza, meno lavoro e meno costi.
Però non ha senso usare un bilico per trasportare una piuma, basta una bicicletta.
Però non ha senso usare un bilico per trasportare una piuma, basta una bicicletta.
-

corneliofallaci
1.470 1 4 7 - Stabilizzato

- Messaggi: 314
- Iscritto il: 10 mag 2018, 18:43
0
voti
wimatech ha scritto:... ma poi riesco ad usarlo come carico piccolo?
L'1DI300D-100 proposto prima ha, secondo lo scarso datasheet cinese, una IEBO di 800mA, quindi dovrebbe essere utilizzabile fino a questa corrente (o meglio un po di piu, per non rischiare uno spegnimento), peraltro il guadagno di 100 richiederebbe comunque una certa corrente di base (pilotandolo dalla base con maggior guadagno), al massimo con 500mA in base ci potresti testare una cinquantina di A di corrente, per andare piu su servirebbe un'operazionale di potenza maggiore, ad esempio, OPA569 oppure LT1210, o roba simile.
Questo riguardo la corrente, invece per la tensione devi considerare le tipiche cadute sui darlington, quindi sotto una certa tensione non li potresti usare (pero, come gia detto, potresti realizzarne un altro piu piccolo e preciso solo per quelle, li usando mosfet)
"Sopravvivere" e' attualmente l'unico lusso che la maggior parte dei Cittadini italiani,
sia pure a costo di enormi sacrifici, riesce ancora a permettersi.
sia pure a costo di enormi sacrifici, riesce ancora a permettersi.
-

Etemenanki
9.527 3 6 10 - Master

- Messaggi: 5951
- Iscritto il: 2 apr 2021, 23:42
- Località: Dalle parti di un grande lago ... :)
0
voti
Dipende anche da quale base piloti il Darlington.
Stando al grafico della hFE sembra che il 1DI300D-100 abbia un guadagno tra 500 e 2000 circa, a 25 gradi e a 2.5V. Quindi sembrerebbe in grado di gestire anche tensioni minime. Ci vorrebbe un datasheet più completo ma non lo trovo. Io non avrei esitazioni sulla scelta. Anche il costo non è eccessivo. Se si comprano una decina di mosfet da un venditore serio non si spende meno di 30 euro con tutti gli inconvenienti che la gestione di un parallelo comporta.
Stando al grafico della hFE sembra che il 1DI300D-100 abbia un guadagno tra 500 e 2000 circa, a 25 gradi e a 2.5V. Quindi sembrerebbe in grado di gestire anche tensioni minime. Ci vorrebbe un datasheet più completo ma non lo trovo. Io non avrei esitazioni sulla scelta. Anche il costo non è eccessivo. Se si comprano una decina di mosfet da un venditore serio non si spende meno di 30 euro con tutti gli inconvenienti che la gestione di un parallelo comporta.
-

corneliofallaci
1.470 1 4 7 - Stabilizzato

- Messaggi: 314
- Iscritto il: 10 mag 2018, 18:43
0
voti
wimatech ha scritto:E se mettesi la funzione "ON/OFF" dei mosfet??? aiuterebbe anche a risolvere il problema della ZTC in quanto diminuisco i mosfet e quindi aumento la Vgs per i mosfet rimanenti?????
Come vorresti implementarla poi praticamente? Analog switch?
In ogni caso non funzionerebbe, il tuo sistema non può sapere quando un MOS scalda più degli altri e anche se lo facesse ad alte correnti non avresti scampo.
Il darlington di potenza lo vedo adatto a soluzioni switching o a loop aperto, ma chiudere quel bestione in un loop di controllo di corrente mi sa che è un po’ problematico.
0
voti
In questa discussione si può trovare qualche spunto interessante.
viewtopic.php?f=1&t=84665&hilit=Carico+Sziklai
Ciao
viewtopic.php?f=1&t=84665&hilit=Carico+Sziklai
Ciao
600 Elettra
Chi c’è in linea
Visitano il forum: Nessuno e 197 ospiti

Elettrotecnica e non solo (admin)
Un gatto tra gli elettroni (IsidoroKZ)
Esperienza e simulazioni (g.schgor)
Moleskine di un idraulico (RenzoDF)
Il Blog di ElectroYou (webmaster)
Idee microcontrollate (TardoFreak)
PICcoli grandi PICMicro (Paolino)
Il blog elettrico di carloc (carloc)
DirtEYblooog (dirtydeeds)
Di tutto... un po' (jordan20)
AK47 (lillo)
Esperienze elettroniche (marco438)
Telecomunicazioni musicali (clavicordo)
Automazione ed Elettronica (gustavo)
Direttive per la sicurezza (ErnestoCappelletti)
EYnfo dall'Alaska (mir)
Apriamo il quadro! (attilio)
H7-25 (asdf)
Passione Elettrica (massimob)
Elettroni a spasso (guidob)
Bloguerra (guerra)
in giù (detta di ZTC o Zero Thermal Coefficient), la tensione di soglia del MOS decresce con la temperatura più di quanto cresca la resistenza di canale, determinando un aumento della corrente di drain man mano che il silicio si scalda. Ovviamente questo produce un feedback positivo: più un singolo MOS conduce, più scalda, più tenderà a condurre, finché supera la SOA ed esplode.






