- 200420111167.jpg (173.32 KiB) Osservato 2831 volte
Orologio a led
Moderatori:
carloc,
g.schgor,
BrunoValente,
IsidoroKZ
0
voti
[93] Re: Orologio a led
Allora i componenti delle ultime tre foto sono:
1) Nella prima il circuito stampato con ancora inserito un transistor S9014C221 di tipo NPN
2)Nella seconda foto si vede il circuito stampato più l'oscillatore al quarzo che non ricordo in quale foro del circuito stampato vada
3)nella terza foto abbiamo di nuovo il circuito stampato e il quarzo e in più si vede un condensatore in ceramica 104 e anche questo non ricordo dove vada collegato
1) Nella prima il circuito stampato con ancora inserito un transistor S9014C221 di tipo NPN
2)Nella seconda foto si vede il circuito stampato più l'oscillatore al quarzo che non ricordo in quale foro del circuito stampato vada
3)nella terza foto abbiamo di nuovo il circuito stampato e il quarzo e in più si vede un condensatore in ceramica 104 e anche questo non ricordo dove vada collegato
0
voti
[94] Re: Orologio a led
Incredibile, non ci speravo piu` di vedere i led accendersi e spegnersi in sequenza
. Dovresti aver imparato che gli schemi elettrici non sono come il latino, in cui talvolta bisogna sottointendere un sunt, o come ho trovato stamattina in Sallustio "profiteri (nomen) nequiverat": gli schemi si seguono alla lettera!
Misura la tensione su ciascuna resistenza in serie ai led: dividendo questa tensione per il valore della resistenza puoi calcolare quanta corrente alimenta ciascun led. Se ti va bene la luce che fanno i led senza transistor risparmi di montare 60 transistori. Prova anche a vederli alla luce del giorno. VOGLIO 3 o 4 numeri delle misure di tensione. Gia` che ci sei misura anche le tensioni di uscita sul 4015 (a,b, c, d) e quella di alimentazione. E` una curiosita` per vedere quanta corrente si puo` tirare dall'integrato.
Se hai problemi a misurare le tensioni perche' i led si accendono e spengono, fai la modifica al clock che avevo suggerito una sessantina di messaggi fa, in modo da andare un passo per volta.
Se sulla scheda della sveglia, a parte quel condensatore da 10nF non c'erano altri condensatori o resistenze, va bene, non si recupera nulla, e facciamo il circuito oscillante con i componenti che ti avevo detto di comprare.
Nel frattempo comincia a pensare a come montare gli 8 integrati 4015 su una scheda millefori, tenendo conto che ci sara` sulla stessa scheda anche il 40106 e il 4060. Per i display numerici a 7 segmenti vediamo in seguito, se farlo a integrati o se qualcun altro ti guida a farlo con un microcontrollore.
Misura la tensione su ciascuna resistenza in serie ai led: dividendo questa tensione per il valore della resistenza puoi calcolare quanta corrente alimenta ciascun led. Se ti va bene la luce che fanno i led senza transistor risparmi di montare 60 transistori. Prova anche a vederli alla luce del giorno. VOGLIO 3 o 4 numeri delle misure di tensione. Gia` che ci sei misura anche le tensioni di uscita sul 4015 (a,b, c, d) e quella di alimentazione. E` una curiosita` per vedere quanta corrente si puo` tirare dall'integrato.
Se hai problemi a misurare le tensioni perche' i led si accendono e spengono, fai la modifica al clock che avevo suggerito una sessantina di messaggi fa, in modo da andare un passo per volta.
Se sulla scheda della sveglia, a parte quel condensatore da 10nF non c'erano altri condensatori o resistenze, va bene, non si recupera nulla, e facciamo il circuito oscillante con i componenti che ti avevo detto di comprare.
Nel frattempo comincia a pensare a come montare gli 8 integrati 4015 su una scheda millefori, tenendo conto che ci sara` sulla stessa scheda anche il 40106 e il 4060. Per i display numerici a 7 segmenti vediamo in seguito, se farlo a integrati o se qualcun altro ti guida a farlo con un microcontrollore.
Per usare proficuamente un simulatore, bisogna sapere molta più elettronica di lui
Plug it in - it works better!
Il 555 sta all'elettronica come Arduino all'informatica! (entrambi loro malgrado)
Se volete risposte rispondete a tutte le mie domande
Plug it in - it works better!
Il 555 sta all'elettronica come Arduino all'informatica! (entrambi loro malgrado)
Se volete risposte rispondete a tutte le mie domande
0
voti
[95] Re: Orologio a led
La tensione sulla prima resistenza è di 7.45V
la tensione sulla seconda resistenza è di 7.40V
la tensione sulla terza resistenza è di 8.39V
la tensione sulla quarta resistenza è di 8.61V
Quindi facendo le opportune divisioni ovvero I=AV/R ottengo che:
L'intensità sul primo led è pari a 0.022A
L'intensità sul secondo led è di 0.022A
L'intensità sul terzo led è di 0.0038A
L'intensità sul quarto led è di 0.0031A
Adesso calcolo la tensione sui piedini del 4015:
La tensione sul piedino a è di 11.38V
la tensione su b è di 11.34V
la tensione su c è di 11.22V
la tensione su d è di 11.36V
La corrente di alimentazione invece è pari a 12.07V
Ho provato i led alla luce del giorno e quelli collegati alle resistenze da 2.2 e 2.7Kohm non si notano tanto ovvero si nota che sono accesi ma se ci si fa caso e un po' si agguzza la vista.Quelli con i transistor invece si notano molto di più alla luce del giorno mentre in una stanza buia la differenza si nota ma non è moltissima. Cosa mi consigli di fare? di comprare 60 transistor o 60 resistenze? Considerando anche il fatto che il montaggio di 60 transistor non semplifica certo le cose. Non ci sono altre resistenze che possono rappresentare un buon compresso?Cioè delle resistenze che facciano in modo che i led mantengano una buona luminosità anche di giorno?
Il CD4060 e tutti gli altri componenti che mi avevi chiesto di comprare li ho comprati e sono per la precisione:
CD4060BE
2 Condensatori ceramici da 39pF
Resistenza da 10Mohm
Resistenza da 220Kohm
Quarzo recuperato dalla sveglia
Sono pronto ad usare anche il CD4060BE
Ho comprato anche una basetta millefori le cui dimensioni sono: 16cm di lunghezza e 10cm di altezza se serve posto una foto
Per il montaggio del circuito sulla basetta millefori come posso "improvvisarlo su un software per PC in modo che poi abbia le idee più chiare?
la tensione sulla seconda resistenza è di 7.40V
la tensione sulla terza resistenza è di 8.39V
la tensione sulla quarta resistenza è di 8.61V
Quindi facendo le opportune divisioni ovvero I=AV/R ottengo che:
L'intensità sul primo led è pari a 0.022A
L'intensità sul secondo led è di 0.022A
L'intensità sul terzo led è di 0.0038A
L'intensità sul quarto led è di 0.0031A
Adesso calcolo la tensione sui piedini del 4015:
La tensione sul piedino a è di 11.38V
la tensione su b è di 11.34V
la tensione su c è di 11.22V
la tensione su d è di 11.36V
La corrente di alimentazione invece è pari a 12.07V
Ho provato i led alla luce del giorno e quelli collegati alle resistenze da 2.2 e 2.7Kohm non si notano tanto ovvero si nota che sono accesi ma se ci si fa caso e un po' si agguzza la vista.Quelli con i transistor invece si notano molto di più alla luce del giorno mentre in una stanza buia la differenza si nota ma non è moltissima. Cosa mi consigli di fare? di comprare 60 transistor o 60 resistenze? Considerando anche il fatto che il montaggio di 60 transistor non semplifica certo le cose. Non ci sono altre resistenze che possono rappresentare un buon compresso?Cioè delle resistenze che facciano in modo che i led mantengano una buona luminosità anche di giorno?
Il CD4060 e tutti gli altri componenti che mi avevi chiesto di comprare li ho comprati e sono per la precisione:
CD4060BE
2 Condensatori ceramici da 39pF
Resistenza da 10Mohm
Resistenza da 220Kohm
Quarzo recuperato dalla sveglia
Sono pronto ad usare anche il CD4060BE
Ho comprato anche una basetta millefori le cui dimensioni sono: 16cm di lunghezza e 10cm di altezza se serve posto una foto
Per il montaggio del circuito sulla basetta millefori come posso "improvvisarlo su un software per PC in modo che poi abbia le idee più chiare?
0
voti
[96] Re: Orologio a led
Complimenti per la tua passione ma perche non usi un PIC
con 6 + 10 uscite
in modo da crearti una matrice 6*10 (60 led)
poi ti basterebbe fare un and su colonna e riga
ad esempio per accendere il led numero 15
la riga 3 deve corrisponde a 1 (segnale alto)
e alla colonna 5 a 1 (segnale alto)
and di 1 1 fa 1 e accenderebbe il led 15 3*5 =15 e cosi via
magari provalo come esercizio :) (questa è solo una mia idea) cosi il circuito si riduce notevolmente ed entri nel fantastico mondo dei PIC e della loro programmazione rendendoti i circuiti piccoli e più facile da gestire
ma devi studiare un bel po (ma con tutta quella passione che hai sara una bazzecola
)
con 6 + 10 uscite
in modo da crearti una matrice 6*10 (60 led)
poi ti basterebbe fare un and su colonna e riga
ad esempio per accendere il led numero 15
la riga 3 deve corrisponde a 1 (segnale alto)
e alla colonna 5 a 1 (segnale alto)
and di 1 1 fa 1 e accenderebbe il led 15 3*5 =15 e cosi via
magari provalo come esercizio :) (questa è solo una mia idea) cosi il circuito si riduce notevolmente ed entri nel fantastico mondo dei PIC e della loro programmazione rendendoti i circuiti piccoli e più facile da gestire
ma devi studiare un bel po (ma con tutta quella passione che hai sara una bazzecola
0
voti
[97] Re: Orologio a led
Ti ringrazio davvero per il consiglio.Anche io ho intenzione di utilizzare un PIC per questo progetto però solo per far andare i display a 7 segmenti però per sapere se devo utilizzare o meno i PIC aspetto il responso di IsidoroKZ che mi ha portato per mano fin qui e lo ringrazio moltissimo.
Utilizzare i microcontrollori mi piacerebbe da matti soprattutto perché con i PIC si aprono infinite porte verso il mondo dell'elettronica è anche vero però che sono un principiante e che nonostante la mia passione mi spinga a voler realizzare certi progetti non ho certo le conoscenze adeguate e ho bisogno di essere guidato.
Di certo non rifiuto la lettura e lo studio di un libro di elettronica e infatti il prossimo libro di elettronica che comprerò sarà quello di Paolino sui PIC.Sono partito dai circuiti integrati perché prima di spingermi verso un mondo più complesso,quale quello dei microprocessori,ho bisogno di solide fondamenta. A che servirebbe saper costruire un tetto di una casa se non si sanno costruire le basi? Ed è per questo motivo che ho scelto di partire dal "basso" anche se basso in realtà non lo è perché tutto quello che riguarda l'elettronica per me è magia!!E spero che sia così per tutti coloro che prendono parte a questo forum e che hanno sete "elettrica" di sapere.
Di certo qualche aiuto e consiglio sui PIC non sarà male accetto ANZI sarà accolto con grandissima felicità e soprattutto mi farà sentire un piccolo uomo alla scoperta di un universo ricco di emozioni le cui divinità siete voi.
Di che PIC parli in particolare floppinoo? Come dovrei indirizzarmi per fare l'and su riga e colonna ?
Utilizzare i microcontrollori mi piacerebbe da matti soprattutto perché con i PIC si aprono infinite porte verso il mondo dell'elettronica è anche vero però che sono un principiante e che nonostante la mia passione mi spinga a voler realizzare certi progetti non ho certo le conoscenze adeguate e ho bisogno di essere guidato.
Di certo non rifiuto la lettura e lo studio di un libro di elettronica e infatti il prossimo libro di elettronica che comprerò sarà quello di Paolino sui PIC.Sono partito dai circuiti integrati perché prima di spingermi verso un mondo più complesso,quale quello dei microprocessori,ho bisogno di solide fondamenta. A che servirebbe saper costruire un tetto di una casa se non si sanno costruire le basi? Ed è per questo motivo che ho scelto di partire dal "basso" anche se basso in realtà non lo è perché tutto quello che riguarda l'elettronica per me è magia!!E spero che sia così per tutti coloro che prendono parte a questo forum e che hanno sete "elettrica" di sapere.
Di certo qualche aiuto e consiglio sui PIC non sarà male accetto ANZI sarà accolto con grandissima felicità e soprattutto mi farà sentire un piccolo uomo alla scoperta di un universo ricco di emozioni le cui divinità siete voi.
Di che PIC parli in particolare floppinoo? Come dovrei indirizzarmi per fare l'and su riga e colonna ?
0
voti
[98] Re: Orologio a led
Sono riuscito a far funzionare il CD4060 è una meraviglia
sono felicissimo...Sono riuscito a farlo andare guardando il data sheet
Però ho un problema cioè utilizzando il pin3 (anche chiamato Q14) che è il piedino x cui si ha una divisione massima di 2^14 il tempo con cui i led si accendono e si spengono in sequenza rimane molto basso ed inferiore ad un secondo. Diciamo che è molto simile alla velocità che avevamo ottenuto prima con solo la resistenza da 100Kohm e il condensatore da 10uF.
Cambiando piedinatura del CD4060 e procedendo verso divisioni minori 2^13 e via discorrendo il tempo con cui i led si accendono e si spengono in sequenza diminuisce sempre più e si arriva a dei tempi bassissimi in cui led per poco non sono accesi tutti contemporaneamente.
Al 4060 ho collegato i due condensatori da 39pF il quarzo la resistenza da 10Mohm e la resistenza da 220Kohm.Posso fare anche una foto e il video nel caso fosse necessario.Per ottenere il tempo desiderato dobbiamo agire nella sostituzione della resistenza e dei condensatori utilizzati nel 4060?
In tua assenza mi sono divertito anche a utilizzare tutti pin del CD4015 e quindi ho collegato tutti gli 8 led che si potevano collegare a un CD4015.Riesco a far andare perfettamente tutti i led in sequenza però non capisco perché fino al settimo Led,se collego la porta invertente al piedino dello stesso led ovvero al pin11i led si accendono e spengono in sequenza,invece se collego la porta invertente al piedino h ovvero al piedino dell'ultimo led,pin2,i led si accendono in sequenza fino ad arrivare all'ottavo(ultimo) led e poi rimangono accesi senza spegnersi in sequenza.
Però ho un problema cioè utilizzando il pin3 (anche chiamato Q14) che è il piedino x cui si ha una divisione massima di 2^14 il tempo con cui i led si accendono e si spengono in sequenza rimane molto basso ed inferiore ad un secondo. Diciamo che è molto simile alla velocità che avevamo ottenuto prima con solo la resistenza da 100Kohm e il condensatore da 10uF.
Cambiando piedinatura del CD4060 e procedendo verso divisioni minori 2^13 e via discorrendo il tempo con cui i led si accendono e si spengono in sequenza diminuisce sempre più e si arriva a dei tempi bassissimi in cui led per poco non sono accesi tutti contemporaneamente.
Al 4060 ho collegato i due condensatori da 39pF il quarzo la resistenza da 10Mohm e la resistenza da 220Kohm.Posso fare anche una foto e il video nel caso fosse necessario.Per ottenere il tempo desiderato dobbiamo agire nella sostituzione della resistenza e dei condensatori utilizzati nel 4060?
In tua assenza mi sono divertito anche a utilizzare tutti pin del CD4015 e quindi ho collegato tutti gli 8 led che si potevano collegare a un CD4015.Riesco a far andare perfettamente tutti i led in sequenza però non capisco perché fino al settimo Led,se collego la porta invertente al piedino dello stesso led ovvero al pin11i led si accendono e spengono in sequenza,invece se collego la porta invertente al piedino h ovvero al piedino dell'ultimo led,pin2,i led si accendono in sequenza fino ad arrivare all'ottavo(ultimo) led e poi rimangono accesi senza spegnersi in sequenza.
0
voti
[99] Re: Orologio a led
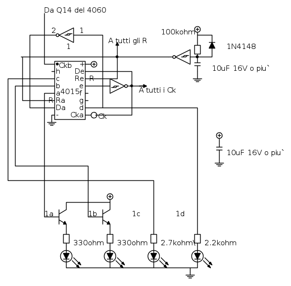
Bravissimo per il 4060!
E` giusto che i led si accendano e spengano in fretta, perche' il quarzo e` da 32768Hz=2^15 Hz, e la massima divisione del 4060 e` 2^14 e quindi dal 4060 esce una frequenza di 2Hz. Per ridurla a 1 Hz usiamo meta` di un 4015, che sarebbe comunque inutilizzato e un inverter.
Certo che se avessi fatto lo schema in fidocad del 4060, adesso potrei prenderlo e metterlo nello schema complessivo. Faro` senza.
Lo schema per usare mezzo 4015 come divisore per due, e l'altro mezzo per accendere i led in sequenza e` questo:
Le frecce a tutti gli R e a tutti i Ck si riferiscono alla versione finale, con 8 4015.
Il fatto che collegando la porta invertente all'uscita h non si spengano piu` i led e` perche' hai fatto il solito errore (uno dei soliti): hai messo il led senza resistenza, oppure con resistenza troppo bassa, oppure hai messo un collegamento di troppo...
Prova il divisore per due qui sopra. Alle uscide e, f g ed h non si attaccano led, questa sezione di shift register serve solo a ottenere la frequenza di un secondo.
Se guardi il primissimo schema che avevo fatto, le uscite 8e 8f 8g 8h dell'ultimo 4015 non sono usate. Nello schema finale questo mezzo 4015 sara` usato per dividere la frequenza. Considera lo schema che ho fatto sopra come quello dell'ottavo 4015, con gli ultimi 4 led.
E` giusto che i led si accendano e spengano in fretta, perche' il quarzo e` da 32768Hz=2^15 Hz, e la massima divisione del 4060 e` 2^14 e quindi dal 4060 esce una frequenza di 2Hz. Per ridurla a 1 Hz usiamo meta` di un 4015, che sarebbe comunque inutilizzato e un inverter.
Certo che se avessi fatto lo schema in fidocad del 4060, adesso potrei prenderlo e metterlo nello schema complessivo. Faro` senza.
Lo schema per usare mezzo 4015 come divisore per due, e l'altro mezzo per accendere i led in sequenza e` questo:
Le frecce a tutti gli R e a tutti i Ck si riferiscono alla versione finale, con 8 4015.
Il fatto che collegando la porta invertente all'uscita h non si spengano piu` i led e` perche' hai fatto il solito errore (uno dei soliti): hai messo il led senza resistenza, oppure con resistenza troppo bassa, oppure hai messo un collegamento di troppo...
Prova il divisore per due qui sopra. Alle uscide e, f g ed h non si attaccano led, questa sezione di shift register serve solo a ottenere la frequenza di un secondo.
Se guardi il primissimo schema che avevo fatto, le uscite 8e 8f 8g 8h dell'ultimo 4015 non sono usate. Nello schema finale questo mezzo 4015 sara` usato per dividere la frequenza. Considera lo schema che ho fatto sopra come quello dell'ottavo 4015, con gli ultimi 4 led.
Per usare proficuamente un simulatore, bisogna sapere molta più elettronica di lui
Plug it in - it works better!
Il 555 sta all'elettronica come Arduino all'informatica! (entrambi loro malgrado)
Se volete risposte rispondete a tutte le mie domande
Plug it in - it works better!
Il 555 sta all'elettronica come Arduino all'informatica! (entrambi loro malgrado)
Se volete risposte rispondete a tutte le mie domande
0
voti
[100] Re: Orologio a led
Ho fatto tutto il circuito che mi è stato indicato nell'ultima risposta e devo dire che il circuito va.Il problema è che il quarzo mi si è rotto in quanto manovrandolo uno dei piedini del quarzo si è staccato e ci servirebbe davvero un micro saldatore per recuperarlo...ho deciso allora di non usare il quarzo ma di fare un circuito RC per ottenere il tempo desiderato.Diciamo che a tentativi sono andato e non ho effettuato calcoli per ottenere un risultato che si avvicinasse alla sequenza perfetta di un secondo.
Il circuito RC è formato da due resistenze: La prima da 220Kohm e la seconda da 22Kohm e un condensatore da 0.1uF.Il tempo di accensione e spegnimento dei led in sequenza sembra essere di 1sec. perfetto anche se sembra anticipare di qualche millessimo.Adessi posto lo schema RC che ho effettuato nel 4060 vorrei però sapere se è possibile sapere matematicamente a quanto ammonta il tempo preciso dei led per accendersi e spegnersi e se è di 1sec. perfetto oppure lo approssima.
Potrei sapere la formula che si usa per arrivare a calcolare il tempo che i Led impiegano per accendersi e spegnersi in sequenza nel circuito RC?
Posso anche postare un video del funzionamento e anche delle foto se fosse necessario.
Questo è il circuito RC da me realizzato
Il circuito RC è formato da due resistenze: La prima da 220Kohm e la seconda da 22Kohm e un condensatore da 0.1uF.Il tempo di accensione e spegnimento dei led in sequenza sembra essere di 1sec. perfetto anche se sembra anticipare di qualche millessimo.Adessi posto lo schema RC che ho effettuato nel 4060 vorrei però sapere se è possibile sapere matematicamente a quanto ammonta il tempo preciso dei led per accendersi e spegnersi e se è di 1sec. perfetto oppure lo approssima.
Potrei sapere la formula che si usa per arrivare a calcolare il tempo che i Led impiegano per accendersi e spegnersi in sequenza nel circuito RC?
Posso anche postare un video del funzionamento e anche delle foto se fosse necessario.
Questo è il circuito RC da me realizzato
Chi c’è in linea
Visitano il forum: Google [Bot] e 82 ospiti

Elettrotecnica e non solo (admin)
Un gatto tra gli elettroni (IsidoroKZ)
Esperienza e simulazioni (g.schgor)
Moleskine di un idraulico (RenzoDF)
Il Blog di ElectroYou (webmaster)
Idee microcontrollate (TardoFreak)
PICcoli grandi PICMicro (Paolino)
Il blog elettrico di carloc (carloc)
DirtEYblooog (dirtydeeds)
Di tutto... un po' (jordan20)
AK47 (lillo)
Esperienze elettroniche (marco438)
Telecomunicazioni musicali (clavicordo)
Automazione ed Elettronica (gustavo)
Direttive per la sicurezza (ErnestoCappelletti)
EYnfo dall'Alaska (mir)
Apriamo il quadro! (attilio)
H7-25 (asdf)
Passione Elettrica (massimob)
Elettroni a spasso (guidob)
Bloguerra (guerra)





