Si in effetti la frase non era molto comprensibile; il fatto è che ora scatta la fase 2...
Come far diventare un "canale" master per l'inserzione in serie... provo a disegnare qualcosa che spero sia sensato..
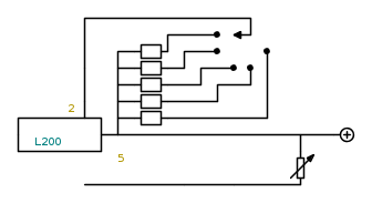
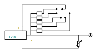
allora, con una serie di interruttori-deviatori si fa diventare unico l'amperometro ed il voltmetro... ma come si fa a far diventare unica la regolazione di tensione e corrente? e soprattutto è possibile con questo tipo di circuito?
Strumenti indispensabili
Moderatori:
carloc,
g.schgor,
BrunoValente,
IsidoroKZ
0
voti
C. America: Sei grosso con l'armatura; senza quella cosa sei?
Tony Stark: Un genio, miliardario playboy filantropo
Sfodera un autocompiacimento da manuale... Concordo
Se i miei calcoli non sono errati, e non lo sono mai, 3 Giga Joule al secondo
Tony Stark: Un genio, miliardario playboy filantropo
Sfodera un autocompiacimento da manuale... Concordo
Se i miei calcoli non sono errati, e non lo sono mai, 3 Giga Joule al secondo
0
voti
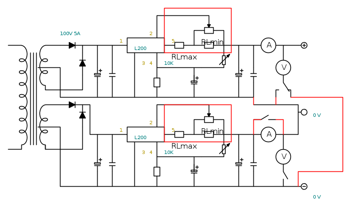
marco438 ha scritto:Pero' cosi' come lo hai disegnato il circuito non va. O metti resistenze piu' commutatore (senza il potenziometro) o lasci tutto come era prima.
Forse non hai letto questa mia frase.
Prima decidi questo punto, poi andiamo avanti.
marco
0
voti
Perdonatemi, pausa cena...
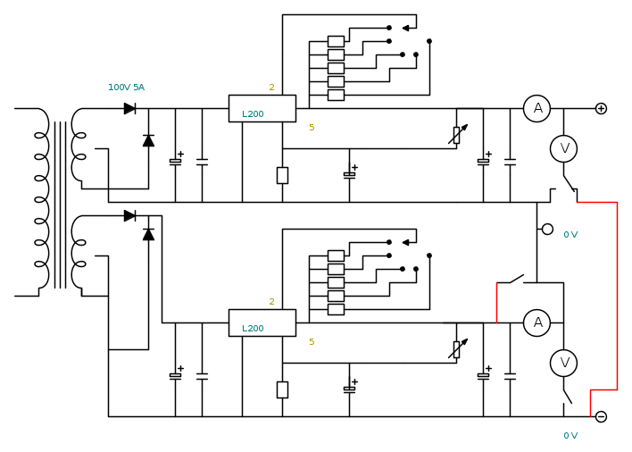
Mi chiedo se questo sia il modo corretto per lo schema
Mi chiedo se questo sia il modo corretto per lo schema
C. America: Sei grosso con l'armatura; senza quella cosa sei?
Tony Stark: Un genio, miliardario playboy filantropo
Sfodera un autocompiacimento da manuale... Concordo
Se i miei calcoli non sono errati, e non lo sono mai, 3 Giga Joule al secondo
Tony Stark: Un genio, miliardario playboy filantropo
Sfodera un autocompiacimento da manuale... Concordo
Se i miei calcoli non sono errati, e non lo sono mai, 3 Giga Joule al secondo
1
voti
marco
0
voti
"Concordo"
C. America: Sei grosso con l'armatura; senza quella cosa sei?
Tony Stark: Un genio, miliardario playboy filantropo
Sfodera un autocompiacimento da manuale... Concordo
Se i miei calcoli non sono errati, e non lo sono mai, 3 Giga Joule al secondo
Tony Stark: Un genio, miliardario playboy filantropo
Sfodera un autocompiacimento da manuale... Concordo
Se i miei calcoli non sono errati, e non lo sono mai, 3 Giga Joule al secondo
1
voti
Ora non ti resta che calcolare il valore delle resistenze sulla base delle correnti massime che vorrai ottenere.
Buon divertimento
Scherzi a parte, se hai bisogno di una mano, chiama!

Buon divertimento
Scherzi a parte, se hai bisogno di una mano, chiama!

marco
0
voti
Una domanda, come al solito...
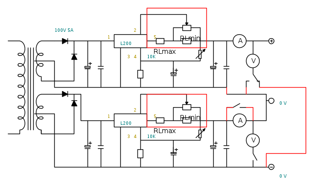
Per fare l'attivazione master\slave oltre a mettere "a posto" voltmetro ed amperometro, come rendo la regolazione? non credo basti inserire il selettore delle correnti limite ed il potenziometro per la tensione in parallelo ad entrambe, in quanto le correnti di un circuito si incasinerebbero con l'altro...
Come dovrei operare?
Per fare l'attivazione master\slave oltre a mettere "a posto" voltmetro ed amperometro, come rendo la regolazione? non credo basti inserire il selettore delle correnti limite ed il potenziometro per la tensione in parallelo ad entrambe, in quanto le correnti di un circuito si incasinerebbero con l'altro...
Come dovrei operare?
C. America: Sei grosso con l'armatura; senza quella cosa sei?
Tony Stark: Un genio, miliardario playboy filantropo
Sfodera un autocompiacimento da manuale... Concordo
Se i miei calcoli non sono errati, e non lo sono mai, 3 Giga Joule al secondo
Tony Stark: Un genio, miliardario playboy filantropo
Sfodera un autocompiacimento da manuale... Concordo
Se i miei calcoli non sono errati, e non lo sono mai, 3 Giga Joule al secondo
0
voti
Sinceramente non ho ben capito cosa intendi per "attivazione master/slave".
Lasciando per un attimo da parte il problema degli strumenti da pannello, per portare a termine il lavoro dovrai munire entrambi i "rami" sia di potenziometro (per la regolaziome della tensione) sia di commutatore, con le relative resistenze (per la limitazione della corrente).
Fatto questo, ti troverai ad avere sul pannello di controllo 4 comandi (due per ramo) e tre boccole di uscita rappresentate in schema da + 0 -.
Quando vorrai prelevare una tensione singola userai le uscite + e 0; se vuoi la duale tutte e tre.
Ma forse volevi dire un'altra cosa?
Lasciando per un attimo da parte il problema degli strumenti da pannello, per portare a termine il lavoro dovrai munire entrambi i "rami" sia di potenziometro (per la regolaziome della tensione) sia di commutatore, con le relative resistenze (per la limitazione della corrente).
Fatto questo, ti troverai ad avere sul pannello di controllo 4 comandi (due per ramo) e tre boccole di uscita rappresentate in schema da + 0 -.
Quando vorrai prelevare una tensione singola userai le uscite + e 0; se vuoi la duale tutte e tre.
Ma forse volevi dire un'altra cosa?
marco
0
voti
Mi accorgo di essermi espresso pessimamente, dai ricordi dei tempi che furono, quando andavo al laboratorio ed utilizzavo la duale, si settava un tasto e da li si utilizzavano solamente le manopole di un canale per regolare tensione e corrente.
Ora, se io inserisco i contatti nelle boccole + e meno per prelevare una tensione, come faccio a regolare? in senso non posso mettere un canale a 30 V ed uno a 5 V, come credo di non poter limitare a 0.1A un canale ed a 1 A l'altro....
Ammetto che sto andando un po a naso, ma la cosa mi puzza assai...
Ora, se io inserisco i contatti nelle boccole + e meno per prelevare una tensione, come faccio a regolare? in senso non posso mettere un canale a 30 V ed uno a 5 V, come credo di non poter limitare a 0.1A un canale ed a 1 A l'altro....
Ammetto che sto andando un po a naso, ma la cosa mi puzza assai...
C. America: Sei grosso con l'armatura; senza quella cosa sei?
Tony Stark: Un genio, miliardario playboy filantropo
Sfodera un autocompiacimento da manuale... Concordo
Se i miei calcoli non sono errati, e non lo sono mai, 3 Giga Joule al secondo
Tony Stark: Un genio, miliardario playboy filantropo
Sfodera un autocompiacimento da manuale... Concordo
Se i miei calcoli non sono errati, e non lo sono mai, 3 Giga Joule al secondo
0
voti
Sono curioso di vedere poi la navicella spaziale che alimenterai con questo alimentatore. 
"La follia sta nel fare sempre la stessa cosa aspettandosi risultati diversi".
"Parla soltanto quando sei sicuro che quello che dirai è più bello del silenzio".
Rispondere è cortesia, ma lasciare l'ultima parola ai cretini è arte.
"Parla soltanto quando sei sicuro che quello che dirai è più bello del silenzio".
Rispondere è cortesia, ma lasciare l'ultima parola ai cretini è arte.
-

TardoFreak
73,9k 8 12 13 - -EY Legend-

- Messaggi: 15754
- Iscritto il: 16 dic 2009, 11:10
- Località: Torino - 3° pianeta del Sistema Solare
Chi c’è in linea
Visitano il forum: Nessuno e 157 ospiti

Elettrotecnica e non solo (admin)
Un gatto tra gli elettroni (IsidoroKZ)
Esperienza e simulazioni (g.schgor)
Moleskine di un idraulico (RenzoDF)
Il Blog di ElectroYou (webmaster)
Idee microcontrollate (TardoFreak)
PICcoli grandi PICMicro (Paolino)
Il blog elettrico di carloc (carloc)
DirtEYblooog (dirtydeeds)
Di tutto... un po' (jordan20)
AK47 (lillo)
Esperienze elettroniche (marco438)
Telecomunicazioni musicali (clavicordo)
Automazione ed Elettronica (gustavo)
Direttive per la sicurezza (ErnestoCappelletti)
EYnfo dall'Alaska (mir)
Apriamo il quadro! (attilio)
H7-25 (asdf)
Passione Elettrica (massimob)
Elettroni a spasso (guidob)
Bloguerra (guerra)





