Cos'è ElectroYou | Login Iscriviti

ElectroYou - la comunità dei professionisti del mondo elettrico

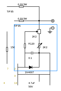
Schema Bremi BRS33.

Elettronica lineare e digitale: didattica ed applicazioni

Moderatori: Foto Utentecarloc, Foto Utenteg.schgor, Foto UtenteBrunoValente, Foto UtenteIsidoroKZ

0
voti

[91] Re: schema Bremi BRS33.

Messaggioda Foto Utentemarco438 » 19 ott 2011, 10:20

Se no altro qui mi sembra piu' accessibile ed il costo di spedizione non dovrebbe discostarsi da quelli italiani.
Vediamo cosa ne pensa Foto Utentesandroz84.
Ancora una volta grazie, Foto Utentealev
O_/
marco
Avatar utente
Foto Utentemarco438
37,1k 7 11 13
-EY Legend-
-EY Legend-
 
Messaggi: 16323
Iscritto il: 24 mar 2010, 15:09
Località: Versilia

1
voti

[92] Re: schema Bremi BRS33.

Messaggioda Foto Utentesandroz84 » 19 ott 2011, 13:06

Sostituito il BC301 l'ali è ripartito! :mrgreen:
C'è un però, mi sa che abbiamo completamente sbagliato montando i potenziometri, infatti credo siano prima di tutto invertiti, infatti regolando la tensione parte di botto sul primo 1/4 di giro da 0 sino a oltre 15volt, inoltre dalle poche prove che ho fatto (5 minuti adesso per montarlo e collegargli un carico) non sembra regolabile la corrente..
Avatar utente
Foto Utentesandroz84
211 1 3 5
Stabilizzato
Stabilizzato
 
Messaggi: 468
Iscritto il: 22 mag 2007, 12:32

0
voti

[93] Re: schema Bremi BRS33.

Messaggioda Foto Utentemarco438 » 19 ott 2011, 13:18

Il fatto di aver invertito i potenziometri non dovrebbe pregiudicare piu' di tanto il funzionamento dell'insieme; tra l'altro, se hai seguito lo schema, mi pare che siano messi nel modo giusto. Al limite bastera' invertirli (anche se non sono molto convinto).
Piu' tardi daro' di nuovo un'occhiata per vedere dove potrebbe essere l'errore.
Visto che almeno la regolazione della tensione (anche se male) pare funzionare, prova intanto a vedere se il rele' commuta regolarmente.
O_/
marco
Avatar utente
Foto Utentemarco438
37,1k 7 11 13
-EY Legend-
-EY Legend-
 
Messaggi: 16323
Iscritto il: 24 mar 2010, 15:09
Località: Versilia

0
voti

[94] Re: schema Bremi BRS33.

Messaggioda Foto Utentesandroz84 » 19 ott 2011, 13:37

Si perfettamente, commuta dopo i 15volt come da copione, presumo siano invertiti i potenziometri e che nno sia il verde centrale sul potenziometro dedicato alla variazione di corrente :ok:

Edit:
Invertendo i potenziometri la tensione sale da 0volt a massimo 16volt, quindi è esatta la precedente collocazione.
Ora bisogna capire cosa c'è di sbagliato, può essere che il blu non sia da attribuire alla regolazione del tensione?
Avatar utente
Foto Utentesandroz84
211 1 3 5
Stabilizzato
Stabilizzato
 
Messaggi: 468
Iscritto il: 22 mag 2007, 12:32

0
voti

[95] Re: schema Bremi BRS33.

Messaggioda Foto Utentesandroz84 » 19 ott 2011, 16:37

un altro indizio che salta all'occhio è che i tre cavi(marrone/verde/blu) o meglio i loro rispettivi fori sul PCB, sono vicini tra loro, rispetto al rosso leggermente più distante, che stia a significare qualcosa? :?:
14102011001-2.jpg
14102011001-2.jpg (261.98 KiB) Osservato 2315 volte

Può essere che il rosso va sul potenziometro del voltmetro e l'altro capo dello stesso potenziometro vada al positivo dell'uscita dell'ali?
E gli altri tre rimasti marrone verde blu, siano rispettivamente da collegare in sequenza sul potenziometro della corrente?
Ultima modifica di Foto Utentesandroz84 il 19 ott 2011, 16:50, modificato 1 volta in totale.
Avatar utente
Foto Utentesandroz84
211 1 3 5
Stabilizzato
Stabilizzato
 
Messaggi: 468
Iscritto il: 22 mag 2007, 12:32

0
voti

[96] Re: schema Bremi BRS33.

Messaggioda Foto Utentemarco438 » 19 ott 2011, 16:49

Allora, cerca di fare una cosa per volta, quindi ora guardiamo il potenziometro addetto alla regolazione della corrente.

Partendo dal pin 2, cerca di seguire le piste e controllare tutti i collegamenti.
Tieni poi presente che un capo del trimmer visibile sullo schema, va a collegarsi al secondo potenziometro.
Il diodo che si vede nello schema dovrebbe essere uno dei due "volanti" di cui parlavi.
O_/
marco
Avatar utente
Foto Utentemarco438
37,1k 7 11 13
-EY Legend-
-EY Legend-
 
Messaggi: 16323
Iscritto il: 24 mar 2010, 15:09
Località: Versilia

0
voti

[97] Re: schema Bremi BRS33.

Messaggioda Foto Utentesandroz84 » 19 ott 2011, 16:54

Ho editato l'ultimo messaggio con altre supposizioni, Il circuito su quel ramo risulta completamente diverso. :ok:

L'unica attinenza e sul centrale del potenziometro da 10kohm che va a finire sia sul negativo del piccolo condensatore da 4,7µf, sia sul pin del trimmer da 2kohm, tutto il resto si differenzia in modo sostanziale.
Avatar utente
Foto Utentesandroz84
211 1 3 5
Stabilizzato
Stabilizzato
 
Messaggi: 468
Iscritto il: 22 mag 2007, 12:32

0
voti

[98] Re: schema Bremi BRS33.

Messaggioda Foto Utentemarco438 » 19 ott 2011, 17:19

Scusa ma prima avevi detto che erano uguali.
Tieni presente che io sto lavorando su foto e su un circuito di cui ora metti in dubbio il valore. Tu, al contrario hai in mano il circuito e puoi girarlo a piacimento e controllare la posizione dei componenti.
L'unica cosa che penso possa essermi d'aiuto, a questo punto, e' uno schema dei vari collegamenti che tu dovresti disegnare se, come dici, e' diverso dallo schema originale.
O_/

P.S. Per caso hai controllato l'efficienza dei potenziometri e dei trimmer?
marco
Avatar utente
Foto Utentemarco438
37,1k 7 11 13
-EY Legend-
-EY Legend-
 
Messaggi: 16323
Iscritto il: 24 mar 2010, 15:09
Località: Versilia

0
voti

[99] Re: schema Bremi BRS33.

Messaggioda Foto Utentesandroz84 » 19 ott 2011, 17:40

No aspetta marco, non ho mai detto che fossero uguali, anzi, nei messaggi 29 e 30 dico esattamente il contrario:
http://www.electroyou.it/phpBB2/viewtopic.php?f=1&t=29467&start=20#p242024

Sul potenziometro(presunto) della corrente sono andato tutto a naso, ma il circuito risulta molto differente.
I trimmer e i potenziometri sono tutti buoni. :ok:
Avatar utente
Foto Utentesandroz84
211 1 3 5
Stabilizzato
Stabilizzato
 
Messaggi: 468
Iscritto il: 22 mag 2007, 12:32

0
voti

[100] Re: schema Bremi BRS33.

Messaggioda Foto Utentemarco438 » 19 ott 2011, 17:45

Il regolatore L 146, a parte le tensioni di esercizio, e' la copia esatta del uA723; di conseguenza il funzionamento deve essere uguale.
Come gia' ti ho detto, senza uno schema, non so come aiutarti.
Dalle foto, non riesco a capire i vari collegamenti.

O_/
marco
Avatar utente
Foto Utentemarco438
37,1k 7 11 13
-EY Legend-
-EY Legend-
 
Messaggi: 16323
Iscritto il: 24 mar 2010, 15:09
Località: Versilia

PrecedenteProssimo

Torna a Elettronica generale

Chi c’è in linea

Visitano il forum: Nessuno e 74 ospiti