
Alimentatore tensione variabile
Moderatori:
carloc,
g.schgor,
BrunoValente,
IsidoroKZ
0
voti
Se alimento un carico di 12V 10A non è che la corrente in uscita viene bloccata dalla resistenza di 5A ? IO vorreiSe dimensioni la resistenza per una corrente massima di 5A, vuol dire che in uscita, quando alimenti un carico che offre una bassa resistenza, oppure quando fai un cortocircuito, o comunque in qualsiasi condizione di cortocircuito o di quasi cortocircuito, la corrente, invece di salire indiscriminatamente, si ferma a 5A e non va oltre.
0
voti
rukkino ha scritto: Ma in uscita devo avere sempre i 40A di corrente
A parte il resto, tutt'altro che semplice da implementare, con quel circuito, 40A in uscita non li vedi nemmeno con il telescopio.
marco
0
voti
Se vuoi che la corrente massima sia 40A non devi far altro che dimensionare la resistenza R per 40A invece che per 5A...questo in teoria, in pratica invece vale quello che dice
marco438: non è sufficiente un trasformatore da 50A per realizzare un alimentatore che sia in grado di erogarne 40, occorre anche che tutto il resto sia dimensionato adeguatamente e nel tuo caso non è così.. quindi non farti illusioni.
Provo a spiegare con ragionamenti semplici:
consideriamo di voler alimentare un carico da 4V e cerchiamo di capire quale corrente massima riescono a sopportare i tre transistor di potenza senza che si brucino.
Siccome in partenza (dopo il raddrizzatore) abbiamo 24 V e in uscita ne abbiamo 4, vuol dire che su ognuno dei tre transistor cadono 20V.
Ipotizziamo che il dissipatore sia superlativo (cosa non vera) e che riesca ad assicurare una temperatura massima di 40°C al contenitore dei transistor.
Il datasheet dei transistor ci dice che con il contenitore ad una temperatura di 40°C possono dissipare al massimo una potenza di 100W che a 20V significa 5A (I=P/V=100/20=5A) e siccome i transistor sono tre vuol dire che nelle condizioni ipotizzate l'alimentatore può erogare al massimo 15A.
Però attenzione! nella realtà siamo ben lontani dalle ipotesi fatte: quel dissipatore non credo proprio sia in grado di dissipare una potenza di 300W (100x3) mantenendo la temperatura dei transistor a soli 40°..quindi, nella realtà, la massima corrente erogabile sarà molto meno di 15A, dipende dall'efficienza del dissipatore del quale però non conosciamo le caratteristiche.
Provo a spiegare con ragionamenti semplici:
consideriamo di voler alimentare un carico da 4V e cerchiamo di capire quale corrente massima riescono a sopportare i tre transistor di potenza senza che si brucino.
Siccome in partenza (dopo il raddrizzatore) abbiamo 24 V e in uscita ne abbiamo 4, vuol dire che su ognuno dei tre transistor cadono 20V.
Ipotizziamo che il dissipatore sia superlativo (cosa non vera) e che riesca ad assicurare una temperatura massima di 40°C al contenitore dei transistor.
Il datasheet dei transistor ci dice che con il contenitore ad una temperatura di 40°C possono dissipare al massimo una potenza di 100W che a 20V significa 5A (I=P/V=100/20=5A) e siccome i transistor sono tre vuol dire che nelle condizioni ipotizzate l'alimentatore può erogare al massimo 15A.
Però attenzione! nella realtà siamo ben lontani dalle ipotesi fatte: quel dissipatore non credo proprio sia in grado di dissipare una potenza di 300W (100x3) mantenendo la temperatura dei transistor a soli 40°..quindi, nella realtà, la massima corrente erogabile sarà molto meno di 15A, dipende dall'efficienza del dissipatore del quale però non conosciamo le caratteristiche.
-

BrunoValente
39,6k 7 11 13 - G.Master EY

- Messaggi: 7796
- Iscritto il: 8 mag 2007, 14:48
0
voti
Sottoscrivo quanto detto da
BrunoValente ed aggiungo:
- Dopo ponte e livellamento potresti raggiungere al massimo, adeguando l'elettronica, circa 22A.
- Per ottenere correnti del genere, a parte che l'alimentatore diventerebbe una stufa, dovrebbe essere tutto ridimensionato, cavi, ponte (di cui però non abbiamo notizie), condensatori di livellamento, transistors, dissipatore ecc ecc
- Con circa 18Vac di secondario è improbabile avere 24Vdc in uscita stabilizzati sotto carico a causa della caduta di tensione del circuito di regolazione.
Ergo, accontentati di cosa può dare l'alimentatore attualmente (presumibilmente 10A massimi), ed anche così suggerirei un interruttore termico sul dissipatore in prossimità dei transistors.
Curiosità: come è accoppiata la testata del motore ai profilati su cui sono fissati i transistors di potenza?
- Dopo ponte e livellamento potresti raggiungere al massimo, adeguando l'elettronica, circa 22A.
- Per ottenere correnti del genere, a parte che l'alimentatore diventerebbe una stufa, dovrebbe essere tutto ridimensionato, cavi, ponte (di cui però non abbiamo notizie), condensatori di livellamento, transistors, dissipatore ecc ecc
- Con circa 18Vac di secondario è improbabile avere 24Vdc in uscita stabilizzati sotto carico a causa della caduta di tensione del circuito di regolazione.
Ergo, accontentati di cosa può dare l'alimentatore attualmente (presumibilmente 10A massimi), ed anche così suggerirei un interruttore termico sul dissipatore in prossimità dei transistors.
Curiosità: come è accoppiata la testata del motore ai profilati su cui sono fissati i transistors di potenza?
-

FedericoSibona
5.022 3 5 8 - Master

- Messaggi: 3951
- Iscritto il: 19 mar 2013, 11:43
0
voti
La testata è fissata tramite dadi e bulloni ai profilati
0
voti
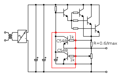
Bruno vorrei fare questo circuito di protezione con una resistenza dimensionata per 15A
Vorrei essere certo di una cosa se poi
1
voti
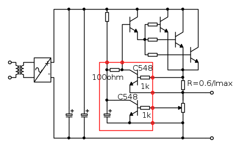
Ti consiglio di apportare le modifiche come nello schema che segue.
Per quanto riguarda il dimensionamento di R, invece di una sola resistenza da 0.04ohm ti consiglio di montarne tre in parallelo da 0.12ohm 5W.
La protezione dovrebbe funzionare, avrei solo qualche dubbio sulla stabilità (quando la protezione interviene il circuito potrebbe oscillare) ma sicuramente riceverai consigli utili da chi si intende di controlli, come ad esempio
brabus.
Sempre a proposito di stabilità non mi pare molto sensato quel condensatore elettrolitico tra collettore ed emettitore del transistor C548, credo che un condensatore più piccolo montato tra collettore e base sarebbe più appropriato, comunque aspettiamo il parere degli esperti.
Il transistor che chiami C548 credo sia un BC548 che è reperibile facilmente e che comunque puoi sostituire con qualsiasi altro tipo NPN di piccole dimensioni, attenzione solo alla disposizione dei piedini che potrebbe cambiare.
Per quanto riguarda il dimensionamento di R, invece di una sola resistenza da 0.04ohm ti consiglio di montarne tre in parallelo da 0.12ohm 5W.
La protezione dovrebbe funzionare, avrei solo qualche dubbio sulla stabilità (quando la protezione interviene il circuito potrebbe oscillare) ma sicuramente riceverai consigli utili da chi si intende di controlli, come ad esempio
Sempre a proposito di stabilità non mi pare molto sensato quel condensatore elettrolitico tra collettore ed emettitore del transistor C548, credo che un condensatore più piccolo montato tra collettore e base sarebbe più appropriato, comunque aspettiamo il parere degli esperti.
Il transistor che chiami C548 credo sia un BC548 che è reperibile facilmente e che comunque puoi sostituire con qualsiasi altro tipo NPN di piccole dimensioni, attenzione solo alla disposizione dei piedini che potrebbe cambiare.
-

BrunoValente
39,6k 7 11 13 - G.Master EY

- Messaggi: 7796
- Iscritto il: 8 mag 2007, 14:48
0
voti
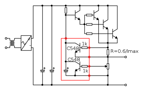
Bruno come protezione per l'alimentatore vorrei fare questo tipo di circuito
ma non ho capito perché mi consigli di mettere tre resistenze in parallelo
.Per quanto riguarda il dimensionamento di R, invece di una sola resistenza da 0.04ohm ti consiglio di montarne tre in parallelo da 0.12ohm 5W.
Grazie a presto una tua risposta

0
voti
Non sono Bruno, ma te lo dico io, perché un resistore con resistenza di 0,04Ω 15/20W non è facile da trovare.
Se lo trovi, meglio
Se lo trovi, meglio
-

FedericoSibona
5.022 3 5 8 - Master

- Messaggi: 3951
- Iscritto il: 19 mar 2013, 11:43
Chi c’è in linea
Visitano il forum: Nessuno e 49 ospiti

Elettrotecnica e non solo (admin)
Un gatto tra gli elettroni (IsidoroKZ)
Esperienza e simulazioni (g.schgor)
Moleskine di un idraulico (RenzoDF)
Il Blog di ElectroYou (webmaster)
Idee microcontrollate (TardoFreak)
PICcoli grandi PICMicro (Paolino)
Il blog elettrico di carloc (carloc)
DirtEYblooog (dirtydeeds)
Di tutto... un po' (jordan20)
AK47 (lillo)
Esperienze elettroniche (marco438)
Telecomunicazioni musicali (clavicordo)
Automazione ed Elettronica (gustavo)
Direttive per la sicurezza (ErnestoCappelletti)
EYnfo dall'Alaska (mir)
Apriamo il quadro! (attilio)
H7-25 (asdf)
Passione Elettrica (massimob)
Elettroni a spasso (guidob)
Bloguerra (guerra)




