O anche tra la base di Q4 e il positivo.
credo basti anche un valore molto più alto, giusto per evitare che la corrente possa annullarsi.
schema finale audio
Moderatori:
carloc,
g.schgor,
BrunoValente,
IsidoroKZ
0
voti
elfo ha scritto:Lo puoi leggere come:
- ha una resistenza di uscita piu' alta
- invece che - per esempio - "guadagnare" 0.9 "guadagna" 0.8
- ha una maggire distorsione
- ecc.
Tutti fattori non così critici da andare per forza in cerca di guai con una retroazione positiva...
@Bruno - Infatti... in passato mi son impelagato in un pasticcio abbastanza simile in cui una resistenza di questo tipo mi ha cavato da alcuni impicci (RSTART nell'immagine allegata)
0
voti
Sì, mi pare serva a far partire la sorgente di corrente che altrimenti senza Rstart potrebbe rimanere spenta.
-

BrunoValente
39,6k 7 11 13 - G.Master EY

- Messaggi: 7796
- Iscritto il: 8 mag 2007, 14:48
1
voti
BrunoValente ha scritto:E' in queste condizioni che appare evidente la reazione positiva dovuta al fatto che un incremento della corrente di Q4 porta come conseguenza uguale incremento della corrente di Q1 e quindi di quella di base di Q4
Il circuito quindi in presenza di una perturbazione si innesca ed inizia a condurre rapidamente fino a portare in conduzione anche Q3
Attenzione! Stai descrivendo una situazione transitoria nel passaggio da una condizione nella quale non tutti i transistor sono in zona attiva.
Se leggi i miei primi interventi, si pone come condizione di analisi della fantomatica reazione positiva che tutti i transistor siano in zona attiva. Se Q3 è interdetto, il circuito non è... nulla. Non è lineare, non si può definire neppure l'amplificazione. Insomma non è polarizzato correttamente.
L'analisi deve essere fatta per variazioni incrementali da una situazione di equilibrio nella quale tutti i transistor siano correttamente polarizzati e in zona attiva.
0
voti
(risposta per Bruno) Esatto. Tutto il circuito poi "si tira su" da solo ma occorre qualcosa che gli dia un "calcio d'inizio". In genere questo si rende necessario per tutti quei dispositivi che non si possono autopolarizzare (cioè di tipo enhancement - quasi tutti in effetti...)
1
voti
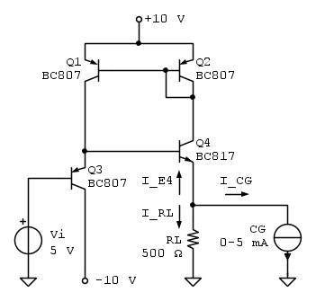
Ho simulato il circuito in figura.
Le alimentazioni sono +/- 10 V, mentre l'ingresso è tenuto a 5 V. L'uscita, caricata su una resistenza da 500 ohm è anche a 5 V e sul carico scorre una corrente di 10 mA. Tutto come previsto. Le correnti di emettitore degli altri transistor sono ovviamente tutte a 10 mA.
Il generatore di corrente CG è inizialmente a 0 A, si comporta da circuito aperto è la simulazione si sovrappone all'analisi fatta in precedenza. A t = 2 ms il generatore di corrente viene portato a 5 mA, forzando in questo modo il circuito a fornire una corrente maggiore del 50%.
Se il circuito avesse un qualche genere di retroazione positiva (1) ci si dovrebbe aspettare una corrente in uscita da Q4, maggiore dei 15 mA attesi da un generatore di tensione costante, ma come previsto, la corrente sale a 15 mA, per il semplice fatto che il circuito è un semplice buffer.
A t = 4 ms il generatore viene spento e la situazione si riporta alla condizione iniziale. Questo è l'andamento dei segnali
Non vi è alcuna retroazione positiva, neppure nel senso 'audiofilo' che andrebbe più correttamente definita come resistenza di sorgente negativa.
(*) Mi pare il momento di far notare che come descritto da elfo, il comportamento presunto del circuito non sarebbe comunque quello di un sistema a reazione positiva. Un circuito con reazione positiva fa una cosa sola: satura.
Le alimentazioni sono +/- 10 V, mentre l'ingresso è tenuto a 5 V. L'uscita, caricata su una resistenza da 500 ohm è anche a 5 V e sul carico scorre una corrente di 10 mA. Tutto come previsto. Le correnti di emettitore degli altri transistor sono ovviamente tutte a 10 mA.
Il generatore di corrente CG è inizialmente a 0 A, si comporta da circuito aperto è la simulazione si sovrappone all'analisi fatta in precedenza. A t = 2 ms il generatore di corrente viene portato a 5 mA, forzando in questo modo il circuito a fornire una corrente maggiore del 50%.
Se il circuito avesse un qualche genere di retroazione positiva (1) ci si dovrebbe aspettare una corrente in uscita da Q4, maggiore dei 15 mA attesi da un generatore di tensione costante, ma come previsto, la corrente sale a 15 mA, per il semplice fatto che il circuito è un semplice buffer.
A t = 4 ms il generatore viene spento e la situazione si riporta alla condizione iniziale. Questo è l'andamento dei segnali
Non vi è alcuna retroazione positiva, neppure nel senso 'audiofilo' che andrebbe più correttamente definita come resistenza di sorgente negativa.
(*) Mi pare il momento di far notare che come descritto da elfo, il comportamento presunto del circuito non sarebbe comunque quello di un sistema a reazione positiva. Un circuito con reazione positiva fa una cosa sola: satura.
0
voti
Ma il circuito non ha solo una reazione positiva, ne ha contemporaneamente una positiva e una negativa, dove quella negativa prevale su quella positiva, quindi in definitiva l'effetto finale è quello di una reazione negativa.
Nel seguente circuito ci sono una reazione negativa e una positiva ma i valori sono tali per cui quella negativa prevale, quindi il circuito si comporta come se ci fosse un'unica reazione negativa con guadagno pari a -3
Nel seguente circuito ci sono una reazione negativa e una positiva ma i valori sono tali per cui quella negativa prevale, quindi il circuito si comporta come se ci fosse un'unica reazione negativa con guadagno pari a -3
-

BrunoValente
39,6k 7 11 13 - G.Master EY

- Messaggi: 7796
- Iscritto il: 8 mag 2007, 14:48
0
voti
E' quello che ho detto in [82].
Solo che quando la reazione negativa è unitaria, come in questo caso (buffer), qualsiasi sia il valore del coefficiente della reazione positiva, la stessa non modifica minimamente la funzione di trasferimento e quindi la stessa reazione positiva viene del tutto annullata.
Il circuito a transistor sembra avere anche una reazione positiva, ma di fatto la stessa non esiste neppure nella parte nella quale potrebbe modificare il guadagno imposto dalla reazione negativa. E' un comportamento peculiare del buffer.
Nel tuo circuito OpAmp, la reazione positiva entra in gioco perché la reazione negativa impone guadagno. Nel mio circuito in [82], che è identico, ma solo con reazione negativa unitaria, la reazione positiva sparisce. La prova è che qualsiasi siano le resistenze R1 e R2, il guadagno dello stadio resta sempre unitario.
Solo che quando la reazione negativa è unitaria, come in questo caso (buffer), qualsiasi sia il valore del coefficiente della reazione positiva, la stessa non modifica minimamente la funzione di trasferimento e quindi la stessa reazione positiva viene del tutto annullata.
Il circuito a transistor sembra avere anche una reazione positiva, ma di fatto la stessa non esiste neppure nella parte nella quale potrebbe modificare il guadagno imposto dalla reazione negativa. E' un comportamento peculiare del buffer.
Nel tuo circuito OpAmp, la reazione positiva entra in gioco perché la reazione negativa impone guadagno. Nel mio circuito in [82], che è identico, ma solo con reazione negativa unitaria, la reazione positiva sparisce. La prova è che qualsiasi siano le resistenze R1 e R2, il guadagno dello stadio resta sempre unitario.
0
voti
Mi pare però che abbiamo capito come funziona e questo è l'importante, il resto è più che altro una questione formale.
Resta comunque il fatto che il circuito ha due stati stabili: quello con i transistor tutti spenti e quello con i transistor polarizzati e, forse sbaglio, ma credo che questo in qualche modo sia riconducibile alla presenza di una reazione positiva, anche se poi, quando la polarizzazione è giunta a compimento, smette di avere effetti.
Resta comunque il fatto che il circuito ha due stati stabili: quello con i transistor tutti spenti e quello con i transistor polarizzati e, forse sbaglio, ma credo che questo in qualche modo sia riconducibile alla presenza di una reazione positiva, anche se poi, quando la polarizzazione è giunta a compimento, smette di avere effetti.
-

BrunoValente
39,6k 7 11 13 - G.Master EY

- Messaggi: 7796
- Iscritto il: 8 mag 2007, 14:48
0
voti
[100] Re: schema finale audio
BrunoValente ha scritto:Resta comunque il fatto che il circuito ha due stati stabili: quello con i transistor tutti spenti e quello con i transistor polarizzati e, forse sbaglio, ma credo che questo in qualche modo sia riconducibile alla presenza di una reazione positiva, anche se poi, quando la polarizzazione è giunta a compimento, smette di avere effetti.
No, non è questione di quale tipo di reazione è implicata. Il concetto fondamentale è che quando uno o più transistor sono interdetti, al circuito non si possono più applicare le equazioni con le quali lo si è analizzato, che prevedono come condizione fondamentale che tutte le giunzioni siano polarizzate correttamente.
Se un circuito è previsto passare da una condizione all'altra nel corso del suo funzionamento, l'analisi deve essere condotta separatamente nelle varie condizioni e il circuito da uno diventa due o più circuiti che possono avere funzionamenti anche molto diversi tra loro.
Questa analisi la si fa anche all'inizio dello studio dell'elettronica con i circuiti a diodi, nei quali si separano proprio le condizioni di giunzione in conduzione e giunzione interdetta.
Nel caso specifico, per svolgere l'analisi all'accensione, bisogna stabilire come variano i potenziali attorno al circuito e agire di conseguenza. In tale situazione verrebbero a galla anche eventuali condizioni di blocco come quelle che hai ipotizzato, alle quali il progettista dovrebbe trovare soluzione.
Chi c’è in linea
Visitano il forum: Majestic-12 [Bot] e 77 ospiti

Elettrotecnica e non solo (admin)
Un gatto tra gli elettroni (IsidoroKZ)
Esperienza e simulazioni (g.schgor)
Moleskine di un idraulico (RenzoDF)
Il Blog di ElectroYou (webmaster)
Idee microcontrollate (TardoFreak)
PICcoli grandi PICMicro (Paolino)
Il blog elettrico di carloc (carloc)
DirtEYblooog (dirtydeeds)
Di tutto... un po' (jordan20)
AK47 (lillo)
Esperienze elettroniche (marco438)
Telecomunicazioni musicali (clavicordo)
Automazione ed Elettronica (gustavo)
Direttive per la sicurezza (ErnestoCappelletti)
EYnfo dall'Alaska (mir)
Apriamo il quadro! (attilio)
H7-25 (asdf)
Passione Elettrica (massimob)
Elettroni a spasso (guidob)
Bloguerra (guerra)



