Beh, allora potrebbe avere ancora qualche speranza di recuperarlo. Quello che non so è se abbia provato a togliere la Rb e valutare la differenza di comportamento. Per le specifiche quantitative, se ti riferisci all'erogazione di corrente, tensione e tempi di ricarica mi sembra che qualcosa abbia indicato, e qualcos'altro sia ricavabile per modalità deduttiva.
Sembrerebbe che abbia regolato l'uscita per una corrente di 120mA e una tensione di 14,5V. I tempi di ricarica dovrebbero deduttivamente essere di una decina di ore o poco meno, dato che i pacchi batteria sono stati dichiarati da 1A e 14,4V, come da targa.
Controllo carica batterie Ni-Cd
Moderatori:
carloc,
g.schgor,
BrunoValente,
IsidoroKZ
0
voti
Buona sera
IsidoroKZ e buon anno anche da parte mia.
Ti ringrazio per l'intervento anche se non posso nascondere un po' di disorientamento. Dopo la lettura del post, e sorvolando sullo spirito da astemio di Ivo, sono io adesso ad essere perplesso perché se da una parte non posso dubitare del parere di Isidoro, dall'altra devo chiedermi per quale motivo il circuito sembri funzionare regolarmente. Dalle prove che ho fatto ho notato solo dei problemi di auto oscillazione ma una volta eliminati quelli il circuito ha eseguito stabilmente il suo onesto lavoro, almeno a livello di percezione pratica. Comunque cercherò di rispondere a tutte le osservazioni ma dovrò dilungarmi un po', sperando di riuscire ad essere utile e comprensibile.
A) Lo zener: è vero che è impreciso ma avendo tarato il circuito utilizzando sempre lo stesso alimentatore, non si notano comportamenti variabili. Potevo ricorrere a soluzioni migliori ma ho dovuto fare anche un po' di economia d'ingombro.
B) Il limite di modo comune: ma si tratta di un comparatore in DC e (se non ricordo male) il limite del modo comune non comporta un danno per l'integrato ma un disturbo apprezzabile più che altro in modalità audio. In ogni caso, se i resistori fissi sono dimensionati correttamente non si dovrebbe raggiungere quella modalità.
C) La retroazione locale Ra-Rb e` positiva: è vero ma quelle resistenze fanno funzionare l'integrato in modalità trigger di Smith. Quella polarizzazione aumenta la velocità di spegnimento a carica avvenuta. Le due resistenze si potrebbero anche togliere ma cambierebbe poco, si verificherebbe soltanto, in prossimità della soglia di fine carica, una progressiva diminuzione della corrente e lo spegnimento sarebbe meno istantaneo.
D) la retroazione negativa di tensione va presa sul carico: si, ho provato e funziona, ma questo appunto non lo capisco. Mi porta a pensare che, oltre a dover ricalcolare la polarizzazione di collettore del finale, si vanificherebbe anche la protezione dalle inversioni di polarità, non essendoci più il diodo che protegge anche l'ingresso invertente dell'OpAmp. In più, se le resistenze del partitore fossero posizionate dopo il diodo, contribuirebbero a scaricare la batteria, facendo ripartire la carica fintanto che l'utente non rimuove il pacco batterie.
E) due stadi di guadagno invertente dopo l'OpAmp non aiutano la stabilita`, specie quando il carico non e` collegato: Qui non ho argomenti. Se per instabilità, però, si intende l'esistenza di auto oscillazioni, allora confermo l'esistenza del problema anche se in concreto non ho capito di preciso chi lo determini. Il caso peggiore si verifica paradossalmente con il 358. Il TL081 è un po' meglio ma niente a che vedere con il 741 che con l'aggiunta del condensatore C2 e l'eliminazione dell'elettrolitico sull'uscita (prima del diodo) scompaiono le auto oscillazioni. Strano comunque che con il 358 si comporti così male che tra i tre è l'unico regolarmente utilizzabile anche con alimentazione singola, se non sbaglio. Ma non esiste la versione singola del 358? Mi hanno regalato una mezza scatola di scarpe piena di OpAmp assortiti e magari potrei avere il componente migliore senza saperlo. Un comportamento strano è che se scollego la base di TR1 spariscono le oscillazioni sull'uscita dell'OpAmp a prescindere dall'operazionale in uso.
F) la corrente di carica e` proporzionale alla differenza di tensione fra giunzioni, metodo poco preciso e stabile: Qui non so proprio cosa dire. Non saprei come modificare il circuito per evitare il problema segnalato che però, anche se fosse esistente, non comporta, a quanto sembra, disfunzioni evidenti.
G) specifiche quantitative di prestazioni volute: l'alimentatore originale eroga 400mA a 18,5V. DC. I pacchi batterie sono due esemplari da 14,4V - 1A l'uno, come da targa. Con la resistenza R7 da 3,3 Ohm ottengo un'erogazione di corrente in uscita di 120mA e i componenti s'intiepidiscono appena.
Ho fatto esperimenti anche con i 317 ma i risultati non sono stati soddisfacenti. Problemi con l'accensione dei led di segnalazione carica è impossibilità di spegnere l'erogazione a carica completata. A questo punto credo che ci siano due possibilità: o è possibile modificare il circuito per renderlo funzionale in modo tecnicamente accettabile o lo si butta nella paccottiglia. Ci sarebbe una terza possibilità: tenerlo così com'è che nonostante tutto sembra funzionare correttamente. Gli ho fatto erogare anche 3A con le dovute modifiche e ha funzionato regolarmente.
Ti ringrazio per l'intervento anche se non posso nascondere un po' di disorientamento. Dopo la lettura del post, e sorvolando sullo spirito da astemio di Ivo, sono io adesso ad essere perplesso perché se da una parte non posso dubitare del parere di Isidoro, dall'altra devo chiedermi per quale motivo il circuito sembri funzionare regolarmente. Dalle prove che ho fatto ho notato solo dei problemi di auto oscillazione ma una volta eliminati quelli il circuito ha eseguito stabilmente il suo onesto lavoro, almeno a livello di percezione pratica. Comunque cercherò di rispondere a tutte le osservazioni ma dovrò dilungarmi un po', sperando di riuscire ad essere utile e comprensibile.
A) Lo zener: è vero che è impreciso ma avendo tarato il circuito utilizzando sempre lo stesso alimentatore, non si notano comportamenti variabili. Potevo ricorrere a soluzioni migliori ma ho dovuto fare anche un po' di economia d'ingombro.
B) Il limite di modo comune: ma si tratta di un comparatore in DC e (se non ricordo male) il limite del modo comune non comporta un danno per l'integrato ma un disturbo apprezzabile più che altro in modalità audio. In ogni caso, se i resistori fissi sono dimensionati correttamente non si dovrebbe raggiungere quella modalità.
C) La retroazione locale Ra-Rb e` positiva: è vero ma quelle resistenze fanno funzionare l'integrato in modalità trigger di Smith. Quella polarizzazione aumenta la velocità di spegnimento a carica avvenuta. Le due resistenze si potrebbero anche togliere ma cambierebbe poco, si verificherebbe soltanto, in prossimità della soglia di fine carica, una progressiva diminuzione della corrente e lo spegnimento sarebbe meno istantaneo.
D) la retroazione negativa di tensione va presa sul carico: si, ho provato e funziona, ma questo appunto non lo capisco. Mi porta a pensare che, oltre a dover ricalcolare la polarizzazione di collettore del finale, si vanificherebbe anche la protezione dalle inversioni di polarità, non essendoci più il diodo che protegge anche l'ingresso invertente dell'OpAmp. In più, se le resistenze del partitore fossero posizionate dopo il diodo, contribuirebbero a scaricare la batteria, facendo ripartire la carica fintanto che l'utente non rimuove il pacco batterie.
E) due stadi di guadagno invertente dopo l'OpAmp non aiutano la stabilita`, specie quando il carico non e` collegato: Qui non ho argomenti. Se per instabilità, però, si intende l'esistenza di auto oscillazioni, allora confermo l'esistenza del problema anche se in concreto non ho capito di preciso chi lo determini. Il caso peggiore si verifica paradossalmente con il 358. Il TL081 è un po' meglio ma niente a che vedere con il 741 che con l'aggiunta del condensatore C2 e l'eliminazione dell'elettrolitico sull'uscita (prima del diodo) scompaiono le auto oscillazioni. Strano comunque che con il 358 si comporti così male che tra i tre è l'unico regolarmente utilizzabile anche con alimentazione singola, se non sbaglio. Ma non esiste la versione singola del 358? Mi hanno regalato una mezza scatola di scarpe piena di OpAmp assortiti e magari potrei avere il componente migliore senza saperlo. Un comportamento strano è che se scollego la base di TR1 spariscono le oscillazioni sull'uscita dell'OpAmp a prescindere dall'operazionale in uso.
F) la corrente di carica e` proporzionale alla differenza di tensione fra giunzioni, metodo poco preciso e stabile: Qui non so proprio cosa dire. Non saprei come modificare il circuito per evitare il problema segnalato che però, anche se fosse esistente, non comporta, a quanto sembra, disfunzioni evidenti.
G) specifiche quantitative di prestazioni volute: l'alimentatore originale eroga 400mA a 18,5V. DC. I pacchi batterie sono due esemplari da 14,4V - 1A l'uno, come da targa. Con la resistenza R7 da 3,3 Ohm ottengo un'erogazione di corrente in uscita di 120mA e i componenti s'intiepidiscono appena.
Ho fatto esperimenti anche con i 317 ma i risultati non sono stati soddisfacenti. Problemi con l'accensione dei led di segnalazione carica è impossibilità di spegnere l'erogazione a carica completata. A questo punto credo che ci siano due possibilità: o è possibile modificare il circuito per renderlo funzionale in modo tecnicamente accettabile o lo si butta nella paccottiglia. Ci sarebbe una terza possibilità: tenerlo così com'è che nonostante tutto sembra funzionare correttamente. Gli ho fatto erogare anche 3A con le dovute modifiche e ha funzionato regolarmente.
0
voti
Ho fatto negli anni diversi tipi di Cb per NiCd e NiMih.
Il primo era solo un lm317 con carica a corrente costante a 1/10 di C.
Il secondo per ridurre l'effetto memoria delle NiCd faceva prima la scarica fino a 0.4Vel e poi la carica a corrente costante a 1/10 di C.
Il terzo che ho fatto nel 2011 per NiMih è dotato di micro Pic16F88 e fa carica ad impulsi su singolo elemento (max 4).
La carica viene impostata in base alla capacità tramite menu e pulsanti .
La corrente è di 300mA e viene gestita in PWM con un impulso al secondo.
La tensione di carica è misurata ogni 10 impulsi durante la fase di pausa (il decimo impulso non viene erogato) .
Il micro controlla che il singolo elemento non sia caricato per oltre 12 ore.
Se la tensione di fine carica 1.45.V viene raggiunta (prima di 12 ore) memorizza il tempo di carica del singolo elemento e disabita gli impulsi relativi allo stesso.
Con il tempo si può verificare la Capacità caricata realmente e anche farsi una idea della funzionalità di ogni elemento.
Si carica in meno tempo rispetto agli altri , non si carica mai o si carica come gli altri ecc.
Tutti i caricatori che operano con più elementi in serie non danno garanzia di rispettare questo limite sulle singole celle quindi sono potenzialmente da escludere.
La corrente piu adatta sarebbe tra 1/10 di C e 1/5 C oltre occorre monitorare anche la temperatura delle batterie.
Oltre 1.45V la energia non è piu immagazzinata dalla cella ma si dissipa in calore.
Se il carica batterie non lavora bene la batteria a fine carica sarà calda...
Un sito interessante e grafico relativo .
https://batteryuniversity.com/articles/
Per caricare a corrente costante con controllo fine carica in tensione (regolabili con due trimmer) e led indicativi con un Dc-Dc già fatto ci sono vari prodotti tra cui questo che utilizzo per caricare LiPo e LiIon a costo di qualche euro (tipicamente meno di 3) dall'oriente.
Questo ha tre led
-acceso I=0
- I >0
-protezione I = Imax
Ciao
Il primo era solo un lm317 con carica a corrente costante a 1/10 di C.
Il secondo per ridurre l'effetto memoria delle NiCd faceva prima la scarica fino a 0.4Vel e poi la carica a corrente costante a 1/10 di C.
Il terzo che ho fatto nel 2011 per NiMih è dotato di micro Pic16F88 e fa carica ad impulsi su singolo elemento (max 4).
La carica viene impostata in base alla capacità tramite menu e pulsanti .
La corrente è di 300mA e viene gestita in PWM con un impulso al secondo.
La tensione di carica è misurata ogni 10 impulsi durante la fase di pausa (il decimo impulso non viene erogato) .
Il micro controlla che il singolo elemento non sia caricato per oltre 12 ore.
Se la tensione di fine carica 1.45.V viene raggiunta (prima di 12 ore) memorizza il tempo di carica del singolo elemento e disabita gli impulsi relativi allo stesso.
Con il tempo si può verificare la Capacità caricata realmente e anche farsi una idea della funzionalità di ogni elemento.
Si carica in meno tempo rispetto agli altri , non si carica mai o si carica come gli altri ecc.
Tutti i caricatori che operano con più elementi in serie non danno garanzia di rispettare questo limite sulle singole celle quindi sono potenzialmente da escludere.
La corrente piu adatta sarebbe tra 1/10 di C e 1/5 C oltre occorre monitorare anche la temperatura delle batterie.
Oltre 1.45V la energia non è piu immagazzinata dalla cella ma si dissipa in calore.
Se il carica batterie non lavora bene la batteria a fine carica sarà calda...
Un sito interessante e grafico relativo .
https://batteryuniversity.com/articles/
Per caricare a corrente costante con controllo fine carica in tensione (regolabili con due trimmer) e led indicativi con un Dc-Dc già fatto ci sono vari prodotti tra cui questo che utilizzo per caricare LiPo e LiIon a costo di qualche euro (tipicamente meno di 3) dall'oriente.
Questo ha tre led
-acceso I=0
- I >0
-protezione I = Imax
Ciao
600 Elettra
0
voti
stefanopc ha scritto:La corrente piu adatta sarebbe tra 1/10 di C e 1/5 C oltre occorre monitorare anche la temperatura delle batterie
Prendila con le pinze ricordo quando mio padre faceva modellismo (almeno 20 anni fa), usava un caricabatterie che erogava anche correnti vicino a 1C/1.2C ma monitorava la temperatura del pacco batterie, in pratica "spingeva" fino a X °C poi modulava verso il basso.
Le batterie si rovinavano in poco tempo, ma l'obbiettivo era averle cariche il prima possibile (per gareggiare).
Siccome stavo smanettando anche io qualcosa di simile al tuo (per le piombo Cella singola e 12V), lavori in PWM puro senza filtrarla o come un convertirore buck (con induttanza ecc) ?
Per fare la scarica immagino ci fosse un circuito dedicato ?

0
voti
ThEnGi ha scritto:Siccome stavo smanettando anche io qualcosa di simile al tuo (per le piombo Cella singola e 12V), lavori in PWM puro senza filtrarla o come un convertirore buck (con induttanza ecc) ?
Per fare la scarica immagino ci fosse un circuito dedicato ?
In quello che utilizza il PIC 16F88 c'è un convertitore dc/dc che porta la 12V di alimentazione a 3.5V.
Poi 4 Mosfet, pilotati dal micro(PWM) , alimentano tramite 4 resistenze i 4 elementi singoli NiMih.
Non è una soluzione particolarmente evoluta ma risulta comunque semplice e affidabile.
Ciao
600 Elettra
0
voti
Ciao Ivo, no per il momento non spedirle. Ho atteso qualche altro intervento dal forum ma non è arrivato. Poi, nella scatola degli operazionali di Enrico, ho trovato un integrato differente e interessante e ho modificato il circuito. Adesso ho ricominciato a lavorare e ho poco tempo ma ho quasi finito le prove e in giornata pubblicherò lo schema. Comunque il circuito sembra funzionare bene e dovrebbe andare incontro alle perplessità di Isidoro.
0
voti
Va bene. Non hai detto qual è il componente proveniente da Enrico ma lo vedrò con lo schema. Adesso devo andare dal gommista; ci aggiorniamo.
-

gianniniivo
9.045 7 11 13 - No Rank
- Messaggi: 2875
- Iscritto il: 5 feb 2019, 23:50
0
voti
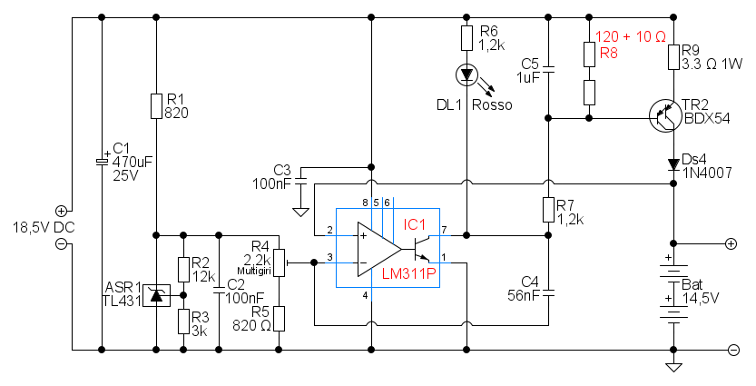
Nella scatola degli operazionali ho trovato un integrato LM311P che è un po' diverso dai soliti che ho utilizzato. Ha una piedinatura differente ed ha un'uscita con un driver open collector. Ho fatto anche altre modifiche pensando di eliminare o almeno migliorare le problematiche evidenziate da
IsidoroKZ, anche se non do per certo di esserci riuscito pienamente.
Rimane comunque qualche problemino che descriverò. Cerco di fare una comparazione tra il presente schema e le perplessità indicate da Isidoro al passaggio [88].
A) riferimento di tensione a Zener, non e` molto preciso e stabile:
credo di averlo risolto con un generatore di tensione di riferimento a base di TL431.
B) la regolazione di tensione a potenziometro può portare l'ingresso del 741 molto vicino al suo limite di modo comune:
il 741 non c'è più ma nel mio caso non si tratta di un potenziometro ma di un trimmer da tarare e non toccare più. L'ipotesi del potenziometro è stata prospettata in caso di utilizzo dello stesso circuito per più tensioni di uscita.
C) la retroazione locale Ra-Rb e` positiva, introduce una isteresi sulla tensione:
problema eliminato.
D) quella che dovrebbe essere la retroazione negativa di tensione va presa sul carico, non prima del diodo:
Fatto. Adesso la retroazione è diventata positiva ed è prelevata dopo il diodo ma la modifica crea due problemi: il primo è che l'ingresso non invertente non è più protetto da inversione di polarità (ma questo, in pratica, potrebbe non essere un problema grazie ai connettori polarizzati). Il secondo problema, invece, potrebbe essere più serio. Nello schema con il uA741 pubblicato al passaggio [64], la comparazione con la tensione di riferimento veniva prelevata e limitata da un partitore resistivo (R8-R9) quindi regolando la tensione di riferimento a 9V il partitore era stato calcolato per lasciar passare una tensione leggermente superiore ai 9V per interrompere l'attività del caricatore. Con il prelievo della retroazione dopo il diodo e in assenza di un partitore (che provocherebbe una leggera scarica delle batterie) si deve comparare una tensione di retroazione di almeno 14,5V e in questo valore di tensione credo che stia il problema. Nella consultazione del datasheet non sono sicuro di aver capito se la tensione dei due ingressi non deve superare i 15V oppure se non deve superare la tensione di alimentazione (qui chiedo aiuto perché è importante). Anche se operativamente non arriviamo a 15V è comunque rischioso lavorare al limite. Infatti le prove le ho fatte a 12V, per non rischiare.
E) due stadi di guadagno invertente dopo l'OpAmp non aiutano la stabilità, specie quando il carico non e` collegato:
problema eliminato.
F) la corrente di carica è proporzionale alla differenza di tensione fra giunzioni, metodo poco preciso e stabile:
questo problema potrebbe non essere stato risolto dato che i circuiti sono abbastanza simili.
G) specifiche quantitative di prestazioni volute:
l'alimentatore originale eroga 400mA a 18,5V. DC. I pacchi batterie sono due esemplari da 14,4V - 1A l'uno. Con i valori delle resistenze R8 e R9 ottengo un'erogazione di corrente in uscita di 115mA (+/-) ma come ho già detto, ho fatto i test con un pacco batterie di un altro trapano funzionate a 11V, quindi regolando il circuito per una tensione massima di carica pari a 12V.
Ecco lo schema regolato per erogare 12V (anche se l'uscita è indicata a 14,5V) ma la correzione funzionale non è un problema.
Rimane comunque qualche problemino che descriverò. Cerco di fare una comparazione tra il presente schema e le perplessità indicate da Isidoro al passaggio [88].
A) riferimento di tensione a Zener, non e` molto preciso e stabile:
credo di averlo risolto con un generatore di tensione di riferimento a base di TL431.
B) la regolazione di tensione a potenziometro può portare l'ingresso del 741 molto vicino al suo limite di modo comune:
il 741 non c'è più ma nel mio caso non si tratta di un potenziometro ma di un trimmer da tarare e non toccare più. L'ipotesi del potenziometro è stata prospettata in caso di utilizzo dello stesso circuito per più tensioni di uscita.
C) la retroazione locale Ra-Rb e` positiva, introduce una isteresi sulla tensione:
problema eliminato.
D) quella che dovrebbe essere la retroazione negativa di tensione va presa sul carico, non prima del diodo:
Fatto. Adesso la retroazione è diventata positiva ed è prelevata dopo il diodo ma la modifica crea due problemi: il primo è che l'ingresso non invertente non è più protetto da inversione di polarità (ma questo, in pratica, potrebbe non essere un problema grazie ai connettori polarizzati). Il secondo problema, invece, potrebbe essere più serio. Nello schema con il uA741 pubblicato al passaggio [64], la comparazione con la tensione di riferimento veniva prelevata e limitata da un partitore resistivo (R8-R9) quindi regolando la tensione di riferimento a 9V il partitore era stato calcolato per lasciar passare una tensione leggermente superiore ai 9V per interrompere l'attività del caricatore. Con il prelievo della retroazione dopo il diodo e in assenza di un partitore (che provocherebbe una leggera scarica delle batterie) si deve comparare una tensione di retroazione di almeno 14,5V e in questo valore di tensione credo che stia il problema. Nella consultazione del datasheet non sono sicuro di aver capito se la tensione dei due ingressi non deve superare i 15V oppure se non deve superare la tensione di alimentazione (qui chiedo aiuto perché è importante). Anche se operativamente non arriviamo a 15V è comunque rischioso lavorare al limite. Infatti le prove le ho fatte a 12V, per non rischiare.
E) due stadi di guadagno invertente dopo l'OpAmp non aiutano la stabilità, specie quando il carico non e` collegato:
problema eliminato.
F) la corrente di carica è proporzionale alla differenza di tensione fra giunzioni, metodo poco preciso e stabile:
questo problema potrebbe non essere stato risolto dato che i circuiti sono abbastanza simili.
G) specifiche quantitative di prestazioni volute:
l'alimentatore originale eroga 400mA a 18,5V. DC. I pacchi batterie sono due esemplari da 14,4V - 1A l'uno. Con i valori delle resistenze R8 e R9 ottengo un'erogazione di corrente in uscita di 115mA (+/-) ma come ho già detto, ho fatto i test con un pacco batterie di un altro trapano funzionate a 11V, quindi regolando il circuito per una tensione massima di carica pari a 12V.
Ecco lo schema regolato per erogare 12V (anche se l'uscita è indicata a 14,5V) ma la correzione funzionale non è un problema.
Chi c’è in linea
Visitano il forum: Google Adsense [Bot] e 162 ospiti

Elettrotecnica e non solo (admin)
Un gatto tra gli elettroni (IsidoroKZ)
Esperienza e simulazioni (g.schgor)
Moleskine di un idraulico (RenzoDF)
Il Blog di ElectroYou (webmaster)
Idee microcontrollate (TardoFreak)
PICcoli grandi PICMicro (Paolino)
Il blog elettrico di carloc (carloc)
DirtEYblooog (dirtydeeds)
Di tutto... un po' (jordan20)
AK47 (lillo)
Esperienze elettroniche (marco438)
Telecomunicazioni musicali (clavicordo)
Automazione ed Elettronica (gustavo)
Direttive per la sicurezza (ErnestoCappelletti)
EYnfo dall'Alaska (mir)
Apriamo il quadro! (attilio)
H7-25 (asdf)
Passione Elettrica (massimob)
Elettroni a spasso (guidob)
Bloguerra (guerra)





