Ok.
Se non ricordo male tale tipo di contatto è normalmente aperto e si chiude in presenza del campo magnetco giusto?
Fai una prova per vedere se le distanze a cui lavori con il magnete che vuoi usare il contatto effettivamente scatta.
Intanto penso a un circuito che faccia qeuello che mi hai chiesto.
Che tempi usiamo per interrompere il PWM (sei sicuro dei 10 secondi?)
Ciao
BATTERIE PIOMBO GEL TEMPI DI SCARICA
Moderatori:
carloc,
g.schgor,
BrunoValente,
IsidoroKZ
0
voti
Ciao Stefano,
SI !!! E' normalmente aperto si chiude con un campo magnetico, dovrebbe stare abbastanza vicino al magnete, ma non sarà problematico porre degli spessori di regolazione.
ATTENZIONE !!
I 10 secondi NON devono essere di interruzione, ma di alimentazione, quindi circuito CHIUSO
A pedali fermi il PWM deve essere SEMPRE disattivato
Ad occhio anche girando lentamente i pedali e soprattutto con un rapporto leggero in partenza, una rotazione completa la si fa in 2-3 sec, volendo potremmo applicare un trimmer per la regolazione del timer 555 ( come i circuiti di cui al link segnalato nel post precedente ), ma comunque credo non più di 15 sec.
Infatti se mi trovo ad elevata velocità con un rapporto alto ( duro ) e all'improvviso trovo un ostacolo che mi obbliga a frenare ( quindi anche a fermare la pedalata ), siccome applicherò degli switch sui freni per togliere alimentazione in frenata per non creare sovracorrenti, al rilascio dei freni, mi troverò con il motore nuovamente sovralimentato ( in rapporto alla forte velocità nel momento della frenata ), ma la marcia precedentemente innestata creerà un' inerzia molto forte che aumenterà le correnti di lavoro sovraccaricando MOS e Schottky, peggio se sono costretto a fermarmi completamente.
E' più probabile che invece nel frattempo si verifichi tale evento, siano già passati i 10 secondi e quindi a pedali fermi al rilascio dei freni la bici non riparte !!
Credo sia più complicato a dirlo che a farlo ..........
facile per me che non devo progettare il circuito
Scusami Stefano per i troppi caratteri in grassetto, spero di non averti spazientito !!
Grazie ancora e attendo buone nuove
Salutoni
by
Anthony
SI !!! E' normalmente aperto si chiude con un campo magnetico, dovrebbe stare abbastanza vicino al magnete, ma non sarà problematico porre degli spessori di regolazione.
Stefano79 ha scritto:Che tempi usiamo per interrompere il PWM (sei sicuro dei 10 secondi?)
ATTENZIONE !!
I 10 secondi NON devono essere di interruzione, ma di alimentazione, quindi circuito CHIUSO
A pedali fermi il PWM deve essere SEMPRE disattivato
Ad occhio anche girando lentamente i pedali e soprattutto con un rapporto leggero in partenza, una rotazione completa la si fa in 2-3 sec, volendo potremmo applicare un trimmer per la regolazione del timer 555 ( come i circuiti di cui al link segnalato nel post precedente ), ma comunque credo non più di 15 sec.
Infatti se mi trovo ad elevata velocità con un rapporto alto ( duro ) e all'improvviso trovo un ostacolo che mi obbliga a frenare ( quindi anche a fermare la pedalata ), siccome applicherò degli switch sui freni per togliere alimentazione in frenata per non creare sovracorrenti, al rilascio dei freni, mi troverò con il motore nuovamente sovralimentato ( in rapporto alla forte velocità nel momento della frenata ), ma la marcia precedentemente innestata creerà un' inerzia molto forte che aumenterà le correnti di lavoro sovraccaricando MOS e Schottky, peggio se sono costretto a fermarmi completamente.
E' più probabile che invece nel frattempo si verifichi tale evento, siano già passati i 10 secondi e quindi a pedali fermi al rilascio dei freni la bici non riparte !!
Credo sia più complicato a dirlo che a farlo ..........
Scusami Stefano per i troppi caratteri in grassetto, spero di non averti spazientito !!
Grazie ancora e attendo buone nuove
Salutoni
by
Anthony
0
voti
siccome applicherò degli switch sui freni per togliere alimentazione in frenata per non creare sovracorrenti
Devi stare attento al punto dovi interrompi alimentazione al motore!
Il diodo deve comunque rimanere in parallelo al motore anche quandogli stacchi alimentazione.
Questo fa si che l'energia dell'avvolgimento del motore si dissipi sul motore stesso e non si generano archi elettrici che inevitabilmente danneggerebbero l'elettronica.
A breve ti allegerò uno schema per interrompere il PWM
0
voti
Ciao Stefano,
grazie per l'INFO, AVREI SBAGLIATO SICURAMENTE, ora vedo il punto migliore da interrompere e prima di mettere mani te lo riferisco
Comunque cercherò di fare tutto quando avro finito tutta la parte elettronica.
Attendo
Ciao e grazie ancora
by
Anthony
grazie per l'INFO, AVREI SBAGLIATO SICURAMENTE, ora vedo il punto migliore da interrompere e prima di mettere mani te lo riferisco
Comunque cercherò di fare tutto quando avro finito tutta la parte elettronica.
Attendo
Ciao e grazie ancora
by
Anthony
0
voti
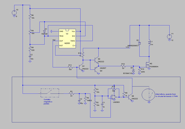
Eccoti lo schema.
Non è un gran che ma è semplice e dovrebbe funzionare.
Il condensatore da 10uF sul comparatore è elettrolitico con il meno sulla massa.
Ho disegnato a mano il contatto che si chiude col magnete sul pedale e ho aggiunto un interruttore che ti eviterebbe di interrompere i cavi di potenza che vanno al motore.
Basta fare in modo che l'interruttore (a destra cerchiato) si chiuda quando freni che fa lo stesso effetto di interrompere i cavi, ma senza provocare problemi elettromagnetici (perché è un contatto che non porta corrente).
L'ho fatto un po' in fretta, spero di non aver disegnato cavolate!
Ciao
Stefano
Non è un gran che ma è semplice e dovrebbe funzionare.
Il condensatore da 10uF sul comparatore è elettrolitico con il meno sulla massa.
Ho disegnato a mano il contatto che si chiude col magnete sul pedale e ho aggiunto un interruttore che ti eviterebbe di interrompere i cavi di potenza che vanno al motore.
Basta fare in modo che l'interruttore (a destra cerchiato) si chiuda quando freni che fa lo stesso effetto di interrompere i cavi, ma senza provocare problemi elettromagnetici (perché è un contatto che non porta corrente).
L'ho fatto un po' in fretta, spero di non aver disegnato cavolate!
Ciao
Stefano
0
voti
Porca miseria... stasera sono stordito più del solito!!!!
Il condensatore C3 è elettrolitico da 10uF e non da 47nF.
Per stasera è meglio se vado a letto.
non sto bene, mi sa che ho pure la febbre (non che sia questa la causa delle cavolate che ho scritto in questa mezz'oretta...)
Il condensatore C3 è elettrolitico da 10uF e non da 47nF.
Per stasera è meglio se vado a letto.
non sto bene, mi sa che ho pure la febbre (non che sia questa la causa delle cavolate che ho scritto in questa mezz'oretta...)
0
voti
Ciao Stefano,
mi spiace che non stai bene, NON TI PREOCCUPARE, fai le cose con calma, la salute è al primo posto ( lasciatelo dire da uno che di salute non ne ha molta )
............ SEI UN GRANDE LO STESSO !!!
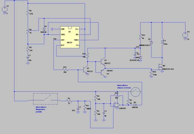
Rimandiamo alla prox settimana anche perché la foto è sfocata e non si leggono bene parecchi valori, inoltre ho notato delle diversità sul PWM già costruito :
- E' cambiato il MOS da IRFZ44N già montato a ............. ??? ........... non si legge la sigla ???
- R3 sul Timer è da 22 .... Ohm o K ?
- Non leggo la sigla del D4 del Timer
- Mi aspettavo il Timer 555, mentre vedo un altro componente, non si legge bene, sembra un LM2903, ho guardato il data sheet ed è un integrato a 8 pin mentre ne vedo utilizzati solo 5 e non saprei neanche identificarli.
Purtroppo mi mancano troppe conoscenze per trarre conclusioni a testa mia meglio di NO
Preferisco aspettare, FAI CON CALMA, non voglio darti alcuna fretta.
Ripeto Ti stai dimostrando disponibile al 1000 % e Te ne sono molto grato, senza il Tuo aiuto non avrei potuto fare NULLA
SEI UN GRANDE
by
Anthony
mi spiace che non stai bene, NON TI PREOCCUPARE, fai le cose con calma, la salute è al primo posto ( lasciatelo dire da uno che di salute non ne ha molta )
Rimandiamo alla prox settimana anche perché la foto è sfocata e non si leggono bene parecchi valori, inoltre ho notato delle diversità sul PWM già costruito :
- E' cambiato il MOS da IRFZ44N già montato a ............. ??? ........... non si legge la sigla ???
- R3 sul Timer è da 22 .... Ohm o K ?
- Non leggo la sigla del D4 del Timer
- Mi aspettavo il Timer 555, mentre vedo un altro componente, non si legge bene, sembra un LM2903, ho guardato il data sheet ed è un integrato a 8 pin mentre ne vedo utilizzati solo 5 e non saprei neanche identificarli.
Purtroppo mi mancano troppe conoscenze per trarre conclusioni a testa mia meglio di NO
Preferisco aspettare, FAI CON CALMA, non voglio darti alcuna fretta.
Ripeto Ti stai dimostrando disponibile al 1000 % e Te ne sono molto grato, senza il Tuo aiuto non avrei potuto fare NULLA
SEI UN GRANDE
by
Anthony
0
voti
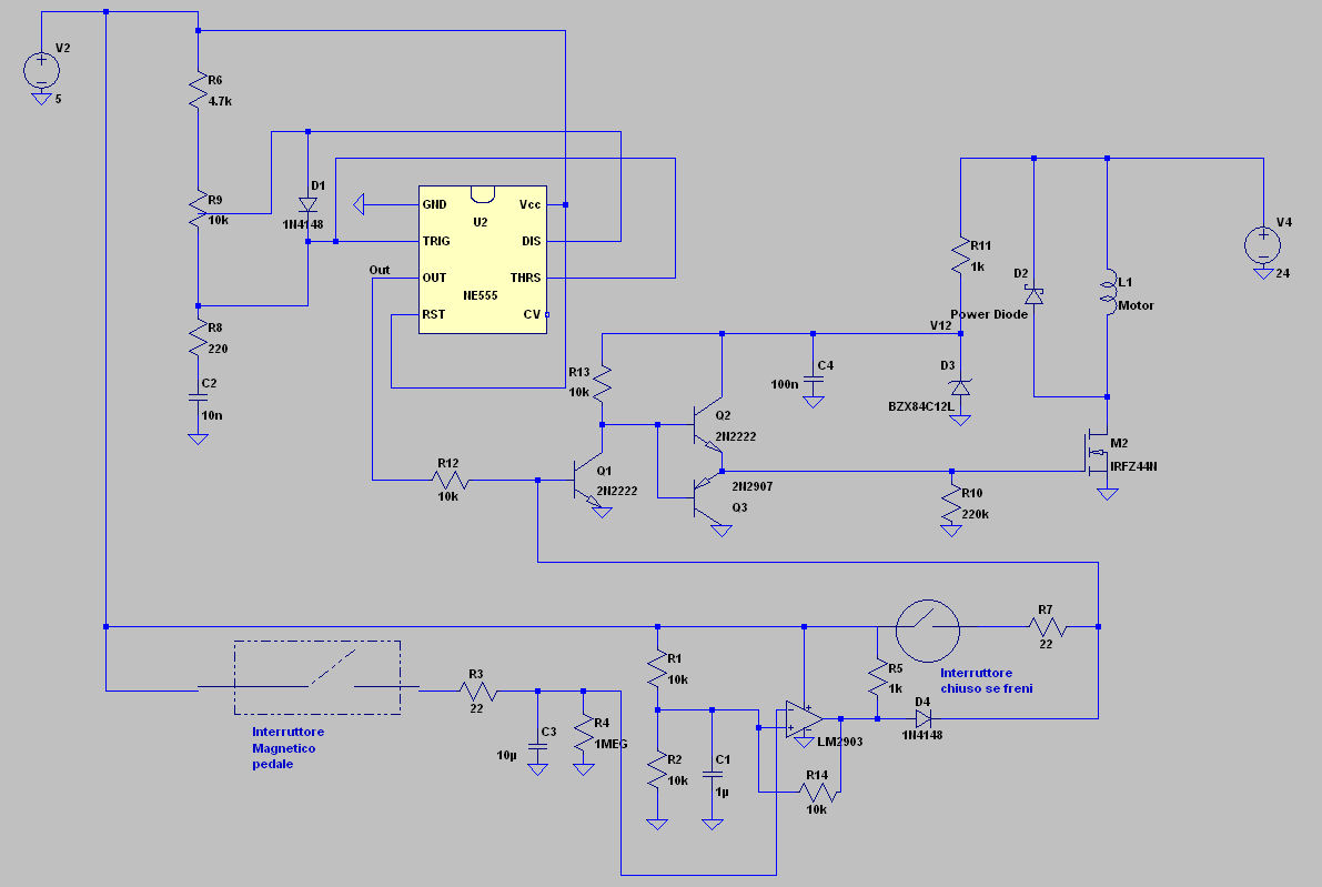
Si ho dato per scontato troppe cose.
Vediamo se riesco ad "aggistare" il tutto.
Lo scopo del gioco era di non farti cambiare nulla di quanto già fatto e di aggiungere il pezzo di circuito nel riquadro per fermare il PWM quando serve.
Ho fatto riferimento allo schema in fondo a pag 4 perché avevo capito che avessi realizzato questo.
In effetti mi erano cambiati dei nomi perché ti ho girato il file col modello di simulazione... (fai finta di nulla.)
Le resistenze da 22 sono 22 Ohm e non 22 k
Il LM2903 è un comparatore doppio e non un timer.
Il circuito mi viene più comodo con tale componente (è comunque un integrato molto comune, comperato per volumi costa qualche centesimo di euro per intenderci).
Del LM2903 se ne usa solo "la metà".
I pin di alimentazione e massa vanno connessi rispettivamente a Vcc (5V) e massa appunto.
Il pin 4 è la Massa e il pin 8 è il Vcc a 5V.
poi puoi scegliere se usare + - e out sui pin 3 2 1 oppure sui pin 5 6 7. qui è indifferente.
Se scegli di usare i pin 1 2 3 falli coincidere con + - e out dello schema che ti ho dato io e collega il pin 6 a massa e gli altri inutilizzati
(viceversa se scegli la tripeltta 5 6 e 7 da usare collega il 2 a massa e gli altri inutilizzati)
Così fatto se non fai girare i pedali entro i (circa) 10 secondi il PWM si interrompe.
Allo stesso modo appena freni con l'interruttore aggiuntivo si interrompe il PWM e quando molli i freni si riabilita.
Se hai dei dubbi son qua.
Ciao
Stefano
Vediamo se riesco ad "aggistare" il tutto.
Lo scopo del gioco era di non farti cambiare nulla di quanto già fatto e di aggiungere il pezzo di circuito nel riquadro per fermare il PWM quando serve.
Ho fatto riferimento allo schema in fondo a pag 4 perché avevo capito che avessi realizzato questo.
In effetti mi erano cambiati dei nomi perché ti ho girato il file col modello di simulazione... (fai finta di nulla.)
Le resistenze da 22 sono 22 Ohm e non 22 k
Il LM2903 è un comparatore doppio e non un timer.
Il circuito mi viene più comodo con tale componente (è comunque un integrato molto comune, comperato per volumi costa qualche centesimo di euro per intenderci).
Del LM2903 se ne usa solo "la metà".
I pin di alimentazione e massa vanno connessi rispettivamente a Vcc (5V) e massa appunto.
Il pin 4 è la Massa e il pin 8 è il Vcc a 5V.
poi puoi scegliere se usare + - e out sui pin 3 2 1 oppure sui pin 5 6 7. qui è indifferente.
Se scegli di usare i pin 1 2 3 falli coincidere con + - e out dello schema che ti ho dato io e collega il pin 6 a massa e gli altri inutilizzati
(viceversa se scegli la tripeltta 5 6 e 7 da usare collega il 2 a massa e gli altri inutilizzati)
Così fatto se non fai girare i pedali entro i (circa) 10 secondi il PWM si interrompe.
Allo stesso modo appena freni con l'interruttore aggiuntivo si interrompe il PWM e quando molli i freni si riabilita.
Se hai dei dubbi son qua.
Ciao
Stefano
Chi c’è in linea
Visitano il forum: Nessuno e 139 ospiti

Elettrotecnica e non solo (admin)
Un gatto tra gli elettroni (IsidoroKZ)
Esperienza e simulazioni (g.schgor)
Moleskine di un idraulico (RenzoDF)
Il Blog di ElectroYou (webmaster)
Idee microcontrollate (TardoFreak)
PICcoli grandi PICMicro (Paolino)
Il blog elettrico di carloc (carloc)
DirtEYblooog (dirtydeeds)
Di tutto... un po' (jordan20)
AK47 (lillo)
Esperienze elettroniche (marco438)
Telecomunicazioni musicali (clavicordo)
Automazione ed Elettronica (gustavo)
Direttive per la sicurezza (ErnestoCappelletti)
EYnfo dall'Alaska (mir)
Apriamo il quadro! (attilio)
H7-25 (asdf)
Passione Elettrica (massimob)
Elettroni a spasso (guidob)
Bloguerra (guerra)


