Ciao a tutti,
è ormai più di una settimana che sto cercando di far funzionare un circuito all' apparenza semplice ma senza risultati convincenti. A questo punto comincio a temere di trascurare qualcosa di fondamentale che però non riesco ad inquadrare.
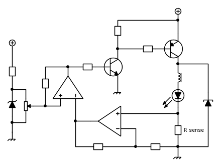
Questo è il circuito sul quale sto facendo le prove:
Il circuito serve per fare accendere un led ad alta potenza. Nel ramo del led dovrebbe infatti scorrere una corrente superiore ad 1A. Visto che l' alimentazione al circuito verrà fornita attraverso una batteria mi interesserebbe non inserire nel circuito regolatori lineari per evitare inutili dissipazioni.
Secondo il mio ragionamento il circuito sopra dovrebbe funzionare così:
non appena fornisco l' alimentazione la corrente comincerà a scorrere nel ramo di potenza (cioè quello che include il led) crescendo progressivamente. Man mano che la corrente aumenta aumenta anche la caduta di tensione sulla resistenza (da 0,1ohm) che funge da sensore di corrente. Ipotizzando una corrente massima accettabile di 1,4A mi ritroverei ai suoi capi una caduta di tensione massima di 140mV.
A questo punto ho allora deciso di inserire un amplificatore con guadagno 10 volte, in modo da ritrovarmi all' uscita dell' amplificatore una tensione massima di 1,4V. Il segnale viene poi inviato all' ingresso invertente di un' altro operazionale che funziona da comparatore (con una leggera isteresi). Il riferimento di tale comparatore è creato con l' aiuto di un diodo zener ai capi del quale è inserito un trimmer per permettere una regolazione.
Io mi aspetterei che la corrente misurata ai capi della resistenza (sensore) possa rimanere (considerando i dovuti rapporti) compresa tra i valori imposti dal comparatore che pilota il transistor NPN, ma aimé così non è !
Quello che volevo chiedervi (lasciando per il momento da parte il dimensionamento di tale circuito) è se a livello pratico sto trascurando qualcosa di troppo importante.
Vi ringrazio!
David
P.S.
So che con integrati appositi risolverei il problema senza troppi grattacapi, ma mi piaceva l' idea di crearmi il driver da me, più per il gusto di riuscirci che per altro...
Regolatore buck per alimentare un led di potenza
Moderatori:
carloc,
g.schgor,
BrunoValente,
IsidoroKZ
24 messaggi
• Pagina 1 di 3 • 1, 2, 3
0
voti
L'amplificatore della tensione sentita dalla R e` in retroazione positiva
non puo` funzionare come amplificatore. Visto che probabilmente lavori a singola alimentazione il primo op amp deve essere un ampli non invertente, quindi cambialo!
Seconda cosa, il loop deve regolare la corrente (media) nel led, e pare di capire che lo voglia fare di tipo isteretico. Questo vuol dire che devi misurare tutta la corrente dell'induttanza, per limitarla fra un valore "alto" e uno "basso" la cui distanza e` funzione del guadagno e dell'isteresi. Per misurare la corrente effettiva attraverso l'induttanza, devi togliere il condensatore all'uscita dell'induttanza, che toglie gran parte del ripple di corrente che invece e` quanto ti serve per controllare accensione e spegnimento.
Infine quando si usa una resistenza per il sense di corrente, spesso e` opportuno mettere un piccolo filtro RC sulla tensione misurata da questa resistenza, per togliere l'effetto induttivo del resistore. In questo caso forse ne puoi fare a meno perche' la corrente e` solo triangolare, non ha dei fronti ripidi, ma bisogna provare, dato che dipende dal tipo di resistenza, se e` a filo o antinduttiva.
Il MOS non lo vedo bene, ma dovrebbe essere a canale P, vero? Hai abbastanza tensione per accenderlo? Se fai lo schema in fidocad (magari mettendo anche i valori), posso prenderlo e modificarlo
Seconda cosa, il loop deve regolare la corrente (media) nel led, e pare di capire che lo voglia fare di tipo isteretico. Questo vuol dire che devi misurare tutta la corrente dell'induttanza, per limitarla fra un valore "alto" e uno "basso" la cui distanza e` funzione del guadagno e dell'isteresi. Per misurare la corrente effettiva attraverso l'induttanza, devi togliere il condensatore all'uscita dell'induttanza, che toglie gran parte del ripple di corrente che invece e` quanto ti serve per controllare accensione e spegnimento.
Infine quando si usa una resistenza per il sense di corrente, spesso e` opportuno mettere un piccolo filtro RC sulla tensione misurata da questa resistenza, per togliere l'effetto induttivo del resistore. In questo caso forse ne puoi fare a meno perche' la corrente e` solo triangolare, non ha dei fronti ripidi, ma bisogna provare, dato che dipende dal tipo di resistenza, se e` a filo o antinduttiva.
Il MOS non lo vedo bene, ma dovrebbe essere a canale P, vero? Hai abbastanza tensione per accenderlo? Se fai lo schema in fidocad (magari mettendo anche i valori), posso prenderlo e modificarlo
Per usare proficuamente un simulatore, bisogna sapere molta più elettronica di lui
Plug it in - it works better!
Il 555 sta all'elettronica come Arduino all'informatica! (entrambi loro malgrado)
Se volete risposte rispondete a tutte le mie domande
Plug it in - it works better!
Il 555 sta all'elettronica come Arduino all'informatica! (entrambi loro malgrado)
Se volete risposte rispondete a tutte le mie domande
0
voti
Grazie mille Isidoro
!
Devo ragionare bene sulla prima osservazione che mi hai fatto, anche perché ho disegnato lo schema andando a memoria visto che sono al lavoro e non ho il circuito sotto mano. Per il resto ho capito perfettamente le tue osservazioni e appena a casa le metterò in pratica.
Vorrei costruire una sorta di regolatore switching che grazie ad una piccola isteresi possa far si che la corrente sul carico vada ad esempio da 1,4A a 1,3A. In funzione poi dello scaricarsi della batteria varierà la frequenza di commutazione ma di questo non mi preoccupo perché dai test che ho fatto la luminosità sarà comunque accettabile.
Come dicevi giustamente la tensione di alimentazione è singola e andrà da circa 8V a poco più di 5V. Sono due celle LiPo collegate in serie. La resistenza di sense non è a filo ma a film metallico da 1/4W.
A dire il vero l' idea iniziale era quella di usare un MOS canale P per il ramo di potenza. Poi visto che logic level stento a trovarli ho per il momento utilizzato un transistor PNP a bassa Vce sat (cioè questi: PBSS302PX).
Buono per lo schema in Fidocad
, appena a casa lo ridisegno (con le eventuali correzioni) e lo posto...
GRAZIE !!!
Devo ragionare bene sulla prima osservazione che mi hai fatto, anche perché ho disegnato lo schema andando a memoria visto che sono al lavoro e non ho il circuito sotto mano. Per il resto ho capito perfettamente le tue osservazioni e appena a casa le metterò in pratica.
Vorrei costruire una sorta di regolatore switching che grazie ad una piccola isteresi possa far si che la corrente sul carico vada ad esempio da 1,4A a 1,3A. In funzione poi dello scaricarsi della batteria varierà la frequenza di commutazione ma di questo non mi preoccupo perché dai test che ho fatto la luminosità sarà comunque accettabile.
Come dicevi giustamente la tensione di alimentazione è singola e andrà da circa 8V a poco più di 5V. Sono due celle LiPo collegate in serie. La resistenza di sense non è a filo ma a film metallico da 1/4W.
A dire il vero l' idea iniziale era quella di usare un MOS canale P per il ramo di potenza. Poi visto che logic level stento a trovarli ho per il momento utilizzato un transistor PNP a bassa Vce sat (cioè questi: PBSS302PX).
Buono per lo schema in Fidocad
GRAZIE !!!
0
voti
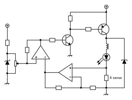
Chiedo scusa perché nel messaggio di prima avavo sbagliato a disegnare i collegamenti relativi al primo comparatore. Ora ho corretto e il disegno corrisponde al circuito che sto testando. Qui c'è lo schema rivisto compreso delle modifiche suggeritemi:
Come vi sembra, così dovrebbe funzionare ?
Cosa ne pensate della scelta di amplificare 10 volte la tensione letta sulla R sense ? Ha senso oppure potrei far lavorare direttamente il comparatore senza particolari difficoltà ?
Isidoro, per lo schema con Fidocad come puoi vedere non c' è nessun problema
, per i valori invece vorrei chiederti (o chiedervi) se possibile di andare per gradi in modo da poter capire bene come procedere per dimensionare un circuito del genere. Non avendo molta esperienza so per certo che i valori scelti sono più o meno errati e come unico effetto otterrebbero quello di farti rabbrividire. Se però "ci tieni" non ci sono problemi, però poi non dire che non ti avevo avvertito
...
Vi ringrazio.
Come vi sembra, così dovrebbe funzionare ?
Cosa ne pensate della scelta di amplificare 10 volte la tensione letta sulla R sense ? Ha senso oppure potrei far lavorare direttamente il comparatore senza particolari difficoltà ?
IsidoroKZ ha scritto:Se fai lo schema in fidocad (magari mettendo anche i valori), posso prenderlo e modificarlo![]()
Isidoro, per lo schema con Fidocad come puoi vedere non c' è nessun problema
Vi ringrazio.
0
voti
IsidoroKZ ha scritto: Per misurare la corrente effettiva attraverso l'induttanza, devi togliere il condensatore all'uscita dell'induttanza, che toglie gran parte del ripple di corrente che invece e` quanto ti serve per controllare accensione e spegnimento.
il condensatore non limita il ripple di corrente, ma quello di tensione!0
voti
Nel controllo isteretico bisogna misurare la corrente istantanea attraverso l'induttanza. La corrente dell'induttanza ha una componente continua piu` un ripple triangolare sovrapposto.
Se si mette il condensatore di uscita, il ripple di corrente dell'induttanza passa attraverso il condensatore, mentre per il controllo serve che passi attraverso la resistenza di sense, quella in serie al led.
E` vero che il condensatore riduce il ripple di tensione sull'uscita, ma in questo caso la tensione non conta, bisogna controllare la corrente attraverso il led.
Se si mette il condensatore di uscita, il ripple di corrente dell'induttanza passa attraverso il condensatore, mentre per il controllo serve che passi attraverso la resistenza di sense, quella in serie al led.
E` vero che il condensatore riduce il ripple di tensione sull'uscita, ma in questo caso la tensione non conta, bisogna controllare la corrente attraverso il led.
Per usare proficuamente un simulatore, bisogna sapere molta più elettronica di lui
Plug it in - it works better!
Il 555 sta all'elettronica come Arduino all'informatica! (entrambi loro malgrado)
Se volete risposte rispondete a tutte le mie domande
Plug it in - it works better!
Il 555 sta all'elettronica come Arduino all'informatica! (entrambi loro malgrado)
Se volete risposte rispondete a tutte le mie domande
1
voti
davidde ha scritto:Come vi sembra, così dovrebbe funzionare ?
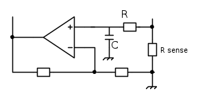
Ok, cosi` dovrebbe andare. Bisogna scegliere l'amplificatore del sense di corrente che sia a singola alimentazione e con un ragionevole prodotto guadagno banda. Se ad esempio la frequenza di commutazione e` dalle parti di 50 kHz, e si vuole vedere una forma d'onda triangolare, bisogna avere un amplificatore con una banda abbastanza piu` grande, ad esempio 500 kHz (anche un pochetto di meno, ma non tanto). Un ampli non invertente con una banda di 500 kHz e guadagno di 10 volte deve usare un operazionale con un prodotto guadagno banda di almeno 5 MHz. In questo modo non si introducono ritardi di fase e distorsioni lineari sulla forma d'onda di corrente.
Il resistore di sense potrebbe introdurre dei problemi, perche' oltre alla resistenza c'e` anche una induttanza parassita che ad alta frequenza fa aumentare la tensione letta a pari corrente che scorre. Per compensare questo effetto (che pero` potrebbe non essere importante se il resistore e` fisicamente piccolo) si mette un gruppo RC come nello schema:
Per compensare l'induttanza parassita L del resistore Rsense bisogna mettere un gruppo RC tale che RC=L/Rsense.
Se vuoi avere una corrente da 1.3A a 1.4A, devi mettere un comparatore con tensioni di soglia di 1.3V e 1.4V. L'ampiezza dell'isteresi dipende dalla tensione di alimentazione e quindi quando le batterie si scaricano il ripple di corrente varia (scende). Il comparatore deve commutare abbastanza in fretta, diciamo al massimo in un microsecondo, e quindi il comparatore (probabilmente usi un operazionale) deve avere uno slew rate di qualche volt al microsecondo. In realta` questa velocita` non serve per accendere il bipolare, ma meglio non perdere troppo tempo.
Dato che le tensioni di ingresso e uscita sono assegnate, resta solo da dimensionare l'induttanza per ottenere una frequenza ragionevole. Dato che stai usando dei bipolari e il circuito non e` molto veloce, direi di rimanere su frequenze dell'ordine delle decine di kilohertz. Supponendo di avere 3V circa sul led, e circa 7V di ingresso, il circuito lavora con circa il 50% di duty cycle, che vuol dire un tempo di accensione di circa 10us.
Durante il periodo di accensione la tensione sull'induttanza e` di circa 3.5V, e la corrente nell'induttanza in 10u sale di 3.5V*10us/L e questa variazione deve essere di 0.1A. Dal che si ricava che L=350us. Se ammetti un ripple maggiore o una frequenza piu` alta, puoi mettere un induttore piu` piccolo. In ogni caso deve essere un induttore in grado di tenere almeno 1.5A senza saturare.
I conti precisi un'altra volta, vediamo se fino a qui non ho preso troppe cantonate.
Per usare proficuamente un simulatore, bisogna sapere molta più elettronica di lui
Plug it in - it works better!
Il 555 sta all'elettronica come Arduino all'informatica! (entrambi loro malgrado)
Se volete risposte rispondete a tutte le mie domande
Plug it in - it works better!
Il 555 sta all'elettronica come Arduino all'informatica! (entrambi loro malgrado)
Se volete risposte rispondete a tutte le mie domande
0
voti
davidde ha scritto: Non avendo molta esperienza so per certo che i valori scelti sono più o meno errati e come unico effetto otterrebbero quello di farti rabbrividire. Se però "ci tieni" non ci sono problemi, però poi non dire che non ti avevo avvertito![]()
Sarebbe bene metterli comunque. Per esempio, che comparatore hai utilizzato? Molti hanno un'uscita open collector, per esempio, e necessita una resistenza di pull-up. L'amplificatore operazionale, che modello è e come viene alimentato? Non tutti sono adatti ad operare con gli ingressi vicini a massa.
Follow me on Mastodon: @davbucci@mastodon.sdf.org
-

DarwinNE
31,0k 7 11 13 - G.Master EY

- Messaggi: 4420
- Iscritto il: 18 apr 2010, 9:32
- Località: Grenoble - France
0
voti
IsidoroKZ ha scritto:Nel controllo isteretico bisogna misurare la corrente istantanea attraverso l'induttanza. La corrente dell'induttanza ha una componente continua piu` un ripple triangolare sovrapposto.
Se si mette il condensatore di uscita, il ripple di corrente dell'induttanza passa attraverso il condensatore, mentre per il controllo serve che passi attraverso la resistenza di sense, quella in serie al led.
E` vero che il condensatore riduce il ripple di tensione sull'uscita, ma in questo caso la tensione non conta, bisogna controllare la corrente attraverso il led.
non mi trovi molto d'accordo,
c'è un diodo, la tensione, bene o male, la fissa lui (la tnsione sulla Rsense è trascurabile), quindi il condensatore non fa certo male e non crea danni al controllo...
0
voti
E` vero che la tensione all'uscita del buck e` approssimativamente fissata dal diodo, ma quello e` un controllore isteretico di corrente, e per funzionare deve misurare la corrente con le sue variazioni.
Se metti l'elettrolitico dopo la L, il ripple di corrente passa per lo piu` attraverso il condensatore che alla frequenza di commutazione ha una impenza piu` bassa di diodo+resistenza di sense, e quanto si misura su Rsense non e` piu` la corrente istantanea in L, che e` la grandezza che viene controllata.
Se metti l'elettrolitico dopo la L, il ripple di corrente passa per lo piu` attraverso il condensatore che alla frequenza di commutazione ha una impenza piu` bassa di diodo+resistenza di sense, e quanto si misura su Rsense non e` piu` la corrente istantanea in L, che e` la grandezza che viene controllata.
Per usare proficuamente un simulatore, bisogna sapere molta più elettronica di lui
Plug it in - it works better!
Il 555 sta all'elettronica come Arduino all'informatica! (entrambi loro malgrado)
Se volete risposte rispondete a tutte le mie domande
Plug it in - it works better!
Il 555 sta all'elettronica come Arduino all'informatica! (entrambi loro malgrado)
Se volete risposte rispondete a tutte le mie domande
24 messaggi
• Pagina 1 di 3 • 1, 2, 3
Chi c’è in linea
Visitano il forum: Google [Bot], Google Feedfetcher e 110 ospiti

Elettrotecnica e non solo (admin)
Un gatto tra gli elettroni (IsidoroKZ)
Esperienza e simulazioni (g.schgor)
Moleskine di un idraulico (RenzoDF)
Il Blog di ElectroYou (webmaster)
Idee microcontrollate (TardoFreak)
PICcoli grandi PICMicro (Paolino)
Il blog elettrico di carloc (carloc)
DirtEYblooog (dirtydeeds)
Di tutto... un po' (jordan20)
AK47 (lillo)
Esperienze elettroniche (marco438)
Telecomunicazioni musicali (clavicordo)
Automazione ed Elettronica (gustavo)
Direttive per la sicurezza (ErnestoCappelletti)
EYnfo dall'Alaska (mir)
Apriamo il quadro! (attilio)
H7-25 (asdf)
Passione Elettrica (massimob)
Elettroni a spasso (guidob)
Bloguerra (guerra)




