Cos'è ElectroYou | Login Iscriviti

ElectroYou - la comunità dei professionisti del mondo elettrico

Secondo principio di Kirchhoff

Elettronica lineare e digitale: didattica ed applicazioni

Moderatori: Foto Utentecarloc, Foto Utenteg.schgor, Foto UtenteBrunoValente, Foto UtenteIsidoroKZ

0
voti

[1] Secondo principio di Kirchhoff

Messaggioda Foto UtenteMicrobicjah » 6 ott 2010, 12:17

Salve a tutti..
Mi chiamo Massimo e ho 20 Anni.
Premetto che sto studiano elettronica a scuola ed ho appena iniziato..

Mi sono imbattuto sui Principi di Kirchhoff... E non ne vado fuori per una serie di problemi..
Il primo è piuttosto semplice, quasi banale..
Il secondo.. è un disastro -.-

Allora:
Principio delle Tensioni: Lungo una maglia la somma algebrica dele tensioni è uguale a 0.

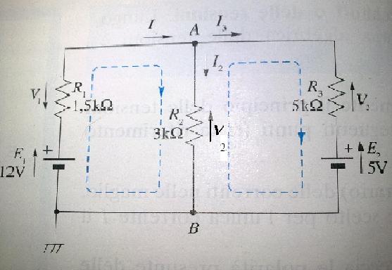
Ok.. Allora allego un circuito di esempio che mi fa il libro di testo..
In questo circuito ricavare le correnti I1,I2,I3 e le cadute di tensione sulle resistenze..

E qui il libro inizia una serie di passaggi a cui non riesco arrivare :shock:

Dice: Si fissa il verso (arbitrario) delle correnti nelle maglie e le frecce delle cadute di tensione. poiché i rami sono 3 (r=3) e i nodi di giunzione A e B due (n=2), si passa a scrivere 3-(2-1)=2 equazioni indipendenti alle maglie..
Scelte per esempio le duemaglie interne e il verso di percorrenza orario (punto c), si ottiene dal 2°Principio di Kirchhoff:

E1 - VR1 - VR2 = 0
VR2 - E2 - VR3 = 0

A questo si deve aggiungere l'unica equazione indipendente ai nodi ( 1° Principio di Kirchhoff ).
Scelto per esempio il nodo A si ottiene:

I1 - I2 - I3 = 0

Risolto il sistema costituito dalle tre equazioni,si ricava

I1 = 3mA
I2 = 2,5 mA
I3 = 0,5 mA

e di conseguenza

VR1 = R1*I1 = 4,5V
VR2 = R2*I2 = 7,5V
V3 = R3*I3 = 2,5V


...Bene.. Passo alle domande..

Nella figura ho due Generatori, uno da 12V e l'altro da 5V.. Quindi all'interno del circuito che succede? Quando trovo un circuito simile devo contarle entrambe o solo quella che ha maggiore tensione?

Come fa I3 ( che è una corrente) andare verso il generatore? Non dovrebbe essere il contrario?

Sbaglio o la Tensione mi gira a senso opposto della Corrente? Come XXXXXX :shock: fa? O.O

Vi prego di aiutarmi.. [-o<

Ringrazio di già e mi scuso se l'immagine si vede male! <(^.^)>

Edit RenzoDF: Inserisco io l'immagine in linea con il testo (usando apposito pulsante )

circuito.JPG
circuito.JPG (29.75 KiB) Osservato 10121 volte
Avatar utente
Foto UtenteMicrobicjah
0 3
 
Messaggi: 7
Iscritto il: 6 ott 2010, 10:57

0
voti

[2] Re: Secondo principio di Kirchhoff

Messaggioda Foto UtenteRenzoDF » 6 ott 2010, 12:26

Come mai hai usato per "Kirchhoff" due f nel titolo ed una sola all'interno dell'articolo :?:

... noi oramai, per fornire una risposta, richiediamo uno schema con FidoCadJ :D
http://www.electroportal.net/darwinne/wiki/fidocadj


BTW in che scuola e in che citta' ?
"Il circuito ha sempre ragione" (Luigi Malesani)
Avatar utente
Foto UtenteRenzoDF
55,9k 8 12 13
G.Master EY
G.Master EY
 
Messaggi: 13189
Iscritto il: 4 ott 2008, 9:55

0
voti

[3] Re: Secondo principio di Kirchhoff

Messaggioda Foto UtenteMicrobicjah » 6 ott 2010, 13:04

I.T.I.S. Zuccante Mestre (VENEZIA)
Perito elettronico e Telecomunicazione..

Con la Materia TDP ( Tecnologia Disegno e Progettazione) ci stanno insegnando ad usare il CIRCAD'98 .. perché ci permette di progettare il circuito.. stamparlo, incollarlo sulla basetta e realizzarlo... ( so che c'è ne sono di migliori e di nuovi.. però le scuole sono così.. Optano per i programmi antichi e senza bisogno della licenza)..
Avatar utente
Foto UtenteMicrobicjah
0 3
 
Messaggi: 7
Iscritto il: 6 ott 2010, 10:57

0
voti

[4] Re: Secondo principio di Kirchhoff

Messaggioda Foto UtenteRenzoDF » 6 ott 2010, 13:09

Manca la risposta alla domanda "principale" :)
"Il circuito ha sempre ragione" (Luigi Malesani)
Avatar utente
Foto UtenteRenzoDF
55,9k 8 12 13
G.Master EY
G.Master EY
 
Messaggi: 13189
Iscritto il: 4 ott 2008, 9:55

0
voti

[5] Re: Secondo principio di Kirchhoff

Messaggioda Foto UtenteMicrobicjah » 6 ott 2010, 13:43

Da poco ho un portatile abbastanza arcaico e i tasti li devo premere ( nel mio caso "schiacciare violentemente" ) con più forza.. :lol:
E ogni tanto mi sfugge se scrivo male qualcosa! Mi dispiace! :oops:
Avatar utente
Foto UtenteMicrobicjah
0 3
 
Messaggi: 7
Iscritto il: 6 ott 2010, 10:57

0
voti

[6] Re: Secondo principio di Kirchhoff

Messaggioda Foto UtenteRenzoDF » 6 ott 2010, 14:07

risposta sbagliata :mrgreen:
"Il circuito ha sempre ragione" (Luigi Malesani)
Avatar utente
Foto UtenteRenzoDF
55,9k 8 12 13
G.Master EY
G.Master EY
 
Messaggi: 13189
Iscritto il: 4 ott 2008, 9:55

0
voti

[7] Re: Secondo principio di Kirchhoff

Messaggioda Foto UtenteMicrobicjah » 6 ott 2010, 14:23

:shock: :shock: :shock:

Ho scritto due H al Posto di una..
Kirchhoff
[Kirchhoff] <--- Sbagliato..

Dici questo? :)


Le [F] sono giuste XD
Avatar utente
Foto UtenteMicrobicjah
0 3
 
Messaggi: 7
Iscritto il: 6 ott 2010, 10:57

0
voti

[8] Re: Secondo principio di Kirchhoff

Messaggioda Foto UtenteRenzoDF » 6 ott 2010, 14:37

Risposta sbagliata !

per Kirchhoff, DUE H ! :D

... le F sono perfette :wink:
"Il circuito ha sempre ragione" (Luigi Malesani)
Avatar utente
Foto UtenteRenzoDF
55,9k 8 12 13
G.Master EY
G.Master EY
 
Messaggi: 13189
Iscritto il: 4 ott 2008, 9:55

0
voti

[9] Re: Secondo principio di Kirchhoff

Messaggioda Foto UtenteMicrobicjah » 6 ott 2010, 14:46

Ok... XD


Però.. Devo ancora capire il secondo principio.. Non ne vado fuori :cry:
Avatar utente
Foto UtenteMicrobicjah
0 3
 
Messaggi: 7
Iscritto il: 6 ott 2010, 10:57

1
voti

[10] Re: Secondo principio di Kirchhoff

Messaggioda Foto UtenteRenzoDF » 6 ott 2010, 14:48

E a questo punto, conclusi i "preliminari", rispondo alle tue domande
Microbicjah ha scritto:Nella figura ho due Generatori, uno da 12V e l'altro da 5V.. Quindi all'interno del circuito che succede?

nulla, possono essercene anche tre :D , l'importante è che non vadano "ad insistere" su due nodi comuni (essendo per ipotesi ideali, ci sarebbe un'incompatibilita' circuitale).

Microbicjah ha scritto:Quando trovo un circuito simile devo contarle entrambe o solo quella che ha maggiore tensione?

:shock: Ovviamente entrambe !

tensione qui non si puo' dire ! [-X ... usa "tensione" o "differenza di potenziale" (ddp) :wink:

Microbicjah ha scritto:Come fa I3 ( che è una corrente) andare verso il generatore? Non dovrebbe essere il contrario"?


La corrente oltre che uscire, puo' anche entrare in un generatore !

Microbicjah ha scritto:Sbaglio o la Tensione mi gira a senso opposto della Corrente? Come fa?

La tensione NON gira, esiste fra due punti ! ... il segno della ddp è positivo nel punto dove la corrente "entra" nel resistore ! ... e quindi il morsetto di entrata è ritenuto a potenziale piu' alto rispetto a quello di uscita.

Nel tuo schema vedo che usano le freccie per indicare la ddp, una "brutta idea" (per varie ragioni) ... comunque se ti hanno insegnato così, va bene lo stesso! ...io uso il + nel morsetto d'ingresso ed il meno sul morsetto d'uscita.


BTW ... niente "parolacce" ok ?
BTW2 ... chiamare il principio di Kirchhoff alle tensioni, "secondo principio", io lo eviterei, perché in realtà è il primo, ma questa è solo una curiosità storica :!:
"Il circuito ha sempre ragione" (Luigi Malesani)
Avatar utente
Foto UtenteRenzoDF
55,9k 8 12 13
G.Master EY
G.Master EY
 
Messaggi: 13189
Iscritto il: 4 ott 2008, 9:55

Prossimo

Torna a Elettronica generale

Chi c’è in linea

Visitano il forum: Nessuno e 76 ospiti