Ciao a tutti, sto lavorando al mio primo progetto il cual è un dado.
Appena viene acceso visualizza un 1, e genera numeri dall' 1 al 6.
Siccome è il mio primo progetto e dei simulatori di circuiti non mi fido al 100% (anche se nel simulatore sembra tutto ok), mi piacerebbe sapere da voi che siete più esperti cosa ne pensate, se è meglio modificare qualche dettaglio, se secondo la progettazione è tutto a norma etc.
Allego una immagine del progetto.
Grazie a tutti
Suggerimenti e consigli per un progetto
Moderatori:
carloc,
g.schgor,
BrunoValente,
IsidoroKZ
50 messaggi
• Pagina 1 di 5 • 1, 2, 3, 4, 5
0
voti
Non si vedono le sigle dei componenti. E se non usi i simboli IEEE per parte della logica e` meglio, si capisce di piu` :)
Sembra dall'alimentazione che usi logica CMOS (pero` non capisco a che cosa serva la resistenza R3), e non puoi lasciare l'ingresso di clock aperto quando non premi il pulsante.
Non ho controllato la logica perche' non so che integrati sono.
Sembra dall'alimentazione che usi logica CMOS (pero` non capisco a che cosa serva la resistenza R3), e non puoi lasciare l'ingresso di clock aperto quando non premi il pulsante.
Non ho controllato la logica perche' non so che integrati sono.
Per usare proficuamente un simulatore, bisogna sapere molta più elettronica di lui
Plug it in - it works better!
Il 555 sta all'elettronica come Arduino all'informatica! (entrambi loro malgrado)
Se volete risposte rispondete a tutte le mie domande
Plug it in - it works better!
Il 555 sta all'elettronica come Arduino all'informatica! (entrambi loro malgrado)
Se volete risposte rispondete a tutte le mie domande
0
voti
Ciao IsidoroKZ grazie mille per la risposta, ebbene si le scritte sono un po' piccole.
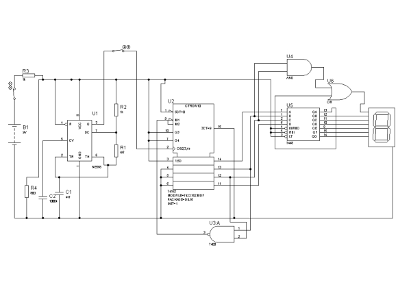
Siccome è un circuito sviluppato tramite Proteus (che implementa questa simbologia), ho generato un'immagine (la minima è da 1010 * 700) e successivamente l'ho rimpicciolita perché era abbastanza grande.
Dunque, forse ho implementato male R3, l'idea è quella di un divisore di tensione visto che da una pila di 9 V mi interessa ottenere 5 V. Ora dovrebbe essere più chiaro (Ho allegato uno zip con un jpg ad alta risoluzione.)
Il primo componente ovviamente è un 555. Il contatore è un preselezionabile 74162, ed il BDC-7 segmenti è un 7448 (ma sto pensando anche ad un 744511).
Per la NAND uso un 7400, per la AND un 7408 e per la OR un 7432.Infine, tutto TTL.
PS: Mi interessa che al visualizzare il 6 il segmento A sia acceso.. Mi piace di più.
Un dubbio ce l'ho per i condensatori.. Non so se metterli elettrolitici o no..
Non ho implementato transistori perché ancora non li abbiamo studiati, ma il tutto non vieta di usarli.
Hai ragione, darebbe problemi di segnale.. Posso attivare il 555 tramite pulsante e pin 8 al premere il pulsante.. Ora provo..
Ciao e grazie!
Siccome è un circuito sviluppato tramite Proteus (che implementa questa simbologia), ho generato un'immagine (la minima è da 1010 * 700) e successivamente l'ho rimpicciolita perché era abbastanza grande.
Dunque, forse ho implementato male R3, l'idea è quella di un divisore di tensione visto che da una pila di 9 V mi interessa ottenere 5 V. Ora dovrebbe essere più chiaro (Ho allegato uno zip con un jpg ad alta risoluzione.)
Il primo componente ovviamente è un 555. Il contatore è un preselezionabile 74162, ed il BDC-7 segmenti è un 7448 (ma sto pensando anche ad un 744511).
Per la NAND uso un 7400, per la AND un 7408 e per la OR un 7432.Infine, tutto TTL.
PS: Mi interessa che al visualizzare il 6 il segmento A sia acceso.. Mi piace di più.
Un dubbio ce l'ho per i condensatori.. Non so se metterli elettrolitici o no..
Non ho implementato transistori perché ancora non li abbiamo studiati, ma il tutto non vieta di usarli.
non puoi lasciare l'ingresso di clock aperto quando non premi il pulsante.
Hai ragione, darebbe problemi di segnale.. Posso attivare il 555 tramite pulsante e pin 8 al premere il pulsante.. Ora provo..
Ciao e grazie!
- Allegati
-
project.jpg.zip- (169.15 KiB) Scaricato 212 volte
0
voti
Sembra che il problema di clock è risolvibile con una AND con una entrata per il pulsante (collegato al 3 del 555) ed una alla alimentazione, con l'uscita al clock. Così non dovrebbe trovarsi il caso di pin a vuoto..
0
voti
Quegli integrati non esistono piu`. Meglio andare su logica CMOS e alimentarla direttamente a 9V.
Il partitore con R3 non funziona.
Fai un disegno in fidocad, che e` piu` facile da vedere e modificare.
Il partitore con R3 non funziona.
Fai un disegno in fidocad, che e` piu` facile da vedere e modificare.
Per usare proficuamente un simulatore, bisogna sapere molta più elettronica di lui
Plug it in - it works better!
Il 555 sta all'elettronica come Arduino all'informatica! (entrambi loro malgrado)
Se volete risposte rispondete a tutte le mie domande
Plug it in - it works better!
Il 555 sta all'elettronica come Arduino all'informatica! (entrambi loro malgrado)
Se volete risposte rispondete a tutte le mie domande
0
voti
IsidoroKZ ha scritto:Quegli integrati non esistono piu`.
A quali ti riferisci esattamente?
Il partitore con R3 non funziona.
Nel nuovo schema dovrebbe funzionare.
Fai un disegno in fidocad, che e` piu` facile da vedere e modificare.
Il prossimo messaggio sarà con lo schema.
0
voti
Il 74162 e gli altri della serie 74 che citavi non esistono piu`. Si sono estinti probabilmente 30 anni fa.
Usa la serie 4000 che puoi alimentare direttamente a 9V.
Nessun partitore sull'alimentazione funziona mai. E nei rari casi un cui potrebbe funzionare (questo comunque non e` uno di quei casi) e` sempre una pessima idea.
Usa la serie 4000 e alimentala direttamente dalla batteria.
Usa la serie 4000 che puoi alimentare direttamente a 9V.
Nessun partitore sull'alimentazione funziona mai. E nei rari casi un cui potrebbe funzionare (questo comunque non e` uno di quei casi) e` sempre una pessima idea.
Usa la serie 4000 e alimentala direttamente dalla batteria.
Per usare proficuamente un simulatore, bisogna sapere molta più elettronica di lui
Plug it in - it works better!
Il 555 sta all'elettronica come Arduino all'informatica! (entrambi loro malgrado)
Se volete risposte rispondete a tutte le mie domande
Plug it in - it works better!
Il 555 sta all'elettronica come Arduino all'informatica! (entrambi loro malgrado)
Se volete risposte rispondete a tutte le mie domande
1
voti
...poi direi che la funzione logica fatta da U4 e U6 la puoi trasformare (doppia negazione e De Morgan) e realizzare con 3 NAND, così risparmi 2 IC ed usi i tre NAND liberi di U3.. 
Se ti serve il valore di beta: hai sbagliato il progetto!
0
voti
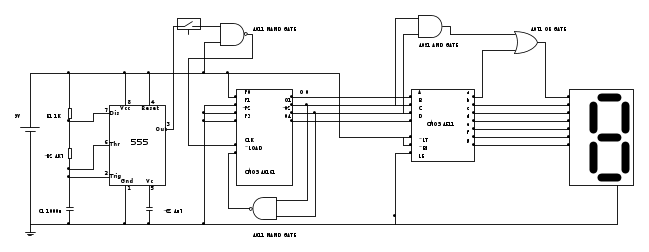
Dunque, applicando la tecnologia CMOS ho optato per un contatore preselezionabile sincrono 40161 e un 4511 BDC to 7 Segments, che a vedere dal sito della Texas Instruments (se non sbaglio) sono in commercio.
40161
4511
Onestamente spero di non aver fatto troppa confusione con i componenti e di aver scelto bene, visto che alcuni tra i cuali avevo preso in considerazione sembrano non essere disponibili.
Intanto come ha suggerito IsidoroKZ, posto lo schema fidocad ed allego lo zip con l'immagine tratta dal simulatore.
Sicuramente manca qualche piccolo dettaglio che a parte le resistenze (che devo ancora calcolare) prima del display non mi viene in mente.. Rimango con il dubbio dei condensatori..
Carloc, non ho avuto molto tempo di elaborare il tuo suggerimento, ma gli darò una occhiata app possibile. Ti ringrazio molto per il suggerimento.
Spero che sia tutto a norma.
Ciao e grazie!
40161
4511
Onestamente spero di non aver fatto troppa confusione con i componenti e di aver scelto bene, visto che alcuni tra i cuali avevo preso in considerazione sembrano non essere disponibili.
Intanto come ha suggerito IsidoroKZ, posto lo schema fidocad ed allego lo zip con l'immagine tratta dal simulatore.
Sicuramente manca qualche piccolo dettaglio che a parte le resistenze (che devo ancora calcolare) prima del display non mi viene in mente.. Rimango con il dubbio dei condensatori..
Carloc, non ho avuto molto tempo di elaborare il tuo suggerimento, ma gli darò una occhiata app possibile. Ti ringrazio molto per il suggerimento.
Spero che sia tutto a norma.
Ciao e grazie!
- Allegati
-
project.jpg.zip- (90.81 KiB) Scaricato 142 volte
1
voti
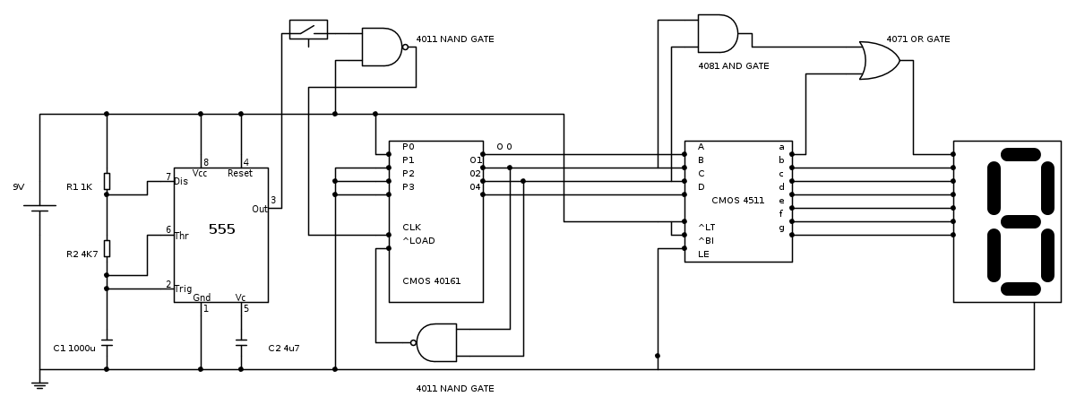
Ok vedrai è molto semplice
.....
però con il NAND così montato tra NE555 e CK del contatore non hai cambiato niente
... hai ancora un ingresso aperto (quello del NAND stavolta
). Credo che la soluzione più semplice sia mettere una R=10Kohm tra il Ck del contatore e massa e lasciare questa porzione come nel primo circuito...
però con il NAND così montato tra NE555 e CK del contatore non hai cambiato niente
Se ti serve il valore di beta: hai sbagliato il progetto!
50 messaggi
• Pagina 1 di 5 • 1, 2, 3, 4, 5
Chi c’è in linea
Visitano il forum: Google Adsense [Bot] e 57 ospiti

Elettrotecnica e non solo (admin)
Un gatto tra gli elettroni (IsidoroKZ)
Esperienza e simulazioni (g.schgor)
Moleskine di un idraulico (RenzoDF)
Il Blog di ElectroYou (webmaster)
Idee microcontrollate (TardoFreak)
PICcoli grandi PICMicro (Paolino)
Il blog elettrico di carloc (carloc)
DirtEYblooog (dirtydeeds)
Di tutto... un po' (jordan20)
AK47 (lillo)
Esperienze elettroniche (marco438)
Telecomunicazioni musicali (clavicordo)
Automazione ed Elettronica (gustavo)
Direttive per la sicurezza (ErnestoCappelletti)
EYnfo dall'Alaska (mir)
Apriamo il quadro! (attilio)
H7-25 (asdf)
Passione Elettrica (massimob)
Elettroni a spasso (guidob)
Bloguerra (guerra)



