Ciao a tutti, vorrei chiedervi, possibilmente, se mi sapreste dire dove ho sbagliato in questo circuito di condizionamento per la PT100.
Dovrei avere al valore di 100ohm una Vo=0V e al valore del 210ohm una Vo=10V eppure in entrambi i casi il simulatore mi mostra 21V in uscita....Non saprei cosa fare...consigli?
Ecco l'immagine allegata:
scusate se è troppo grande l'immagine...spero vada bene lo stesso altrimenti provo a cambiarla in qualche modo...
Circuito condizionamento PT100
Moderatori:
carloc,
g.schgor,
BrunoValente,
IsidoroKZ
43 messaggi
• Pagina 1 di 5 • 1, 2, 3, 4, 5
2
voti
...così ad occhio direi che è starato.....
metti la PT100 a 100 ohm, poi "regola" R6 per avere 0V in uscita....(p.s. mi pare che R7 debba andare ad una tensione negativa per azzerare l'offset....)
poi metti la PT100 a 210 ohm e "regoli" R12 per avere 10V in uscita
metti la PT100 a 100 ohm, poi "regola" R6 per avere 0V in uscita....(p.s. mi pare che R7 debba andare ad una tensione negativa per azzerare l'offset....)
poi metti la PT100 a 210 ohm e "regoli" R12 per avere 10V in uscita
Se ti serve il valore di beta: hai sbagliato il progetto!
0
voti
hai ragione la R7 andava a -5V e con questo sono riuscito a risolvere i 0V e 10V in uscita, l'unico problema che persiste ora, è la Vo negativa in uscita, c'è qualche collegamento sbagliato?
Ecco l'allegato modificato:
Ecco l'allegato modificato:
2
voti
..no sbagliato no, per come è fatto è giusto che la tensione in uscita diminuisca....
per invertire l'azione credo basti collegare R1 a -5V e rimettere R7 al positivo
per invertire l'azione credo basti collegare R1 a -5V e rimettere R7 al positivo
Se ti serve il valore di beta: hai sbagliato il progetto!
0
voti
hai ragione ...magari ci avessi fatto caso avrei evitato di chiederlo... Non ci sarei arrivato nemmeno per sbaglio ... Comunque ti ringrazio, mi hai aiutato moltissimo con queste risposte chiare e precise :)

1
voti
Il tuo circuito però mi sembra inutilmente complicato: se vuoi fare un amplificatore per ponti con risposta linerare ci sono circuiti più semplici.
It's a sin to write
instead of
(Anonimo).
...'cos you know that
ain't
, right?
You won't get a sexy tan if you write
in lieu of
.
Take a log for a fireplace, but don't take
for
arithm.
instead of
(Anonimo)....'cos you know that
ain't
, right?You won't get a sexy tan if you write
in lieu of
.Take a log for a fireplace, but don't take
for
arithm.-

DirtyDeeds
55,9k 7 11 13 - G.Master EY

- Messaggi: 7012
- Iscritto il: 13 apr 2010, 16:13
- Località: Somewhere in nowhere
0
voti
No non è quello lo scopo, lo scopo è proprio di buttare fuori 10 V quando la termoresistenza raggiunge il valore di 210 ohm.
Il circuito l'ho già visto fatto, solo che sto cercando di capire meglio il suo funzionamento... Non riesco a capire a cosa possa servire l'ultimo amplificatore operationale.
Il 2° AO, ha la resistenza di offset(R5), indipendentemente dalla serie con il potenziometro e quella da 1.5K che è lo stesso minore al parallelo fra la R4 ed R8 mentre il 3° AO ha la R di offset (R10) uguale al parallelo fra R11 ed R9.
In questo caso regolo la tensione a 10V quando si raggiungono i 210ohm, ma se volessi raggiungere un valore minore di 210 ohm? Come dovrei procedere?
Il circuito l'ho già visto fatto, solo che sto cercando di capire meglio il suo funzionamento... Non riesco a capire a cosa possa servire l'ultimo amplificatore operationale.
Il 2° AO, ha la resistenza di offset(R5), indipendentemente dalla serie con il potenziometro e quella da 1.5K che è lo stesso minore al parallelo fra la R4 ed R8 mentre il 3° AO ha la R di offset (R10) uguale al parallelo fra R11 ed R9.
In questo caso regolo la tensione a 10V quando si raggiungono i 210ohm, ma se volessi raggiungere un valore minore di 210 ohm? Come dovrei procedere?
0
voti
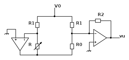
Non mettevo in dubbio che il circuito possa funzionare, ma con un circuito come quello sotto otterresti lo stesso risultato con molti meno componenti e migliori caratteristiche.
Scegli
,
in modo da limitare l'autoriscaldamento della Pt100 al valore che ti serve e
in modo da avere
quando
e il gioco è fatto.
La tensione di uscita del circuito vale

con
.
Scegli
,
in modo da limitare l'autoriscaldamento della Pt100 al valore che ti serve e
in modo da avere
quando
e il gioco è fatto. La tensione di uscita del circuito vale

con
.It's a sin to write
instead of
(Anonimo).
...'cos you know that
ain't
, right?
You won't get a sexy tan if you write
in lieu of
.
Take a log for a fireplace, but don't take
for
arithm.
instead of
(Anonimo)....'cos you know that
ain't
, right?You won't get a sexy tan if you write
in lieu of
.Take a log for a fireplace, but don't take
for
arithm.-

DirtyDeeds
55,9k 7 11 13 - G.Master EY

- Messaggi: 7012
- Iscritto il: 13 apr 2010, 16:13
- Località: Somewhere in nowhere
0
voti
Riprendo dove ero rimasto.
Con il circuito che DirtyDeeds mi ha consigliato ho provato cosi:
Con termoresistenza (R5) al valore di 120 ohm (50°C) la Vo in uscita sia di 10V con un'allimentazione Vcc=12V
e devo dire che al valore di 120 ohm in uscita ho:
e con la termoresistenza a 100ohm (0°C) la Vo ideale dovrebbe essere 0V ma ho un valore attorno ai mV (secondo il simulatore:
Considerando i valori del simulatore e del fatto che i valori delle resistenze variabili si possono cambiare ogni 1% , forse in realtà il circuito "andrà" un po' meglio....
Non mi rimane che simulare anche l'ultimo postato da mancio.
Comunque vi ringrazio per la collaborazione data finora
P.S se provo a ridurre le immagini con paint mi rendono l'immagine impossibili da capire...che metodo usate voi?
Con il circuito che DirtyDeeds mi ha consigliato ho provato cosi:
Con termoresistenza (R5) al valore di 120 ohm (50°C) la Vo in uscita sia di 10V con un'allimentazione Vcc=12V
e devo dire che al valore di 120 ohm in uscita ho:
e con la termoresistenza a 100ohm (0°C) la Vo ideale dovrebbe essere 0V ma ho un valore attorno ai mV (secondo il simulatore:
Considerando i valori del simulatore e del fatto che i valori delle resistenze variabili si possono cambiare ogni 1% , forse in realtà il circuito "andrà" un po' meglio....
Non mi rimane che simulare anche l'ultimo postato da mancio.
Comunque vi ringrazio per la collaborazione data finora
P.S se provo a ridurre le immagini con paint mi rendono l'immagine impossibili da capire...che metodo usate voi?
43 messaggi
• Pagina 1 di 5 • 1, 2, 3, 4, 5
Chi c’è in linea
Visitano il forum: Nessuno e 202 ospiti

Elettrotecnica e non solo (admin)
Un gatto tra gli elettroni (IsidoroKZ)
Esperienza e simulazioni (g.schgor)
Moleskine di un idraulico (RenzoDF)
Il Blog di ElectroYou (webmaster)
Idee microcontrollate (TardoFreak)
PICcoli grandi PICMicro (Paolino)
Il blog elettrico di carloc (carloc)
DirtEYblooog (dirtydeeds)
Di tutto... un po' (jordan20)
AK47 (lillo)
Esperienze elettroniche (marco438)
Telecomunicazioni musicali (clavicordo)
Automazione ed Elettronica (gustavo)
Direttive per la sicurezza (ErnestoCappelletti)
EYnfo dall'Alaska (mir)
Apriamo il quadro! (attilio)
H7-25 (asdf)
Passione Elettrica (massimob)
Elettroni a spasso (guidob)
Bloguerra (guerra)



