Salve a tutti.
Non sono molto pratico di forum quindi non so se è questo il modo ed il luogo migliore per porre queste domande.
Vorrei costruire un semplice termostato per una vecchia incubatrice.
Su internet ho trovato molti schemi ma non capendo nulla di elettronica ho scelto il più semplice preso da qui (figura 3 http://digilander.libero.it/nick47/opau.htm).
Prima di provare a realizzarlo vorrei sapere se:
1) è in grado di funzionare e mantenere una temperatura costante per più di un mese consecutivo.
2) non sia meglio fare qualche piccola modifica al circuito in modo da rendere meno frequenti gli scatti del relè.
3) posso usare un alimentatore stabilizzato 12v 2.5 A per alimentare il circuito
PS: Al relè dovrei collegare il girauova e la resistenza.
grazie.
Termostato incubatrice
Moderatori:
carloc,
g.schgor,
BrunoValente,
IsidoroKZ
1
voti
Oltre al suggerimento di g.schgor di aggiungere una isteresi, in pratica una resistenza fra l'uscita dell'operazionale e l'ingresso +, aggiungo quello di non usare quell'operazionale, perche' con il 741 quel circuito non funzionerebbe (o potrebbe non funzionare). Usa invece un LM358, altrimenti rischi che il rele' non apra mai.
Se specifichi che tensione di alimentazione hai a disposizione, che NTC usi (serve il valore resistivo e il coefficiente B), in quale intervallo vuoi regolare la temperatura, di quando puo` oscillare la temperatura intorno al punto prefissato, si possono fare i conti per trovare i valori di tutti gli altri componenti.
Se specifichi che tensione di alimentazione hai a disposizione, che NTC usi (serve il valore resistivo e il coefficiente B), in quale intervallo vuoi regolare la temperatura, di quando puo` oscillare la temperatura intorno al punto prefissato, si possono fare i conti per trovare i valori di tutti gli altri componenti.
Per usare proficuamente un simulatore, bisogna sapere molta più elettronica di lui
Plug it in - it works better!
Il 555 sta all'elettronica come Arduino all'informatica! (entrambi loro malgrado)
Se volete risposte rispondete a tutte le mie domande
Plug it in - it works better!
Il 555 sta all'elettronica come Arduino all'informatica! (entrambi loro malgrado)
Se volete risposte rispondete a tutte le mie domande
0
voti
Innanzitutto grazie per aver risposto.
Le componenti che ho già in mio possesso sono:
Ntc 3300 ohm ( ma posso prenderne una con le caratteristiche che servono magari 4700 ohm)
R1 3300 ohm 0.5watt
R2 27 kohm ¼watt (come suggerito dal venditore)
Rv 10kohm
Diodo 1N4001
Tr1 non l’ho ancora comprato
IC lm741 (ma comprarne un altro non credo sarà un grosso problema)
Relè: funzionamento 12v con contatti che supportano 230v
Al relè dovrei collegare il girauova e una resistenza riscaldante .
Per quanto riguarda l’alimentatore che ho a disposizione sopra c’e scritto 2,5 A.Trasforma la corrente alternata in corrente continua stabilizzata che posso modificare a mio piacimento dai 5v fino ai 15v (non so altro la targhetta è illeggibile ma potrei procurarmi un altro alimentatore magari uno per PC, cellulare o batterie ricaricabili ).
La temperatura ideale è 37.7 quindi le variazioni dovrebbero restare tra i 37.5 - 37.9 gradi (in ogni caso un oscillazione di meno di un grado non compromette più di tanto la schiusa).
Le componenti che ho già in mio possesso sono:
Ntc 3300 ohm ( ma posso prenderne una con le caratteristiche che servono magari 4700 ohm)
R1 3300 ohm 0.5watt
R2 27 kohm ¼watt (come suggerito dal venditore)
Rv 10kohm
Diodo 1N4001
Tr1 non l’ho ancora comprato
IC lm741 (ma comprarne un altro non credo sarà un grosso problema)
Relè: funzionamento 12v con contatti che supportano 230v
Al relè dovrei collegare il girauova e una resistenza riscaldante .
Per quanto riguarda l’alimentatore che ho a disposizione sopra c’e scritto 2,5 A.Trasforma la corrente alternata in corrente continua stabilizzata che posso modificare a mio piacimento dai 5v fino ai 15v (non so altro la targhetta è illeggibile ma potrei procurarmi un altro alimentatore magari uno per PC, cellulare o batterie ricaricabili ).
La temperatura ideale è 37.7 quindi le variazioni dovrebbero restare tra i 37.5 - 37.9 gradi (in ogni caso un oscillazione di meno di un grado non compromette più di tanto la schiusa).
-

salvatorefresc
0 3 - Messaggi: 12
- Iscritto il: 1 giu 2011, 16:24
0
voti
Se posso, vedo simularti il circuito, ma data
la "precisione" che chiedi, suggerisco lo schema con RV
posto fra 2 resistori RA ed RB, per una maggiore sensibilità di
taratura.
la "precisione" che chiedi, suggerisco lo schema con RV
posto fra 2 resistori RA ed RB, per una maggiore sensibilità di
taratura.
0
voti
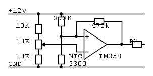
Ecco lo schema con l'amplificatore 358:
Ritengo che R2 (verso la base del transistor) da 27K
sia eccessiva . Non andrei oltre i 4.7K.
Dimmi se ti va bene il circuito.
Ritengo che R2 (verso la base del transistor) da 27K
sia eccessiva . Non andrei oltre i 4.7K.
Dimmi se ti va bene il circuito.
0
voti
Vi ringrazio credo che possa andar bene.
Utilizzando i vostri suggerimenti avevo considerato di mettere RA RV ed RB a 4.7k ma 10k va bene lo stesso anzi meglio (avevo creato un immagine .png del circuito da voi suggerito ma non so come postarla comunque la tua é abbastanza esauriente).
Come R2 potrei metterne una da 4.7k 1/4w oppure una da 3.3k 1/2w che in sostanza sono delle resistenze che ho già.
Rimane aperto il problema della scelta del transistor più adatto ma se non avete detto nulla credo che uno tra quelli indicati nel progetto originale BC142 - BC441 - BCP54 - BCX54 - BD135 possa andare bene.
Per completezza il relè è : NPR-13-c-12d-h
Grazie ancora!
Utilizzando i vostri suggerimenti avevo considerato di mettere RA RV ed RB a 4.7k ma 10k va bene lo stesso anzi meglio (avevo creato un immagine .png del circuito da voi suggerito ma non so come postarla comunque la tua é abbastanza esauriente).
Come R2 potrei metterne una da 4.7k 1/4w oppure una da 3.3k 1/2w che in sostanza sono delle resistenze che ho già.
Rimane aperto il problema della scelta del transistor più adatto ma se non avete detto nulla credo che uno tra quelli indicati nel progetto originale BC142 - BC441 - BCP54 - BCX54 - BD135 possa andare bene.
Per completezza il relè è : NPR-13-c-12d-h
Grazie ancora!
-

salvatorefresc
0 3 - Messaggi: 12
- Iscritto il: 1 giu 2011, 16:24
1
voti
Il rele` assorbe circa 45mA, quindi con la resistenza da 3.3kohm sulla base credo possa funzionare. Qualunque transistore piccolino va bene, tipo BC337, 2N2222... Il BD135 e` decisamente grande, gli altri non so quanto siano facili da trovare.
Invece si potrebbe ottimizzare la regolazione con potenziometro e resistenze, in modo da facilitare la taratura. In ogni caso ti serve un termometro di precisione per tarare il sistema.
Con i valori attuali delle resistenze il campo di regolazione della temperatura, per una ntc generica da 3.3kohm e` di circa 30 gradi, ad esempio da 10C a 41C. Regolare a 37.7 C, anche con un termometro di precisione, puo` essere complicato.
Se si usa un potenziometro da 1kohm e si mette una resistenza in serie all'NTC da circa 2kohm, l'intervallo di regolazione diventerebbe di circa 5 gradi intorno a 37.7, piu` facile da regolare.
PERO` per determinare esattamente il valore delle resistenze da usare bisogna sapere il coefficiente B dell'NTC, oppure il modello e la marca, in modo da andare a vedere il datasheet. Prova a chiedere al venditore marca e modello, vediamo se si trova il datasheet.
Oppure, se riesci a misurare la resistenza dell'NTC a 37.7C, forse si puo` fare a meno della marca e modello.
Per fare la misura ci vuole acqua tiepida, un termometro di precisione, e la termoresistenza messa in un sacchettino impermeabile.
Edit Tutto il resto rimanendo valido, mi e` venuto in mente che a seconda di dove misuri la temperatura, potrebbe essere necessario usare un NTC di valore molto piu` elevato. Se misuri la temperatura dell'aria, quindi l'NTC non e` a contatto con nulla, bisogna salire con il valore dell'NTC a 100kohm, per ridurre gli effetti dell'autoriscaldamento. Se invece l'NTC e` attaccata a una parete metallica, magari con pasta termoconduttiva, i problemi di autoriscaldamento dovrebbero essere minori, ma non saprei quantificarli al momento.
Invece si potrebbe ottimizzare la regolazione con potenziometro e resistenze, in modo da facilitare la taratura. In ogni caso ti serve un termometro di precisione per tarare il sistema.
Con i valori attuali delle resistenze il campo di regolazione della temperatura, per una ntc generica da 3.3kohm e` di circa 30 gradi, ad esempio da 10C a 41C. Regolare a 37.7 C, anche con un termometro di precisione, puo` essere complicato.
Se si usa un potenziometro da 1kohm e si mette una resistenza in serie all'NTC da circa 2kohm, l'intervallo di regolazione diventerebbe di circa 5 gradi intorno a 37.7, piu` facile da regolare.
PERO` per determinare esattamente il valore delle resistenze da usare bisogna sapere il coefficiente B dell'NTC, oppure il modello e la marca, in modo da andare a vedere il datasheet. Prova a chiedere al venditore marca e modello, vediamo se si trova il datasheet.
Oppure, se riesci a misurare la resistenza dell'NTC a 37.7C, forse si puo` fare a meno della marca e modello.
Per fare la misura ci vuole acqua tiepida, un termometro di precisione, e la termoresistenza messa in un sacchettino impermeabile.
Edit Tutto il resto rimanendo valido, mi e` venuto in mente che a seconda di dove misuri la temperatura, potrebbe essere necessario usare un NTC di valore molto piu` elevato. Se misuri la temperatura dell'aria, quindi l'NTC non e` a contatto con nulla, bisogna salire con il valore dell'NTC a 100kohm, per ridurre gli effetti dell'autoriscaldamento. Se invece l'NTC e` attaccata a una parete metallica, magari con pasta termoconduttiva, i problemi di autoriscaldamento dovrebbero essere minori, ma non saprei quantificarli al momento.
Per usare proficuamente un simulatore, bisogna sapere molta più elettronica di lui
Plug it in - it works better!
Il 555 sta all'elettronica come Arduino all'informatica! (entrambi loro malgrado)
Se volete risposte rispondete a tutte le mie domande
Plug it in - it works better!
Il 555 sta all'elettronica come Arduino all'informatica! (entrambi loro malgrado)
Se volete risposte rispondete a tutte le mie domande
0
voti
A questo punto anzichè provare ad effettuare misurazioni mi sembra più conveniente comprare una ntc da 100k avendo cura di farmi dire marca, modello o meglio il coefficiente b dal venditore.
Per quanto riguarda il campo di regolazione in effetti 30 gradi renderanno molto difficoltosa la taratura però è anche vero che un margine relativamente ampio (magari 10-15 gradi) potrebbe rivelarsi utile al fine di utilizzare il circuito per scopi diversi (magari per regolare una camera calda).
Ora però (tanto per capire) se metto la ntc da 100k devo sostituire la resistenza da 3.3k con una da 100k e forse anche quella da 470k?
Per quanto riguarda il campo di regolazione in effetti 30 gradi renderanno molto difficoltosa la taratura però è anche vero che un margine relativamente ampio (magari 10-15 gradi) potrebbe rivelarsi utile al fine di utilizzare il circuito per scopi diversi (magari per regolare una camera calda).
Ora però (tanto per capire) se metto la ntc da 100k devo sostituire la resistenza da 3.3k con una da 100k e forse anche quella da 470k?
-

salvatorefresc
0 3 - Messaggi: 12
- Iscritto il: 1 giu 2011, 16:24
Chi c’è in linea
Visitano il forum: Nessuno e 70 ospiti

Elettrotecnica e non solo (admin)
Un gatto tra gli elettroni (IsidoroKZ)
Esperienza e simulazioni (g.schgor)
Moleskine di un idraulico (RenzoDF)
Il Blog di ElectroYou (webmaster)
Idee microcontrollate (TardoFreak)
PICcoli grandi PICMicro (Paolino)
Il blog elettrico di carloc (carloc)
DirtEYblooog (dirtydeeds)
Di tutto... un po' (jordan20)
AK47 (lillo)
Esperienze elettroniche (marco438)
Telecomunicazioni musicali (clavicordo)
Automazione ed Elettronica (gustavo)
Direttive per la sicurezza (ErnestoCappelletti)
EYnfo dall'Alaska (mir)
Apriamo il quadro! (attilio)
H7-25 (asdf)
Passione Elettrica (massimob)
Elettroni a spasso (guidob)
Bloguerra (guerra)


