Cos'è ElectroYou | Login Iscriviti

ElectroYou - la comunità dei professionisti del mondo elettrico

Metodo della resistenza vista

Elettronica lineare e digitale: didattica ed applicazioni

Moderatori: Foto Utentecarloc, Foto Utenteg.schgor, Foto UtenteBrunoValente, Foto UtenteIsidoroKZ

0
voti

[1] Metodo della resistenza vista

Messaggioda Foto Utenteenpires » 18 giu 2011, 14:21

Ciao a tutti!
Nelle soluzioni di alcuni problemi in cui si richiede il calcolo della risposta in frequenza, il professore trova "ad occhio" il valore di poli e zeri.

Sono riuscito a capire il metodo da utilizzare per calcolare il numero di poli (condensatori indipendenti) e zeri (studio del comportamento per s \to \infty e confronto col numero di poli) maa non riesco a capire come calcolare il valore di questi ultimi (e dell'amplificazione a centro banda, se quest'ultimo non è a 0 o a infinito) senza fare il calcolo esplicito della funzione di trasferimento.

Dovrebbe essere una questione di "resistenze viste dai condensatori" o una cosa del genere.
Qualcuno me lo sa spiegare, o indicarmi una risorsa online che lo spiega? Se serve ho lo Jeager ed il Millman, ma non sono riuscito a trovare nulla del genere su questi :(
Avatar utente
Foto Utenteenpires
15 6
New entry
New entry
 
Messaggi: 97
Iscritto il: 9 mar 2010, 20:06

1
voti

[2] Re: Metodo della resistenza vista

Messaggioda Foto Utentecarloc » 18 giu 2011, 15:12

La resistenza vista serve per calcolare la frequenza dei poli....

per gli zeri si vede la pulsazione generalizzata che annulla conduttanza o impedenza rispettivamente se lo zero è dato da una rete parallelo o serie....

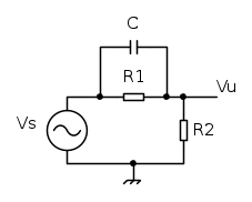
esempio 1


per il polo)
C vede una resistenza Rp=R1||R2 allora s_p=-\frac{1}{R_pC}

per lo zero)
la rete è parallelo....
\frac{1}{R_1}+s_zC=0 cioè s_z=-\frac{1}{R_1C}


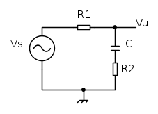
esempio 2


polo)
C vede R1+R2.... s_p=-\frac{1}{(R_1+R_2)C}

zero)
R_2+\frac{1}{s_zC}=0 cioè s_z=-\frac{1}{R_2C}


Ora in effetti i conti sono gli stessi sia nel caso parallelo che serie, la pulsazione che annulla la conduttanza del parallelo è la stessa che annulla l'impedenza della serie, ma a me piace enunciarlo come detto all'inizio...

permette di ricordare, ti da un perché...
ammettenza 0 nel primo circuito "apre" ingresso ed uscita, quindi non c'è uscita, c'è uno zero.
Invece impedenza zero nel secondo cortocircuita 'uscita... ancora non c'è uscita, abbiamo uno zero.
Se ti serve il valore di beta: hai sbagliato il progetto!
Avatar utente
Foto Utentecarloc
33,8k 6 11 13
G.Master EY
G.Master EY
 
Messaggi: 2153
Iscritto il: 7 set 2010, 19:23

0
voti

[3] Re: Metodo della resistenza vista

Messaggioda Foto Utenteenpires » 18 giu 2011, 15:50

Perfetto, credo di aver capito :) Appena trovo un circuitino un po' più complesso provo ad utilizzare questo metodo e vediamo se ne vengo a capo :D

Grazie mille :ok:
Avatar utente
Foto Utenteenpires
15 6
New entry
New entry
 
Messaggi: 97
Iscritto il: 9 mar 2010, 20:06

0
voti

[4] Re: Metodo della resistenza vista

Messaggioda Foto Utenteenpires » 18 giu 2011, 19:56

Se dovesse interessare, sono riuscito con successo ad applicare questo metodo ad un altro circuito con uno zero nell'origine ed un polo :mrgreen:

Continuo ad esercitarmi :D
Avatar utente
Foto Utenteenpires
15 6
New entry
New entry
 
Messaggi: 97
Iscritto il: 9 mar 2010, 20:06

0
voti

[5] Re: Metodo della resistenza vista

Messaggioda Foto UtenteIsidoroKZ » 19 giu 2011, 9:54

Ho trovato questo articolo che potrebbe interessare. E` un po' ostico, e bisogna guardare anche la bibliografia.
Per usare proficuamente un simulatore, bisogna sapere molta più elettronica di lui
Plug it in - it works better!
Il 555 sta all'elettronica come Arduino all'informatica! (entrambi loro malgrado)
Se volete risposte rispondete a tutte le mie domande
Avatar utente
Foto UtenteIsidoroKZ
121,2k 1 3 8
G.Master EY
G.Master EY
 
Messaggi: 21059
Iscritto il: 17 ott 2009, 0:00

0
voti

[6] Re: Metodo della resistenza vista

Messaggioda Foto Utenteenpires » 19 giu 2011, 12:30

Non mi si carica :(
Avatar utente
Foto Utenteenpires
15 6
New entry
New entry
 
Messaggi: 97
Iscritto il: 9 mar 2010, 20:06

1
voti

[7] Re: Metodo della resistenza vista

Messaggioda Foto Utenteenpires » 19 giu 2011, 16:26

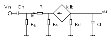
Ok, ho un piccolo dubbio nell'applicazione di questo metodo per il calcolo del polo relativo al condensatore C_L del seguente circuito



Nel calcolo della resistenza vista da C_L ho provato ad insere un generatore di corrente i_x al posto del condensatore, la tensione che ho ai capi del generatore è
V_x = i_x R_L + (i_x+ g_{fs}V_{gs})R_D

Da qui in poi cominciano i conti che poco mi ispirano (leggasi: credo di dire stupidaggini).
Quello che ho pensato è che visto che sto misurando la resistenza vista devo disattivare tutti i generatori indipendenti, quindi V_g = 0 e l'equazione precedente mi diventa
V_x = i_x R_L + (i_x- g_{fs}V_{s})R_D
Quindi la tensione V_s sarà
V_s = -\frac{g_{fs}}{R_D}V_s
e l'unico modo affinchè questa equazione sia esatta è che V_s = 0, quindi il generatore di corrente impone una corrente nulla nel ramo e la tensione ai capi di C_L diventa semplicemente
V_x = i_x ( R_L+R_D)
e, di conseguenza, la resistenza vista è semplicemente R_L + R_D

Ho scritto delle stupidaggini? Non so perché, ma "ad occhio" quello che ho scritto poco mi ispira :mrgreen:

p.s. come si disegnano i generatori pilotati in fidocadj?
Avatar utente
Foto Utenteenpires
15 6
New entry
New entry
 
Messaggi: 97
Iscritto il: 9 mar 2010, 20:06

1
voti

[8] Re: Metodo della resistenza vista

Messaggioda Foto Utentecarloc » 19 giu 2011, 16:51

Tutto giusto.. :ok: ... magari vale la pena di ricordarlo che è una cosa che vale per BJT, FET e MOS in configurazioni molto comuni.. per non rifare tutti stì conti ogni volta

I generatori pilotati con FidocadJ io li disegno "a mano" con quattro linee più la diagonale... P.S. invece per la freccia c'è un simbolo già pronto in Libreria standard/simboli di base
Se ti serve il valore di beta: hai sbagliato il progetto!
Avatar utente
Foto Utentecarloc
33,8k 6 11 13
G.Master EY
G.Master EY
 
Messaggi: 2153
Iscritto il: 7 set 2010, 19:23

0
voti

[9] Re: Metodo della resistenza vista

Messaggioda Foto Utenteenpires » 19 giu 2011, 17:02

Perfetto :)

Grazie mille per l'aiuto che mi state dando!!
Con questi consigli per trovare i poli e gli zeri in maniera veloce, e con la formula della resistenza vista dalla base di un transistor alcuni esercizi che prima mi richiedevano un sacco di tempo oramai li faccio volando O_uu_O
Avatar utente
Foto Utenteenpires
15 6
New entry
New entry
 
Messaggi: 97
Iscritto il: 9 mar 2010, 20:06

1
voti

[10] Re: Metodo della resistenza vista

Messaggioda Foto Utenteenpires » 19 giu 2011, 20:15

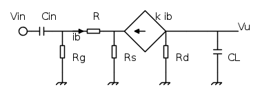
Altro piccolo dubbio :)

Nel seguente circuito:

Per avere uno zero devo cortocircuitare l'uscita con la massa, quindi ho bisogno chel'impedenza Z_L =\frac{R_D}{sR_DC_L +1} =0, ovvero s = \infty.

Ma... questo mi sembra avere poco senso? :mrgreen:
Avatar utente
Foto Utenteenpires
15 6
New entry
New entry
 
Messaggi: 97
Iscritto il: 9 mar 2010, 20:06

Prossimo

Torna a Elettronica generale

Chi c’è in linea

Visitano il forum: Nessuno e 166 ospiti