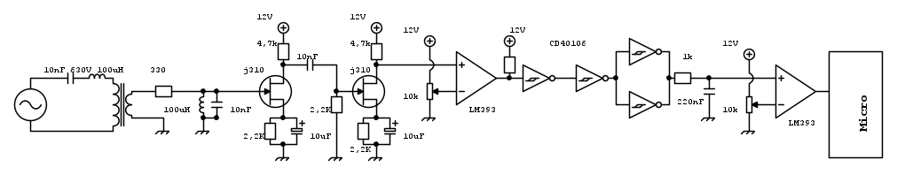
Ho trovato uno schema di questo tipo:
A valle del trasformatore viene poi rilevata una frequenza maggiore di circa 160 kHz...
il filtro dovrebbe eliminare la tensione di rete (con un condensatore adeguato ovviamente) ed evitare che entri nel trasformatore...
Per quel poco che ne so il condensatore di ingresso permette di disaccoppiare da ecentuali segnali in continua e, con un valore adeguato, di smorzare le basse frequenze. che ci fa allora quell'induttanza? O.o
domanda che forse dovrei fare in altra sede: come faccio a decidere il valore di una reattanza in base alla frequenza di riferimento (dovrebbe essere la frequenza di taglio se non sbaglio...)?
Filtro eliminazione rete 50Hz
Moderatori:
carloc,
g.schgor,
BrunoValente,
IsidoroKZ
11 messaggi
• Pagina 1 di 2 • 1, 2
0
voti
La frequenza di risonanza di un condensatore da 10nF con un'induttanza da 100uH è di circa 160kHz.
La risonanza si ha quando la reattanza del condensatore equivale a quella dell'induttanza, nel caso Xc e Xl = 100 ohm.
Il trasformatore che hai indicato non è certamente un trasformatore di tensione, ma ha il compito di accoppiare il segnale da 160kHz, che viaggia sulla linea da 50Hz, con l'utilizzatore. Dovrebbe trattarsi di un trasformatore per alta frequenza.
L'impiego, così a naso, sarebbe quello di separare dalla rete di alimentazione un segnale ad "onde convogliate".
Vai a vederti la formula della risonanza LC....
In questo caso, il circuito serie permette il passaggio solamente del segnale desiderato, quello che corrisponde alla risonanza, tagliando fuori tutti gli altri.
La risonanza si ha quando la reattanza del condensatore equivale a quella dell'induttanza, nel caso Xc e Xl = 100 ohm.
Il trasformatore che hai indicato non è certamente un trasformatore di tensione, ma ha il compito di accoppiare il segnale da 160kHz, che viaggia sulla linea da 50Hz, con l'utilizzatore. Dovrebbe trattarsi di un trasformatore per alta frequenza.
L'impiego, così a naso, sarebbe quello di separare dalla rete di alimentazione un segnale ad "onde convogliate".
Vai a vederti la formula della risonanza LC....
In questo caso, il circuito serie permette il passaggio solamente del segnale desiderato, quello che corrisponde alla risonanza, tagliando fuori tutti gli altri.
0
voti
mmm sì.. l'applicazione è proprio quella...solo che successivamente al filtro viene inserito un altro filtro "a banda stretta" tratto dal libro "the art of electronics" con una configurazione in parallelo degli stesi componenti... mi sto perdendo...
...:::Pivello allo sbaraglio:::...
MY WEBSITE! come and see... ;) <-- Di nuovo online... spiacente per i problemi tecnici!
MY WEBSITE! come and see... ;) <-- Di nuovo online... spiacente per i problemi tecnici!
-

crestus
1.295 2 7 13 - Expert EY

- Messaggi: 478
- Iscritto il: 3 ott 2008, 10:28
- Località: studente al politecnico di torino
0
voti
Se l'applicazione è proprio quella, un filtro in cascata per lo più a banda stretta... serve per aumentare la selettività del sistema, per lasciare da parte tutti i "casini" che ci sono sulla rete e interessarsi solo del segnale utile... In cosa ti stai perdendo?
0
voti
mi sto perdendo nella differente configurazione...però pensandoci un secondo sono entrambi filtri LC un serie messo i serie, e un parallelo messo in parallelo... quindi dovrebbero avere la stessa funzione proprio perché completamente opposti (o complementari). il punto è che nel'articolo non parlava di filtro e quindi non ho pensato a considerarlo come filtro, mi sto riferenodo al primo filtro.
guardandolo adesso, se il mio ragionamento è corretto, è più chiaro.
guardandolo adesso, se il mio ragionamento è corretto, è più chiaro.
...:::Pivello allo sbaraglio:::...
MY WEBSITE! come and see... ;) <-- Di nuovo online... spiacente per i problemi tecnici!
MY WEBSITE! come and see... ;) <-- Di nuovo online... spiacente per i problemi tecnici!
-

crestus
1.295 2 7 13 - Expert EY

- Messaggi: 478
- Iscritto il: 3 ott 2008, 10:28
- Località: studente al politecnico di torino
0
voti
crestus ha scritto:mmm sì.. l'applicazione è proprio quella...solo che successivamente al filtro viene inserito un altro filtro "a banda stretta" tratto dal libro "the art of electronics" con una configurazione in parallelo degli stesi componenti... mi sto perdendo...![]()
Certo è che con gli elementi che ci hai dato ho dovuto lavorare un po' di fantasia per poterti rispondere, ma se continui a darci i bocconcini un po' alla volta qualcuno si può' spazientire....
0
voti
Ma... sinceramente non penso ci sia altro da farvi vedere... ma ve lo propongo lo stesso...tratto da questo autore
Vi chiedo scusa, ma pensavo bastassero le informazioni che vi ho dato... avevo preso singolarmente i componenti in analisi... e volevo che analizzaste senza influenze...
forse non ero stato abbastanza chiaro...ma è che non l'avevo chiaro in testa nemmeno io... 
comunque è la ricevente di un trasmettitore ad onde convogliate singolo canale... portante a 160 kHz..
dopo i filtri c'è un amplificatore a jfet e uno squadratore/comparatore per rendere il segnale trattabile al micro...sempre se ho capito bene quyello che ha scritto nella pagine web...u.u...p
Vi chiedo scusa, ma pensavo bastassero le informazioni che vi ho dato... avevo preso singolarmente i componenti in analisi... e volevo che analizzaste senza influenze...
comunque è la ricevente di un trasmettitore ad onde convogliate singolo canale... portante a 160 kHz..
dopo i filtri c'è un amplificatore a jfet e uno squadratore/comparatore per rendere il segnale trattabile al micro...sempre se ho capito bene quyello che ha scritto nella pagine web...u.u...p
Ultima modifica di
crestus il 30 ago 2011, 14:27, modificato 2 volte in totale.
...:::Pivello allo sbaraglio:::...
MY WEBSITE! come and see... ;) <-- Di nuovo online... spiacente per i problemi tecnici!
MY WEBSITE! come and see... ;) <-- Di nuovo online... spiacente per i problemi tecnici!
-

crestus
1.295 2 7 13 - Expert EY

- Messaggi: 478
- Iscritto il: 3 ott 2008, 10:28
- Località: studente al politecnico di torino
0
voti
corretto...:)
quello che ho postato è comunque l'ultimo schema stabile proposto...
sulla pagina ne trovate uno semplificato RX/TX... ma i filtri sono presenti anche lì..
quello che ho postato è comunque l'ultimo schema stabile proposto...
sulla pagina ne trovate uno semplificato RX/TX... ma i filtri sono presenti anche lì..
...:::Pivello allo sbaraglio:::...
MY WEBSITE! come and see... ;) <-- Di nuovo online... spiacente per i problemi tecnici!
MY WEBSITE! come and see... ;) <-- Di nuovo online... spiacente per i problemi tecnici!
-

crestus
1.295 2 7 13 - Expert EY

- Messaggi: 478
- Iscritto il: 3 ott 2008, 10:28
- Località: studente al politecnico di torino
11 messaggi
• Pagina 1 di 2 • 1, 2
Chi c’è in linea
Visitano il forum: Nessuno e 148 ospiti

Elettrotecnica e non solo (admin)
Un gatto tra gli elettroni (IsidoroKZ)
Esperienza e simulazioni (g.schgor)
Moleskine di un idraulico (RenzoDF)
Il Blog di ElectroYou (webmaster)
Idee microcontrollate (TardoFreak)
PICcoli grandi PICMicro (Paolino)
Il blog elettrico di carloc (carloc)
DirtEYblooog (dirtydeeds)
Di tutto... un po' (jordan20)
AK47 (lillo)
Esperienze elettroniche (marco438)
Telecomunicazioni musicali (clavicordo)
Automazione ed Elettronica (gustavo)
Direttive per la sicurezza (ErnestoCappelletti)
EYnfo dall'Alaska (mir)
Apriamo il quadro! (attilio)
H7-25 (asdf)
Passione Elettrica (massimob)
Elettroni a spasso (guidob)
Bloguerra (guerra)




