Salve a tutti,
mi è stata richiesta una porta XOR realizzata con CMOS, googlando ho trovato solo la rete in allegato, secondo voi potrebbe andare? :)
Porta XOR con CMOS
Moderatori:
carloc,
g.schgor,
BrunoValente,
IsidoroKZ
3 messaggi
• Pagina 1 di 1
0
voti
Si la rete che hai disegnato realizza la funzione logica XOR.
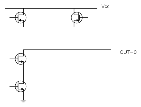
Per esempio:
nel caso in cui A=0 e B=0 il circuito diventa:
e l'uscita viene forzata al valore logico basso,in questo caso GND.Questo è quello che ci si aspetta guardando la tabella di verità di una XOR,cioè A=0 B=0 OUT=0
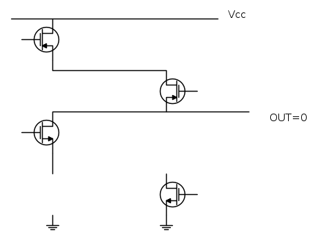
Nel caso in cui A=0 e B=1 ci aspettiamo OUT=1,ridisegnando il circuito tenendo conto di queste combinazioni in ingresso si ottiene:
La rete di pulldown risulta essere spenta in questo caso e la rete di pullup invece,contrariamente a quanto accadeva prima,è ON e porta l'uscita al valore logico alto.
Per le altre due combinazioni rimaste il ragionamento è identico.
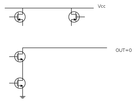
Per esempio:
nel caso in cui A=0 e B=0 il circuito diventa:
e l'uscita viene forzata al valore logico basso,in questo caso GND.Questo è quello che ci si aspetta guardando la tabella di verità di una XOR,cioè A=0 B=0 OUT=0
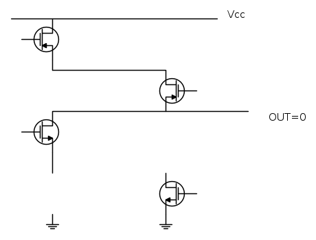
Nel caso in cui A=0 e B=1 ci aspettiamo OUT=1,ridisegnando il circuito tenendo conto di queste combinazioni in ingresso si ottiene:
La rete di pulldown risulta essere spenta in questo caso e la rete di pullup invece,contrariamente a quanto accadeva prima,è ON e porta l'uscita al valore logico alto.
Per le altre due combinazioni rimaste il ragionamento è identico.
0
voti
Wow!!! Che risposta!!! 
Grazie mille, sei stato più che chiaro e gentilissimo!
Grazie mille, sei stato più che chiaro e gentilissimo!
3 messaggi
• Pagina 1 di 1
Chi c’è in linea
Visitano il forum: Nessuno e 250 ospiti

Elettrotecnica e non solo (admin)
Un gatto tra gli elettroni (IsidoroKZ)
Esperienza e simulazioni (g.schgor)
Moleskine di un idraulico (RenzoDF)
Il Blog di ElectroYou (webmaster)
Idee microcontrollate (TardoFreak)
PICcoli grandi PICMicro (Paolino)
Il blog elettrico di carloc (carloc)
DirtEYblooog (dirtydeeds)
Di tutto... un po' (jordan20)
AK47 (lillo)
Esperienze elettroniche (marco438)
Telecomunicazioni musicali (clavicordo)
Automazione ed Elettronica (gustavo)
Direttive per la sicurezza (ErnestoCappelletti)
EYnfo dall'Alaska (mir)
Apriamo il quadro! (attilio)
H7-25 (asdf)
Passione Elettrica (massimob)
Elettroni a spasso (guidob)
Bloguerra (guerra)



