Cos'è ElectroYou | Login Iscriviti

ElectroYou - la comunità dei professionisti del mondo elettrico

Cubo di LED

Elettronica lineare e digitale: didattica ed applicazioni

Moderatori: Foto Utentecarloc, Foto Utenteg.schgor, Foto UtenteBrunoValente, Foto UtenteIsidoroKZ

0
voti

[1] Cubo di LED

Messaggioda Foto Utentesimo85 » 25 set 2011, 20:46

Salve a tutti,

Sto progettando un cubo di LED controllato con un PIC. In generale ho le idee abbastanza chiare su come montare il tutto, tuttavia mi piacerebbe ricevere qualche opinione riguardo a tre dettagli.

Dunque, ammetto che quando l'ho visto ho cercato informazioni su possibili schemi ed ho subito trovato questo, che usa shift register 74HC164
Lo schema è questo (sembra che ho problemi ad allegarlo..)

1) A parte che non mi piace copiare, la programmazione del software secondo questa logica a mio parere risulterebbe abbastanza laboriosa, quindi ho pensato di usare i 74HC238 sia per i piani che per le colonne. Secondo me il controllo degli output risulterebbe più facile con i cicli ed assegnazione di valori. Tra l'altro con questa tecnica avrei un solo LED acceso per volta quindi il consumo risulterebbe ulteriormente ridotto.
Visto che per il momento è solo un mio parere, mi piacerebbe sapere cosa ne pensate, ovvero il vostro punto di vista ed eventualmente fare un confronto. Può essere che con i registri a scorrimento il controllo risulti più facile ed io non me ne sono reso conto..

2) Al posto di transistori bipolari sono intenzionato ad usare i Logic Level MOSFET, visto che ho sempre letto che si comportano meglio come interruttori, e se non erro sono più veloci. Non li ho mai usati con circuiti digitali alimentati ad \approx 5 \text V, quindi se è una buona idea usarli, quale potrei usare? Sono leggermente incerto.

3) Visto che se uso i 74HC238 avró bisogno di minimo 35 pin di I/O disponibili e magari avró bisogno di parecchia memoria, mi piacerebbe ricevere consigli su quale PIC orientarmi, considerando che vorrei usare anche minimo 2 pulsanti esterni per la selezione degli effetti ed uno di reset, e perché no, anche un display di visualizzazione del numero di effetto (non so se LCD o no). Stavo quindi pensando ad uno della famiglia PIC16x o PIC18x o magari un PIC32?
Sto valutando l'idea di poterlo programmare tramite USB..

Sono tutto orecchie.
Vi ringrazio in anticipo per i vostri suggerimenti.

O_/
Avatar utente
Foto Utentesimo85
30,9k 7 12 13
Disattivato su sua richiesta
 
Messaggi: 9927
Iscritto il: 30 ago 2010, 4:59

0
voti

[2] Re: Cubo di LED

Messaggioda Foto UtenteIsidoroKZ » 26 set 2011, 4:23

1) Un solo led acceso per volta non mi pare una buona idea, avresti un duty cycle dello 0.2%, e una luminosita` molto bassa, oltre al fatto che dovendo rinfrescare diciamo ogni 20 ms tutti i led, sarebbe necessaria una nuova uscita ogni 40us. E` vero che consumeresti di meno (anche perche' diversamente schianteresti i led), ma avresti anche molta meno luce. Al massimo puoi pensare di accendere mezzo piano per volta, ma siamo gia` con un rapporto di multiplexing di 1:16

Meglio usare gli shift register, eventualmente con buffer di uscita, in modo da poter caricare con comodo e poi attivare tutte le uscite insieme con il cambio di piano. Mi pareva ci fossero degli shift register fatti apposta per pilotare display con lunghezze dalle parti di 32 bit, ma non so se si trovano. Mi pareva che li avesse citati Foto UtenteTardoFreak.

Fai anche attenzione al fatto che se vuoi avere parecchia corrente sui led (20mA) gli integrati HC non ce la fanno, al piu` ce la fa qualche driver come IOL, non come IOH, e questo significa che devi mettere i transistori verso il positivo.

2) Puoi usare dei MOS logic level, della velocita` non ti importa molto in questa applicazione. Se devi mettere i transistori al positivo, devi cercare dei Pmos logic level, qualcosa dovrebbe trovarsi.

3) Se usassi i 238, comunque non ti servirebbero 35 output, ma solo 9 uscite (facciamo 10 per spegnere tutto), usando un ulteriore 238 per comandare uno degli 8 successivi (albero di decodificatori). Ma questa soluzione comuque non va per i motivi detti prima.
Per usare proficuamente un simulatore, bisogna sapere molta più elettronica di lui
Plug it in - it works better!
Il 555 sta all'elettronica come Arduino all'informatica! (entrambi loro malgrado)
Se volete risposte rispondete a tutte le mie domande
Avatar utente
Foto UtenteIsidoroKZ
121,2k 1 3 8
G.Master EY
G.Master EY
 
Messaggi: 21059
Iscritto il: 17 ott 2009, 0:00

0
voti

[3] Re: Cubo di LED

Messaggioda Foto Utentesimo85 » 26 set 2011, 6:18

Grazie Foto UtenteIsidoroKZ per il tuo interesse, in effetti hai ragione sul discorso della poca luminosità.
Per la serie HC, leggendo la descrizione del progetto linkato ciascun LED è alimentato a 20 \text {mA} con gli anodi collegati ovviamente agli output dei registri, anche se effettivamente leggendo il datasheet (non quello linkato in precedenza ma quello messo a disposizione da NXP ossia questo), osservando i valori di corrente ci si avvicina proprio ai limiti.

Per gli shift register a 32 bit qualche datasheet si trova (grazie per l'idea), sentiamo anche cosa consiglia eventualmente Foto UtenteTardoFreak :-) .

È poi evidente che il prezzo da pagare (almeno secondo me) è la maggior complessità del software, ed avevo pensato di gestire la frequenza di clock dei registri appunto attraverso il codice, e molto probabilmente devo fare così se li voiglio controllare bene, oppure io non ho le idee chiare sul come comandarli a mio piacimento.
Vedo che molto probabilmente mi aspettano più ore davanti al laptop di quelle che mi immaginavo.

Per la ricerca dei logic level, per il momento la maggior parte che ho trovato sono NMOS meno il FQS4900 che è un integrato duale P&NMOS (con la rogna che è SMD). Sicuramente devo cercare meglio.

Ciao
Avatar utente
Foto Utentesimo85
30,9k 7 12 13
Disattivato su sua richiesta
 
Messaggi: 9927
Iscritto il: 30 ago 2010, 4:59

1
voti

[4] Re: Cubo di LED

Messaggioda Foto UtenteIsidoroKZ » 26 set 2011, 6:39

Un HC non ce la fa ad erogare 20mA in quel circuito, e neanche in nessun altro. Il valore 25mA che si trova nei datasheet e` il valore massimo assoluto prima di ucciderlo.

A regime il data sheet consiglia una corrente di uscita di 4mA, e la resistenza interna in quel caso vale una cinquantina di ohm circa.

Il led blu fa cadere 3.3V circa, il transistore diciamo 0.2V, e con 150 ohm fanno, SE VA BENE, 10mA, corrente alla quale l'integrato e` fuori specifiche logiche. Ma dato che qui non e` un funzionamento logico, va bene lo stesso.

Con 10mA per uscita la dissipazione massima con tutti gli 8 led accesi e` di 400mW circa, altina ma perfettamente sopportabile dall'integrato.

Se fai l'albero di decodifiche, ti servono solo 9 bit di uscita, che letti a gruppi di 3 possono darti le tre coordinate (x,y e z) del led da accendere.
Per usare proficuamente un simulatore, bisogna sapere molta più elettronica di lui
Plug it in - it works better!
Il 555 sta all'elettronica come Arduino all'informatica! (entrambi loro malgrado)
Se volete risposte rispondete a tutte le mie domande
Avatar utente
Foto UtenteIsidoroKZ
121,2k 1 3 8
G.Master EY
G.Master EY
 
Messaggi: 21059
Iscritto il: 17 ott 2009, 0:00

0
voti

[5] Re: Cubo di LED

Messaggioda Foto Utentesimo85 » 26 set 2011, 7:10

OK, come da consiglio vedo di schiarirmi le idee sulle coordinate e relative descodifiche. Resto comunque "in ascolto" in caso di nuovi suggerimenti.

Grazie ancora
Avatar utente
Foto Utentesimo85
30,9k 7 12 13
Disattivato su sua richiesta
 
Messaggi: 9927
Iscritto il: 30 ago 2010, 4:59

0
voti

[6] Re: Cubo di LED

Messaggioda Foto UtenteTardoFreak » 26 set 2011, 11:18

Per pilotare display puoi usare l' MM5450 o, ancora meglio, un tot di SST25F016 in cascata.
"La follia sta nel fare sempre la stessa cosa aspettandosi risultati diversi".
"Parla soltanto quando sei sicuro che quello che dirai è più bello del silenzio".
Rispondere è cortesia, ma lasciare l'ultima parola ai cretini è arte.
Avatar utente
Foto UtenteTardoFreak
73,9k 8 12 13
-EY Legend-
-EY Legend-
 
Messaggi: 15754
Iscritto il: 16 dic 2009, 11:10
Località: Torino - 3° pianeta del Sistema Solare

0
voti

[7] Re: Cubo di LED

Messaggioda Foto Utentesimo85 » 26 set 2011, 13:08

Ciao Foto UtenteTardoFreak e grazie del suggerimento.
Purtroppo non riesco a trovare nessun riferimento in concreto per SST25F016 (Google non trova niente a parte qualcosa in cinese ed arabo), mentre su datasheetcatalog trovo una memoria Flash (qui) che si assomiglia nel nome (non credo sia quello il componente), ma niente di simile all' MM5450.
Se ho cercato male dimmelo, ma se mi fornisci un link te ne sarei grato, per favore [-o<
Grazie mille
O_/
Avatar utente
Foto Utentesimo85
30,9k 7 12 13
Disattivato su sua richiesta
 
Messaggi: 9927
Iscritto il: 30 ago 2010, 4:59

0
voti

[8] Re: Cubo di LED

Messaggioda Foto UtenteTardoFreak » 26 set 2011, 14:11

#-o
Scusa, ho avuto una svista, chiedo venia.
In effetti quella è una flash.

L' integrato è STP16CP05.
"La follia sta nel fare sempre la stessa cosa aspettandosi risultati diversi".
"Parla soltanto quando sei sicuro che quello che dirai è più bello del silenzio".
Rispondere è cortesia, ma lasciare l'ultima parola ai cretini è arte.
Avatar utente
Foto UtenteTardoFreak
73,9k 8 12 13
-EY Legend-
-EY Legend-
 
Messaggi: 15754
Iscritto il: 16 dic 2009, 11:10
Località: Torino - 3° pianeta del Sistema Solare

0
voti

[9] Re: Cubo di LED

Messaggioda Foto Utentesimo85 » 26 set 2011, 14:20

OK, lo avevo visto questa mattina cercando per i LED driver :ok:
Grazie, molto gentile/i,
O_/
Avatar utente
Foto Utentesimo85
30,9k 7 12 13
Disattivato su sua richiesta
 
Messaggi: 9927
Iscritto il: 30 ago 2010, 4:59

0
voti

[10] Re: Cubo di LED

Messaggioda Foto Utentesimo85 » 27 set 2011, 6:08

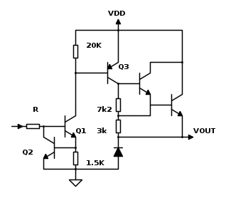
Salve di nuovo, stavo cercando per curiosità un LED Current Source Driver e inizialmente ho trovato questo pdf dove a pagina 4 Fig. 4 ho conosciuto l'UDN2981. A quanto pare è un array di 8 buffer il quale ha una tensione di V_{\text{SMax}} = 50 \text{V} e guardando le test conditions con alimentazione = V_{\text{SMax}} & V_{\text {IN}} \approx 2 - 3 \text V ha una V_{\text {CE(Sat)}} \approx 2 \text V. Questo vuol dire che lo si può alimentare a 12 \text V con V_{\text {IN}} \approx 5 \text V, corretto? Quindi se non sbaglio lo posso usare collegato in output ad un registro 74HC..

Premetto che c'è qualcosa che non capisco bene dello schema a pag 3

Q2 non agisce come invertitore una volta acceso Q1? O R che nello schema non ha valore, rappresenta l'impedenza di entrata del segnale? :-M

Non vorrei aver detto qualche o troppe tavanate, sono particolarmente stanco al momento e spero di non aver fatto confusione con questa alternativa alle vostre soluzioni.
In tal caso chiedo scusa..

Tuttavia voglio rimanere con i 74HC238 per la selezione dei piani. Visto che deve rimanere acceso uno alla volta, in questo modo non corro il pericolo di fare errori, e sarebbe più comoda la selezione tramite il software.
Infine, nel caso di accendere al massimo tutto un piano di LED (cercerò di non farlo o se si il meno possibile, ma visto che posso con i registri meglio prevenire) e posso usare il driver sopra citato sarebbero (\approx 15 - 20 \text {mA} \cdot 64) = (\approx 960 \text{mA} - 1.28 \text{A}) morte certa per i bipolari. In tal caso mi sembra opportuno usare i Logic Level MOSFET (magari dissipati?).. Sono ancora incerto su quale, ieri mattina questo post di Foto UtenteIsidoroKZ mi ha dato qualche info utile, ma se potete indirizzarmi su un transistore specifico sarei più sicuro.

Grazie ancora.
Avatar utente
Foto Utentesimo85
30,9k 7 12 13
Disattivato su sua richiesta
 
Messaggi: 9927
Iscritto il: 30 ago 2010, 4:59

Prossimo

Torna a Elettronica generale

Chi c’è in linea

Visitano il forum: Nessuno e 73 ospiti