Buongiorno a tutti,
sono nuovo, quindi mi presento.
Sono un elettrotecnico/elettromeccanico ormai da molti molti anni, spero di imparare ancora grazie ai vostri interventi e conoscere nuove persone.
Allora, ho recuperato un campanello senza fili, alimentato con una batt a 12v (il pulsante) mentre in ricevitore con il buzzer alimentato con due AA.
Volevo scollegando il buzzer mi trovo circa 0.5V un po' oscillanti, vorrei poter pilotare un relè per poter usufruire di un contatto è possibile. Purtroppo la tensione è bassa e non so come fare, se c'erano i miei amati 12V...la cosa era mooolto piùfacile ahimè!!!!
Potete aiutarmi?
Un salutone a tutti
hollamn68
pilotare relè con soli 0.5v
Moderatori:
carloc,
g.schgor,
BrunoValente,
IsidoroKZ
10 messaggi
• Pagina 1 di 1
0
voti
0.5V è troppo poco anche per un transistor.
Ma sei sicuro che non sia una tensione "media",
quindi con picchi di ca. 1V, nel qual caso si potrebbe
pilotare la base di un transistor.
Penso che soluzioni più sofisticate come l'utilizzo di
amplificatori operazionali siano da escludere (o no?)
Ma sei sicuro che non sia una tensione "media",
quindi con picchi di ca. 1V, nel qual caso si potrebbe
pilotare la base di un transistor.
Penso che soluzioni più sofisticate come l'utilizzo di
amplificatori operazionali siano da escludere (o no?)
0
voti
Grazie per la risposta.
Hmmm, beh con lo strumento ho guardato ed è intorno ai 0.5/0.6 però è variabile.
Hmmm, beh con lo strumento ho guardato ed è intorno ai 0.5/0.6 però è variabile.
0
voti
...scusa non avevo terminato di scrivere.
Ok perfetto abbiamo 1V, oscilla un po' diciamo ma ci sono picchi anche di 1.3V
Ci si dovrebbe fare? Che dici? (posso darti del tu?)
Se si eventualmente mi mandi uno schemino semplice ed intuitivo?
Saluti
Paolo
Ok perfetto abbiamo 1V, oscilla un po' diciamo ma ci sono picchi anche di 1.3V
Ci si dovrebbe fare? Che dici? (posso darti del tu?)
Se si eventualmente mi mandi uno schemino semplice ed intuitivo?
Saluti
Paolo
0
voti
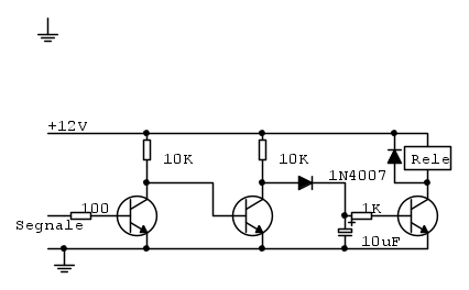
Non sono riuscito a semplificarlo. Ecco un circuito:
(ovviamente la messa a punto dipende dal segnale..)
I transistor sono 2N3904 (o equivalenti)
(ovviamente la messa a punto dipende dal segnale..)
I transistor sono 2N3904 (o equivalenti)
0
voti
...bravo, complimenti per la solerzia.
Non voglio chiederti aiuto (per ora) ma lunedì lo metto in cantiere e poi vediamo che succede.
Dove è scritto 100 sopra la scritta segnale sono 100K? Il relè di che V deve essere la bobina?
Ti faccio sapere.
Grazie per ora e buona domenica.
Paolo
Non voglio chiederti aiuto (per ora) ma lunedì lo metto in cantiere e poi vediamo che succede.
Dove è scritto 100 sopra la scritta segnale sono 100K? Il relè di che V deve essere la bobina?
Ti faccio sapere.
Grazie per ora e buona domenica.
Paolo
0
voti
hollman68 ha scritto:Dove è scritto 100 sopra la scritta segnale sono 100K?
No, 100 significa 100 ohm (altrimenti, come negli altri casi, avrei aggiunto K)
E' solamente una protezione (non so che caratteristiche abbia il segnale).
hollman68 ha scritto: Il relè di che V deve essere la bobina?
Poiché l'alimentazione del circuito è prevista a 12Vcc, anche la bobina
del relè deve essere per questa tensione.
0
voti
Buondì,
ok va bene, domani compro tutto, poi ti faccio sapere.
Quello che non capisco se noi abbiamo circa 1,3V perché la bobina del relè deve esssere 12V?
Saluti
Paolo
ok va bene, domani compro tutto, poi ti faccio sapere.
Quello che non capisco se noi abbiamo circa 1,3V perché la bobina del relè deve esssere 12V?
Saluti
Paolo
10 messaggi
• Pagina 1 di 1
Chi c’è in linea
Visitano il forum: Google [Bot] e 80 ospiti

Elettrotecnica e non solo (admin)
Un gatto tra gli elettroni (IsidoroKZ)
Esperienza e simulazioni (g.schgor)
Moleskine di un idraulico (RenzoDF)
Il Blog di ElectroYou (webmaster)
Idee microcontrollate (TardoFreak)
PICcoli grandi PICMicro (Paolino)
Il blog elettrico di carloc (carloc)
DirtEYblooog (dirtydeeds)
Di tutto... un po' (jordan20)
AK47 (lillo)
Esperienze elettroniche (marco438)
Telecomunicazioni musicali (clavicordo)
Automazione ed Elettronica (gustavo)
Direttive per la sicurezza (ErnestoCappelletti)
EYnfo dall'Alaska (mir)
Apriamo il quadro! (attilio)
H7-25 (asdf)
Passione Elettrica (massimob)
Elettroni a spasso (guidob)
Bloguerra (guerra)




