Salve ragazzi, ho realizzato su piastra sperimentale un oscillatore a onda quadra con un TL082, che accende alternativamente due led alla frequenza di circa 1 Hz, o meglio dovrebbe! Pechè sulla carta tutto funziona mentre quando vado a dare alimentazione non succede proprio nulla. I valori e le connessioni del tutto sono corrette, ho un dubbio sul funzionamento del TL082, che sia lui bruciato?
Appena do' corrente all'accrocchio noto che i led lampeggiano molto piu' velocemente di 1 Hz, direi 5 o 6 Hz a occhio (ma non posso essere preciso ovviamente) e con una intensita' luminosa molto molto bassa, si vedono a malapena al buio: i led sono i classici led rossi. Quale potrebbe essere il problema? Il mio TL082 si mette ad autooscillare? Posto schema fidocad e simulazioni.
Grazie a tutti.
Oscillatore onda quadra con TL082
Moderatori:
carloc,
g.schgor,
BrunoValente,
IsidoroKZ
13 messaggi
• Pagina 1 di 2 • 1, 2
4
voti
Benvenuto nel mondo reale, dove gli operazionali non si comportano come i modelli spice :)
L'impedenza del potenziale 0V e` troppo elevata, metti un voltage follower dopo il partitore che crea lo 0V e spera che ce la faccia.
Collegherei i due led con due resistenze alle alimentazioni, e l'uscita dell'operazionale in mezzo, ma non sono sicuro che con dei led rossi si riescano a spegnere.
L'impedenza del potenziale 0V e` troppo elevata, metti un voltage follower dopo il partitore che crea lo 0V e spera che ce la faccia.
Collegherei i due led con due resistenze alle alimentazioni, e l'uscita dell'operazionale in mezzo, ma non sono sicuro che con dei led rossi si riescano a spegnere.
Per usare proficuamente un simulatore, bisogna sapere molta più elettronica di lui
Plug it in - it works better!
Il 555 sta all'elettronica come Arduino all'informatica! (entrambi loro malgrado)
Se volete risposte rispondete a tutte le mie domande
Plug it in - it works better!
Il 555 sta all'elettronica come Arduino all'informatica! (entrambi loro malgrado)
Se volete risposte rispondete a tutte le mie domande
1
voti
Ciao Isidoro, eh gia'... è proprio il caso di dire "welcome to the real world!" [cit. Matrix]
Ho modificato lo schema come segue, usando l'altro opamp del tl082, ma come da te previsto i led non riescono a spegnersi, vedo che "brillano un pochino meno" nell'oscillazione, ma proprio impercettibilmente.
Pensavo fosse un circuitino semplice semplice, ed invece mi sta fregando alla grande!
BTW ora si accendono, non so se i valori e le modifiche sono proprio quelle che intendevi, grazie comunque
Ho modificato lo schema come segue, usando l'altro opamp del tl082, ma come da te previsto i led non riescono a spegnersi, vedo che "brillano un pochino meno" nell'oscillazione, ma proprio impercettibilmente.
Pensavo fosse un circuitino semplice semplice, ed invece mi sta fregando alla grande!
BTW ora si accendono, non so se i valori e le modifiche sono proprio quelle che intendevi, grazie comunque
-

rusty
4.075 2 9 11 - Utente disattivato per decisione dell'amministrazione proprietaria del sito
- Messaggi: 1578
- Iscritto il: 25 gen 2009, 13:10
1
voti
La resistenza da 10k in serie all'uscita dell'operazionale non serve, le resistenze da 220 ohm in serie ai led mettile da almeno 1kohm.
Per usare proficuamente un simulatore, bisogna sapere molta più elettronica di lui
Plug it in - it works better!
Il 555 sta all'elettronica come Arduino all'informatica! (entrambi loro malgrado)
Se volete risposte rispondete a tutte le mie domande
Plug it in - it works better!
Il 555 sta all'elettronica come Arduino all'informatica! (entrambi loro malgrado)
Se volete risposte rispondete a tutte le mie domande
2
voti
Alla fine dei conti funziona il circuito, con le resistenze che dicevo nel messaggio precedente (anzi, meglio, 2.2kohm).
Problema interessante: perche' in simulazione funziona e nella realta` no? Dov'e` il problema nel modello?
Problema interessante: perche' in simulazione funziona e nella realta` no? Dov'e` il problema nel modello?
Per usare proficuamente un simulatore, bisogna sapere molta più elettronica di lui
Plug it in - it works better!
Il 555 sta all'elettronica come Arduino all'informatica! (entrambi loro malgrado)
Se volete risposte rispondete a tutte le mie domande
Plug it in - it works better!
Il 555 sta all'elettronica come Arduino all'informatica! (entrambi loro malgrado)
Se volete risposte rispondete a tutte le mie domande
0
voti
Grande Isidoro! Ora funziona perfettamente in "real", tutto ok. Ma la simulazione, caso strano, ora non torna. Ho provato a simularlo per sfizio, e vedo che la corrente che scorre attraverso i led (ad esempio quello in alto nello schema) è di soli 4 mA e mezzo... come diavolo fa ad accendersi il led? Presumo ci sia qualche discrepanza tra modello dei led, del tl082, o qualcos'altro (ma cosa?). Un bell'inghippo
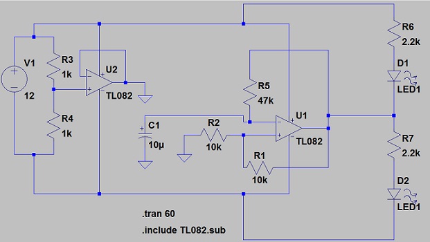
Posto schema fidocad, simulazione in LTSpice e relativi modelli usati.
Modello del led è:
.MODEL LED1 D (IS=93.2P RS=42M N=3.73 BV=4 IBV=10U CJO=2.97P VJ=.75 M=.333 TT=4.32U)
Modello TL082.sub è:
BTW il tutto ora funziona perfettamente in real, anche se non capisco questa discrepanza con la simulazione.
Grazie infinite Isidoro
Posto schema fidocad, simulazione in LTSpice e relativi modelli usati.
Modello del led è:
.MODEL LED1 D (IS=93.2P RS=42M N=3.73 BV=4 IBV=10U CJO=2.97P VJ=.75 M=.333 TT=4.32U)
Modello TL082.sub è:
- Codice: Seleziona tutto
* TL082 OPERATIONAL AMPLIFIER "MACROMODEL" SUBCIRCUIT
* CREATED USING PARTS RELEASE 4.01 ON 06/16/89 AT 13:08
* (REV N/A) SUPPLY VOLTAGE: +/-15V
* CONNECTIONS: NON-INVERTING INPUT
* | INVERTING INPUT
* | | POSITIVE POWER SUPPLY
* | | | NEGATIVE POWER SUPPLY
* | | | | OUTPUT
* | | | | |
.SUBCKT TL082 1 2 3 4 5
*
C1 11 12 3.498E-12
C2 6 7 15.00E-12
DC 5 53 DX
DE 54 5 DX
DLP 90 91 DX
DLN 92 90 DX
DP 4 3 DX
EGND 99 0 POLY(2) (3,0) (4,0) 0 .5 .5
FB 7 99 POLY(5) VB VC VE VLP VLN 0 4.715E6 -5E6 5E6 5E6 -5E6
GA 6 0 11 12 282.8E-6
GCM 0 6 10 99 8.942E-9
ISS 3 10 DC 195.0E-6
HLIM 90 0 VLIM 1K
J1 11 2 10 JX
J2 12 1 10 JX
R2 6 9 100.0E3
RD1 4 11 3.536E3
RD2 4 12 3.536E3
RO1 8 5 150
RO2 7 99 150
RP 3 4 2.143E3
RSS 10 99 1.026E6
VB 9 0 DC 0
VC 3 53 DC 2.200
VE 54 4 DC 2.200
VLIM 7 8 DC 0
VLP 91 0 DC 25
VLN 0 92 DC 25
.MODEL DX D(IS=800.0E-18)
.MODEL JX PJF(IS=15.00E-12 BETA=270.1E-6 VTO=-1)
.ENDS TL082
BTW il tutto ora funziona perfettamente in real, anche se non capisco questa discrepanza con la simulazione.
Grazie infinite Isidoro

-

rusty
4.075 2 9 11 - Utente disattivato per decisione dell'amministrazione proprietaria del sito
- Messaggi: 1578
- Iscritto il: 25 gen 2009, 13:10
3
voti
rusty ha scritto:...e vedo che la corrente che scorre attraverso i led (ad esempio quello in alto nello schema) è di soli 4 mA e mezzo... come diavolo fa ad accendersi il led?
Con 4.5 mA i LED si accendono eccome!
Ciao
Piercarlo
1
voti
La corrente nel led in realta` e` ancora meno di 4.5mA, bastano anche solo 2mA per accendere un led normale, non a piena luce, ma sicuramente ben visibile. Ho tenuto la corrente bassa perche' e` quella che arriva da un operazionale alimentato a tensione bassa, non so quanto riesca a tirare fuori, non sono andato a leggere il data sheet, e volevo garantire che l'altro led si spegnesse (e ancora avevo qualche dubbio).
Edit: ho modificato le righe successive rispetto alla stesura originale
Perche' senza il buffer sullo 0V la simulazione diceva che la prima versione funzionava mentre il circuito non andava (o andava molto male)?
Probabilmente adesso con la nuova configurazione dei led e le resistenze del partitore piu` basse funziona anche senza buffer sullo 0V.
Edit: ho modificato le righe successive rispetto alla stesura originale
Perche' senza il buffer sullo 0V la simulazione diceva che la prima versione funzionava mentre il circuito non andava (o andava molto male)?
Probabilmente adesso con la nuova configurazione dei led e le resistenze del partitore piu` basse funziona anche senza buffer sullo 0V.
Per usare proficuamente un simulatore, bisogna sapere molta più elettronica di lui
Plug it in - it works better!
Il 555 sta all'elettronica come Arduino all'informatica! (entrambi loro malgrado)
Se volete risposte rispondete a tutte le mie domande
Plug it in - it works better!
Il 555 sta all'elettronica come Arduino all'informatica! (entrambi loro malgrado)
Se volete risposte rispondete a tutte le mie domande
0
voti
Grazie ragazzi, mi sono accorto della mia stupidita'. Non so per quale motivo ero ormai convinto che ad un led standard di quel tipo dovessi dare 20mA, non pensando che il led si accende anche con molta meno corrente, addirittura di un ordine di grandezza inferiore alla corrente nominale.
Mi ricordero' per il futuro di questa mia defiance, non so perché nel primissimo schema il mio circuito funzionava male, ora funziona tutto come dovrebbe e senza il voltage follower.
Grazie
IsidoroKZ
Mi ricordero' per il futuro di questa mia defiance, non so perché nel primissimo schema il mio circuito funzionava male, ora funziona tutto come dovrebbe e senza il voltage follower.
Grazie
-

rusty
4.075 2 9 11 - Utente disattivato per decisione dell'amministrazione proprietaria del sito
- Messaggi: 1578
- Iscritto il: 25 gen 2009, 13:10
0
voti
No, il problema non e` quello. Anche mettendo 5mA sui led, il primo circuito funziona in simulazione e non in realta`. La ragione non e` il livello della corrente e` qualcosa di piu` malefico e nascosto.
Per usare proficuamente un simulatore, bisogna sapere molta più elettronica di lui
Plug it in - it works better!
Il 555 sta all'elettronica come Arduino all'informatica! (entrambi loro malgrado)
Se volete risposte rispondete a tutte le mie domande
Plug it in - it works better!
Il 555 sta all'elettronica come Arduino all'informatica! (entrambi loro malgrado)
Se volete risposte rispondete a tutte le mie domande
13 messaggi
• Pagina 1 di 2 • 1, 2
Chi c’è in linea
Visitano il forum: Nessuno e 55 ospiti

Elettrotecnica e non solo (admin)
Un gatto tra gli elettroni (IsidoroKZ)
Esperienza e simulazioni (g.schgor)
Moleskine di un idraulico (RenzoDF)
Il Blog di ElectroYou (webmaster)
Idee microcontrollate (TardoFreak)
PICcoli grandi PICMicro (Paolino)
Il blog elettrico di carloc (carloc)
DirtEYblooog (dirtydeeds)
Di tutto... un po' (jordan20)
AK47 (lillo)
Esperienze elettroniche (marco438)
Telecomunicazioni musicali (clavicordo)
Automazione ed Elettronica (gustavo)
Direttive per la sicurezza (ErnestoCappelletti)
EYnfo dall'Alaska (mir)
Apriamo il quadro! (attilio)
H7-25 (asdf)
Passione Elettrica (massimob)
Elettroni a spasso (guidob)
Bloguerra (guerra)




