Ho creato questi 2 circuiti che hanno una batteria tampone nel caso manchi corrente, ma penso che ognuno di loro abbia dei pro e dei contro.
Quale dei due mi consigliate? Grazie
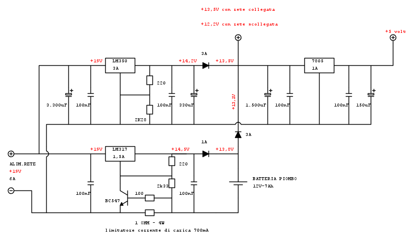
Circuito n°1
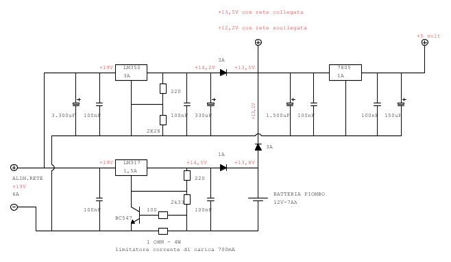
Circuito n°2
Moderatori:
carloc,
g.schgor,
BrunoValente,
IsidoroKZ
marco438 ha scritto:Nel secondo schema inoltre, la batteria viene "ricaricata" a tensione costante e non limitata in corrente.
andrewto ha scritto:Ciao Marco, il punto di connessione che tu hai aggiunto io non l'ho messo ma ovviamente il circuito da 5 volt era collegato, infatti se noti non ho messo un ponticello.
andrewto ha scritto:devo alimentare una macchina che funziona a 12 V 2,5A (pistoni, elettrovalvole ecc...) e a 5 volt (PIC)
marco438 ha scritto:Se la tua macchina lavora a 12 V, perche' hai dimensionato il circuito con LM358 a 13.75V?
Salvo tolleranze infatti, con R1 220 e R2 2200, si ottiene quella tensione.
Metterei al posto di R2 un trimmer da 2200 e lo regolerei a 1980 ca. per ottenere 12.5 V.
marco438 ha scritto:Il diodo in serie all'uscita non serve.
marco438 ha scritto:a batteria carica, avrai in uscita da quest'ultima 13.5/13.8V che, dedotto l'assorbimento del diodo (qui ci vuole) ti daranno , a piena carica, circa 13V per poi stabilizzarsi sui 12/12.5 V.
marco438 ha scritto:Non penso che la macchina trovera' da ridire per l'eccesso di tensione (0.5 V). Se poi cosi' fosse, si puo' inserire un altro diodo in serie per abbassarla ulteriormente e regolare il trimmer di cui sopra per i 12 V.

Visitano il forum: Nessuno e 44 ospiti