stabilizzare tensione batteria
Moderatori:
carloc,
g.schgor,
BrunoValente,
IsidoroKZ
16 messaggi
• Pagina 1 di 2 • 1, 2
0
voti
Ciao a tutti avrei un quesito da chiedervi devo alimentare un carico molto sensibile da 12Vcc con una potenza di 60W tramite una batteria da 12Vcc e 60Ah, il mio problema e che la mia batteria può arrivare ad una tensione di 14Vcc o addirittura 16Vcc posso costruire un circuito per evitare questi mie sbalzi di tensione non supportati dal mio carico?
0
voti
Si potrebbe provare con un regolatore LDO; c'e' pero' da considerare che la batteria scaricandosi, potrebbe poi dare meno dei 12V richiesti.
Puoi dare qualche informazione in piu' circa il carico?
Puoi dare qualche informazione in piu' circa il carico?
marco
0
voti
Per un carico di 60W (comporta una corrente di 5A), penso
si debba applicare un PWM con Mosfet (ad es.IRF024)
Il principio di un regolatore ON_OFF è illustrato qui.
Se pensi di poterlo costruire, ne riparliamo.
si debba applicare un PWM con Mosfet (ad es.IRF024)
Il principio di un regolatore ON_OFF è illustrato qui.
Se pensi di poterlo costruire, ne riparliamo.
0
voti
grazie mille per le risposte immediate, vorrei sapere quali dei due schemi è il più affidabile perché non me ne intendo moltissimo: Vorrei più informazioni al riguardo del regolatore di carica LDO perché non saprei minimamente in cosa consiste e che funzionalità può avere logicamente a me non interessa intervenire sulle soglie di tensioni al di sotto dei 12Vcc una volta al di sotto niente tutto si spegne, mi interessa intervenire sulle soglie della batteria elevate quindi 12.5 o 13 ,14,15 o anche 16 a volte, tutto dipende da com'è carica la batteria.
Invece riguardando il PWM con Mosfet di g.schgor non capisco come funzioni praticamente lui rileva la tensione e se la tensione e superiore a 12Vcc non abilita l'uscita per il mio carico o la abbasserebbe fino a 12Vcc per alimentare il carico?
In breve io dovrei trasformare queste mi tensioni elevate da 12.5 a 16Vcc che potrebbero esserci a 12Vcc stabili per alimentare il circuito.
Invece riguardando il PWM con Mosfet di g.schgor non capisco come funzioni praticamente lui rileva la tensione e se la tensione e superiore a 12Vcc non abilita l'uscita per il mio carico o la abbasserebbe fino a 12Vcc per alimentare il carico?
In breve io dovrei trasformare queste mi tensioni elevate da 12.5 a 16Vcc che potrebbero esserci a 12Vcc stabili per alimentare il circuito.
0
voti
Considerata la difficoltà di costruire un regolatore di tensione
per quella potenza, posso proporre una soluzione facile che,
pur non mantenendo esattamente i 12V, assicura una tolleranza.
credo accettabile attorno a questo valore.
Si tratterebbe di mettere in serie 3 diodi (da 5A), bypassabili
da contatti di relè comandati da dei comparatori.
Se la tensione della batteria si alza oltre una certa soglia,
viene inserito un diodo, oltre una seconda soglia 2 diodi,
oltre una terza 3 diodi.
Se ritieni accettabile l'idea, possiamo entrare nei dettagli.
per quella potenza, posso proporre una soluzione facile che,
pur non mantenendo esattamente i 12V, assicura una tolleranza.
credo accettabile attorno a questo valore.
Si tratterebbe di mettere in serie 3 diodi (da 5A), bypassabili
da contatti di relè comandati da dei comparatori.
Se la tensione della batteria si alza oltre una certa soglia,
viene inserito un diodo, oltre una seconda soglia 2 diodi,
oltre una terza 3 diodi.
Se ritieni accettabile l'idea, possiamo entrare nei dettagli.
0
voti
Si la ritengo molto valida potresti spiegarmi meglio e inviarmi magari qualche schema.... grazie mille 
0
voti
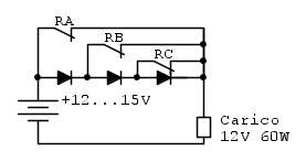
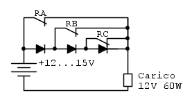
L'idea è questa:
I relè A,B,C intervengono ad inserire i diodi quando
la tensione della batteria supera le rispettive soglie
(ad es. 12.8V,13.6V,14.4V)
I relè A,B,C intervengono ad inserire i diodi quando
la tensione della batteria supera le rispettive soglie
(ad es. 12.8V,13.6V,14.4V)
0
voti
Cosi se ho capito bene quando ho una tensione superiore a 12Vcc es: 16Vcc si attivano tutti e tre i diodi e il mio carico avrebbe comunque solo la 12Vcc? devo utilizzare dei diodi zenner?
Grazie mille
Grazie mille
0
voti
NO. I diodi Zener sono un'altra cosa.
Ci vogliono diodi da 5A, come ad es. il BY 550-50.
Devi anche cercare 3 relè con bobina a 12Vcc e
contatti di scambio da 10A (li trovi normalmente in rete).
Conoscendo le caratteristiche di tali relè, potremo
poi dimensionare il circuito di comando, in funzione
della tensione della batteria
Ci vogliono diodi da 5A, come ad es. il BY 550-50.
Devi anche cercare 3 relè con bobina a 12Vcc e
contatti di scambio da 10A (li trovi normalmente in rete).
Conoscendo le caratteristiche di tali relè, potremo
poi dimensionare il circuito di comando, in funzione
della tensione della batteria
16 messaggi
• Pagina 1 di 2 • 1, 2
Chi c’è in linea
Visitano il forum: Nessuno e 161 ospiti

Elettrotecnica e non solo (admin)
Un gatto tra gli elettroni (IsidoroKZ)
Esperienza e simulazioni (g.schgor)
Moleskine di un idraulico (RenzoDF)
Il Blog di ElectroYou (webmaster)
Idee microcontrollate (TardoFreak)
PICcoli grandi PICMicro (Paolino)
Il blog elettrico di carloc (carloc)
DirtEYblooog (dirtydeeds)
Di tutto... un po' (jordan20)
AK47 (lillo)
Esperienze elettroniche (marco438)
Telecomunicazioni musicali (clavicordo)
Automazione ed Elettronica (gustavo)
Direttive per la sicurezza (ErnestoCappelletti)
EYnfo dall'Alaska (mir)
Apriamo il quadro! (attilio)
H7-25 (asdf)
Passione Elettrica (massimob)
Elettroni a spasso (guidob)
Bloguerra (guerra)




