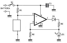
cosa va in quel qudrato? io ho pensato ad una resistenza è così?
Domanda forse stupida.
Moderatori:
carloc,
g.schgor,
BrunoValente,
IsidoroKZ
13 messaggi
• Pagina 1 di 2 • 1, 2
0
voti
ma...quale quadrato ?
Edit: chiedo scusa, non vedevo l'immagine :)
Edit: chiedo scusa, non vedevo l'immagine :)
Visita il mio sito : http://www.raffotech.altervista.org
0
voti
scusa avevo dimenticato di postare l'immaginepierinter ha scritto:ma...quale quadrato ?
-

daniele1996
610 3 8 11 - Sostenitore

- Messaggi: 1554
- Iscritto il: 29 ago 2011, 11:29
0
voti
sisi, infattimarco438 ha scritto:Che poi e' un rettangolo...........
-

daniele1996
610 3 8 11 - Sostenitore

- Messaggi: 1554
- Iscritto il: 29 ago 2011, 11:29
0
voti
mmm non so bene ma provando ad analizzarlo velocemente mi sembra che il componente che metti ti va a fissare la tensione sul led
Visita il mio sito : http://www.raffotech.altervista.org
0
voti
Anche a me sembra strana la retroazione sul positivo..però boh 
Visita il mio sito : http://www.raffotech.altervista.org
0
voti
non lo so perché e una domanda che mi ha fatto un mio amico...
-

daniele1996
610 3 8 11 - Sostenitore

- Messaggi: 1554
- Iscritto il: 29 ago 2011, 11:29
0
voti
mi ha dato questi indizi:
Secondo te qual è l'elemento che completa lo schema riportato nella figura e che funzione svolge? Visto che, per quanto sia banale, il circuito ha una funzione decisamente difficile da comprendere, voglio darti un suggerimento: sfrutta una caratteristica e una configurazione inusuale in uno dei componenti, che poi è l'elemento chiave. In realtà, una doppia caratteristica di tale componente...che permette al circuito di funzionare come effettivamente funziona.
Secondo te qual è l'elemento che completa lo schema riportato nella figura e che funzione svolge? Visto che, per quanto sia banale, il circuito ha una funzione decisamente difficile da comprendere, voglio darti un suggerimento: sfrutta una caratteristica e una configurazione inusuale in uno dei componenti, che poi è l'elemento chiave. In realtà, una doppia caratteristica di tale componente...che permette al circuito di funzionare come effettivamente funziona.
-

daniele1996
610 3 8 11 - Sostenitore

- Messaggi: 1554
- Iscritto il: 29 ago 2011, 11:29
13 messaggi
• Pagina 1 di 2 • 1, 2
Chi c’è in linea
Visitano il forum: Nessuno e 38 ospiti

Elettrotecnica e non solo (admin)
Un gatto tra gli elettroni (IsidoroKZ)
Esperienza e simulazioni (g.schgor)
Moleskine di un idraulico (RenzoDF)
Il Blog di ElectroYou (webmaster)
Idee microcontrollate (TardoFreak)
PICcoli grandi PICMicro (Paolino)
Il blog elettrico di carloc (carloc)
DirtEYblooog (dirtydeeds)
Di tutto... un po' (jordan20)
AK47 (lillo)
Esperienze elettroniche (marco438)
Telecomunicazioni musicali (clavicordo)
Automazione ed Elettronica (gustavo)
Direttive per la sicurezza (ErnestoCappelletti)
EYnfo dall'Alaska (mir)
Apriamo il quadro! (attilio)
H7-25 (asdf)
Passione Elettrica (massimob)
Elettroni a spasso (guidob)
Bloguerra (guerra)



