Ciao ragazzi scusate se apro un nuovo topic ma in quello vecchio non mi capisco piu neanche io.
Ho raccolto le informazini necessarie e mi sono finalmente deciso...
Mi serve una mano a progettare un contagiri a led basato sul convertitore frequenza-tensione lm2917 che pilota un vu meter lm3914. L'operazione che il circuito deve fare è sostanzialmente pilotare 3 strisce di led: in base al range di giri in cui ci si trova deve accendere la corrispondente striscia di led(visto che il 3914 lavora in logica negata pensavo di usare una rete logica CMOS creare questo tipo di funzionamento.
intanto le caratteristiche:
-il segnale è un 12v onda quadra, duty-cycle 50%
-alimentazione max circuito 12V
-La frequenza in cui il dispositivo "segna" la massima frequenza è intorno ai 500Hz
In internet ho trovato questo schema:
http://www.grix.it/viewer.php?page=2566
però il mio progetto ha delle differenze, le strisce di led da pilotare sono 3 quindi dovrebbe bastare un solo 3914, poi i le strisce di led non devono accendersi insieme ma una sola alla volta(agire quindi sul pin 9in teoria).
Mi date una mano per piacere? perche ho provato a consultare i datasheet di questi integrati ma ci ho capito poco...
Grazie in anticipo
Contagiri a LED
Moderatori:
carloc,
g.schgor,
BrunoValente,
IsidoroKZ
0
voti
Scusate appunto se ho aperto un'altra discussione ma nell'altra c'era troppa confusione.sono partito con un idea e ne ho sviluppate altre 3, poi in alcuni post ho anche sbagliato a scrivere i dati e poi nessuno più mi rispondeva.
Ho fatto male?
Ho fatto male?
1
voti
Scusate ancora per aver aperto una nuova discussione.
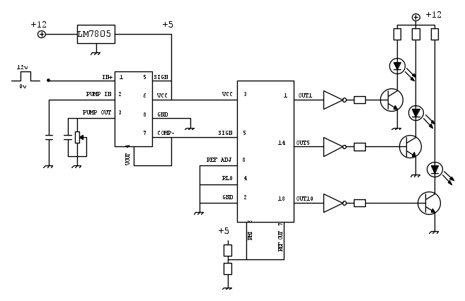
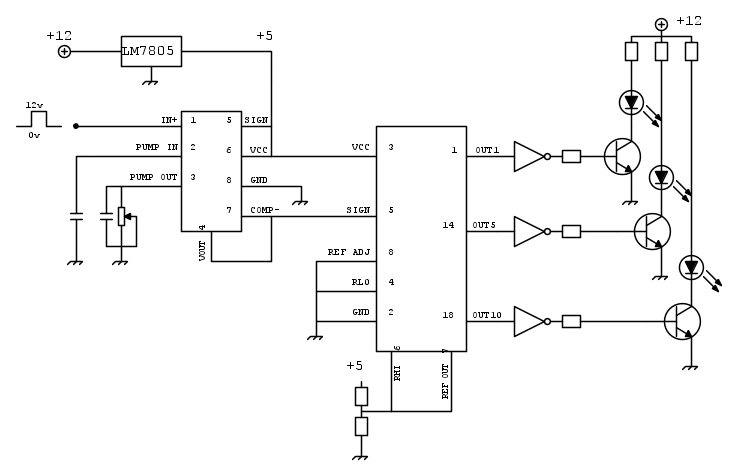
Ho provato a fare uno schema, ci ho messo tutto il mio impegno la buona volontà, ma perdonatemi se ho fatto qualche obrobrio.Ho guardando datasheet e ho preso come riferimento il circuito proposto nel link.
Questo è il risultato:
Manca ancora la parte di dimensionamento ma intanto provate a dare un occhio a questo e vedere cio che non va bene. poi ho dei dubbi per quanto riguarda la tensione di riferimento del 3914 creata dal partitore sui pin 6 7 e sul dimensionamento di resistenza e condensatori per la taratura del 2971.
Grazie in anticipo
Ho provato a fare uno schema, ci ho messo tutto il mio impegno la buona volontà, ma perdonatemi se ho fatto qualche obrobrio.Ho guardando datasheet e ho preso come riferimento il circuito proposto nel link.
Questo è il risultato:
Manca ancora la parte di dimensionamento ma intanto provate a dare un occhio a questo e vedere cio che non va bene. poi ho dei dubbi per quanto riguarda la tensione di riferimento del 3914 creata dal partitore sui pin 6 7 e sul dimensionamento di resistenza e condensatori per la taratura del 2971.
Grazie in anticipo
0
voti
Manca la sigla degli integrati, dei transistor e valori dei componenti...
Ad ogni modo, spiega bene in questo post cosa vorresti fare, perché, cosa sai di elettronica, esperienze ecc.
PS: il 7805 così non è contento, metti dei condensatori da 100nF in ingresso e uscita verso massa, usa un diodo in serie all'ingresso del 7805, se ti è possibile una resistenza.
Ad ogni modo, spiega bene in questo post cosa vorresti fare, perché, cosa sai di elettronica, esperienze ecc.
PS: il 7805 così non è contento, metti dei condensatori da 100nF in ingresso e uscita verso massa, usa un diodo in serie all'ingresso del 7805, se ti è possibile una resistenza.
0
voti
Ciao ragazzi.
Innanzitutto allora la premessa:
frequento il corso itis di elettronica e tlc al 4° anno; abbiamo appena finito di trattare gli ampli a MOS e a BJT e ora abbiamo cominciato gli integrati, partendo dagli operazionali.
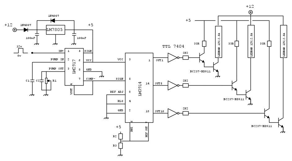
Questo è lo schema rivisto, spero ci sia tutto!
Non sono riuscito a calcolare le resistenze R1,C1,C2 che tarano il frequenzimetro e il partitore R2, R3 in quanto non ho ancora capito a cosa serve.
Provate a dare un occhio allo schema, perché spero sia corretto, ma non lo credo
Ho avuto poi un dubbio sul pilotaggio dei transistor "finali", ho usato dei BD911 perché li ho usati anche in tdp ma so che sono specifici per ampli a simmetria (Bd911-BD912), e visto che hanno una Icmax=15A, magari ce ne sono altri in commercio con Ic magari di 5A. Cosa mi consigliate? Poi non so se la semi-darlington che ho realizzato vada bene. Aggiungo che per il dimensionamento delle resistenze di collettore dei finali ho tenuto come corrente Ic=3A e HFE=25
Grazie 1000, scusate la mia inesperienza sia nel forum che in materia!
Innanzitutto allora la premessa:
frequento il corso itis di elettronica e tlc al 4° anno; abbiamo appena finito di trattare gli ampli a MOS e a BJT e ora abbiamo cominciato gli integrati, partendo dagli operazionali.
Questo è lo schema rivisto, spero ci sia tutto!
Non sono riuscito a calcolare le resistenze R1,C1,C2 che tarano il frequenzimetro e il partitore R2, R3 in quanto non ho ancora capito a cosa serve.
Provate a dare un occhio allo schema, perché spero sia corretto, ma non lo credo
Ho avuto poi un dubbio sul pilotaggio dei transistor "finali", ho usato dei BD911 perché li ho usati anche in tdp ma so che sono specifici per ampli a simmetria (Bd911-BD912), e visto che hanno una Icmax=15A, magari ce ne sono altri in commercio con Ic magari di 5A. Cosa mi consigliate? Poi non so se la semi-darlington che ho realizzato vada bene. Aggiungo che per il dimensionamento delle resistenze di collettore dei finali ho tenuto come corrente Ic=3A e HFE=25
Grazie 1000, scusate la mia inesperienza sia nel forum che in materia!
0
voti
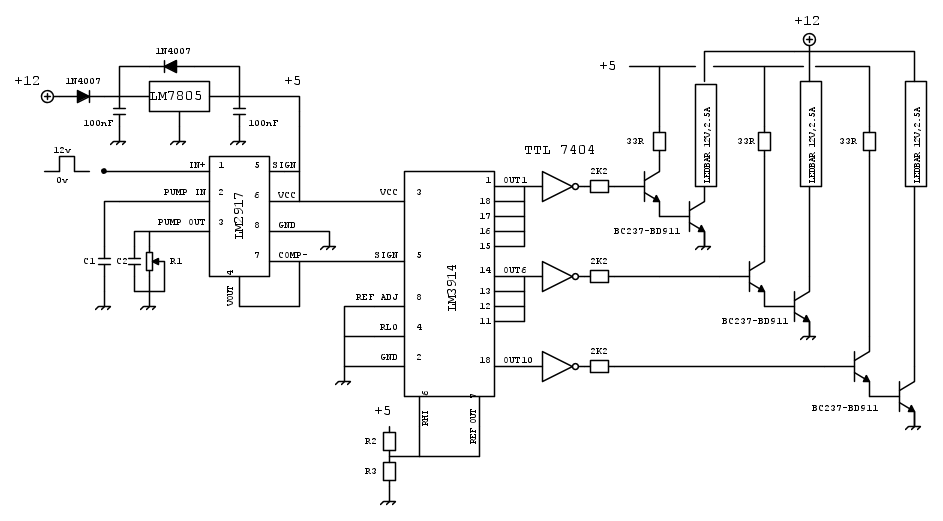
Fammi capire il tuo scopo prima di andare avanti a vedere che tipo di integrati sono ecc ecc... tu devi accendere delle barre di led quando il motore gira sopra, o sotto, un determinato valore giusto?
Dalle uscite che riporti nello schema direi 3, giusto? Spiega tutto bene per favore...
Ora, perplessità mia, sei sicuro che la barra a led consumi 2.5A a 12V ???
Luca.
Dalle uscite che riporti nello schema direi 3, giusto? Spiega tutto bene per favore...
Ora, perplessità mia, sei sicuro che la barra a led consumi 2.5A a 12V ???
Luca.0
voti
Grazie per la risposta innanzitutto.
Allora il funzionamento è quello che dici tu. faccio un esempio:
-per il range giri 0-2000 è attiva solo l'uscita 1
-per il range giri 2000-6000 è attiva solo l'uscita 6
-per il range giri 6000-max si attiva solo l'uscita 10
Questo intanto è solo un esempio, però mi hai fatto venire in mente che alla not non devo collegare solo quell'uscita ma anche le successive perche altrimenti non lavora più per un range ma per una sola frequenza...
che stupido che sono stato.
Comunque le uscite per il momento usate sono 3, ma credo che con lo stesso principio si se ne possano aggiungere anche altre o sbaglio?
Per quanto riguarda l'assorbimento della striscia a led ti spego:
la striscia ha una lunghezza notevole (ordine di metri, ma non so la misura precisa) ed è composta da 3 strisce in parallelo con led di colore diverso (verde,blu,rosso). L'assorbimento l'ho misurato con un amperometro nel caso più critico con tutte e 3 le strisce attive e segnava 2.5A circa.
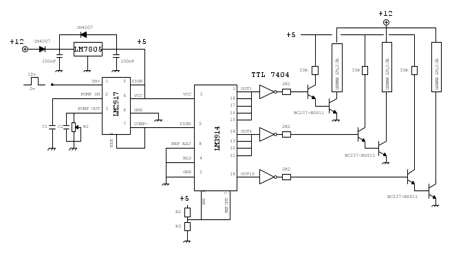
Avevo anche invertito le uscite del driver cavolo!!
Questo dovrebbe essere già più corretto di quello precedente!
Grazie!!
Allora il funzionamento è quello che dici tu. faccio un esempio:
-per il range giri 0-2000 è attiva solo l'uscita 1
-per il range giri 2000-6000 è attiva solo l'uscita 6
-per il range giri 6000-max si attiva solo l'uscita 10
Questo intanto è solo un esempio, però mi hai fatto venire in mente che alla not non devo collegare solo quell'uscita ma anche le successive perche altrimenti non lavora più per un range ma per una sola frequenza...
che stupido che sono stato.
Comunque le uscite per il momento usate sono 3, ma credo che con lo stesso principio si se ne possano aggiungere anche altre o sbaglio?
Per quanto riguarda l'assorbimento della striscia a led ti spego:
la striscia ha una lunghezza notevole (ordine di metri, ma non so la misura precisa) ed è composta da 3 strisce in parallelo con led di colore diverso (verde,blu,rosso). L'assorbimento l'ho misurato con un amperometro nel caso più critico con tutte e 3 le strisce attive e segnava 2.5A circa.
Avevo anche invertito le uscite del driver cavolo!!
Questo dovrebbe essere già più corretto di quello precedente!
Grazie!!
0
voti
[10] Re: Contagiri a LED
Allora io non scomoderei un driver di barre led (ammesso che ho capito bene, cioè che i led si accendono in modo on/off ), ma userei 3 comparatori con una piccola isterei, che pilotano 3 mosfet a cui colleghi le tue stringhe di led.
I comparatori sono pilotati dal convertitore frequenza tensione, che è LM2917.
Il segnale di ingresso all'LM2917 lo prendi dalla candela?
Se pensi che la mia idea possa andare e ti trovi d'accordo posso provare a farti uno schema di massima in fidocad.Se si i comparatori li avete fatti a scuola? o comunque lo conosci? se si li avete fatti/conosci con gli operazionali o con integrati appositi?
I comparatori sono pilotati dal convertitore frequenza tensione, che è LM2917.
Il segnale di ingresso all'LM2917 lo prendi dalla candela?
Se pensi che la mia idea possa andare e ti trovi d'accordo posso provare a farti uno schema di massima in fidocad.Se si i comparatori li avete fatti a scuola? o comunque lo conosci? se si li avete fatti/conosci con gli operazionali o con integrati appositi?
Chi c’è in linea
Visitano il forum: Majestic-12 [Bot] e 45 ospiti

Elettrotecnica e non solo (admin)
Un gatto tra gli elettroni (IsidoroKZ)
Esperienza e simulazioni (g.schgor)
Moleskine di un idraulico (RenzoDF)
Il Blog di ElectroYou (webmaster)
Idee microcontrollate (TardoFreak)
PICcoli grandi PICMicro (Paolino)
Il blog elettrico di carloc (carloc)
DirtEYblooog (dirtydeeds)
Di tutto... un po' (jordan20)
AK47 (lillo)
Esperienze elettroniche (marco438)
Telecomunicazioni musicali (clavicordo)
Automazione ed Elettronica (gustavo)
Direttive per la sicurezza (ErnestoCappelletti)
EYnfo dall'Alaska (mir)
Apriamo il quadro! (attilio)
H7-25 (asdf)
Passione Elettrica (massimob)
Elettroni a spasso (guidob)
Bloguerra (guerra)







